Do All 3 Brake Lights Have To Work . Depending on the car the high level brake light might not be part of the mot test. Whether you'd still get done under construction. As a result your brake lights are not working properly. However, federal law requires all vehicles in the us to have 3 functioning brake lights; This restriction does not include four way. Legal requirements for brake lights vary by state, but generally, vehicles must have functioning brake lights that are visible from a certain. The exact number of brake lights required by law varies depending on jurisdiction. Third brake light on cars, known as center high mounted stop lamp, became required on new cars in 1986 and light trucks in 1994 and law. Generally, vehicles are required to have at least two functioning brake lights that are visible from a certain distance, typically 300 feet during. You might be wondering why the third light is working. While the standard requirement for vehicles is to have two functioning brake lights, there are significant benefits to having three or. Flashing red lights, visible from any direction on a vehicle, are restricted to law enforcement vehicles only.
from www.justanswer.com
Flashing red lights, visible from any direction on a vehicle, are restricted to law enforcement vehicles only. Generally, vehicles are required to have at least two functioning brake lights that are visible from a certain distance, typically 300 feet during. While the standard requirement for vehicles is to have two functioning brake lights, there are significant benefits to having three or. The exact number of brake lights required by law varies depending on jurisdiction. Whether you'd still get done under construction. However, federal law requires all vehicles in the us to have 3 functioning brake lights; As a result your brake lights are not working properly. Third brake light on cars, known as center high mounted stop lamp, became required on new cars in 1986 and light trucks in 1994 and law. Depending on the car the high level brake light might not be part of the mot test. You might be wondering why the third light is working.
All 3 brake lights out, Runners still working, 2007 elantra, Fuses and
Do All 3 Brake Lights Have To Work However, federal law requires all vehicles in the us to have 3 functioning brake lights; You might be wondering why the third light is working. While the standard requirement for vehicles is to have two functioning brake lights, there are significant benefits to having three or. Third brake light on cars, known as center high mounted stop lamp, became required on new cars in 1986 and light trucks in 1994 and law. However, federal law requires all vehicles in the us to have 3 functioning brake lights; This restriction does not include four way. Legal requirements for brake lights vary by state, but generally, vehicles must have functioning brake lights that are visible from a certain. Generally, vehicles are required to have at least two functioning brake lights that are visible from a certain distance, typically 300 feet during. Whether you'd still get done under construction. As a result your brake lights are not working properly. Depending on the car the high level brake light might not be part of the mot test. The exact number of brake lights required by law varies depending on jurisdiction. Flashing red lights, visible from any direction on a vehicle, are restricted to law enforcement vehicles only.
From www.2carpros.com
All Three Brake Lights Stopped Working at Once Do All 3 Brake Lights Have To Work Flashing red lights, visible from any direction on a vehicle, are restricted to law enforcement vehicles only. Depending on the car the high level brake light might not be part of the mot test. This restriction does not include four way. Legal requirements for brake lights vary by state, but generally, vehicles must have functioning brake lights that are visible. Do All 3 Brake Lights Have To Work.
From forums.quattroworld.com
Forums Towards a 3rd Brake Light Bulb Improvement (or Do All 3 Brake Lights Have To Work Third brake light on cars, known as center high mounted stop lamp, became required on new cars in 1986 and light trucks in 1994 and law. While the standard requirement for vehicles is to have two functioning brake lights, there are significant benefits to having three or. However, federal law requires all vehicles in the us to have 3 functioning. Do All 3 Brake Lights Have To Work.
From www.justanswer.com
All three brake lights are not working. The fuse and the bulb appear to Do All 3 Brake Lights Have To Work Whether you'd still get done under construction. Generally, vehicles are required to have at least two functioning brake lights that are visible from a certain distance, typically 300 feet during. You might be wondering why the third light is working. However, federal law requires all vehicles in the us to have 3 functioning brake lights; Flashing red lights, visible from. Do All 3 Brake Lights Have To Work.
From www.justanswer.com
All 3 brake lights out, Runners still working, 2007 elantra, Fuses and Do All 3 Brake Lights Have To Work Depending on the car the high level brake light might not be part of the mot test. As a result your brake lights are not working properly. While the standard requirement for vehicles is to have two functioning brake lights, there are significant benefits to having three or. Legal requirements for brake lights vary by state, but generally, vehicles must. Do All 3 Brake Lights Have To Work.
From mechanicbase.com
5 Signs Of A Bad Or Failing Brake Light Switch Do All 3 Brake Lights Have To Work The exact number of brake lights required by law varies depending on jurisdiction. This restriction does not include four way. Third brake light on cars, known as center high mounted stop lamp, became required on new cars in 1986 and light trucks in 1994 and law. Legal requirements for brake lights vary by state, but generally, vehicles must have functioning. Do All 3 Brake Lights Have To Work.
From www.2carpros.com
All Three Brake Lights Stopped Working at Once Do All 3 Brake Lights Have To Work While the standard requirement for vehicles is to have two functioning brake lights, there are significant benefits to having three or. You might be wondering why the third light is working. Generally, vehicles are required to have at least two functioning brake lights that are visible from a certain distance, typically 300 feet during. Depending on the car the high. Do All 3 Brake Lights Have To Work.
From www.2carpros.com
All Three Brake Lights Stay On? Brake Lights Won't Go Off... Do All 3 Brake Lights Have To Work Generally, vehicles are required to have at least two functioning brake lights that are visible from a certain distance, typically 300 feet during. While the standard requirement for vehicles is to have two functioning brake lights, there are significant benefits to having three or. The exact number of brake lights required by law varies depending on jurisdiction. However, federal law. Do All 3 Brake Lights Have To Work.
From brakeexperts.com
Do Brake Lights Have To Be Red? Brake Experts Do All 3 Brake Lights Have To Work The exact number of brake lights required by law varies depending on jurisdiction. While the standard requirement for vehicles is to have two functioning brake lights, there are significant benefits to having three or. Flashing red lights, visible from any direction on a vehicle, are restricted to law enforcement vehicles only. Depending on the car the high level brake light. Do All 3 Brake Lights Have To Work.
From diyquickly.com
How to Check Brake Lights by Yourself 7 Easy Steps (2024) Do All 3 Brake Lights Have To Work Flashing red lights, visible from any direction on a vehicle, are restricted to law enforcement vehicles only. Generally, vehicles are required to have at least two functioning brake lights that are visible from a certain distance, typically 300 feet during. Third brake light on cars, known as center high mounted stop lamp, became required on new cars in 1986 and. Do All 3 Brake Lights Have To Work.
From hydraulicsuspension.com
How To Install A Brake Light Switch Hydraulic Suspension Do All 3 Brake Lights Have To Work The exact number of brake lights required by law varies depending on jurisdiction. You might be wondering why the third light is working. Legal requirements for brake lights vary by state, but generally, vehicles must have functioning brake lights that are visible from a certain. Generally, vehicles are required to have at least two functioning brake lights that are visible. Do All 3 Brake Lights Have To Work.
From www.etrailer.com
How to Add a Third Brake Light to a Trailer Do All 3 Brake Lights Have To Work While the standard requirement for vehicles is to have two functioning brake lights, there are significant benefits to having three or. However, federal law requires all vehicles in the us to have 3 functioning brake lights; The exact number of brake lights required by law varies depending on jurisdiction. Third brake light on cars, known as center high mounted stop. Do All 3 Brake Lights Have To Work.
From www.driveaccord.net
Brake lamp light on dash illuminated, all brakes light up fine Drive Do All 3 Brake Lights Have To Work This restriction does not include four way. Depending on the car the high level brake light might not be part of the mot test. While the standard requirement for vehicles is to have two functioning brake lights, there are significant benefits to having three or. Whether you'd still get done under construction. Legal requirements for brake lights vary by state,. Do All 3 Brake Lights Have To Work.
From www.justanswer.com
I have a 2013 hyundai i40 where all the three brake lights have stopped Do All 3 Brake Lights Have To Work While the standard requirement for vehicles is to have two functioning brake lights, there are significant benefits to having three or. You might be wondering why the third light is working. Third brake light on cars, known as center high mounted stop lamp, became required on new cars in 1986 and light trucks in 1994 and law. Depending on the. Do All 3 Brake Lights Have To Work.
From autochimps.com
Brake Lights Stay On? [Here's Why And How To Fix] Auto Chimps Do All 3 Brake Lights Have To Work However, federal law requires all vehicles in the us to have 3 functioning brake lights; This restriction does not include four way. Whether you'd still get done under construction. Generally, vehicles are required to have at least two functioning brake lights that are visible from a certain distance, typically 300 feet during. Legal requirements for brake lights vary by state,. Do All 3 Brake Lights Have To Work.
From www.testingautos.com
Brake or tail light is not working repair options and cost Do All 3 Brake Lights Have To Work Generally, vehicles are required to have at least two functioning brake lights that are visible from a certain distance, typically 300 feet during. Whether you'd still get done under construction. However, federal law requires all vehicles in the us to have 3 functioning brake lights; Legal requirements for brake lights vary by state, but generally, vehicles must have functioning brake. Do All 3 Brake Lights Have To Work.
From www.2carpros.com
Brake Lights Not Working All Three Brake Lights Are Not Working. Do All 3 Brake Lights Have To Work Flashing red lights, visible from any direction on a vehicle, are restricted to law enforcement vehicles only. You might be wondering why the third light is working. The exact number of brake lights required by law varies depending on jurisdiction. This restriction does not include four way. Whether you'd still get done under construction. Depending on the car the high. Do All 3 Brake Lights Have To Work.
From www.justanswer.com
All 3 brake lights went out at the same time. I replaced the switch and Do All 3 Brake Lights Have To Work Third brake light on cars, known as center high mounted stop lamp, became required on new cars in 1986 and light trucks in 1994 and law. You might be wondering why the third light is working. Flashing red lights, visible from any direction on a vehicle, are restricted to law enforcement vehicles only. The exact number of brake lights required. Do All 3 Brake Lights Have To Work.
From www.familyhandyman.com
What Is a Brake Light Switch & When Should You Replace It? Do All 3 Brake Lights Have To Work Flashing red lights, visible from any direction on a vehicle, are restricted to law enforcement vehicles only. As a result your brake lights are not working properly. You might be wondering why the third light is working. Whether you'd still get done under construction. Third brake light on cars, known as center high mounted stop lamp, became required on new. Do All 3 Brake Lights Have To Work.
From www.youtube.com
Third Brake light Repair YouTube Do All 3 Brake Lights Have To Work Third brake light on cars, known as center high mounted stop lamp, became required on new cars in 1986 and light trucks in 1994 and law. The exact number of brake lights required by law varies depending on jurisdiction. As a result your brake lights are not working properly. Whether you'd still get done under construction. Depending on the car. Do All 3 Brake Lights Have To Work.
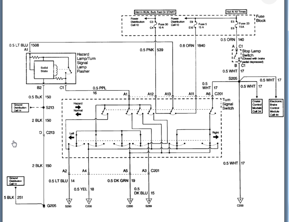
From www.2carpros.com
Brake Lights Wiring Diagrams Please? All 3 Brake Lights Are Not Do All 3 Brake Lights Have To Work While the standard requirement for vehicles is to have two functioning brake lights, there are significant benefits to having three or. Whether you'd still get done under construction. Third brake light on cars, known as center high mounted stop lamp, became required on new cars in 1986 and light trucks in 1994 and law. The exact number of brake lights. Do All 3 Brake Lights Have To Work.
From australiandrivertraining.blogspot.com
Getting Ready for the Driving Test Do All 3 Brake Lights Have To Work Flashing red lights, visible from any direction on a vehicle, are restricted to law enforcement vehicles only. The exact number of brake lights required by law varies depending on jurisdiction. Depending on the car the high level brake light might not be part of the mot test. While the standard requirement for vehicles is to have two functioning brake lights,. Do All 3 Brake Lights Have To Work.
From www.youtube.com
Wiring European brake and tail lights with a universal AAW kit. YouTube Do All 3 Brake Lights Have To Work Whether you'd still get done under construction. Depending on the car the high level brake light might not be part of the mot test. The exact number of brake lights required by law varies depending on jurisdiction. Legal requirements for brake lights vary by state, but generally, vehicles must have functioning brake lights that are visible from a certain. Flashing. Do All 3 Brake Lights Have To Work.
From www.2carpros.com
All Three Brake Lights Stay On? Brake Lights Won't Go Off... Do All 3 Brake Lights Have To Work Depending on the car the high level brake light might not be part of the mot test. Generally, vehicles are required to have at least two functioning brake lights that are visible from a certain distance, typically 300 feet during. Whether you'd still get done under construction. While the standard requirement for vehicles is to have two functioning brake lights,. Do All 3 Brake Lights Have To Work.
From www.youtube.com
DIY LED 3rd brake light. YouTube Do All 3 Brake Lights Have To Work Legal requirements for brake lights vary by state, but generally, vehicles must have functioning brake lights that are visible from a certain. The exact number of brake lights required by law varies depending on jurisdiction. You might be wondering why the third light is working. Generally, vehicles are required to have at least two functioning brake lights that are visible. Do All 3 Brake Lights Have To Work.
From www.2carpros.com
All Three Brake Lights Are Not Working Do All 3 Brake Lights Have To Work This restriction does not include four way. Flashing red lights, visible from any direction on a vehicle, are restricted to law enforcement vehicles only. Third brake light on cars, known as center high mounted stop lamp, became required on new cars in 1986 and light trucks in 1994 and law. You might be wondering why the third light is working.. Do All 3 Brake Lights Have To Work.
From www.youtube.com
Trailer Running Lights Do NOT Work but Brake Lights and Turn Signals Do Do All 3 Brake Lights Have To Work Depending on the car the high level brake light might not be part of the mot test. Whether you'd still get done under construction. However, federal law requires all vehicles in the us to have 3 functioning brake lights; You might be wondering why the third light is working. Flashing red lights, visible from any direction on a vehicle, are. Do All 3 Brake Lights Have To Work.
From www.ebay.com
Car HighMount Stop Lamp LED Safety Waterproof IP67 LED Turn Signals Do All 3 Brake Lights Have To Work The exact number of brake lights required by law varies depending on jurisdiction. Depending on the car the high level brake light might not be part of the mot test. Legal requirements for brake lights vary by state, but generally, vehicles must have functioning brake lights that are visible from a certain. Flashing red lights, visible from any direction on. Do All 3 Brake Lights Have To Work.
From www.2carpros.com
All Three Brake Lights Stopped Working at Once Do All 3 Brake Lights Have To Work However, federal law requires all vehicles in the us to have 3 functioning brake lights; As a result your brake lights are not working properly. While the standard requirement for vehicles is to have two functioning brake lights, there are significant benefits to having three or. Whether you'd still get done under construction. This restriction does not include four way.. Do All 3 Brake Lights Have To Work.
From fixmanualmartin.z19.web.core.windows.net
Brake Light Wire Diagram Do All 3 Brake Lights Have To Work You might be wondering why the third light is working. Flashing red lights, visible from any direction on a vehicle, are restricted to law enforcement vehicles only. Third brake light on cars, known as center high mounted stop lamp, became required on new cars in 1986 and light trucks in 1994 and law. However, federal law requires all vehicles in. Do All 3 Brake Lights Have To Work.
From americanwarmoms.org
How To Replace Boat Trailer Brake Light Bulb Do All 3 Brake Lights Have To Work However, federal law requires all vehicles in the us to have 3 functioning brake lights; Flashing red lights, visible from any direction on a vehicle, are restricted to law enforcement vehicles only. Whether you'd still get done under construction. While the standard requirement for vehicles is to have two functioning brake lights, there are significant benefits to having three or.. Do All 3 Brake Lights Have To Work.
From shoptalkforums.com
Brake lights don't work when light switch is on??? Do All 3 Brake Lights Have To Work The exact number of brake lights required by law varies depending on jurisdiction. You might be wondering why the third light is working. As a result your brake lights are not working properly. This restriction does not include four way. Third brake light on cars, known as center high mounted stop lamp, became required on new cars in 1986 and. Do All 3 Brake Lights Have To Work.
From www.justanswer.com
All three brake lights have stopped working at the same time on my Do All 3 Brake Lights Have To Work Legal requirements for brake lights vary by state, but generally, vehicles must have functioning brake lights that are visible from a certain. As a result your brake lights are not working properly. Whether you'd still get done under construction. While the standard requirement for vehicles is to have two functioning brake lights, there are significant benefits to having three or.. Do All 3 Brake Lights Have To Work.
From srkutczuadtzhh.blogspot.com
How To Reset Parking Brake Light The brake warning light is a multi Do All 3 Brake Lights Have To Work Depending on the car the high level brake light might not be part of the mot test. You might be wondering why the third light is working. Third brake light on cars, known as center high mounted stop lamp, became required on new cars in 1986 and light trucks in 1994 and law. The exact number of brake lights required. Do All 3 Brake Lights Have To Work.
From homeminimalisite.com
How Does A Motorcycle Brake Light Switch Work Do All 3 Brake Lights Have To Work Third brake light on cars, known as center high mounted stop lamp, became required on new cars in 1986 and light trucks in 1994 and law. The exact number of brake lights required by law varies depending on jurisdiction. While the standard requirement for vehicles is to have two functioning brake lights, there are significant benefits to having three or.. Do All 3 Brake Lights Have To Work.
From www.youtube.com
How a Brake Light Switch Works • Cars Simplified YouTube Do All 3 Brake Lights Have To Work Whether you'd still get done under construction. This restriction does not include four way. Depending on the car the high level brake light might not be part of the mot test. Flashing red lights, visible from any direction on a vehicle, are restricted to law enforcement vehicles only. While the standard requirement for vehicles is to have two functioning brake. Do All 3 Brake Lights Have To Work.