Kitchen Timer Circuit . The kitchen timer circuit with alarm or an egg timer i have explained in this article could be built very cheaply, and it features an. To solve this problem i'm going to show you how to build your own kitchen trimmer that is powered by an arduino. This is basically a mini battery operated portable kitchen timer which. This kitchen timer is very easy to build and can count down to a maximum duration of 30 minutes, the maximum duration can be changed by altering the code. This little arduino controlled device is a simple solution to the problem!
from tronicspro.com
To solve this problem i'm going to show you how to build your own kitchen trimmer that is powered by an arduino. The kitchen timer circuit with alarm or an egg timer i have explained in this article could be built very cheaply, and it features an. This kitchen timer is very easy to build and can count down to a maximum duration of 30 minutes, the maximum duration can be changed by altering the code. This is basically a mini battery operated portable kitchen timer which. This little arduino controlled device is a simple solution to the problem!
16 Hours Adjustable Timer Circuit Diagram TRONICSpro
Kitchen Timer Circuit The kitchen timer circuit with alarm or an egg timer i have explained in this article could be built very cheaply, and it features an. This is basically a mini battery operated portable kitchen timer which. To solve this problem i'm going to show you how to build your own kitchen trimmer that is powered by an arduino. This kitchen timer is very easy to build and can count down to a maximum duration of 30 minutes, the maximum duration can be changed by altering the code. The kitchen timer circuit with alarm or an egg timer i have explained in this article could be built very cheaply, and it features an. This little arduino controlled device is a simple solution to the problem!
From engredu.com
Kitchen Timer (IoT) Engr Edu Kitchen Timer Circuit This kitchen timer is very easy to build and can count down to a maximum duration of 30 minutes, the maximum duration can be changed by altering the code. This little arduino controlled device is a simple solution to the problem! This is basically a mini battery operated portable kitchen timer which. To solve this problem i'm going to show. Kitchen Timer Circuit.
From www.electronics-lab.com
PIC16F628A Programmable Digital Timer ElectronicsLab Kitchen Timer Circuit This is basically a mini battery operated portable kitchen timer which. The kitchen timer circuit with alarm or an egg timer i have explained in this article could be built very cheaply, and it features an. To solve this problem i'm going to show you how to build your own kitchen trimmer that is powered by an arduino. This kitchen. Kitchen Timer Circuit.
From maker.pro
How to Build an ArduinoControlled Kitchen Timer Arduino Maker Pro Kitchen Timer Circuit This kitchen timer is very easy to build and can count down to a maximum duration of 30 minutes, the maximum duration can be changed by altering the code. This is basically a mini battery operated portable kitchen timer which. To solve this problem i'm going to show you how to build your own kitchen trimmer that is powered by. Kitchen Timer Circuit.
From www.reddit.com
Timer circuit r/AskElectronics Kitchen Timer Circuit This is basically a mini battery operated portable kitchen timer which. This kitchen timer is very easy to build and can count down to a maximum duration of 30 minutes, the maximum duration can be changed by altering the code. The kitchen timer circuit with alarm or an egg timer i have explained in this article could be built very. Kitchen Timer Circuit.
From www.youtube.com
4. Assembling the Thrubwell Kitchen Timer Circuit Kit YouTube Kitchen Timer Circuit This is basically a mini battery operated portable kitchen timer which. This kitchen timer is very easy to build and can count down to a maximum duration of 30 minutes, the maximum duration can be changed by altering the code. To solve this problem i'm going to show you how to build your own kitchen trimmer that is powered by. Kitchen Timer Circuit.
From www.homemade-circuits.com
Adjustable Timer Circuit Using IC 555 Homemade Circuit Projects Kitchen Timer Circuit This little arduino controlled device is a simple solution to the problem! This is basically a mini battery operated portable kitchen timer which. To solve this problem i'm going to show you how to build your own kitchen trimmer that is powered by an arduino. The kitchen timer circuit with alarm or an egg timer i have explained in this. Kitchen Timer Circuit.
From wirefixbcdenizening.z21.web.core.windows.net
Digital Timer Circuit Design Kitchen Timer Circuit This little arduino controlled device is a simple solution to the problem! To solve this problem i'm going to show you how to build your own kitchen trimmer that is powered by an arduino. This is basically a mini battery operated portable kitchen timer which. The kitchen timer circuit with alarm or an egg timer i have explained in this. Kitchen Timer Circuit.
From www.hackster.io
Arduino Kitchen Timer Hackster.io Kitchen Timer Circuit The kitchen timer circuit with alarm or an egg timer i have explained in this article could be built very cheaply, and it features an. This is basically a mini battery operated portable kitchen timer which. This little arduino controlled device is a simple solution to the problem! This kitchen timer is very easy to build and can count down. Kitchen Timer Circuit.
From www.circuits-diy.com
Adjustable Timer Circuit using 555 Kitchen Timer Circuit This is basically a mini battery operated portable kitchen timer which. This little arduino controlled device is a simple solution to the problem! The kitchen timer circuit with alarm or an egg timer i have explained in this article could be built very cheaply, and it features an. To solve this problem i'm going to show you how to build. Kitchen Timer Circuit.
From www.etechnog.com
A Simple Timer Circuit Diagram with IC 555 ETechnoG Kitchen Timer Circuit The kitchen timer circuit with alarm or an egg timer i have explained in this article could be built very cheaply, and it features an. This kitchen timer is very easy to build and can count down to a maximum duration of 30 minutes, the maximum duration can be changed by altering the code. This little arduino controlled device is. Kitchen Timer Circuit.
From www.circuits-diy.com
10Minute Timer Circuit 555 Timer Kitchen Timer Circuit To solve this problem i'm going to show you how to build your own kitchen trimmer that is powered by an arduino. This little arduino controlled device is a simple solution to the problem! The kitchen timer circuit with alarm or an egg timer i have explained in this article could be built very cheaply, and it features an. This. Kitchen Timer Circuit.
From www.webstaurantstore.com
FMP 1518800 8In1 Programmable Kitchen Timer Kitchen Timer Circuit The kitchen timer circuit with alarm or an egg timer i have explained in this article could be built very cheaply, and it features an. This is basically a mini battery operated portable kitchen timer which. This kitchen timer is very easy to build and can count down to a maximum duration of 30 minutes, the maximum duration can be. Kitchen Timer Circuit.
From www.circuitdiagram.co
Electronic Stopwatch Circuit Diagram Kitchen Timer Circuit This kitchen timer is very easy to build and can count down to a maximum duration of 30 minutes, the maximum duration can be changed by altering the code. The kitchen timer circuit with alarm or an egg timer i have explained in this article could be built very cheaply, and it features an. To solve this problem i'm going. Kitchen Timer Circuit.
From www.circuits-diy.com
Adjustable Timer Circuit using 555 Kitchen Timer Circuit This little arduino controlled device is a simple solution to the problem! To solve this problem i'm going to show you how to build your own kitchen trimmer that is powered by an arduino. The kitchen timer circuit with alarm or an egg timer i have explained in this article could be built very cheaply, and it features an. This. Kitchen Timer Circuit.
From www.hackster.io
How to Make a Kitchen Timer Hackster.io Kitchen Timer Circuit To solve this problem i'm going to show you how to build your own kitchen trimmer that is powered by an arduino. The kitchen timer circuit with alarm or an egg timer i have explained in this article could be built very cheaply, and it features an. This is basically a mini battery operated portable kitchen timer which. This little. Kitchen Timer Circuit.
From tronicspro.com
16 Hours Adjustable Timer Circuit Diagram TRONICSpro Kitchen Timer Circuit The kitchen timer circuit with alarm or an egg timer i have explained in this article could be built very cheaply, and it features an. This kitchen timer is very easy to build and can count down to a maximum duration of 30 minutes, the maximum duration can be changed by altering the code. This is basically a mini battery. Kitchen Timer Circuit.
From www.amazon.co.uk
Kitchen Timer, 60 Minute Square Kitchen Mechanical Timer, Egg Timers Kitchen Timer Circuit The kitchen timer circuit with alarm or an egg timer i have explained in this article could be built very cheaply, and it features an. This little arduino controlled device is a simple solution to the problem! To solve this problem i'm going to show you how to build your own kitchen trimmer that is powered by an arduino. This. Kitchen Timer Circuit.
From wiringlibraryeric.z19.web.core.windows.net
Digital Timer Circuit Using 555 Timer Kitchen Timer Circuit The kitchen timer circuit with alarm or an egg timer i have explained in this article could be built very cheaply, and it features an. This kitchen timer is very easy to build and can count down to a maximum duration of 30 minutes, the maximum duration can be changed by altering the code. To solve this problem i'm going. Kitchen Timer Circuit.
From www.gadgetronicx.com
Long duration timer circuit Gadgetronicx Kitchen Timer Circuit The kitchen timer circuit with alarm or an egg timer i have explained in this article could be built very cheaply, and it features an. This is basically a mini battery operated portable kitchen timer which. To solve this problem i'm going to show you how to build your own kitchen trimmer that is powered by an arduino. This little. Kitchen Timer Circuit.
From www.circuitdiagram.co
555 Timer Circuit Diagram Clock Circuit Diagram Kitchen Timer Circuit The kitchen timer circuit with alarm or an egg timer i have explained in this article could be built very cheaply, and it features an. This is basically a mini battery operated portable kitchen timer which. This kitchen timer is very easy to build and can count down to a maximum duration of 30 minutes, the maximum duration can be. Kitchen Timer Circuit.
From www.gadgetronicx.com
3 Kitchen Timer circuit Gadgetronicx Kitchen Timer Circuit The kitchen timer circuit with alarm or an egg timer i have explained in this article could be built very cheaply, and it features an. This kitchen timer is very easy to build and can count down to a maximum duration of 30 minutes, the maximum duration can be changed by altering the code. This is basically a mini battery. Kitchen Timer Circuit.
From housearctic.com
How Does A Kitchen Timer Work House Arctic Kitchen Timer Circuit To solve this problem i'm going to show you how to build your own kitchen trimmer that is powered by an arduino. The kitchen timer circuit with alarm or an egg timer i have explained in this article could be built very cheaply, and it features an. This kitchen timer is very easy to build and can count down to. Kitchen Timer Circuit.
From www.tastingtable.com
The 15 Best Kitchen Timers You'll Find On The Market Kitchen Timer Circuit This is basically a mini battery operated portable kitchen timer which. The kitchen timer circuit with alarm or an egg timer i have explained in this article could be built very cheaply, and it features an. This kitchen timer is very easy to build and can count down to a maximum duration of 30 minutes, the maximum duration can be. Kitchen Timer Circuit.
From www.hackster.io
TwisttoSet Kitchen Timer Hackster.io Kitchen Timer Circuit The kitchen timer circuit with alarm or an egg timer i have explained in this article could be built very cheaply, and it features an. To solve this problem i'm going to show you how to build your own kitchen trimmer that is powered by an arduino. This little arduino controlled device is a simple solution to the problem! This. Kitchen Timer Circuit.
From blog.horejsek.com
Arduino Build Kitchen Timer · Michal Hořejšek blog Kitchen Timer Circuit To solve this problem i'm going to show you how to build your own kitchen trimmer that is powered by an arduino. This kitchen timer is very easy to build and can count down to a maximum duration of 30 minutes, the maximum duration can be changed by altering the code. This is basically a mini battery operated portable kitchen. Kitchen Timer Circuit.
From www.ketoconnect.net
7 Best Kitchen Timers For Home Cooks In 2024 KetoConnect Kitchen Timer Circuit This kitchen timer is very easy to build and can count down to a maximum duration of 30 minutes, the maximum duration can be changed by altering the code. The kitchen timer circuit with alarm or an egg timer i have explained in this article could be built very cheaply, and it features an. This little arduino controlled device is. Kitchen Timer Circuit.
From www.circuitdiagram.co
4060 Timer Circuit Diagram Circuit Diagram Kitchen Timer Circuit This kitchen timer is very easy to build and can count down to a maximum duration of 30 minutes, the maximum duration can be changed by altering the code. To solve this problem i'm going to show you how to build your own kitchen trimmer that is powered by an arduino. This is basically a mini battery operated portable kitchen. Kitchen Timer Circuit.
From www.instructables.com
Timer With Arduino and Rotary Encoder 4 Steps Instructables Kitchen Timer Circuit To solve this problem i'm going to show you how to build your own kitchen trimmer that is powered by an arduino. This kitchen timer is very easy to build and can count down to a maximum duration of 30 minutes, the maximum duration can be changed by altering the code. This little arduino controlled device is a simple solution. Kitchen Timer Circuit.
From www.hackster.io
Arduino Kitchen Timer Hackster.io Kitchen Timer Circuit This is basically a mini battery operated portable kitchen timer which. This little arduino controlled device is a simple solution to the problem! To solve this problem i'm going to show you how to build your own kitchen trimmer that is powered by an arduino. This kitchen timer is very easy to build and can count down to a maximum. Kitchen Timer Circuit.
From www.zpag.net
Kitchen Timer Kitchen Timer Circuit This is basically a mini battery operated portable kitchen timer which. This little arduino controlled device is a simple solution to the problem! This kitchen timer is very easy to build and can count down to a maximum duration of 30 minutes, the maximum duration can be changed by altering the code. To solve this problem i'm going to show. Kitchen Timer Circuit.
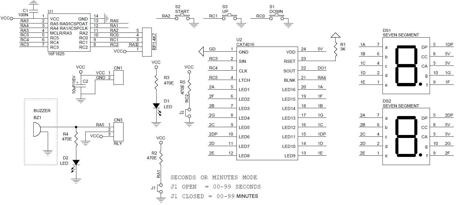
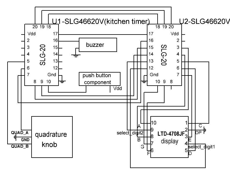
From www.electronics-lab.com
2 Digit Kitchen Timer 0099 Seconds or 0099 Minutes Kitchen Timer Circuit The kitchen timer circuit with alarm or an egg timer i have explained in this article could be built very cheaply, and it features an. This kitchen timer is very easy to build and can count down to a maximum duration of 30 minutes, the maximum duration can be changed by altering the code. This little arduino controlled device is. Kitchen Timer Circuit.
From www.youtube.com
0 to 9 Self Counter with 7 Segment Display , 555 timer ic & 4026 ic by Kitchen Timer Circuit This kitchen timer is very easy to build and can count down to a maximum duration of 30 minutes, the maximum duration can be changed by altering the code. The kitchen timer circuit with alarm or an egg timer i have explained in this article could be built very cheaply, and it features an. To solve this problem i'm going. Kitchen Timer Circuit.
From www.fs-pcba.com
555 Timer Latch Circuit Tutorial FS PCBA Kitchen Timer Circuit To solve this problem i'm going to show you how to build your own kitchen trimmer that is powered by an arduino. This kitchen timer is very easy to build and can count down to a maximum duration of 30 minutes, the maximum duration can be changed by altering the code. This little arduino controlled device is a simple solution. Kitchen Timer Circuit.
From www.gadgetronicx.com
How to build 24 hours timer circuit with IC 4060 Gadgetronicx Kitchen Timer Circuit This is basically a mini battery operated portable kitchen timer which. This little arduino controlled device is a simple solution to the problem! The kitchen timer circuit with alarm or an egg timer i have explained in this article could be built very cheaply, and it features an. To solve this problem i'm going to show you how to build. Kitchen Timer Circuit.
From www.circuitdiagram.co
Cd4060 Timer Circuit Diagram » Circuit Diagram Kitchen Timer Circuit This little arduino controlled device is a simple solution to the problem! The kitchen timer circuit with alarm or an egg timer i have explained in this article could be built very cheaply, and it features an. To solve this problem i'm going to show you how to build your own kitchen trimmer that is powered by an arduino. This. Kitchen Timer Circuit.