Bidirectional Current Sense Ic . Two ltc6101’s are used to. with advanced bidirectional sensing capabilities and available in three fixed gain version, x20 v/v (tsc2020), x50 v/v (tsc2021), x100 v/v (tsc2022), the. bidirectional current sensing monitors current flow in both directions through a sense resistor. The ad8418 performs bidirectional current measurements across a. this application note demonstrates current sensing using the ina181 to replace the traditional current sensing using general.
from www.panucatt.com
this application note demonstrates current sensing using the ina181 to replace the traditional current sensing using general. Two ltc6101’s are used to. bidirectional current sensing monitors current flow in both directions through a sense resistor. The ad8418 performs bidirectional current measurements across a. with advanced bidirectional sensing capabilities and available in three fixed gain version, x20 v/v (tsc2020), x50 v/v (tsc2021), x100 v/v (tsc2022), the.
100Amp HallEffect Current Sensor
Bidirectional Current Sense Ic with advanced bidirectional sensing capabilities and available in three fixed gain version, x20 v/v (tsc2020), x50 v/v (tsc2021), x100 v/v (tsc2022), the. bidirectional current sensing monitors current flow in both directions through a sense resistor. with advanced bidirectional sensing capabilities and available in three fixed gain version, x20 v/v (tsc2020), x50 v/v (tsc2021), x100 v/v (tsc2022), the. The ad8418 performs bidirectional current measurements across a. Two ltc6101’s are used to. this application note demonstrates current sensing using the ina181 to replace the traditional current sensing using general.
From www.researchgate.net
Example CSA integrated circuit (Current Sense Amplifier) [3] Rys. 10 Bidirectional Current Sense Ic bidirectional current sensing monitors current flow in both directions through a sense resistor. this application note demonstrates current sensing using the ina181 to replace the traditional current sensing using general. Two ltc6101’s are used to. with advanced bidirectional sensing capabilities and available in three fixed gain version, x20 v/v (tsc2020), x50 v/v (tsc2021), x100 v/v (tsc2022), the.. Bidirectional Current Sense Ic.
From icompplus.com
MAX4070AUA+ IC µMAX8 Bidirectional HighSide CurrentSense Amplifier Bidirectional Current Sense Ic bidirectional current sensing monitors current flow in both directions through a sense resistor. with advanced bidirectional sensing capabilities and available in three fixed gain version, x20 v/v (tsc2020), x50 v/v (tsc2021), x100 v/v (tsc2022), the. The ad8418 performs bidirectional current measurements across a. Two ltc6101’s are used to. this application note demonstrates current sensing using the ina181. Bidirectional Current Sense Ic.
From www.researchgate.net
Bidirectional current sensing circuit In this paper, two unidirectional Bidirectional Current Sense Ic this application note demonstrates current sensing using the ina181 to replace the traditional current sensing using general. The ad8418 performs bidirectional current measurements across a. Two ltc6101’s are used to. bidirectional current sensing monitors current flow in both directions through a sense resistor. with advanced bidirectional sensing capabilities and available in three fixed gain version, x20 v/v. Bidirectional Current Sense Ic.
From blog.csdn.net
Current Sense Amplifiers_an engineer鈥檚 guide to current sensingCSDN博客 Bidirectional Current Sense Ic Two ltc6101’s are used to. The ad8418 performs bidirectional current measurements across a. with advanced bidirectional sensing capabilities and available in three fixed gain version, x20 v/v (tsc2020), x50 v/v (tsc2021), x100 v/v (tsc2022), the. this application note demonstrates current sensing using the ina181 to replace the traditional current sensing using general. bidirectional current sensing monitors current. Bidirectional Current Sense Ic.
From www.analog.com
MAX4070 Bidirectional, HighSide, CurrentSense Amplifiers with Bidirectional Current Sense Ic with advanced bidirectional sensing capabilities and available in three fixed gain version, x20 v/v (tsc2020), x50 v/v (tsc2021), x100 v/v (tsc2022), the. this application note demonstrates current sensing using the ina181 to replace the traditional current sensing using general. The ad8418 performs bidirectional current measurements across a. Two ltc6101’s are used to. bidirectional current sensing monitors current. Bidirectional Current Sense Ic.
From www.ourpcb.com
Current Sense Amps Capture Small Voltage Drop With Precision Bidirectional Current Sense Ic with advanced bidirectional sensing capabilities and available in three fixed gain version, x20 v/v (tsc2020), x50 v/v (tsc2021), x100 v/v (tsc2022), the. this application note demonstrates current sensing using the ina181 to replace the traditional current sensing using general. The ad8418 performs bidirectional current measurements across a. Two ltc6101’s are used to. bidirectional current sensing monitors current. Bidirectional Current Sense Ic.
From www.digikey.com.au
Bidirectional Amplifiers Simplify Current Monitor DigiKey Bidirectional Current Sense Ic The ad8418 performs bidirectional current measurements across a. with advanced bidirectional sensing capabilities and available in three fixed gain version, x20 v/v (tsc2020), x50 v/v (tsc2021), x100 v/v (tsc2022), the. bidirectional current sensing monitors current flow in both directions through a sense resistor. this application note demonstrates current sensing using the ina181 to replace the traditional current. Bidirectional Current Sense Ic.
From mobilityforesights.com
Global Bidirectional Current Sense Amplifier Market 20222030 Bidirectional Current Sense Ic The ad8418 performs bidirectional current measurements across a. Two ltc6101’s are used to. with advanced bidirectional sensing capabilities and available in three fixed gain version, x20 v/v (tsc2020), x50 v/v (tsc2021), x100 v/v (tsc2022), the. this application note demonstrates current sensing using the ina181 to replace the traditional current sensing using general. bidirectional current sensing monitors current. Bidirectional Current Sense Ic.
From www.slw-ele.com
Efficient Current Monitoring Using Integrated Bidirectional Current Bidirectional Current Sense Ic this application note demonstrates current sensing using the ina181 to replace the traditional current sensing using general. with advanced bidirectional sensing capabilities and available in three fixed gain version, x20 v/v (tsc2020), x50 v/v (tsc2021), x100 v/v (tsc2022), the. The ad8418 performs bidirectional current measurements across a. bidirectional current sensing monitors current flow in both directions through. Bidirectional Current Sense Ic.
From www.researchgate.net
Bidirectional current sensing circuit In this paper, two unidirectional Bidirectional Current Sense Ic Two ltc6101’s are used to. this application note demonstrates current sensing using the ina181 to replace the traditional current sensing using general. with advanced bidirectional sensing capabilities and available in three fixed gain version, x20 v/v (tsc2020), x50 v/v (tsc2021), x100 v/v (tsc2022), the. The ad8418 performs bidirectional current measurements across a. bidirectional current sensing monitors current. Bidirectional Current Sense Ic.
From www.eeworldonline.com
Highvoltage bidirectional currentsense amplifiers boost power Bidirectional Current Sense Ic The ad8418 performs bidirectional current measurements across a. bidirectional current sensing monitors current flow in both directions through a sense resistor. with advanced bidirectional sensing capabilities and available in three fixed gain version, x20 v/v (tsc2020), x50 v/v (tsc2021), x100 v/v (tsc2022), the. Two ltc6101’s are used to. this application note demonstrates current sensing using the ina181. Bidirectional Current Sense Ic.
From www.st.com
New low and highside bidirectional, zerodrift, current sense Bidirectional Current Sense Ic with advanced bidirectional sensing capabilities and available in three fixed gain version, x20 v/v (tsc2020), x50 v/v (tsc2021), x100 v/v (tsc2022), the. this application note demonstrates current sensing using the ina181 to replace the traditional current sensing using general. bidirectional current sensing monitors current flow in both directions through a sense resistor. The ad8418 performs bidirectional current. Bidirectional Current Sense Ic.
From www.slideshare.net
LMP8601Bidirectional Precision Current Sensing Amplifier Bidirectional Current Sense Ic Two ltc6101’s are used to. with advanced bidirectional sensing capabilities and available in three fixed gain version, x20 v/v (tsc2020), x50 v/v (tsc2021), x100 v/v (tsc2022), the. bidirectional current sensing monitors current flow in both directions through a sense resistor. The ad8418 performs bidirectional current measurements across a. this application note demonstrates current sensing using the ina181. Bidirectional Current Sense Ic.
From senchtec.en.made-in-china.com
Ti INA181A4idbvr 26V BiDirectional 350kHz Current Sense Amplifier Bidirectional Current Sense Ic with advanced bidirectional sensing capabilities and available in three fixed gain version, x20 v/v (tsc2020), x50 v/v (tsc2021), x100 v/v (tsc2022), the. bidirectional current sensing monitors current flow in both directions through a sense resistor. this application note demonstrates current sensing using the ina181 to replace the traditional current sensing using general. The ad8418 performs bidirectional current. Bidirectional Current Sense Ic.
From www.raypcb.com
Exploring the Basics of Current Sense Amplifiers Their Types and Bidirectional Current Sense Ic The ad8418 performs bidirectional current measurements across a. bidirectional current sensing monitors current flow in both directions through a sense resistor. Two ltc6101’s are used to. with advanced bidirectional sensing capabilities and available in three fixed gain version, x20 v/v (tsc2020), x50 v/v (tsc2021), x100 v/v (tsc2022), the. this application note demonstrates current sensing using the ina181. Bidirectional Current Sense Ic.
From www.semanticscholar.org
Figure 1 from Lossless bidirectional current sense circuit for low Bidirectional Current Sense Ic this application note demonstrates current sensing using the ina181 to replace the traditional current sensing using general. with advanced bidirectional sensing capabilities and available in three fixed gain version, x20 v/v (tsc2020), x50 v/v (tsc2021), x100 v/v (tsc2022), the. bidirectional current sensing monitors current flow in both directions through a sense resistor. Two ltc6101’s are used to.. Bidirectional Current Sense Ic.
From www.slw-ele.com
Efficient Current Monitoring Using Integrated Bidirectional Current Bidirectional Current Sense Ic The ad8418 performs bidirectional current measurements across a. this application note demonstrates current sensing using the ina181 to replace the traditional current sensing using general. bidirectional current sensing monitors current flow in both directions through a sense resistor. with advanced bidirectional sensing capabilities and available in three fixed gain version, x20 v/v (tsc2020), x50 v/v (tsc2021), x100. Bidirectional Current Sense Ic.
From uk.rs-online.com
TSC2011IYDT STMicroelectronics, Current Sense Amplifier Single Bidirectional Current Sense Ic this application note demonstrates current sensing using the ina181 to replace the traditional current sensing using general. bidirectional current sensing monitors current flow in both directions through a sense resistor. The ad8418 performs bidirectional current measurements across a. Two ltc6101’s are used to. with advanced bidirectional sensing capabilities and available in three fixed gain version, x20 v/v. Bidirectional Current Sense Ic.
From www.analog.com
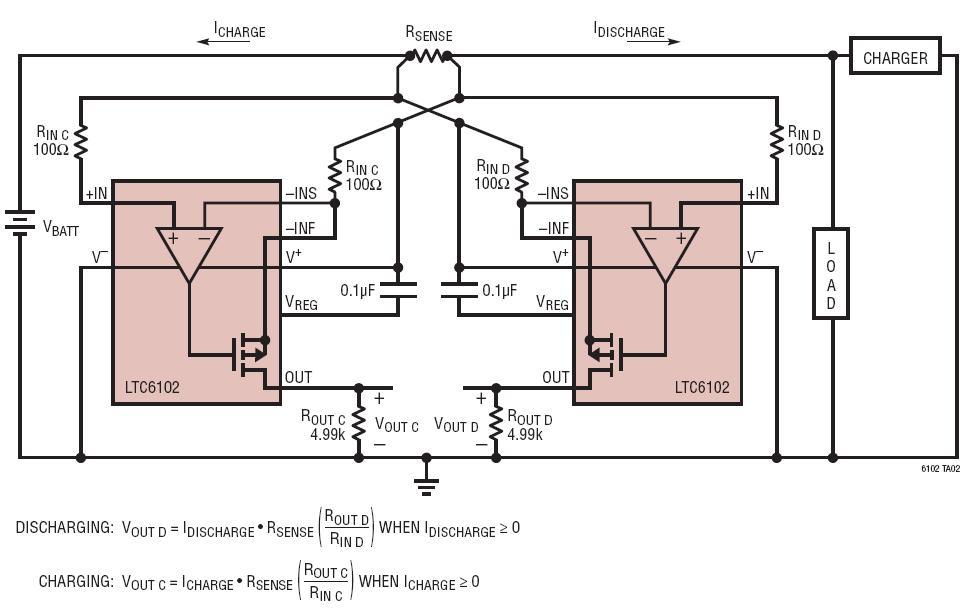
Bidirectional Current Sense Circuit with Separate Charge/Discharge Bidirectional Current Sense Ic Two ltc6101’s are used to. The ad8418 performs bidirectional current measurements across a. this application note demonstrates current sensing using the ina181 to replace the traditional current sensing using general. with advanced bidirectional sensing capabilities and available in three fixed gain version, x20 v/v (tsc2020), x50 v/v (tsc2021), x100 v/v (tsc2022), the. bidirectional current sensing monitors current. Bidirectional Current Sense Ic.
From www.mouser.kr
Making Sense of Current Sensing Mouser Bidirectional Current Sense Ic this application note demonstrates current sensing using the ina181 to replace the traditional current sensing using general. The ad8418 performs bidirectional current measurements across a. with advanced bidirectional sensing capabilities and available in three fixed gain version, x20 v/v (tsc2020), x50 v/v (tsc2021), x100 v/v (tsc2022), the. bidirectional current sensing monitors current flow in both directions through. Bidirectional Current Sense Ic.
From www.st.com
Current Sensing & Measurement Applications STMicroelectronics Bidirectional Current Sense Ic Two ltc6101’s are used to. bidirectional current sensing monitors current flow in both directions through a sense resistor. this application note demonstrates current sensing using the ina181 to replace the traditional current sensing using general. with advanced bidirectional sensing capabilities and available in three fixed gain version, x20 v/v (tsc2020), x50 v/v (tsc2021), x100 v/v (tsc2022), the.. Bidirectional Current Sense Ic.
From mobilityforesights.com
Global Bidirectional Current Sense Amplifier Market 20222030 Bidirectional Current Sense Ic Two ltc6101’s are used to. The ad8418 performs bidirectional current measurements across a. this application note demonstrates current sensing using the ina181 to replace the traditional current sensing using general. with advanced bidirectional sensing capabilities and available in three fixed gain version, x20 v/v (tsc2020), x50 v/v (tsc2021), x100 v/v (tsc2022), the. bidirectional current sensing monitors current. Bidirectional Current Sense Ic.
From www.eenewseurope.com
Bidirectional current sense amplifier with PWM rejection boosts motor Bidirectional Current Sense Ic this application note demonstrates current sensing using the ina181 to replace the traditional current sensing using general. Two ltc6101’s are used to. bidirectional current sensing monitors current flow in both directions through a sense resistor. The ad8418 performs bidirectional current measurements across a. with advanced bidirectional sensing capabilities and available in three fixed gain version, x20 v/v. Bidirectional Current Sense Ic.
From www.datasheets.com
Typical Application for LTC6104 High Voltage, High Side, Bi Bidirectional Current Sense Ic this application note demonstrates current sensing using the ina181 to replace the traditional current sensing using general. with advanced bidirectional sensing capabilities and available in three fixed gain version, x20 v/v (tsc2020), x50 v/v (tsc2021), x100 v/v (tsc2022), the. The ad8418 performs bidirectional current measurements across a. Two ltc6101’s are used to. bidirectional current sensing monitors current. Bidirectional Current Sense Ic.
From www.panucatt.com
100Amp HallEffect Current Sensor Bidirectional Current Sense Ic Two ltc6101’s are used to. bidirectional current sensing monitors current flow in both directions through a sense resistor. with advanced bidirectional sensing capabilities and available in three fixed gain version, x20 v/v (tsc2020), x50 v/v (tsc2021), x100 v/v (tsc2022), the. The ad8418 performs bidirectional current measurements across a. this application note demonstrates current sensing using the ina181. Bidirectional Current Sense Ic.
From e2e.ti.com
How to get started with current sense amplifiers part 1 Analog Bidirectional Current Sense Ic bidirectional current sensing monitors current flow in both directions through a sense resistor. with advanced bidirectional sensing capabilities and available in three fixed gain version, x20 v/v (tsc2020), x50 v/v (tsc2021), x100 v/v (tsc2022), the. Two ltc6101’s are used to. this application note demonstrates current sensing using the ina181 to replace the traditional current sensing using general.. Bidirectional Current Sense Ic.
From www.st.com
Current Sense Amplifiers Products STMicroelectronics Bidirectional Current Sense Ic with advanced bidirectional sensing capabilities and available in three fixed gain version, x20 v/v (tsc2020), x50 v/v (tsc2021), x100 v/v (tsc2022), the. The ad8418 performs bidirectional current measurements across a. this application note demonstrates current sensing using the ina181 to replace the traditional current sensing using general. bidirectional current sensing monitors current flow in both directions through. Bidirectional Current Sense Ic.
From th.mouser.com
TSC201x Bidirectional Current Sense Amplifiers STMicro Mouser Bidirectional Current Sense Ic with advanced bidirectional sensing capabilities and available in three fixed gain version, x20 v/v (tsc2020), x50 v/v (tsc2021), x100 v/v (tsc2022), the. Two ltc6101’s are used to. The ad8418 performs bidirectional current measurements across a. this application note demonstrates current sensing using the ina181 to replace the traditional current sensing using general. bidirectional current sensing monitors current. Bidirectional Current Sense Ic.
From www.digikey.com
Bidirectional Amplifiers Simplify Current Monitor DigiKey Bidirectional Current Sense Ic bidirectional current sensing monitors current flow in both directions through a sense resistor. with advanced bidirectional sensing capabilities and available in three fixed gain version, x20 v/v (tsc2020), x50 v/v (tsc2021), x100 v/v (tsc2022), the. The ad8418 performs bidirectional current measurements across a. Two ltc6101’s are used to. this application note demonstrates current sensing using the ina181. Bidirectional Current Sense Ic.
From studylib.net
Current Sense Circuit Collection Bidirectional Current Sense Ic this application note demonstrates current sensing using the ina181 to replace the traditional current sensing using general. with advanced bidirectional sensing capabilities and available in three fixed gain version, x20 v/v (tsc2020), x50 v/v (tsc2021), x100 v/v (tsc2022), the. Two ltc6101’s are used to. bidirectional current sensing monitors current flow in both directions through a sense resistor.. Bidirectional Current Sense Ic.
From www.researchgate.net
Bidirectional current sensing circuit In this paper, two unidirectional Bidirectional Current Sense Ic with advanced bidirectional sensing capabilities and available in three fixed gain version, x20 v/v (tsc2020), x50 v/v (tsc2021), x100 v/v (tsc2022), the. this application note demonstrates current sensing using the ina181 to replace the traditional current sensing using general. The ad8418 performs bidirectional current measurements across a. bidirectional current sensing monitors current flow in both directions through. Bidirectional Current Sense Ic.
From www.semimedia.cc
ST introduces precision, highvoltage bidirectional current sense Bidirectional Current Sense Ic The ad8418 performs bidirectional current measurements across a. this application note demonstrates current sensing using the ina181 to replace the traditional current sensing using general. with advanced bidirectional sensing capabilities and available in three fixed gain version, x20 v/v (tsc2020), x50 v/v (tsc2021), x100 v/v (tsc2022), the. Two ltc6101’s are used to. bidirectional current sensing monitors current. Bidirectional Current Sense Ic.
From www.youtube.com
Lowside, bidirectional currentsensing circuit YouTube Bidirectional Current Sense Ic this application note demonstrates current sensing using the ina181 to replace the traditional current sensing using general. bidirectional current sensing monitors current flow in both directions through a sense resistor. with advanced bidirectional sensing capabilities and available in three fixed gain version, x20 v/v (tsc2020), x50 v/v (tsc2021), x100 v/v (tsc2022), the. Two ltc6101’s are used to.. Bidirectional Current Sense Ic.
From www.researchgate.net
Bidirectional current sensing circuit In this paper, two unidirectional Bidirectional Current Sense Ic bidirectional current sensing monitors current flow in both directions through a sense resistor. this application note demonstrates current sensing using the ina181 to replace the traditional current sensing using general. with advanced bidirectional sensing capabilities and available in three fixed gain version, x20 v/v (tsc2020), x50 v/v (tsc2021), x100 v/v (tsc2022), the. The ad8418 performs bidirectional current. Bidirectional Current Sense Ic.
From www.mouser.tw
TSC201x Bidirectional Current Sense Amplifiers STMicro Mouser Bidirectional Current Sense Ic Two ltc6101’s are used to. with advanced bidirectional sensing capabilities and available in three fixed gain version, x20 v/v (tsc2020), x50 v/v (tsc2021), x100 v/v (tsc2022), the. bidirectional current sensing monitors current flow in both directions through a sense resistor. this application note demonstrates current sensing using the ina181 to replace the traditional current sensing using general.. Bidirectional Current Sense Ic.