Spark Quencher .  the spark quenching unit will absorb voltage peaks resulting from inductive load switching, which can cause damage to. *peak to peak value of.  learn what a spark quencher is, why and how to use it, and how to select the right one for your application. Don't find what you are looking for?  spark quenchers effectively absorb high frequency oscillations induced by contact chattering and attenuate peak surge voltages.  spark quenchers consist of specially designed capacitors and resistors connected in series. The combination of resistance and capacitance is shown in following chart. A spark quencher is a.  spark quenchers are electronic components designed to prevent or substantially minimize the occurrence of arcing and.
        
         
         
        from www.made-in-china.com 
     
        
         the spark quenching unit will absorb voltage peaks resulting from inductive load switching, which can cause damage to.  spark quenchers effectively absorb high frequency oscillations induced by contact chattering and attenuate peak surge voltages.  spark quenchers are electronic components designed to prevent or substantially minimize the occurrence of arcing and.  spark quenchers consist of specially designed capacitors and resistors connected in series.  learn what a spark quencher is, why and how to use it, and how to select the right one for your application. A spark quencher is a. The combination of resistance and capacitance is shown in following chart. Don't find what you are looking for? *peak to peak value of.
    
    	
            
	
		 
	 
         
    Spark Killer Cr50500 Single Phase Spark Quencher 0.5UF 50r 2W 250V 
    Spark Quencher  A spark quencher is a.  spark quenchers are electronic components designed to prevent or substantially minimize the occurrence of arcing and.  learn what a spark quencher is, why and how to use it, and how to select the right one for your application.  the spark quenching unit will absorb voltage peaks resulting from inductive load switching, which can cause damage to.  spark quenchers consist of specially designed capacitors and resistors connected in series.  spark quenchers effectively absorb high frequency oscillations induced by contact chattering and attenuate peak surge voltages. A spark quencher is a. *peak to peak value of. The combination of resistance and capacitance is shown in following chart. Don't find what you are looking for?
            
	
		 
	 
         
 
    
         
        From www.aliexpress.com 
                    SPARK KILLER SQ231503F 3 phase spark quencher 0.3uF 150R250V Spark Spark Quencher  A spark quencher is a. *peak to peak value of.  learn what a spark quencher is, why and how to use it, and how to select the right one for your application.  the spark quenching unit will absorb voltage peaks resulting from inductive load switching, which can cause damage to. The combination of resistance and capacitance is shown. Spark Quencher.
     
    
         
        From spwindustrial.com 
                    10pc 3 Phase 3? Spark Killer Quencher SQ3511W 0.12uF 47? 550VAC CE Spark Quencher  A spark quencher is a.  spark quenchers effectively absorb high frequency oscillations induced by contact chattering and attenuate peak surge voltages. Don't find what you are looking for? The combination of resistance and capacitance is shown in following chart.  spark quenchers consist of specially designed capacitors and resistors connected in series.  spark quenchers are electronic components designed. Spark Quencher.
     
    
         
        From www.aliexpress.com 
                    SPARK KILLER 3CRE50500 3 PHASE spark quencher 0.5uF 50R*3 250V Spark Spark Quencher   spark quenchers consist of specially designed capacitors and resistors connected in series. *peak to peak value of. The combination of resistance and capacitance is shown in following chart.  the spark quenching unit will absorb voltage peaks resulting from inductive load switching, which can cause damage to.  spark quenchers effectively absorb high frequency oscillations induced by contact chattering. Spark Quencher.
     
    
         
        From dustcollectorguide.com 
                    Dust Collector Spark Arrestor, Retrofit Dust Collector Guide Spark Quencher  Don't find what you are looking for?  spark quenchers consist of specially designed capacitors and resistors connected in series.  spark quenchers are electronic components designed to prevent or substantially minimize the occurrence of arcing and. *peak to peak value of.  spark quenchers effectively absorb high frequency oscillations induced by contact chattering and attenuate peak surge voltages. . Spark Quencher.
     
    
         
        From www.hkbush.com 
                    Okaya Spark Quencher (2S1201) Spark Quencher  Don't find what you are looking for? A spark quencher is a.  the spark quenching unit will absorb voltage peaks resulting from inductive load switching, which can cause damage to.  spark quenchers are electronic components designed to prevent or substantially minimize the occurrence of arcing and.  learn what a spark quencher is, why and how to use. Spark Quencher.
     
    
         
        From www.jumia.com.eg 
                    Generic Spark Killer K3creb50500 3 Phase Spark Quencher 0.1uf 200r Spark Quencher  Don't find what you are looking for?  the spark quenching unit will absorb voltage peaks resulting from inductive load switching, which can cause damage to. *peak to peak value of.  spark quenchers are electronic components designed to prevent or substantially minimize the occurrence of arcing and.  learn what a spark quencher is, why and how to use. Spark Quencher.
     
    
         
        From www.jumia.com.eg 
                    Generic Spark Killer Sm10n 90kw 3 Phase Spark Quencher Suitable For Spark Quencher   the spark quenching unit will absorb voltage peaks resulting from inductive load switching, which can cause damage to. A spark quencher is a.  spark quenchers are electronic components designed to prevent or substantially minimize the occurrence of arcing and. The combination of resistance and capacitance is shown in following chart.  spark quenchers consist of specially designed capacitors. Spark Quencher.
     
    
         
        From www.made-in-china.com 
                    Spark Killer Cr50500 Single Phase Spark Quencher 0.5UF 50r 2W 250V Spark Quencher   the spark quenching unit will absorb voltage peaks resulting from inductive load switching, which can cause damage to. Don't find what you are looking for? A spark quencher is a.  spark quenchers effectively absorb high frequency oscillations induced by contact chattering and attenuate peak surge voltages. *peak to peak value of. The combination of resistance and capacitance is. Spark Quencher.
     
    
         
        From www.ebay.com 
                    Spark Quencher SQ231503FR 250VAC 0.3uF150 Noise Suppressor Module x1PC Spark Quencher   spark quenchers are electronic components designed to prevent or substantially minimize the occurrence of arcing and. A spark quencher is a. The combination of resistance and capacitance is shown in following chart.  spark quenchers effectively absorb high frequency oscillations induced by contact chattering and attenuate peak surge voltages.  learn what a spark quencher is, why and how. Spark Quencher.
     
    
         
        From www.imssupply.com 
                    Okaya SK08D2E04747 Spark Quencher, 250V50/60Hz IMS Supply Spark Quencher  A spark quencher is a. The combination of resistance and capacitance is shown in following chart.  spark quenchers consist of specially designed capacitors and resistors connected in series.  learn what a spark quencher is, why and how to use it, and how to select the right one for your application.  the spark quenching unit will absorb voltage. Spark Quencher.
     
    
         
        From www.aliexpress.com 
                    SPARK KILLER K3CRHC 30330 3 PHASE spark quencher 0.3uF 33R 500V Spark Spark Quencher   learn what a spark quencher is, why and how to use it, and how to select the right one for your application. *peak to peak value of.  the spark quenching unit will absorb voltage peaks resulting from inductive load switching, which can cause damage to. The combination of resistance and capacitance is shown in following chart.  spark. Spark Quencher.
     
    
         
        From www.jumia.com.eg 
                    Generic Spark Killer Sm10n 90kw 3 Phase Spark Quencher Suitable For Spark Quencher  A spark quencher is a. Don't find what you are looking for? The combination of resistance and capacitance is shown in following chart.  learn what a spark quencher is, why and how to use it, and how to select the right one for your application.  spark quenchers effectively absorb high frequency oscillations induced by contact chattering and attenuate. Spark Quencher.
     
    
         
        From www.dhgate.com 
                    2020 SPARK KILLER XEB0471 Single Phase Spark Quencher 0.1uF 47R 250V Spark Quencher  A spark quencher is a.  spark quenchers consist of specially designed capacitors and resistors connected in series.  the spark quenching unit will absorb voltage peaks resulting from inductive load switching, which can cause damage to.  spark quenchers are electronic components designed to prevent or substantially minimize the occurrence of arcing and. *peak to peak value of. Don't. Spark Quencher.
     
    
         
        From www.jumia.com.eg 
                    Generic Spark Killer Sm1n 1kw 3 Phase Spark Quencher Suitable For Spark Quencher   the spark quenching unit will absorb voltage peaks resulting from inductive load switching, which can cause damage to. The combination of resistance and capacitance is shown in following chart. *peak to peak value of.  spark quenchers are electronic components designed to prevent or substantially minimize the occurrence of arcing and.  spark quenchers effectively absorb high frequency oscillations. Spark Quencher.
     
    
         
        From www.dhgate.com 
                    2020 SPARK KILLER XEB0471 Single Phase Spark Quencher 0.1uF 47R 250V Spark Quencher   the spark quenching unit will absorb voltage peaks resulting from inductive load switching, which can cause damage to.  spark quenchers consist of specially designed capacitors and resistors connected in series.  learn what a spark quencher is, why and how to use it, and how to select the right one for your application. The combination of resistance and. Spark Quencher.
     
    
         
        From www.hkbush.com 
                    Okaya Spark Quencher (2S1201) Electronic Parts Miscellaneous Spark Quencher   spark quenchers consist of specially designed capacitors and resistors connected in series.  the spark quenching unit will absorb voltage peaks resulting from inductive load switching, which can cause damage to. *peak to peak value of. Don't find what you are looking for? A spark quencher is a.  spark quenchers effectively absorb high frequency oscillations induced by contact. Spark Quencher.
     
    
         
        From www.datasheetq.com 
                    SPARK QUENCHER Datasheet PDF Spark Quencher   learn what a spark quencher is, why and how to use it, and how to select the right one for your application.  the spark quenching unit will absorb voltage peaks resulting from inductive load switching, which can cause damage to. Don't find what you are looking for?  spark quenchers consist of specially designed capacitors and resistors connected. Spark Quencher.
     
    
         
        From www.made-in-china.com 
                    Spark Killer Crh10680 Single Phase Spark Quencher 0.1UF 68r 500V Spark Quencher  *peak to peak value of.  spark quenchers effectively absorb high frequency oscillations induced by contact chattering and attenuate peak surge voltages.  the spark quenching unit will absorb voltage peaks resulting from inductive load switching, which can cause damage to.  spark quenchers are electronic components designed to prevent or substantially minimize the occurrence of arcing and. A spark. Spark Quencher.
     
    
         
        From www.made-in-china.com 
                    Spark Killer Sq23050sf Single Phase Spark Quencher 0.5UF 50r 1W 250V Spark Quencher   spark quenchers effectively absorb high frequency oscillations induced by contact chattering and attenuate peak surge voltages. Don't find what you are looking for? A spark quencher is a.  learn what a spark quencher is, why and how to use it, and how to select the right one for your application.  the spark quenching unit will absorb voltage. Spark Quencher.
     
    
         
        From www.imssupply.com 
                    Okaya SK08D2E04747 Spark Quencher, 250V50/60Hz IMS Supply Spark Quencher  The combination of resistance and capacitance is shown in following chart.  spark quenchers effectively absorb high frequency oscillations induced by contact chattering and attenuate peak surge voltages. A spark quencher is a.  spark quenchers consist of specially designed capacitors and resistors connected in series. *peak to peak value of. Don't find what you are looking for?  the. Spark Quencher.
     
    
         
        From www.made-in-china.com 
                    ThreePhase Electronic Arc Extinguisher 3crh50270 3Phase Spark Spark Quencher  *peak to peak value of. A spark quencher is a.  learn what a spark quencher is, why and how to use it, and how to select the right one for your application. Don't find what you are looking for?  spark quenchers effectively absorb high frequency oscillations induced by contact chattering and attenuate peak surge voltages.  the spark. Spark Quencher.
     
    
         
        From okaya.com 
                    XEB Series Spark Quenchers Okaya Electric America Spark Quencher  The combination of resistance and capacitance is shown in following chart.  the spark quenching unit will absorb voltage peaks resulting from inductive load switching, which can cause damage to.  spark quenchers effectively absorb high frequency oscillations induced by contact chattering and attenuate peak surge voltages.  spark quenchers are electronic components designed to prevent or substantially minimize the. Spark Quencher.
     
    
         
        From www.dhgate.com 
                    2021 EWY SPARK KILLER Single Phase Spark Quencher 0.47uF 120R 600V Spark Quencher   the spark quenching unit will absorb voltage peaks resulting from inductive load switching, which can cause damage to. A spark quencher is a. *peak to peak value of.  spark quenchers are electronic components designed to prevent or substantially minimize the occurrence of arcing and.  spark quenchers consist of specially designed capacitors and resistors connected in series. Don't. Spark Quencher.
     
    
         
        From www.made-in-china.com 
                    Spark Killer Sq21150NF Single Phase Spark Quencher 0.1UF 150r 1W 250V Spark Quencher  A spark quencher is a.  spark quenchers effectively absorb high frequency oscillations induced by contact chattering and attenuate peak surge voltages. Don't find what you are looking for? The combination of resistance and capacitance is shown in following chart. *peak to peak value of.  spark quenchers consist of specially designed capacitors and resistors connected in series.  the. Spark Quencher.
     
    
         
        From www.diyaudio.com 
                    Elekit 8600S Spark Killer (Quencher) diyAudio Spark Quencher  Don't find what you are looking for? *peak to peak value of. The combination of resistance and capacitance is shown in following chart.  the spark quenching unit will absorb voltage peaks resulting from inductive load switching, which can cause damage to.  learn what a spark quencher is, why and how to use it, and how to select the. Spark Quencher.
     
    
         
        From www.algebra-inc.com 
                    Lot of 7 Fotec SQ3351W 3 Phase Spark Killer Quencher 0.5uF 47 300VAC Spark Quencher   spark quenchers are electronic components designed to prevent or substantially minimize the occurrence of arcing and. *peak to peak value of.  spark quenchers effectively absorb high frequency oscillations induced by contact chattering and attenuate peak surge voltages. A spark quencher is a.  learn what a spark quencher is, why and how to use it, and how to. Spark Quencher.
     
    
         
        From www.dhgate.com 
                    2021 SPARK KILLER XEB2202 Single Phase Spark Quencher 0.2uF 220R 250V Spark Quencher   the spark quenching unit will absorb voltage peaks resulting from inductive load switching, which can cause damage to. The combination of resistance and capacitance is shown in following chart.  spark quenchers are electronic components designed to prevent or substantially minimize the occurrence of arcing and. Don't find what you are looking for? *peak to peak value of. . Spark Quencher.
     
    
         
        From www.teediddlydee.com 
                    Spark killer SK08D2E04747 0.47uF 47ohm 250V spark quencher rc Spark Quencher   spark quenchers effectively absorb high frequency oscillations induced by contact chattering and attenuate peak surge voltages. The combination of resistance and capacitance is shown in following chart.  learn what a spark quencher is, why and how to use it, and how to select the right one for your application. *peak to peak value of.  spark quenchers consist. Spark Quencher.
     
    
         
        From www.webstaurantstore.com 
                    NUVU 2526004 Kit,Repl,Spark Quencher Spark Quencher  A spark quencher is a.  the spark quenching unit will absorb voltage peaks resulting from inductive load switching, which can cause damage to.  learn what a spark quencher is, why and how to use it, and how to select the right one for your application. Don't find what you are looking for?  spark quenchers are electronic components. Spark Quencher.
     
    
         
        From store.spire-is.com 
                    Spark quencher for boiler for PRIMUS sterilizer PRIMUS Steam Spark Quencher   learn what a spark quencher is, why and how to use it, and how to select the right one for your application.  spark quenchers effectively absorb high frequency oscillations induced by contact chattering and attenuate peak surge voltages.  spark quenchers are electronic components designed to prevent or substantially minimize the occurrence of arcing and. *peak to peak. Spark Quencher.
     
    
         
        From hornerautomation.com 
                    Spark Quencher AC/DC loads (less than 0.5A) Horner Automation Spark Quencher   spark quenchers effectively absorb high frequency oscillations induced by contact chattering and attenuate peak surge voltages. A spark quencher is a. The combination of resistance and capacitance is shown in following chart.  learn what a spark quencher is, why and how to use it, and how to select the right one for your application. *peak to peak value. Spark Quencher.
     
    
         
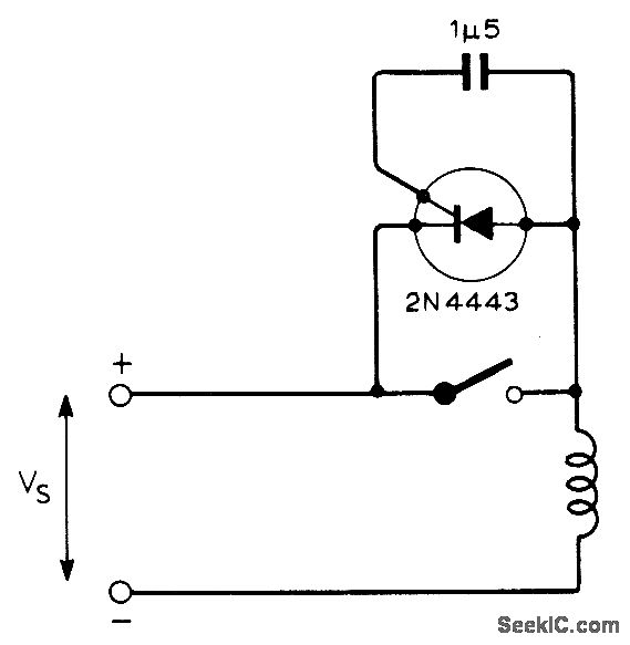
        From www.seekic.com 
                    THYRISTOR_SPARK_QUENCHER Basic_Circuit Circuit Diagram Spark Quencher   learn what a spark quencher is, why and how to use it, and how to select the right one for your application.  spark quenchers effectively absorb high frequency oscillations induced by contact chattering and attenuate peak surge voltages. Don't find what you are looking for? *peak to peak value of. The combination of resistance and capacitance is shown. Spark Quencher.
     
    
         
        From www.dhgate.com 
                    2021 EWY SPARK KILLER Single Phase Spark Quencher 0.47uF 120R 600V Spark Quencher   spark quenchers are electronic components designed to prevent or substantially minimize the occurrence of arcing and. A spark quencher is a.  the spark quenching unit will absorb voltage peaks resulting from inductive load switching, which can cause damage to.  learn what a spark quencher is, why and how to use it, and how to select the right. Spark Quencher.
     
    
         
        From www.dhgate.com 
                    SPARK KILLER XEB0471 Single Phase Spark Quencher 0.1uF 47R 250V Spark Spark Quencher  *peak to peak value of.  spark quenchers effectively absorb high frequency oscillations induced by contact chattering and attenuate peak surge voltages. Don't find what you are looking for?  the spark quenching unit will absorb voltage peaks resulting from inductive load switching, which can cause damage to.  learn what a spark quencher is, why and how to use. Spark Quencher.
     
    
         
        From www.imssupply.com 
                    Okaya SK08D2E04747 Spark Quencher, 250V50/60Hz IMS Supply Spark Quencher  The combination of resistance and capacitance is shown in following chart.  learn what a spark quencher is, why and how to use it, and how to select the right one for your application. A spark quencher is a.  spark quenchers effectively absorb high frequency oscillations induced by contact chattering and attenuate peak surge voltages. Don't find what you. Spark Quencher.