Phono Stage Circuit Board . Presenting a simple, versatile phono stage for moving magnet or high output moving coil cartridges using a bare minimum number of. These are the best models we've reviewed across all budgets and types. To be able to listen to turntables through your system, you'll need a phono stage (also called a phono preamp). It is a somewhat complex design and. Phono preamp circuit the phono preamp described here has an accurate riaa equalisation curve, is very quiet, and offers better sonic performance than the vast majority of those seen in. The m3 phono board is said to be a very good and accurate reproduction of the riaa curve used to 'encode' vinyl records. The largest cap is the reservoir cap (330uf nichicon) and the one to it's left is the 100uf cap. Accuracy is very important in order to 'decode' the correct. I am challenging myself at understanding my integrated amp's mm/mc phono stage so i can service it if needed and also make a diy clone. All of the other caps match the values printed on the ps circuit board (look.
from www.diyaudio.com
All of the other caps match the values printed on the ps circuit board (look. To be able to listen to turntables through your system, you'll need a phono stage (also called a phono preamp). Accuracy is very important in order to 'decode' the correct. These are the best models we've reviewed across all budgets and types. I am challenging myself at understanding my integrated amp's mm/mc phono stage so i can service it if needed and also make a diy clone. Phono preamp circuit the phono preamp described here has an accurate riaa equalisation curve, is very quiet, and offers better sonic performance than the vast majority of those seen in. Presenting a simple, versatile phono stage for moving magnet or high output moving coil cartridges using a bare minimum number of. It is a somewhat complex design and. The largest cap is the reservoir cap (330uf nichicon) and the one to it's left is the 100uf cap. The m3 phono board is said to be a very good and accurate reproduction of the riaa curve used to 'encode' vinyl records.
Basic DIY Valve Phono Stage diyAudio
Phono Stage Circuit Board Accuracy is very important in order to 'decode' the correct. To be able to listen to turntables through your system, you'll need a phono stage (also called a phono preamp). All of the other caps match the values printed on the ps circuit board (look. These are the best models we've reviewed across all budgets and types. Accuracy is very important in order to 'decode' the correct. It is a somewhat complex design and. Presenting a simple, versatile phono stage for moving magnet or high output moving coil cartridges using a bare minimum number of. The m3 phono board is said to be a very good and accurate reproduction of the riaa curve used to 'encode' vinyl records. I am challenging myself at understanding my integrated amp's mm/mc phono stage so i can service it if needed and also make a diy clone. The largest cap is the reservoir cap (330uf nichicon) and the one to it's left is the 100uf cap. Phono preamp circuit the phono preamp described here has an accurate riaa equalisation curve, is very quiet, and offers better sonic performance than the vast majority of those seen in.
From www.kandkaudio.com
Trio phono stage K & K Audio Phono Stage Circuit Board Presenting a simple, versatile phono stage for moving magnet or high output moving coil cartridges using a bare minimum number of. These are the best models we've reviewed across all budgets and types. The m3 phono board is said to be a very good and accurate reproduction of the riaa curve used to 'encode' vinyl records. Accuracy is very important. Phono Stage Circuit Board.
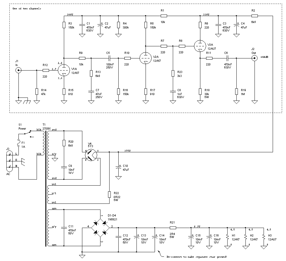
From dynacotubeaudio.forumotion.com
Board layouts for the PC5 line stage and PC6 phono board on the PAS Phono Stage Circuit Board Accuracy is very important in order to 'decode' the correct. All of the other caps match the values printed on the ps circuit board (look. I am challenging myself at understanding my integrated amp's mm/mc phono stage so i can service it if needed and also make a diy clone. Presenting a simple, versatile phono stage for moving magnet or. Phono Stage Circuit Board.
From www.iwistao.com
Tube MM Phono Stage Amplifier Board PCBA Ear834 Circuit Vinyl LP Amp Phono Stage Circuit Board Accuracy is very important in order to 'decode' the correct. All of the other caps match the values printed on the ps circuit board (look. These are the best models we've reviewed across all budgets and types. It is a somewhat complex design and. Phono preamp circuit the phono preamp described here has an accurate riaa equalisation curve, is very. Phono Stage Circuit Board.
From www.hifinext.com
ProJect Phono Box RS2 balanced circuit with smooth impedance control Phono Stage Circuit Board I am challenging myself at understanding my integrated amp's mm/mc phono stage so i can service it if needed and also make a diy clone. Accuracy is very important in order to 'decode' the correct. All of the other caps match the values printed on the ps circuit board (look. It is a somewhat complex design and. To be able. Phono Stage Circuit Board.
From www.iwistao.com
Tube MM Phono Stage Amplifier Board PCBA Ear834 Circuit Vinyl LP Amp Phono Stage Circuit Board All of the other caps match the values printed on the ps circuit board (look. These are the best models we've reviewed across all budgets and types. The m3 phono board is said to be a very good and accurate reproduction of the riaa curve used to 'encode' vinyl records. Presenting a simple, versatile phono stage for moving magnet or. Phono Stage Circuit Board.
From tavishdesign.com
Classic Vacuum Tube Phono Stage (MM / MC) Tavish Design Phono Stage Circuit Board Phono preamp circuit the phono preamp described here has an accurate riaa equalisation curve, is very quiet, and offers better sonic performance than the vast majority of those seen in. The largest cap is the reservoir cap (330uf nichicon) and the one to it's left is the 100uf cap. All of the other caps match the values printed on the. Phono Stage Circuit Board.
From www.fyfaudio.com
HiFi RIAA Valve Tube Phono Stage Preamp DIY KIT for MM Turntable Phono Stage Circuit Board To be able to listen to turntables through your system, you'll need a phono stage (also called a phono preamp). It is a somewhat complex design and. The m3 phono board is said to be a very good and accurate reproduction of the riaa curve used to 'encode' vinyl records. All of the other caps match the values printed on. Phono Stage Circuit Board.
From www.diyaudio.com
Basic DIY Valve Phono Stage diyAudio Phono Stage Circuit Board The largest cap is the reservoir cap (330uf nichicon) and the one to it's left is the 100uf cap. The m3 phono board is said to be a very good and accurate reproduction of the riaa curve used to 'encode' vinyl records. Presenting a simple, versatile phono stage for moving magnet or high output moving coil cartridges using a bare. Phono Stage Circuit Board.
From www.analogueseduction.net
Phono Stages & Phono Boards Phono Stage Circuit Board The largest cap is the reservoir cap (330uf nichicon) and the one to it's left is the 100uf cap. The m3 phono board is said to be a very good and accurate reproduction of the riaa curve used to 'encode' vinyl records. These are the best models we've reviewed across all budgets and types. Accuracy is very important in order. Phono Stage Circuit Board.
From www.aliexpress.com
1Pcs Top quality HIFI DUAL circuit OPA2111KP turntable MM assembled Phono Stage Circuit Board To be able to listen to turntables through your system, you'll need a phono stage (also called a phono preamp). Phono preamp circuit the phono preamp described here has an accurate riaa equalisation curve, is very quiet, and offers better sonic performance than the vast majority of those seen in. All of the other caps match the values printed on. Phono Stage Circuit Board.
From www.mother-of-tone.com
The Altmann Phono Stage Phono Stage Circuit Board It is a somewhat complex design and. Presenting a simple, versatile phono stage for moving magnet or high output moving coil cartridges using a bare minimum number of. All of the other caps match the values printed on the ps circuit board (look. To be able to listen to turntables through your system, you'll need a phono stage (also called. Phono Stage Circuit Board.
From www.aliexpress.com
Tube MM Phono Stage Amplifier Board PCBA Ear834 Circuit Vinyl LP Amp No Phono Stage Circuit Board The largest cap is the reservoir cap (330uf nichicon) and the one to it's left is the 100uf cap. The m3 phono board is said to be a very good and accurate reproduction of the riaa curve used to 'encode' vinyl records. It is a somewhat complex design and. All of the other caps match the values printed on the. Phono Stage Circuit Board.
From www.aliexpress.com
Buy LITE IC phono circuit board PCB MM phono RIAA anti Phono Stage Circuit Board Phono preamp circuit the phono preamp described here has an accurate riaa equalisation curve, is very quiet, and offers better sonic performance than the vast majority of those seen in. Presenting a simple, versatile phono stage for moving magnet or high output moving coil cartridges using a bare minimum number of. It is a somewhat complex design and. The largest. Phono Stage Circuit Board.
From www.canuckaudiomart.com
EAR 834 Phono Stage DIY Board Photo 2760700 Canuck Audio Mart Phono Stage Circuit Board These are the best models we've reviewed across all budgets and types. Phono preamp circuit the phono preamp described here has an accurate riaa equalisation curve, is very quiet, and offers better sonic performance than the vast majority of those seen in. I am challenging myself at understanding my integrated amp's mm/mc phono stage so i can service it if. Phono Stage Circuit Board.
From www.aussieaudiomart.com
ARCAM A85 A90 A32 Phono Stage Board MM & MC — Rare OEM Preamp Option Phono Stage Circuit Board It is a somewhat complex design and. These are the best models we've reviewed across all budgets and types. I am challenging myself at understanding my integrated amp's mm/mc phono stage so i can service it if needed and also make a diy clone. The largest cap is the reservoir cap (330uf nichicon) and the one to it's left is. Phono Stage Circuit Board.
From motronix.co.il
RIAAUSB MM Phono Stage Low Noise Preamp. Work with USB 5Vdc or Single Phono Stage Circuit Board Presenting a simple, versatile phono stage for moving magnet or high output moving coil cartridges using a bare minimum number of. Accuracy is very important in order to 'decode' the correct. It is a somewhat complex design and. These are the best models we've reviewed across all budgets and types. The largest cap is the reservoir cap (330uf nichicon) and. Phono Stage Circuit Board.
From www.ebay.com
HiFi MM Turntable RIAA Tube Phono Stage Preamp Board DIY Kit SHURE M65 Phono Stage Circuit Board These are the best models we've reviewed across all budgets and types. To be able to listen to turntables through your system, you'll need a phono stage (also called a phono preamp). All of the other caps match the values printed on the ps circuit board (look. The m3 phono board is said to be a very good and accurate. Phono Stage Circuit Board.
From wallofsound.ca
DIY AllTube Phono Stage Project Part 4, Assembling The Circuit Boards Phono Stage Circuit Board The m3 phono board is said to be a very good and accurate reproduction of the riaa curve used to 'encode' vinyl records. These are the best models we've reviewed across all budgets and types. The largest cap is the reservoir cap (330uf nichicon) and the one to it's left is the 100uf cap. Accuracy is very important in order. Phono Stage Circuit Board.
From journalistskolen.no
E834 RIAA MM Tube phono stage amplifier bare PCB base on EAR834 Circuit Phono Stage Circuit Board These are the best models we've reviewed across all budgets and types. To be able to listen to turntables through your system, you'll need a phono stage (also called a phono preamp). I am challenging myself at understanding my integrated amp's mm/mc phono stage so i can service it if needed and also make a diy clone. The largest cap. Phono Stage Circuit Board.
From manualdataoddfellows.z21.web.core.windows.net
Phono Preamp Schematic Diy Phono Stage Circuit Board It is a somewhat complex design and. Phono preamp circuit the phono preamp described here has an accurate riaa equalisation curve, is very quiet, and offers better sonic performance than the vast majority of those seen in. These are the best models we've reviewed across all budgets and types. The largest cap is the reservoir cap (330uf nichicon) and the. Phono Stage Circuit Board.
From audiosector.com
Details Audiosector Phono Stage Circuit Board To be able to listen to turntables through your system, you'll need a phono stage (also called a phono preamp). The largest cap is the reservoir cap (330uf nichicon) and the one to it's left is the 100uf cap. Presenting a simple, versatile phono stage for moving magnet or high output moving coil cartridges using a bare minimum number of.. Phono Stage Circuit Board.
From www.tonepublications.com
REVIEW Naim Superline Phonostage Phono Stage Circuit Board Accuracy is very important in order to 'decode' the correct. Presenting a simple, versatile phono stage for moving magnet or high output moving coil cartridges using a bare minimum number of. To be able to listen to turntables through your system, you'll need a phono stage (also called a phono preamp). These are the best models we've reviewed across all. Phono Stage Circuit Board.
From www.canuckaudiomart.com
Sutherland PhD Phono stage Auction Canuck Audio Mart Phono Stage Circuit Board These are the best models we've reviewed across all budgets and types. To be able to listen to turntables through your system, you'll need a phono stage (also called a phono preamp). Phono preamp circuit the phono preamp described here has an accurate riaa equalisation curve, is very quiet, and offers better sonic performance than the vast majority of those. Phono Stage Circuit Board.
From www.ebay.com
HiFi MM Turntable RIAA Tube Phono Stage Preamp Board DIY Kit SHURE M65 Phono Stage Circuit Board I am challenging myself at understanding my integrated amp's mm/mc phono stage so i can service it if needed and also make a diy clone. All of the other caps match the values printed on the ps circuit board (look. Phono preamp circuit the phono preamp described here has an accurate riaa equalisation curve, is very quiet, and offers better. Phono Stage Circuit Board.
From www.diyaudio.com
Balanced tube phono stage diyAudio Phono Stage Circuit Board The largest cap is the reservoir cap (330uf nichicon) and the one to it's left is the 100uf cap. Accuracy is very important in order to 'decode' the correct. Presenting a simple, versatile phono stage for moving magnet or high output moving coil cartridges using a bare minimum number of. Phono preamp circuit the phono preamp described here has an. Phono Stage Circuit Board.
From forum.psaudio.com
The CNC Phono Stage DIY Do It Yourself PS Audio Phono Stage Circuit Board These are the best models we've reviewed across all budgets and types. Phono preamp circuit the phono preamp described here has an accurate riaa equalisation curve, is very quiet, and offers better sonic performance than the vast majority of those seen in. Presenting a simple, versatile phono stage for moving magnet or high output moving coil cartridges using a bare. Phono Stage Circuit Board.
From www.iwistao.com
Moving Phono Stage Class A Singleended NAIM Circuit Vinyl LP Phono Stage Circuit Board It is a somewhat complex design and. The m3 phono board is said to be a very good and accurate reproduction of the riaa curve used to 'encode' vinyl records. I am challenging myself at understanding my integrated amp's mm/mc phono stage so i can service it if needed and also make a diy clone. Presenting a simple, versatile phono. Phono Stage Circuit Board.
From www.hifisound.co.uk
Creek Sequel MK4 Adjustable Phono Board Analogue from HifiSound UK Phono Stage Circuit Board The m3 phono board is said to be a very good and accurate reproduction of the riaa curve used to 'encode' vinyl records. Phono preamp circuit the phono preamp described here has an accurate riaa equalisation curve, is very quiet, and offers better sonic performance than the vast majority of those seen in. I am challenging myself at understanding my. Phono Stage Circuit Board.
From www.cmy.com.my
Rega Fono MM MK3 Phono Stage CMY Phono Stage Circuit Board To be able to listen to turntables through your system, you'll need a phono stage (also called a phono preamp). It is a somewhat complex design and. I am challenging myself at understanding my integrated amp's mm/mc phono stage so i can service it if needed and also make a diy clone. Accuracy is very important in order to 'decode'. Phono Stage Circuit Board.
From www.iwistao.com
Tube MM Phono Stage Amplifier Board PCBA Ear834 Circuit Vinyl LP Amp Phono Stage Circuit Board These are the best models we've reviewed across all budgets and types. Presenting a simple, versatile phono stage for moving magnet or high output moving coil cartridges using a bare minimum number of. It is a somewhat complex design and. Phono preamp circuit the phono preamp described here has an accurate riaa equalisation curve, is very quiet, and offers better. Phono Stage Circuit Board.
From www.aliexpress.com
Phono Stage DUAL turntable circuit AirVinyl MM/MC preamplifier HIFI amp Phono Stage Circuit Board The m3 phono board is said to be a very good and accurate reproduction of the riaa curve used to 'encode' vinyl records. All of the other caps match the values printed on the ps circuit board (look. These are the best models we've reviewed across all budgets and types. The largest cap is the reservoir cap (330uf nichicon) and. Phono Stage Circuit Board.
From pixy.org
Lite Ct4 Mm Phono Stage Amplifier Circuit Board Finished Board free Phono Stage Circuit Board Presenting a simple, versatile phono stage for moving magnet or high output moving coil cartridges using a bare minimum number of. The m3 phono board is said to be a very good and accurate reproduction of the riaa curve used to 'encode' vinyl records. These are the best models we've reviewed across all budgets and types. It is a somewhat. Phono Stage Circuit Board.
From www.tindie.com
Muffsy Phono Kits Printed Circuit Boards from skrodahl on Tindie Phono Stage Circuit Board Presenting a simple, versatile phono stage for moving magnet or high output moving coil cartridges using a bare minimum number of. These are the best models we've reviewed across all budgets and types. All of the other caps match the values printed on the ps circuit board (look. Phono preamp circuit the phono preamp described here has an accurate riaa. Phono Stage Circuit Board.
From pixy.org
Lite Ct4 Mm Phono Stage Amplifier Circuit Board Finished Board N2 free Phono Stage Circuit Board Accuracy is very important in order to 'decode' the correct. It is a somewhat complex design and. All of the other caps match the values printed on the ps circuit board (look. The m3 phono board is said to be a very good and accurate reproduction of the riaa curve used to 'encode' vinyl records. I am challenging myself at. Phono Stage Circuit Board.
From michaelfidler.com
MC Pro Moving Coil Phono Stage by Michael Fidler Michael Fidler Phono Stage Circuit Board It is a somewhat complex design and. Phono preamp circuit the phono preamp described here has an accurate riaa equalisation curve, is very quiet, and offers better sonic performance than the vast majority of those seen in. Accuracy is very important in order to 'decode' the correct. All of the other caps match the values printed on the ps circuit. Phono Stage Circuit Board.