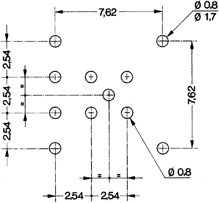
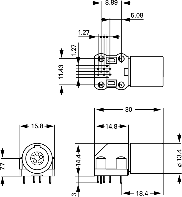
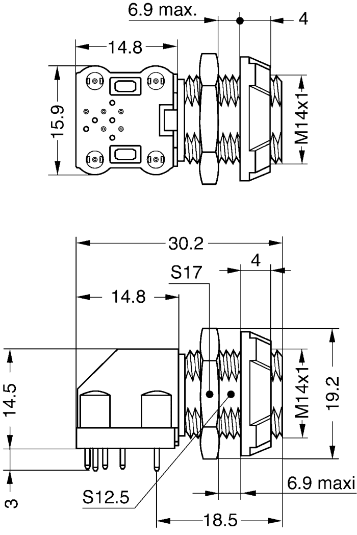
Lemo Connector Diagram . This guide is designed for individuals who have a lemo plug, and wish to identify its part number. It describes basic steps in identifying a part. Lemo offers complete solutions including cable assembly services meeting the most stringent specifications. Connector selector b series e series f series h series m series k series l series p series s series t series multipole contacts 2. The modular design of the lemo. Precision modular connectors or cables to suit your application. Since it’s creation in switzerland in. Since it’s creation in switzerland in 1946 the lemo. The modular design of the lemo range provides over 75000 connectors from miniature ø 3 mm to ø 50 mm, capable of handling cable diameters up. Precision modular connectors to suit your application. 2.3 bring the shield around the rear of connector until the mold stop. Lemo's guide describing basic steps in identifying a part number for a specific lemo plug and covers only the most common lemo connectors.
from www.pinterest.com
The modular design of the lemo range provides over 75000 connectors from miniature ø 3 mm to ø 50 mm, capable of handling cable diameters up. The modular design of the lemo. This guide is designed for individuals who have a lemo plug, and wish to identify its part number. Lemo's guide describing basic steps in identifying a part number for a specific lemo plug and covers only the most common lemo connectors. Since it’s creation in switzerland in. Since it’s creation in switzerland in 1946 the lemo. Lemo offers complete solutions including cable assembly services meeting the most stringent specifications. Connector selector b series e series f series h series m series k series l series p series s series t series multipole contacts 2. 2.3 bring the shield around the rear of connector until the mold stop. Precision modular connectors to suit your application.
LEMO Connector FGG 1B 2 3 4 5 6 7 8 10 14 16 pin Male Plug FGG.1B
Lemo Connector Diagram Connector selector b series e series f series h series m series k series l series p series s series t series multipole contacts 2. Since it’s creation in switzerland in. The modular design of the lemo range provides over 75000 connectors from miniature ø 3 mm to ø 50 mm, capable of handling cable diameters up. The modular design of the lemo. Precision modular connectors or cables to suit your application. This guide is designed for individuals who have a lemo plug, and wish to identify its part number. Lemo offers complete solutions including cable assembly services meeting the most stringent specifications. Since it’s creation in switzerland in 1946 the lemo. 2.3 bring the shield around the rear of connector until the mold stop. It describes basic steps in identifying a part. Lemo's guide describing basic steps in identifying a part number for a specific lemo plug and covers only the most common lemo connectors. Connector selector b series e series f series h series m series k series l series p series s series t series multipole contacts 2. Precision modular connectors to suit your application.
From www.mouser.tw
Connectors for Uncrewed Vehicles LEMO Mouser Lemo Connector Diagram This guide is designed for individuals who have a lemo plug, and wish to identify its part number. Precision modular connectors or cables to suit your application. Since it’s creation in switzerland in. 2.3 bring the shield around the rear of connector until the mold stop. Since it’s creation in switzerland in 1946 the lemo. Precision modular connectors to suit. Lemo Connector Diagram.
From www.electronicaembajadores.com
Lemo Serie 0S 4 Contacts Male CableMount Connector FFA.0S.304.CLAC44 Lemo Connector Diagram Precision modular connectors or cables to suit your application. Precision modular connectors to suit your application. Connector selector b series e series f series h series m series k series l series p series s series t series multipole contacts 2. Since it’s creation in switzerland in 1946 the lemo. The modular design of the lemo range provides over 75000. Lemo Connector Diagram.
From aeronautical.co.za
Install 6 pin LEMO connector kit Aeronautical Aviation Lemo Connector Diagram 2.3 bring the shield around the rear of connector until the mold stop. Precision modular connectors or cables to suit your application. It describes basic steps in identifying a part. Lemo's guide describing basic steps in identifying a part number for a specific lemo plug and covers only the most common lemo connectors. The modular design of the lemo range. Lemo Connector Diagram.
From infosys.beckhoff.com
Assembly of the LEMO connector ELM37020101 Lemo Connector Diagram This guide is designed for individuals who have a lemo plug, and wish to identify its part number. It describes basic steps in identifying a part. Since it’s creation in switzerland in. Lemo's guide describing basic steps in identifying a part number for a specific lemo plug and covers only the most common lemo connectors. Lemo offers complete solutions including. Lemo Connector Diagram.
From capnographysupply.com
LEMO Connector Replacement Assembly Capnography Supply Lemo Connector Diagram Since it’s creation in switzerland in 1946 the lemo. Precision modular connectors to suit your application. Connector selector b series e series f series h series m series k series l series p series s series t series multipole contacts 2. Lemo offers complete solutions including cable assembly services meeting the most stringent specifications. Precision modular connectors or cables to. Lemo Connector Diagram.
From www.circular-cableconnectors.com
Half Moon Plug Lemo Cable Connector FFA 00S With Brass Chrome Plated Lemo Connector Diagram Lemo offers complete solutions including cable assembly services meeting the most stringent specifications. Precision modular connectors to suit your application. Connector selector b series e series f series h series m series k series l series p series s series t series multipole contacts 2. 2.3 bring the shield around the rear of connector until the mold stop. Since it’s. Lemo Connector Diagram.
From shop.tentaclesync.com
LEMO 5Pin to Tentacle timecode cable Tentacle Sync Shop Lemo Connector Diagram 2.3 bring the shield around the rear of connector until the mold stop. Lemo offers complete solutions including cable assembly services meeting the most stringent specifications. Since it’s creation in switzerland in 1946 the lemo. Since it’s creation in switzerland in. It describes basic steps in identifying a part. This guide is designed for individuals who have a lemo plug,. Lemo Connector Diagram.
From kirtindt.com
LEMO CONNECTOR Lemo Connector Diagram This guide is designed for individuals who have a lemo plug, and wish to identify its part number. Precision modular connectors or cables to suit your application. Precision modular connectors to suit your application. The modular design of the lemo. It describes basic steps in identifying a part. Connector selector b series e series f series h series m series. Lemo Connector Diagram.
From in.rsdelivers.com
PXG.M0.8GG.NG Lemo Lemo Circular Connector, 8 Contacts, Panel Mount Lemo Connector Diagram This guide is designed for individuals who have a lemo plug, and wish to identify its part number. Since it’s creation in switzerland in 1946 the lemo. Since it’s creation in switzerland in. Precision modular connectors to suit your application. The modular design of the lemo range provides over 75000 connectors from miniature ø 3 mm to ø 50 mm,. Lemo Connector Diagram.
From in.rsdelivers.com
EPL.1S.302.HLN Lemo Lemo Circular Connector, 2 Contacts, Panel Mount Lemo Connector Diagram The modular design of the lemo. 2.3 bring the shield around the rear of connector until the mold stop. The modular design of the lemo range provides over 75000 connectors from miniature ø 3 mm to ø 50 mm, capable of handling cable diameters up. Since it’s creation in switzerland in. Lemo's guide describing basic steps in identifying a part. Lemo Connector Diagram.
From mavink.com
Lemo Connector Pinout Lemo Connector Diagram This guide is designed for individuals who have a lemo plug, and wish to identify its part number. It describes basic steps in identifying a part. Precision modular connectors or cables to suit your application. Connector selector b series e series f series h series m series k series l series p series s series t series multipole contacts 2.. Lemo Connector Diagram.
From www.elettronica-av.it
Lemo a wide range of connectors and cables for medical use Lemo Connector Diagram Lemo's guide describing basic steps in identifying a part number for a specific lemo plug and covers only the most common lemo connectors. Connector selector b series e series f series h series m series k series l series p series s series t series multipole contacts 2. The modular design of the lemo range provides over 75000 connectors from. Lemo Connector Diagram.
From www.youtube.com
Lemo Anglissimo Right Angle Plugs YouTube Lemo Connector Diagram Precision modular connectors to suit your application. Since it’s creation in switzerland in. Connector selector b series e series f series h series m series k series l series p series s series t series multipole contacts 2. Since it’s creation in switzerland in 1946 the lemo. The modular design of the lemo. Lemo's guide describing basic steps in identifying. Lemo Connector Diagram.
From www.youtube.com
LEMO's B series connector assembly FGG.1B.306.CLAD YouTube Lemo Connector Diagram The modular design of the lemo range provides over 75000 connectors from miniature ø 3 mm to ø 50 mm, capable of handling cable diameters up. Lemo's guide describing basic steps in identifying a part number for a specific lemo plug and covers only the most common lemo connectors. Precision modular connectors or cables to suit your application. Lemo offers. Lemo Connector Diagram.
From www.fiberoptics4sale.com
What is LEMO SMPTE 304M hybrid fiber optic connector for broadcasting Lemo Connector Diagram Since it’s creation in switzerland in 1946 the lemo. The modular design of the lemo. Precision modular connectors to suit your application. It describes basic steps in identifying a part. Lemo offers complete solutions including cable assembly services meeting the most stringent specifications. This guide is designed for individuals who have a lemo plug, and wish to identify its part. Lemo Connector Diagram.
From mungfali.com
Lemo Connector Pinout Lemo Connector Diagram Lemo offers complete solutions including cable assembly services meeting the most stringent specifications. Precision modular connectors to suit your application. This guide is designed for individuals who have a lemo plug, and wish to identify its part number. Connector selector b series e series f series h series m series k series l series p series s series t series. Lemo Connector Diagram.
From www.pinterest.com
LEMO Connector FGG 1B 2 3 4 5 6 7 8 10 14 16 pin Male Plug FGG.1B Lemo Connector Diagram Connector selector b series e series f series h series m series k series l series p series s series t series multipole contacts 2. Since it’s creation in switzerland in 1946 the lemo. 2.3 bring the shield around the rear of connector until the mold stop. Lemo's guide describing basic steps in identifying a part number for a specific. Lemo Connector Diagram.
From www.slideshare.net
Lemo connector Lemo Connector Diagram Since it’s creation in switzerland in 1946 the lemo. It describes basic steps in identifying a part. Since it’s creation in switzerland in. 2.3 bring the shield around the rear of connector until the mold stop. Precision modular connectors or cables to suit your application. The modular design of the lemo. Precision modular connectors to suit your application. The modular. Lemo Connector Diagram.
From www.aliexpress.com
LEMO Connector 2S 1 2 3 4 5 6 7 8 10 Pin Connector FFA.2S.30*.CLAC**Z Lemo Connector Diagram This guide is designed for individuals who have a lemo plug, and wish to identify its part number. Lemo offers complete solutions including cable assembly services meeting the most stringent specifications. Precision modular connectors or cables to suit your application. Lemo's guide describing basic steps in identifying a part number for a specific lemo plug and covers only the most. Lemo Connector Diagram.
From www.rs-online.id
Lemo Panel Mount Connector, 10 Contacts, Socket RS Components Indonesia Lemo Connector Diagram 2.3 bring the shield around the rear of connector until the mold stop. The modular design of the lemo. The modular design of the lemo range provides over 75000 connectors from miniature ø 3 mm to ø 50 mm, capable of handling cable diameters up. This guide is designed for individuals who have a lemo plug, and wish to identify. Lemo Connector Diagram.
From au.mouser.com
E Connectors LEMO Mouser Lemo Connector Diagram 2.3 bring the shield around the rear of connector until the mold stop. Precision modular connectors or cables to suit your application. Lemo's guide describing basic steps in identifying a part number for a specific lemo plug and covers only the most common lemo connectors. The modular design of the lemo. The modular design of the lemo range provides over. Lemo Connector Diagram.
From in.rsdelivers.com
EPG.1B.304.HLN Lemo Lemo Circular Connector, 4 Contacts, Panel Mount Lemo Connector Diagram Lemo offers complete solutions including cable assembly services meeting the most stringent specifications. Since it’s creation in switzerland in. The modular design of the lemo range provides over 75000 connectors from miniature ø 3 mm to ø 50 mm, capable of handling cable diameters up. The modular design of the lemo. Precision modular connectors to suit your application. Precision modular. Lemo Connector Diagram.
From sa.rsdelivers.com
PPG.M0.5GG.N Lemo Lemo Circular Connector, 5 Contacts, Panel Mount Lemo Connector Diagram The modular design of the lemo range provides over 75000 connectors from miniature ø 3 mm to ø 50 mm, capable of handling cable diameters up. Precision modular connectors to suit your application. Lemo's guide describing basic steps in identifying a part number for a specific lemo plug and covers only the most common lemo connectors. Precision modular connectors or. Lemo Connector Diagram.
From mungfali.com
Lemo Connector Pinout Lemo Connector Diagram It describes basic steps in identifying a part. Precision modular connectors to suit your application. The modular design of the lemo range provides over 75000 connectors from miniature ø 3 mm to ø 50 mm, capable of handling cable diameters up. Precision modular connectors or cables to suit your application. The modular design of the lemo. Connector selector b series. Lemo Connector Diagram.
From www.electronic-sensor.de
Lemo and Odu connectors for sheathed thermocouples Lemo Connector Diagram Precision modular connectors or cables to suit your application. The modular design of the lemo. Precision modular connectors to suit your application. Since it’s creation in switzerland in. The modular design of the lemo range provides over 75000 connectors from miniature ø 3 mm to ø 50 mm, capable of handling cable diameters up. It describes basic steps in identifying. Lemo Connector Diagram.
From mooneyspace.com
bose/lemo connector Avionics/Panel Discussion A Lemo Connector Diagram Precision modular connectors to suit your application. It describes basic steps in identifying a part. The modular design of the lemo. The modular design of the lemo range provides over 75000 connectors from miniature ø 3 mm to ø 50 mm, capable of handling cable diameters up. Precision modular connectors or cables to suit your application. Connector selector b series. Lemo Connector Diagram.
From www.atx7006.com
ATX7002 resources FAQ Lemo Connector Diagram Connector selector b series e series f series h series m series k series l series p series s series t series multipole contacts 2. This guide is designed for individuals who have a lemo plug, and wish to identify its part number. Precision modular connectors or cables to suit your application. 2.3 bring the shield around the rear of. Lemo Connector Diagram.
From www.scribd.com
Lemo Assembly Instructions PDF Electrical Connector Electrical Lemo Connector Diagram Precision modular connectors or cables to suit your application. The modular design of the lemo. Since it’s creation in switzerland in 1946 the lemo. It describes basic steps in identifying a part. The modular design of the lemo range provides over 75000 connectors from miniature ø 3 mm to ø 50 mm, capable of handling cable diameters up. Lemo offers. Lemo Connector Diagram.
From www.transwan.net
BYEFP407 Powered by Hybrid Cable with Lemo Connector Lemo Connector Diagram Lemo's guide describing basic steps in identifying a part number for a specific lemo plug and covers only the most common lemo connectors. Since it’s creation in switzerland in 1946 the lemo. 2.3 bring the shield around the rear of connector until the mold stop. Precision modular connectors to suit your application. The modular design of the lemo. Lemo offers. Lemo Connector Diagram.
From product.kyowa-ei.com
N130 14pin LEMO connector to 14pin LEMO connector Product KYOWA Lemo Connector Diagram Lemo offers complete solutions including cable assembly services meeting the most stringent specifications. Connector selector b series e series f series h series m series k series l series p series s series t series multipole contacts 2. Precision modular connectors or cables to suit your application. It describes basic steps in identifying a part. Since it’s creation in switzerland. Lemo Connector Diagram.
From www.circular-cableconnectors.com
Lemo Connector 7 Pin Male To 3 Pin Female ARRI Alexa Mini Camera Power Lemo Connector Diagram Since it’s creation in switzerland in. The modular design of the lemo. 2.3 bring the shield around the rear of connector until the mold stop. Precision modular connectors to suit your application. Connector selector b series e series f series h series m series k series l series p series s series t series multipole contacts 2. It describes basic. Lemo Connector Diagram.
From studylib.net
LEMO`s B and S Series Connectors Lemo Connector Diagram Lemo's guide describing basic steps in identifying a part number for a specific lemo plug and covers only the most common lemo connectors. Since it’s creation in switzerland in. Since it’s creation in switzerland in 1946 the lemo. This guide is designed for individuals who have a lemo plug, and wish to identify its part number. The modular design of. Lemo Connector Diagram.
From jwsoundgroup.net
4 pin Lemo disassembly Do It Yourself JWSOUNDGROUP Lemo Connector Diagram The modular design of the lemo. Lemo's guide describing basic steps in identifying a part number for a specific lemo plug and covers only the most common lemo connectors. Connector selector b series e series f series h series m series k series l series p series s series t series multipole contacts 2. 2.3 bring the shield around the. Lemo Connector Diagram.
From shop.tentaclesync.com
Tentacle to LEMO 5pin timecode cable Tentacle Sync Shop Lemo Connector Diagram Lemo's guide describing basic steps in identifying a part number for a specific lemo plug and covers only the most common lemo connectors. Precision modular connectors or cables to suit your application. It describes basic steps in identifying a part. The modular design of the lemo range provides over 75000 connectors from miniature ø 3 mm to ø 50 mm,. Lemo Connector Diagram.
From enginewiringharvey.z21.web.core.windows.net
Bose Lemo Plug Wiring Diagram Lemo Connector Diagram Lemo offers complete solutions including cable assembly services meeting the most stringent specifications. 2.3 bring the shield around the rear of connector until the mold stop. Lemo's guide describing basic steps in identifying a part number for a specific lemo plug and covers only the most common lemo connectors. The modular design of the lemo range provides over 75000 connectors. Lemo Connector Diagram.