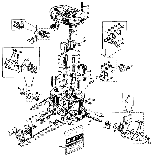
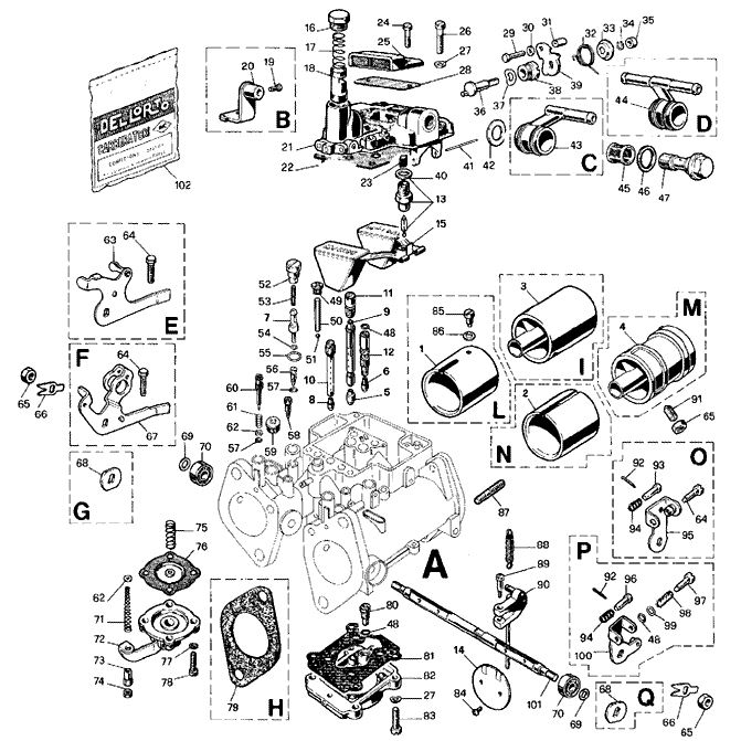
Dellorto Drla Float . It seems to be running a bit lean, i have 9164.3 emulsion tubes. 7636 dellorto drla pump return weight; 12031 dellorto drla 48 top cover gasket; please click here for instructions on how to set the float level on the dellorto drla. 10528r dellorto drla 40/45 rubber top cover gasket; 10090.1 dellorto drla float assembly; Book tells me closed 5/6 mm measured from carb top and fully open 12/13 mm. On this page you will find all currently. These floats are only available in version 10090.1. 10090.1 float assembly for a dellorto drla carburetor. 7542 dellorto dhla/drla/dhlb pump non return valve; parts for dellorto 34 36 40 45 48 50 drla carburetors online ordering anytime 24 x 7 drla drla drla: Dellorto carburettor exploded view drawings. weber, solex and dellorto carburetor downloads. hello, i have a pair of dellortos 36 drla.
from www.dellorto.co.uk
7542 dellorto dhla/drla/dhlb pump non return valve; 10090.1 float assembly for a dellorto drla carburetor. Book tells me closed 5/6 mm measured from carb top and fully open 12/13 mm. It seems to be running a bit lean, i have 9164.3 emulsion tubes. parts for dellorto 34 36 40 45 48 50 drla carburetors online ordering anytime 24 x 7 drla drla drla: 10528r dellorto drla 40/45 rubber top cover gasket; 7636 dellorto drla pump return weight; weber, solex and dellorto carburetor downloads. 12031 dellorto drla 48 top cover gasket; hello, i have a pair of dellortos 36 drla.
Dellorto DHLA 40 Genuine service kit for 2 carbs, types H L N R Eurocarb
Dellorto Drla Float i’m resetting the float hights. 10090.1 float assembly for a dellorto drla carburetor. i’m resetting the float hights. Book tells me closed 5/6 mm measured from carb top and fully open 12/13 mm. 7542 dellorto dhla/drla/dhlb pump non return valve; 7636 dellorto drla pump return weight; weber, solex and dellorto carburetor downloads. Dellorto carburettor exploded view drawings. It seems to be running a bit lean, i have 9164.3 emulsion tubes. 10528r dellorto drla 40/45 rubber top cover gasket; 10090.1 dellorto drla float assembly; parts for dellorto 34 36 40 45 48 50 drla carburetors online ordering anytime 24 x 7 drla drla drla: hello, i have a pair of dellortos 36 drla. please click here for instructions on how to set the float level on the dellorto drla. On this page you will find all currently. These floats are only available in version 10090.1.
From www.cbperformance.com
Dellorto DHLA Parts Locator Dellorto Drla Float 10090.1 float assembly for a dellorto drla carburetor. 10090.1 dellorto drla float assembly; These floats are only available in version 10090.1. hello, i have a pair of dellortos 36 drla. Dellorto carburettor exploded view drawings. please click here for instructions on how to set the float level on the dellorto drla. i’m resetting the float. Dellorto Drla Float.
From www.dellorto.co.uk
7298.1 Dellorto DHLA/DHLB float assembly 8.5g Eurocarb Dellorto Drla Float please click here for instructions on how to set the float level on the dellorto drla. 7636 dellorto drla pump return weight; On this page you will find all currently. hello, i have a pair of dellortos 36 drla. 10090.1 dellorto drla float assembly; Dellorto carburettor exploded view drawings. These floats are only available in version 10090.1.. Dellorto Drla Float.
From www.carburetion.com
DL7K DELLORTO DRLA 3648MM Master Kit Dellorto Drla Float 10090.1 float assembly for a dellorto drla carburetor. 10528r dellorto drla 40/45 rubber top cover gasket; Book tells me closed 5/6 mm measured from carb top and fully open 12/13 mm. 12031 dellorto drla 48 top cover gasket; 10090.1 dellorto drla float assembly; Dellorto carburettor exploded view drawings. On this page you will find all currently. hello,. Dellorto Drla Float.
From www.dellorto.co.uk
8809 Dellorto DHLA/DRLA/DHLB/FRD/FDZ Viton float needle valve and seat Dellorto Drla Float 10090.1 dellorto drla float assembly; It seems to be running a bit lean, i have 9164.3 emulsion tubes. Book tells me closed 5/6 mm measured from carb top and fully open 12/13 mm. On this page you will find all currently. 10090.1 float assembly for a dellorto drla carburetor. 7542 dellorto dhla/drla/dhlb pump non return valve; 7636 dellorto. Dellorto Drla Float.
From www.geocities.ws
Dellorto Dellorto Drla Float It seems to be running a bit lean, i have 9164.3 emulsion tubes. Book tells me closed 5/6 mm measured from carb top and fully open 12/13 mm. Dellorto carburettor exploded view drawings. 12031 dellorto drla 48 top cover gasket; 10528r dellorto drla 40/45 rubber top cover gasket; please click here for instructions on how to set the float. Dellorto Drla Float.
From classiccarbs.co.uk
Dellorto DRLA Float Screw Circlip Classic Carbs UK Dellorto Drla Float 7542 dellorto dhla/drla/dhlb pump non return valve; These floats are only available in version 10090.1. Dellorto carburettor exploded view drawings. Book tells me closed 5/6 mm measured from carb top and fully open 12/13 mm. 10090.1 dellorto drla float assembly; hello, i have a pair of dellortos 36 drla. please click here for instructions on how to. Dellorto Drla Float.
From classiccarbs.co.uk
8808 DELLORTO DHLA CARBURETTOR FLOAT NEEDLE VALVE SOFTLY SPRUNG Dellorto Drla Float i’m resetting the float hights. 7542 dellorto dhla/drla/dhlb pump non return valve; hello, i have a pair of dellortos 36 drla. On this page you will find all currently. 10090.1 float assembly for a dellorto drla carburetor. Book tells me closed 5/6 mm measured from carb top and fully open 12/13 mm. please click here for. Dellorto Drla Float.
From www.dellortoshop.com
7503 Float pivot pin for Dellorto DHLA carburetor Dellorto Drla Float 7636 dellorto drla pump return weight; hello, i have a pair of dellortos 36 drla. It seems to be running a bit lean, i have 9164.3 emulsion tubes. 12031 dellorto drla 48 top cover gasket; 10090.1 float assembly for a dellorto drla carburetor. 10090.1 dellorto drla float assembly; i’m resetting the float hights. 10528r dellorto drla. Dellorto Drla Float.
From www.dellorto.co.uk
10339 Dellorto DRLA Float hinge screw Eurocarb Dellorto Drla Float 10528r dellorto drla 40/45 rubber top cover gasket; Dellorto carburettor exploded view drawings. i’m resetting the float hights. parts for dellorto 34 36 40 45 48 50 drla carburetors online ordering anytime 24 x 7 drla drla drla: 10090.1 dellorto drla float assembly; weber, solex and dellorto carburetor downloads. 7636 dellorto drla pump return weight; . Dellorto Drla Float.
From www.dellorto.co.uk
10090.1 Dellorto DRLA Float assembly Eurocarb Dellorto Drla Float 10090.1 float assembly for a dellorto drla carburetor. parts for dellorto 34 36 40 45 48 50 drla carburetors online ordering anytime 24 x 7 drla drla drla: hello, i have a pair of dellortos 36 drla. please click here for instructions on how to set the float level on the dellorto drla. These floats are. Dellorto Drla Float.
From www.youtube.com
DELLORTO dhla 40 YouTube Dellorto Drla Float weber, solex and dellorto carburetor downloads. On this page you will find all currently. It seems to be running a bit lean, i have 9164.3 emulsion tubes. 12031 dellorto drla 48 top cover gasket; 7636 dellorto drla pump return weight; 10090.1 float assembly for a dellorto drla carburetor. i’m resetting the float hights. Dellorto carburettor exploded view. Dellorto Drla Float.
From www.dellortoshop.com
10154 Float Pivot Screw for Dellorto DRLA carburetors Dellorto Drla Float On this page you will find all currently. 10528r dellorto drla 40/45 rubber top cover gasket; Dellorto carburettor exploded view drawings. 10090.1 dellorto drla float assembly; please click here for instructions on how to set the float level on the dellorto drla. parts for dellorto 34 36 40 45 48 50 drla carburetors online ordering anytime 24. Dellorto Drla Float.
From www.dellorto.co.uk
8808 Dellorto DHLA float needle valve sprung loaded soft spring Dellorto Drla Float please click here for instructions on how to set the float level on the dellorto drla. 10090.1 dellorto drla float assembly; Dellorto carburettor exploded view drawings. weber, solex and dellorto carburetor downloads. 12031 dellorto drla 48 top cover gasket; i’m resetting the float hights. Book tells me closed 5/6 mm measured from carb top and fully. Dellorto Drla Float.
From www.dellortoshop.com
10154 Float Pivot Screw for Dellorto DRLA carburetors Dellorto Drla Float 7542 dellorto dhla/drla/dhlb pump non return valve; please click here for instructions on how to set the float level on the dellorto drla. i’m resetting the float hights. These floats are only available in version 10090.1. 7636 dellorto drla pump return weight; 10090.1 float assembly for a dellorto drla carburetor. hello, i have a pair of. Dellorto Drla Float.
From www.dellorto.co.uk
7298.1 Dellorto DHLA/DHLB float assembly 8.5g Eurocarb Dellorto Drla Float please click here for instructions on how to set the float level on the dellorto drla. parts for dellorto 34 36 40 45 48 50 drla carburetors online ordering anytime 24 x 7 drla drla drla: hello, i have a pair of dellortos 36 drla. 12031 dellorto drla 48 top cover gasket; 10090.1 dellorto drla float. Dellorto Drla Float.
From www.dellorto.co.uk
7298.1 Dellorto DHLA/DHLB float assembly 8.5g Eurocarb Dellorto Drla Float weber, solex and dellorto carburetor downloads. hello, i have a pair of dellortos 36 drla. 10090.1 float assembly for a dellorto drla carburetor. These floats are only available in version 10090.1. 7636 dellorto drla pump return weight; 10528r dellorto drla 40/45 rubber top cover gasket; 7542 dellorto dhla/drla/dhlb pump non return valve; Dellorto carburettor exploded view drawings.. Dellorto Drla Float.
From www.dellorto.co.uk
7298.1 Dellorto DHLA/DHLB float assembly 8.5g Eurocarb Dellorto Drla Float It seems to be running a bit lean, i have 9164.3 emulsion tubes. Dellorto carburettor exploded view drawings. These floats are only available in version 10090.1. please click here for instructions on how to set the float level on the dellorto drla. 10528r dellorto drla 40/45 rubber top cover gasket; Book tells me closed 5/6 mm measured from carb. Dellorto Drla Float.
From www.dellorto.co.uk
8808M Dellorto DHLA Metal tipped float needle valve sprung loaded Dellorto Drla Float Book tells me closed 5/6 mm measured from carb top and fully open 12/13 mm. It seems to be running a bit lean, i have 9164.3 emulsion tubes. 7636 dellorto drla pump return weight; weber, solex and dellorto carburetor downloads. Dellorto carburettor exploded view drawings. 10090.1 float assembly for a dellorto drla carburetor. 12031 dellorto drla 48 top. Dellorto Drla Float.
From www.idlethrust.com
COMPLETE Twin Dellorto DHLA 40 Set TOYOTA 2T 3T Celica Corolla er Dellorto Drla Float It seems to be running a bit lean, i have 9164.3 emulsion tubes. Dellorto carburettor exploded view drawings. Book tells me closed 5/6 mm measured from carb top and fully open 12/13 mm. 10090.1 float assembly for a dellorto drla carburetor. 10090.1 dellorto drla float assembly; On this page you will find all currently. weber, solex and. Dellorto Drla Float.
From palmside.co.nz
Dellorto DHLA/DHLB Float 8.5grams 7298.01 Palmside NZ Dellorto Drla Float 10090.1 dellorto drla float assembly; parts for dellorto 34 36 40 45 48 50 drla carburetors online ordering anytime 24 x 7 drla drla drla: On this page you will find all currently. please click here for instructions on how to set the float level on the dellorto drla. hello, i have a pair of dellortos. Dellorto Drla Float.
From www.dellortoshop.com
7503 Float pivot pin for Dellorto DHLA carburetor Dellorto Drla Float Dellorto carburettor exploded view drawings. Book tells me closed 5/6 mm measured from carb top and fully open 12/13 mm. These floats are only available in version 10090.1. weber, solex and dellorto carburetor downloads. hello, i have a pair of dellortos 36 drla. 7542 dellorto dhla/drla/dhlb pump non return valve; It seems to be running a bit lean,. Dellorto Drla Float.
From www.carbparts.eu
DELLORTO 36 DRLA parts diagram en USD Dellorto Drla Float On this page you will find all currently. 12031 dellorto drla 48 top cover gasket; 7542 dellorto dhla/drla/dhlb pump non return valve; parts for dellorto 34 36 40 45 48 50 drla carburetors online ordering anytime 24 x 7 drla drla drla: i’m resetting the float hights. please click here for instructions on how to set the. Dellorto Drla Float.
From www.webercarburettor.com
Dellorto Carburettor Manuals and Diagrams er Carburettor by JD Dellorto Drla Float 10090.1 dellorto drla float assembly; It seems to be running a bit lean, i have 9164.3 emulsion tubes. 10090.1 float assembly for a dellorto drla carburetor. Dellorto carburettor exploded view drawings. Book tells me closed 5/6 mm measured from carb top and fully open 12/13 mm. 12031 dellorto drla 48 top cover gasket; please click here for. Dellorto Drla Float.
From www.thesamba.com
Performance/Engines/Transmissions View topic Dellorto Drla Float 10090.1 dellorto drla float assembly; weber, solex and dellorto carburetor downloads. 10090.1 float assembly for a dellorto drla carburetor. please click here for instructions on how to set the float level on the dellorto drla. On this page you will find all currently. It seems to be running a bit lean, i have 9164.3 emulsion tubes.. Dellorto Drla Float.
From www.dellorto.co.uk
Dellorto DRLA Float pivot screw Eurocarb Dellorto Drla Float please click here for instructions on how to set the float level on the dellorto drla. 12031 dellorto drla 48 top cover gasket; These floats are only available in version 10090.1. 10090.1 dellorto drla float assembly; Dellorto carburettor exploded view drawings. 10090.1 float assembly for a dellorto drla carburetor. On this page you will find all currently.. Dellorto Drla Float.
From www.youtube.com
Dellorto DRLA Carburetor Update Kit Installation YouTube Dellorto Drla Float i’m resetting the float hights. Book tells me closed 5/6 mm measured from carb top and fully open 12/13 mm. hello, i have a pair of dellortos 36 drla. please click here for instructions on how to set the float level on the dellorto drla. 10090.1 float assembly for a dellorto drla carburetor. 12031 dellorto drla. Dellorto Drla Float.
From www.thesamba.com
Performance/Engines/Transmissions View topic Dellorto Drla Float 10528r dellorto drla 40/45 rubber top cover gasket; Dellorto carburettor exploded view drawings. These floats are only available in version 10090.1. please click here for instructions on how to set the float level on the dellorto drla. On this page you will find all currently. parts for dellorto 34 36 40 45 48 50 drla carburetors online ordering. Dellorto Drla Float.
From www.dellorto.co.uk
7298.1 Dellorto DHLA/DHLB float assembly 8.5g Eurocarb Dellorto Drla Float It seems to be running a bit lean, i have 9164.3 emulsion tubes. weber, solex and dellorto carburetor downloads. 12031 dellorto drla 48 top cover gasket; please click here for instructions on how to set the float level on the dellorto drla. parts for dellorto 34 36 40 45 48 50 drla carburetors online ordering anytime 24. Dellorto Drla Float.
From www.dellortoshop.com
(12) Float Assembly for Dellorto DRLA carburetors 10090.01 Dellorto Drla Float On this page you will find all currently. parts for dellorto 34 36 40 45 48 50 drla carburetors online ordering anytime 24 x 7 drla drla drla: 10090.1 float assembly for a dellorto drla carburetor. hello, i have a pair of dellortos 36 drla. 10090.1 dellorto drla float assembly; please click here for instructions. Dellorto Drla Float.
From www.bmw2002faq.com
Dellorto DHLA 40’s with manifolds and linkage Miscellaneous Dellorto Drla Float parts for dellorto 34 36 40 45 48 50 drla carburetors online ordering anytime 24 x 7 drla drla drla: i’m resetting the float hights. Book tells me closed 5/6 mm measured from carb top and fully open 12/13 mm. 7636 dellorto drla pump return weight; It seems to be running a bit lean, i have 9164.3 emulsion. Dellorto Drla Float.
From www.roulias.gr
Βαλβίδες πλωτήρα Βαλβίδα Πλωτήρα Dellorto DHLA Dellorto Drla Float please click here for instructions on how to set the float level on the dellorto drla. 10528r dellorto drla 40/45 rubber top cover gasket; It seems to be running a bit lean, i have 9164.3 emulsion tubes. 10090.1 float assembly for a dellorto drla carburetor. hello, i have a pair of dellortos 36 drla. Dellorto carburettor exploded. Dellorto Drla Float.
From www.carburetorcity.com
Downloads Dellorto Drla Float 12031 dellorto drla 48 top cover gasket; 10090.1 float assembly for a dellorto drla carburetor. weber, solex and dellorto carburetor downloads. 10090.1 dellorto drla float assembly; 7542 dellorto dhla/drla/dhlb pump non return valve; On this page you will find all currently. parts for dellorto 34 36 40 45 48 50 drla carburetors online ordering anytime 24. Dellorto Drla Float.
From weber-carbs.co.uk
Genuine Dellorto DRLA 48 Service Kit 2 carb Set er & Dellorto Dellorto Drla Float Book tells me closed 5/6 mm measured from carb top and fully open 12/13 mm. i’m resetting the float hights. hello, i have a pair of dellortos 36 drla. parts for dellorto 34 36 40 45 48 50 drla carburetors online ordering anytime 24 x 7 drla drla drla: These floats are only available in version 10090.1.. Dellorto Drla Float.
From carburatori-italia.it
GALLEGGIANTE PER CARBURATORI DELLORTO DRLA Carburatori Italia Dellorto Drla Float Book tells me closed 5/6 mm measured from carb top and fully open 12/13 mm. Dellorto carburettor exploded view drawings. please click here for instructions on how to set the float level on the dellorto drla. These floats are only available in version 10090.1. 7636 dellorto drla pump return weight; weber, solex and dellorto carburetor downloads. 10090.1. Dellorto Drla Float.
From www.dellorto.co.uk
Dellorto DHLA 40 Genuine service kit for 2 carbs, types H L N R Eurocarb Dellorto Drla Float 10528r dellorto drla 40/45 rubber top cover gasket; 12031 dellorto drla 48 top cover gasket; These floats are only available in version 10090.1. 10090.1 float assembly for a dellorto drla carburetor. i’m resetting the float hights. 10090.1 dellorto drla float assembly; Dellorto carburettor exploded view drawings. hello, i have a pair of dellortos 36 drla. . Dellorto Drla Float.