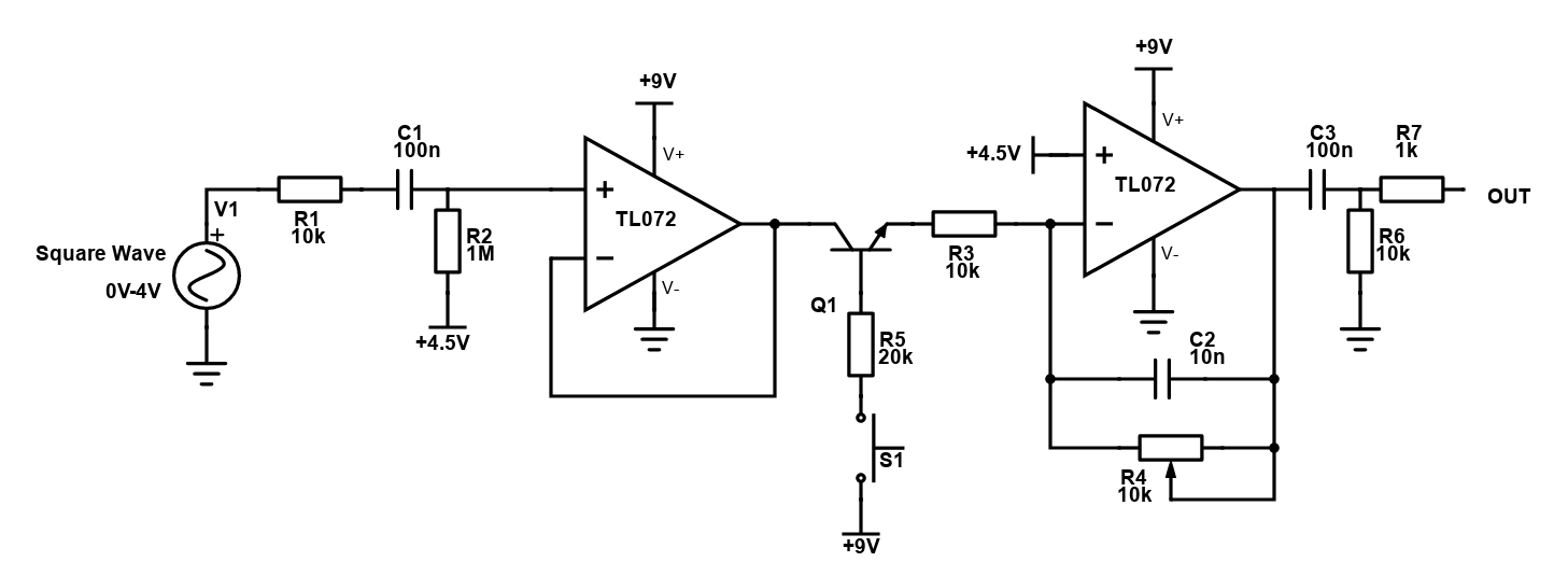
Transistor Vca . The design comes from yusynth , and i implemented it without significant changes. About press copyright contact us creators advertise developers terms privacy policy & safety how. I tried this out and and it works. This is a very simple voltage controlled amplifier (vca) module, using a classic differential amplifier. :) / theaudiophool this time we're going to use only 1 transistor (bjt) to make. A vca (voltage controlled amplifier/ attenuator) is the heart of any compressor or peak limiter circuit, and there are quite a few different approaches.
from www.autodesk.com
I tried this out and and it works. The design comes from yusynth , and i implemented it without significant changes. This is a very simple voltage controlled amplifier (vca) module, using a classic differential amplifier. :) / theaudiophool this time we're going to use only 1 transistor (bjt) to make. A vca (voltage controlled amplifier/ attenuator) is the heart of any compressor or peak limiter circuit, and there are quite a few different approaches. About press copyright contact us creators advertise developers terms privacy policy & safety how.
Transistors 101 A Detailed Introduction on Transistors Fusion 360 Blog
Transistor Vca This is a very simple voltage controlled amplifier (vca) module, using a classic differential amplifier. I tried this out and and it works. About press copyright contact us creators advertise developers terms privacy policy & safety how. The design comes from yusynth , and i implemented it without significant changes. A vca (voltage controlled amplifier/ attenuator) is the heart of any compressor or peak limiter circuit, and there are quite a few different approaches. :) / theaudiophool this time we're going to use only 1 transistor (bjt) to make. This is a very simple voltage controlled amplifier (vca) module, using a classic differential amplifier.
From modwiggler.com
Transistor Based Low Pass Gate schematic? MOD WIGGLER Transistor Vca A vca (voltage controlled amplifier/ attenuator) is the heart of any compressor or peak limiter circuit, and there are quite a few different approaches. About press copyright contact us creators advertise developers terms privacy policy & safety how. I tried this out and and it works. This is a very simple voltage controlled amplifier (vca) module, using a classic differential. Transistor Vca.
From yusynth.net
Mes vieux synthés Transistor Vca I tried this out and and it works. A vca (voltage controlled amplifier/ attenuator) is the heart of any compressor or peak limiter circuit, and there are quite a few different approaches. :) / theaudiophool this time we're going to use only 1 transistor (bjt) to make. This is a very simple voltage controlled amplifier (vca) module, using a classic. Transistor Vca.
From analogclassics.com
Minimoog Replacement Transistors For VCA, VCF, Preamp Analog Classics Transistor Vca The design comes from yusynth , and i implemented it without significant changes. This is a very simple voltage controlled amplifier (vca) module, using a classic differential amplifier. I tried this out and and it works. A vca (voltage controlled amplifier/ attenuator) is the heart of any compressor or peak limiter circuit, and there are quite a few different approaches.. Transistor Vca.
From page.auctions.yahoo.co.jp
Yahoo!オークション omsonic Dual Transistor VCA モジュラー ユーロ... Transistor Vca This is a very simple voltage controlled amplifier (vca) module, using a classic differential amplifier. I tried this out and and it works. A vca (voltage controlled amplifier/ attenuator) is the heart of any compressor or peak limiter circuit, and there are quite a few different approaches. :) / theaudiophool this time we're going to use only 1 transistor (bjt). Transistor Vca.
From www.youtube.com
TransistorBased Voltage Controlled Amplifier (VCA) YouTube Transistor Vca This is a very simple voltage controlled amplifier (vca) module, using a classic differential amplifier. The design comes from yusynth , and i implemented it without significant changes. I tried this out and and it works. A vca (voltage controlled amplifier/ attenuator) is the heart of any compressor or peak limiter circuit, and there are quite a few different approaches.. Transistor Vca.
From www.pinterest.de
Ray Wilson's Dual LogLinear VCA Schematics Eurorack, Linear, Modular Transistor Vca This is a very simple voltage controlled amplifier (vca) module, using a classic differential amplifier. I tried this out and and it works. :) / theaudiophool this time we're going to use only 1 transistor (bjt) to make. About press copyright contact us creators advertise developers terms privacy policy & safety how. A vca (voltage controlled amplifier/ attenuator) is the. Transistor Vca.
From www.electronica-max.com
Transistor BJT NPN 50V 0.5A TO92 BC547B BJT Transistor Vca This is a very simple voltage controlled amplifier (vca) module, using a classic differential amplifier. I tried this out and and it works. A vca (voltage controlled amplifier/ attenuator) is the heart of any compressor or peak limiter circuit, and there are quite a few different approaches. The design comes from yusynth , and i implemented it without significant changes.. Transistor Vca.
From www.bosontreinamentos.com.br
O que é um Transistor em Eletrônica Bóson Treinamentos em Ciência e Transistor Vca A vca (voltage controlled amplifier/ attenuator) is the heart of any compressor or peak limiter circuit, and there are quite a few different approaches. :) / theaudiophool this time we're going to use only 1 transistor (bjt) to make. This is a very simple voltage controlled amplifier (vca) module, using a classic differential amplifier. I tried this out and and. Transistor Vca.
From www.fvml.com.br
Datasheet Pinagem Transistor Bipolar PNP 2SA733 Características e Transistor Vca A vca (voltage controlled amplifier/ attenuator) is the heart of any compressor or peak limiter circuit, and there are quite a few different approaches. This is a very simple voltage controlled amplifier (vca) module, using a classic differential amplifier. About press copyright contact us creators advertise developers terms privacy policy & safety how. The design comes from yusynth , and. Transistor Vca.
From electricalacademia.com
Transistor Working Principle Properties Electrical Academia Transistor Vca About press copyright contact us creators advertise developers terms privacy policy & safety how. The design comes from yusynth , and i implemented it without significant changes. A vca (voltage controlled amplifier/ attenuator) is the heart of any compressor or peak limiter circuit, and there are quite a few different approaches. I tried this out and and it works. This. Transistor Vca.
From modwiggler.com
CGS64 VCA levels MOD WIGGLER Transistor Vca I tried this out and and it works. This is a very simple voltage controlled amplifier (vca) module, using a classic differential amplifier. About press copyright contact us creators advertise developers terms privacy policy & safety how. :) / theaudiophool this time we're going to use only 1 transistor (bjt) to make. The design comes from yusynth , and i. Transistor Vca.
From reverb.com
Studio Electronics AMP 2Stage Transistor VCA Reverb Transistor Vca About press copyright contact us creators advertise developers terms privacy policy & safety how. A vca (voltage controlled amplifier/ attenuator) is the heart of any compressor or peak limiter circuit, and there are quite a few different approaches. I tried this out and and it works. :) / theaudiophool this time we're going to use only 1 transistor (bjt) to. Transistor Vca.
From www.youtube.com
Basics of Transistor Transistor Current with animations YouTube Transistor Vca :) / theaudiophool this time we're going to use only 1 transistor (bjt) to make. This is a very simple voltage controlled amplifier (vca) module, using a classic differential amplifier. I tried this out and and it works. A vca (voltage controlled amplifier/ attenuator) is the heart of any compressor or peak limiter circuit, and there are quite a few. Transistor Vca.
From shopee.co.id
Jual Transistor Horizontal MD2009DFX Original Shopee Indonesia Transistor Vca I tried this out and and it works. A vca (voltage controlled amplifier/ attenuator) is the heart of any compressor or peak limiter circuit, and there are quite a few different approaches. About press copyright contact us creators advertise developers terms privacy policy & safety how. :) / theaudiophool this time we're going to use only 1 transistor (bjt) to. Transistor Vca.
From www.autodesk.com
Transistors 101 A Detailed Introduction on Transistors Fusion 360 Blog Transistor Vca :) / theaudiophool this time we're going to use only 1 transistor (bjt) to make. This is a very simple voltage controlled amplifier (vca) module, using a classic differential amplifier. I tried this out and and it works. A vca (voltage controlled amplifier/ attenuator) is the heart of any compressor or peak limiter circuit, and there are quite a few. Transistor Vca.
From electronics.stackexchange.com
audio Single transistor VCA for gate type CV signals Electrical Transistor Vca I tried this out and and it works. This is a very simple voltage controlled amplifier (vca) module, using a classic differential amplifier. About press copyright contact us creators advertise developers terms privacy policy & safety how. The design comes from yusynth , and i implemented it without significant changes. :) / theaudiophool this time we're going to use only. Transistor Vca.
From lcaimport.com
TRANSISTOR MOSFET CANAL N 800V 17A TO220F LCA Import Transistor Vca :) / theaudiophool this time we're going to use only 1 transistor (bjt) to make. This is a very simple voltage controlled amplifier (vca) module, using a classic differential amplifier. I tried this out and and it works. A vca (voltage controlled amplifier/ attenuator) is the heart of any compressor or peak limiter circuit, and there are quite a few. Transistor Vca.
From electricdruid.net
Design a Eurorack “Vintage VCA” with the LM13700 Electric Druid Transistor Vca This is a very simple voltage controlled amplifier (vca) module, using a classic differential amplifier. The design comes from yusynth , and i implemented it without significant changes. A vca (voltage controlled amplifier/ attenuator) is the heart of any compressor or peak limiter circuit, and there are quite a few different approaches. I tried this out and and it works.. Transistor Vca.
From www.flickr.com
Discrete Transistor VCA A VoltageControlled Amplifier (VC… Flickr Transistor Vca This is a very simple voltage controlled amplifier (vca) module, using a classic differential amplifier. I tried this out and and it works. The design comes from yusynth , and i implemented it without significant changes. About press copyright contact us creators advertise developers terms privacy policy & safety how. :) / theaudiophool this time we're going to use only. Transistor Vca.
From shopee.co.id
Jual Transistor toshiba 2SC5200 2SA1943 Shopee Indonesia Transistor Vca The design comes from yusynth , and i implemented it without significant changes. A vca (voltage controlled amplifier/ attenuator) is the heart of any compressor or peak limiter circuit, and there are quite a few different approaches. This is a very simple voltage controlled amplifier (vca) module, using a classic differential amplifier. About press copyright contact us creators advertise developers. Transistor Vca.
From www.radiolocman.com
Op Amp Linearizes Response of FET VCA Transistor Vca A vca (voltage controlled amplifier/ attenuator) is the heart of any compressor or peak limiter circuit, and there are quite a few different approaches. I tried this out and and it works. :) / theaudiophool this time we're going to use only 1 transistor (bjt) to make. This is a very simple voltage controlled amplifier (vca) module, using a classic. Transistor Vca.
From www.coroflot.com
VCA Transconductance Op Amp LM13700 by Brian Tuley at Transistor Vca The design comes from yusynth , and i implemented it without significant changes. This is a very simple voltage controlled amplifier (vca) module, using a classic differential amplifier. About press copyright contact us creators advertise developers terms privacy policy & safety how. I tried this out and and it works. :) / theaudiophool this time we're going to use only. Transistor Vca.
From www.electro-music.com
View topic Single transistor VCA circuit Transistor Vca :) / theaudiophool this time we're going to use only 1 transistor (bjt) to make. The design comes from yusynth , and i implemented it without significant changes. I tried this out and and it works. A vca (voltage controlled amplifier/ attenuator) is the heart of any compressor or peak limiter circuit, and there are quite a few different approaches.. Transistor Vca.
From pugix.com
SSM2164 Dual VCA Board Richard Brewster's Electronic Sounds Transistor Vca I tried this out and and it works. A vca (voltage controlled amplifier/ attenuator) is the heart of any compressor or peak limiter circuit, and there are quite a few different approaches. This is a very simple voltage controlled amplifier (vca) module, using a classic differential amplifier. About press copyright contact us creators advertise developers terms privacy policy & safety. Transistor Vca.
From www.youtube.com
Single Transistor Voltage Controlled amplifier! (VCA) YouTube Transistor Vca :) / theaudiophool this time we're going to use only 1 transistor (bjt) to make. A vca (voltage controlled amplifier/ attenuator) is the heart of any compressor or peak limiter circuit, and there are quite a few different approaches. The design comes from yusynth , and i implemented it without significant changes. This is a very simple voltage controlled amplifier. Transistor Vca.
From www.youtube.com
Designing a classic transistorVCA from scratch YouTube Transistor Vca I tried this out and and it works. The design comes from yusynth , and i implemented it without significant changes. :) / theaudiophool this time we're going to use only 1 transistor (bjt) to make. About press copyright contact us creators advertise developers terms privacy policy & safety how. This is a very simple voltage controlled amplifier (vca) module,. Transistor Vca.
From knopslmodular.design.blog
Cheap Dual VCA Transistor based VCA knopsl modular Transistor Vca This is a very simple voltage controlled amplifier (vca) module, using a classic differential amplifier. I tried this out and and it works. A vca (voltage controlled amplifier/ attenuator) is the heart of any compressor or peak limiter circuit, and there are quite a few different approaches. The design comes from yusynth , and i implemented it without significant changes.. Transistor Vca.
From transistory.audio
Dual Linear VCA by Mosaic 1U TRANSISTORY Transistor Vca I tried this out and and it works. :) / theaudiophool this time we're going to use only 1 transistor (bjt) to make. A vca (voltage controlled amplifier/ attenuator) is the heart of any compressor or peak limiter circuit, and there are quite a few different approaches. The design comes from yusynth , and i implemented it without significant changes.. Transistor Vca.
From www.davidhaillant.com
Simple VCA Electronic things… and stuff Transistor Vca A vca (voltage controlled amplifier/ attenuator) is the heart of any compressor or peak limiter circuit, and there are quite a few different approaches. This is a very simple voltage controlled amplifier (vca) module, using a classic differential amplifier. I tried this out and and it works. :) / theaudiophool this time we're going to use only 1 transistor (bjt). Transistor Vca.
From www.synthrotek.com
Eurorack VCA Transistors and IC Synthrotek Transistor Vca About press copyright contact us creators advertise developers terms privacy policy & safety how. The design comes from yusynth , and i implemented it without significant changes. This is a very simple voltage controlled amplifier (vca) module, using a classic differential amplifier. A vca (voltage controlled amplifier/ attenuator) is the heart of any compressor or peak limiter circuit, and there. Transistor Vca.
From www.flickriver.com
Discrete Transistor VCA a photo on Flickriver Transistor Vca About press copyright contact us creators advertise developers terms privacy policy & safety how. The design comes from yusynth , and i implemented it without significant changes. I tried this out and and it works. This is a very simple voltage controlled amplifier (vca) module, using a classic differential amplifier. :) / theaudiophool this time we're going to use only. Transistor Vca.
From www.reddit.com
Eurorack compatible (+/ 12V) DIY VCA and CEM3340 VCO schematic? r Transistor Vca A vca (voltage controlled amplifier/ attenuator) is the heart of any compressor or peak limiter circuit, and there are quite a few different approaches. The design comes from yusynth , and i implemented it without significant changes. :) / theaudiophool this time we're going to use only 1 transistor (bjt) to make. This is a very simple voltage controlled amplifier. Transistor Vca.
From oshwlab.com
TWIN VCA with LM13700 v1 OSHWLab Transistor Vca :) / theaudiophool this time we're going to use only 1 transistor (bjt) to make. The design comes from yusynth , and i implemented it without significant changes. A vca (voltage controlled amplifier/ attenuator) is the heart of any compressor or peak limiter circuit, and there are quite a few different approaches. This is a very simple voltage controlled amplifier. Transistor Vca.
From experimentalistsanonymous.com
Index of /diy/Schematics/Amplifiers and VCAs Transistor Vca About press copyright contact us creators advertise developers terms privacy policy & safety how. I tried this out and and it works. :) / theaudiophool this time we're going to use only 1 transistor (bjt) to make. The design comes from yusynth , and i implemented it without significant changes. A vca (voltage controlled amplifier/ attenuator) is the heart of. Transistor Vca.
From www.reddit.com
Two questions about a VCA schematic r/synthdiy Transistor Vca The design comes from yusynth , and i implemented it without significant changes. About press copyright contact us creators advertise developers terms privacy policy & safety how. I tried this out and and it works. A vca (voltage controlled amplifier/ attenuator) is the heart of any compressor or peak limiter circuit, and there are quite a few different approaches. :). Transistor Vca.