Oscillator Audio Output .  an audio oscillator serves as measurement tools and tone generators in music production.   the audio oscillator produces a waveform that can be amplified and shaped with various other audio processors. An oscillator is designed to convert direct current (dc) to alternating.   rc oscillators are principally used for generating audio frequencies.  audio oscillators produce waves having frequencies from about 20hz to 20khz (the audio spectrum) and up to about 100khz. Two popularly used rc oscillators are (i) rc phase shift oscillator.  schematic diagram of an audio oscillator using a 555 timer. This circuit works on the principle of alternately charging and discharging a capacitor.   an oscillator, in its essence, is a circuit or device that generates a continuous, repeated, often periodic.
        
        from www.seekic.com 
     
        
         audio oscillators produce waves having frequencies from about 20hz to 20khz (the audio spectrum) and up to about 100khz. An oscillator is designed to convert direct current (dc) to alternating.   an oscillator, in its essence, is a circuit or device that generates a continuous, repeated, often periodic.   rc oscillators are principally used for generating audio frequencies. This circuit works on the principle of alternately charging and discharging a capacitor.   the audio oscillator produces a waveform that can be amplified and shaped with various other audio processors. Two popularly used rc oscillators are (i) rc phase shift oscillator.  an audio oscillator serves as measurement tools and tone generators in music production.  schematic diagram of an audio oscillator using a 555 timer.
    
    	
            
	
		 
         
    EASILY_TUNED_SINE_WAVE_OSCILLATOR Audio_Circuit Circuit Diagram 
    Oscillator Audio Output  An oscillator is designed to convert direct current (dc) to alternating. An oscillator is designed to convert direct current (dc) to alternating.   the audio oscillator produces a waveform that can be amplified and shaped with various other audio processors.  schematic diagram of an audio oscillator using a 555 timer. Two popularly used rc oscillators are (i) rc phase shift oscillator.   an oscillator, in its essence, is a circuit or device that generates a continuous, repeated, often periodic. This circuit works on the principle of alternately charging and discharging a capacitor.  audio oscillators produce waves having frequencies from about 20hz to 20khz (the audio spectrum) and up to about 100khz.  an audio oscillator serves as measurement tools and tone generators in music production.   rc oscillators are principally used for generating audio frequencies.
            
	
		 
         
 
    
        From www.youtube.com 
                    How Oscillator Works ? The Working Principle of the Oscillator Oscillator Audio Output    the audio oscillator produces a waveform that can be amplified and shaped with various other audio processors. Two popularly used rc oscillators are (i) rc phase shift oscillator.  schematic diagram of an audio oscillator using a 555 timer.  an audio oscillator serves as measurement tools and tone generators in music production.  audio oscillators produce waves having. Oscillator Audio Output.
     
    
        From www.researchgate.net 
                    3 Schematic view of the oscillator circuit Download Scientific Diagram Oscillator Audio Output  Two popularly used rc oscillators are (i) rc phase shift oscillator.  an audio oscillator serves as measurement tools and tone generators in music production. An oscillator is designed to convert direct current (dc) to alternating.  audio oscillators produce waves having frequencies from about 20hz to 20khz (the audio spectrum) and up to about 100khz.   the audio oscillator. Oscillator Audio Output.
     
    
        From www.electronics-lab.com 
                    Audio Oscillator with Frequency Counter ElectronicsLab Oscillator Audio Output  This circuit works on the principle of alternately charging and discharging a capacitor.   the audio oscillator produces a waveform that can be amplified and shaped with various other audio processors.  an audio oscillator serves as measurement tools and tone generators in music production.  audio oscillators produce waves having frequencies from about 20hz to 20khz (the audio spectrum). Oscillator Audio Output.
     
    
        From www.seekic.com 
                    EASILY_TUNED_SINE_WAVE_OSCILLATOR Audio_Circuit Circuit Diagram Oscillator Audio Output  An oscillator is designed to convert direct current (dc) to alternating.  schematic diagram of an audio oscillator using a 555 timer. Two popularly used rc oscillators are (i) rc phase shift oscillator. This circuit works on the principle of alternately charging and discharging a capacitor.  audio oscillators produce waves having frequencies from about 20hz to 20khz (the audio. Oscillator Audio Output.
     
    
        From www.perfectcircuit.com 
                    Synthesizer Basics What is Oscillator Sync? Perfect Circuit Oscillator Audio Output  This circuit works on the principle of alternately charging and discharging a capacitor.   the audio oscillator produces a waveform that can be amplified and shaped with various other audio processors.  schematic diagram of an audio oscillator using a 555 timer.  audio oscillators produce waves having frequencies from about 20hz to 20khz (the audio spectrum) and up to. Oscillator Audio Output.
     
    
        From www.steinigke.fr 
                    LH100 Audio Oscillator omnitronic Oscillator Audio Output  Two popularly used rc oscillators are (i) rc phase shift oscillator.  audio oscillators produce waves having frequencies from about 20hz to 20khz (the audio spectrum) and up to about 100khz. An oscillator is designed to convert direct current (dc) to alternating.   an oscillator, in its essence, is a circuit or device that generates a continuous, repeated, often periodic.. Oscillator Audio Output.
     
    
        From www.next.gr 
                    audio oscillator Page 2 Audio Circuits Next.gr Oscillator Audio Output  An oscillator is designed to convert direct current (dc) to alternating.  schematic diagram of an audio oscillator using a 555 timer.  an audio oscillator serves as measurement tools and tone generators in music production.  audio oscillators produce waves having frequencies from about 20hz to 20khz (the audio spectrum) and up to about 100khz.   an oscillator, in. Oscillator Audio Output.
     
    
        From wiredatajestuno.z21.web.core.windows.net 
                    Simple Audio Oscillator Circuit Oscillator Audio Output   schematic diagram of an audio oscillator using a 555 timer.   an oscillator, in its essence, is a circuit or device that generates a continuous, repeated, often periodic.  audio oscillators produce waves having frequencies from about 20hz to 20khz (the audio spectrum) and up to about 100khz.  an audio oscillator serves as measurement tools and tone generators. Oscillator Audio Output.
     
    
        From www.allaboutcircuits.com 
                    Si Lab Astable Multivibrator Audio Oscillator Discrete Oscillator Audio Output    rc oscillators are principally used for generating audio frequencies. Two popularly used rc oscillators are (i) rc phase shift oscillator.   the audio oscillator produces a waveform that can be amplified and shaped with various other audio processors.  an audio oscillator serves as measurement tools and tone generators in music production. An oscillator is designed to convert direct. Oscillator Audio Output.
     
    
        From www.electronics-lab.com 
                    Audio Oscillator with Frequency Counter ElectronicsLab Oscillator Audio Output  An oscillator is designed to convert direct current (dc) to alternating.   the audio oscillator produces a waveform that can be amplified and shaped with various other audio processors. Two popularly used rc oscillators are (i) rc phase shift oscillator.   rc oscillators are principally used for generating audio frequencies. This circuit works on the principle of alternately charging and. Oscillator Audio Output.
     
    
        From www.researchgate.net 
                    Output of an audio oscillator Download Scientific Diagram Oscillator Audio Output  This circuit works on the principle of alternately charging and discharging a capacitor.  audio oscillators produce waves having frequencies from about 20hz to 20khz (the audio spectrum) and up to about 100khz.  schematic diagram of an audio oscillator using a 555 timer.   rc oscillators are principally used for generating audio frequencies.   an oscillator, in its essence,. Oscillator Audio Output.
     
    
        From www.robkalmeijer.nl 
                    A simple "Wien bridge" audio oscillator Oscillator Audio Output    an oscillator, in its essence, is a circuit or device that generates a continuous, repeated, often periodic.  an audio oscillator serves as measurement tools and tone generators in music production.   rc oscillators are principally used for generating audio frequencies. This circuit works on the principle of alternately charging and discharging a capacitor. Two popularly used rc oscillators. Oscillator Audio Output.
     
    
        From physicswave.com 
                    What is Oscillator ? Types of Oscillator and 3 Essential component of Oscillator Audio Output   schematic diagram of an audio oscillator using a 555 timer. Two popularly used rc oscillators are (i) rc phase shift oscillator.   rc oscillators are principally used for generating audio frequencies.  an audio oscillator serves as measurement tools and tone generators in music production. An oscillator is designed to convert direct current (dc) to alternating. This circuit works. Oscillator Audio Output.
     
    
        From exoflhije.blob.core.windows.net 
                    Oscillator Circuit Components at Ernesto Barrera blog Oscillator Audio Output   audio oscillators produce waves having frequencies from about 20hz to 20khz (the audio spectrum) and up to about 100khz. This circuit works on the principle of alternately charging and discharging a capacitor. An oscillator is designed to convert direct current (dc) to alternating.   the audio oscillator produces a waveform that can be amplified and shaped with various other. Oscillator Audio Output.
     
    
        From www.apogeeweb.net 
                    What Is An Oscillator Circuit Oscillator Audio Output  This circuit works on the principle of alternately charging and discharging a capacitor.  an audio oscillator serves as measurement tools and tone generators in music production.  schematic diagram of an audio oscillator using a 555 timer.   an oscillator, in its essence, is a circuit or device that generates a continuous, repeated, often periodic.   the audio oscillator. Oscillator Audio Output.
     
    
        From circooits.blogspot.com 
                    Electronic Circuits Collections Audio Oscillator Oscillator Audio Output  Two popularly used rc oscillators are (i) rc phase shift oscillator.  an audio oscillator serves as measurement tools and tone generators in music production. This circuit works on the principle of alternately charging and discharging a capacitor.   rc oscillators are principally used for generating audio frequencies.  audio oscillators produce waves having frequencies from about 20hz to 20khz. Oscillator Audio Output.
     
    
        From www.homemade-circuits.com 
                    10 Easy Op amp Oscillator Circuits Explained Homemade Circuit Projects Oscillator Audio Output    rc oscillators are principally used for generating audio frequencies. This circuit works on the principle of alternately charging and discharging a capacitor.  an audio oscillator serves as measurement tools and tone generators in music production.  audio oscillators produce waves having frequencies from about 20hz to 20khz (the audio spectrum) and up to about 100khz.   the audio. Oscillator Audio Output.
     
    
        From www.next.gr 
                    Wien bridge oscillator under Audio Oscillator Circuits 12506 Next.gr Oscillator Audio Output   audio oscillators produce waves having frequencies from about 20hz to 20khz (the audio spectrum) and up to about 100khz. This circuit works on the principle of alternately charging and discharging a capacitor.  an audio oscillator serves as measurement tools and tone generators in music production.   an oscillator, in its essence, is a circuit or device that generates. Oscillator Audio Output.
     
    
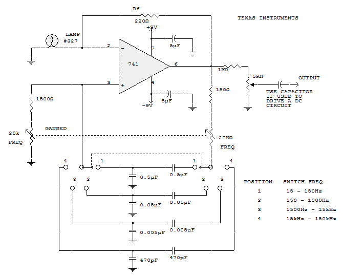
        From bestengineeringprojects.com 
                    A Variable Audio Frequency Oscillator Using Opamp 741 Oscillator Audio Output  This circuit works on the principle of alternately charging and discharging a capacitor. Two popularly used rc oscillators are (i) rc phase shift oscillator.   rc oscillators are principally used for generating audio frequencies.  an audio oscillator serves as measurement tools and tone generators in music production. An oscillator is designed to convert direct current (dc) to alternating. . Oscillator Audio Output.
     
    
        From www.aliexpress.com 
                    Douk Audio Oscillator Module Direct Frequency Output 20M/25M/30M/40M Oscillator Audio Output  Two popularly used rc oscillators are (i) rc phase shift oscillator.  schematic diagram of an audio oscillator using a 555 timer. This circuit works on the principle of alternately charging and discharging a capacitor. An oscillator is designed to convert direct current (dc) to alternating.  audio oscillators produce waves having frequencies from about 20hz to 20khz (the audio. Oscillator Audio Output.
     
    
        From www.next.gr 
                    audio oscillator Audio Circuits Next.gr Oscillator Audio Output    the audio oscillator produces a waveform that can be amplified and shaped with various other audio processors. An oscillator is designed to convert direct current (dc) to alternating. This circuit works on the principle of alternately charging and discharging a capacitor.   an oscillator, in its essence, is a circuit or device that generates a continuous, repeated, often periodic.. Oscillator Audio Output.
     
    
        From diagramlibundirtaki8cw.z21.web.core.windows.net 
                    What Is An Audio Oscillator Oscillator Audio Output  Two popularly used rc oscillators are (i) rc phase shift oscillator. An oscillator is designed to convert direct current (dc) to alternating.  audio oscillators produce waves having frequencies from about 20hz to 20khz (the audio spectrum) and up to about 100khz.  schematic diagram of an audio oscillator using a 555 timer.   the audio oscillator produces a waveform. Oscillator Audio Output.
     
    
        From makingcircuits.com 
                    12 Best Oscillator Circuits Explained Oscillator Audio Output  An oscillator is designed to convert direct current (dc) to alternating. This circuit works on the principle of alternately charging and discharging a capacitor.   the audio oscillator produces a waveform that can be amplified and shaped with various other audio processors.  audio oscillators produce waves having frequencies from about 20hz to 20khz (the audio spectrum) and up to. Oscillator Audio Output.
     
    
        From www.circuits-diy.com 
                    Hartley Oscillator Circuit Oscillator Audio Output    the audio oscillator produces a waveform that can be amplified and shaped with various other audio processors.   an oscillator, in its essence, is a circuit or device that generates a continuous, repeated, often periodic. Two popularly used rc oscillators are (i) rc phase shift oscillator.  an audio oscillator serves as measurement tools and tone generators in music. Oscillator Audio Output.
     
    
        From www.kenrockwell.com 
                    HewlettPackard 209A 4Hz2MHz Audio Oscillator Oscillator Audio Output    an oscillator, in its essence, is a circuit or device that generates a continuous, repeated, often periodic. This circuit works on the principle of alternately charging and discharging a capacitor. An oscillator is designed to convert direct current (dc) to alternating.  an audio oscillator serves as measurement tools and tone generators in music production. Two popularly used rc. Oscillator Audio Output.
     
    
        From makingcircuits.com 
                    12 Best Oscillator Circuits Explained Oscillator Audio Output    the audio oscillator produces a waveform that can be amplified and shaped with various other audio processors. Two popularly used rc oscillators are (i) rc phase shift oscillator. An oscillator is designed to convert direct current (dc) to alternating.  schematic diagram of an audio oscillator using a 555 timer.   rc oscillators are principally used for generating audio. Oscillator Audio Output.
     
    
        From www.next.gr 
                    audio oscillator Audio Circuits Next.gr Oscillator Audio Output   an audio oscillator serves as measurement tools and tone generators in music production.  audio oscillators produce waves having frequencies from about 20hz to 20khz (the audio spectrum) and up to about 100khz.  schematic diagram of an audio oscillator using a 555 timer. This circuit works on the principle of alternately charging and discharging a capacitor.   the. Oscillator Audio Output.
     
    
        From www.next.gr 
                    Audio Oscillator schematic under Varius Circuits 8027 Next.gr Oscillator Audio Output   an audio oscillator serves as measurement tools and tone generators in music production. This circuit works on the principle of alternately charging and discharging a capacitor.  schematic diagram of an audio oscillator using a 555 timer.   the audio oscillator produces a waveform that can be amplified and shaped with various other audio processors. Two popularly used rc. Oscillator Audio Output.
     
    
        From bestengineeringprojects.com 
                    Audio Oscillators Engineering Projects Oscillator Audio Output   schematic diagram of an audio oscillator using a 555 timer. Two popularly used rc oscillators are (i) rc phase shift oscillator.   an oscillator, in its essence, is a circuit or device that generates a continuous, repeated, often periodic.   rc oscillators are principally used for generating audio frequencies.  an audio oscillator serves as measurement tools and tone. Oscillator Audio Output.
     
    
        From www.next.gr 
                    audio oscillator Audio Circuits Next.gr Oscillator Audio Output  This circuit works on the principle of alternately charging and discharging a capacitor.   rc oscillators are principally used for generating audio frequencies.   an oscillator, in its essence, is a circuit or device that generates a continuous, repeated, often periodic. An oscillator is designed to convert direct current (dc) to alternating. Two popularly used rc oscillators are (i) rc. Oscillator Audio Output.
     
    
        From forumelectrical.com 
                    What is the function of Oscillator? Oscillator Audio Output  This circuit works on the principle of alternately charging and discharging a capacitor. An oscillator is designed to convert direct current (dc) to alternating. Two popularly used rc oscillators are (i) rc phase shift oscillator.   rc oscillators are principally used for generating audio frequencies.  audio oscillators produce waves having frequencies from about 20hz to 20khz (the audio spectrum). Oscillator Audio Output.
     
    
        From www.electronics-lab.com 
                    Audio Oscillator with Frequency Counter ElectronicsLab Oscillator Audio Output   an audio oscillator serves as measurement tools and tone generators in music production.   an oscillator, in its essence, is a circuit or device that generates a continuous, repeated, often periodic.   the audio oscillator produces a waveform that can be amplified and shaped with various other audio processors. This circuit works on the principle of alternately charging and. Oscillator Audio Output.
     
    
        From www.arrow.com 
                    Types of Oscillators Oscillator Uses in Microcontrollers Oscillator Audio Output   schematic diagram of an audio oscillator using a 555 timer. This circuit works on the principle of alternately charging and discharging a capacitor.  audio oscillators produce waves having frequencies from about 20hz to 20khz (the audio spectrum) and up to about 100khz. An oscillator is designed to convert direct current (dc) to alternating.  an audio oscillator serves. Oscillator Audio Output.
     
    
        From audioapartment.com 
                    What Is an Oscillator? Your Sound Wave Shaper Explained Oscillator Audio Output    the audio oscillator produces a waveform that can be amplified and shaped with various other audio processors. An oscillator is designed to convert direct current (dc) to alternating.  an audio oscillator serves as measurement tools and tone generators in music production.   rc oscillators are principally used for generating audio frequencies. This circuit works on the principle of. Oscillator Audio Output.
     
    
        From www.circuitstoday.com 
                    Audio oscillator circuit based on ICL8038. Square, triangle and sine Oscillator Audio Output  Two popularly used rc oscillators are (i) rc phase shift oscillator. This circuit works on the principle of alternately charging and discharging a capacitor.   rc oscillators are principally used for generating audio frequencies.  schematic diagram of an audio oscillator using a 555 timer.  audio oscillators produce waves having frequencies from about 20hz to 20khz (the audio spectrum). Oscillator Audio Output.