Active Gps Antenna Voltage . I want to hook it up to my gps modules, which is a ublox m8n. Passive gps antennas can be either active or passive. An active antenna has an amplification stage,. It depends on the specifications of the specific antenna you are using. Active antennas need a power supply that will contribute to gps system power consumption, typically in the order of 3 to 20 ma. I'm designing a gnss receiver that i'd like to be compatible with a variety of different active antennas. I have a 5v active gps antenna, and want to try using it on a device with a 3.3v bias provided. Figure 1 shows a typical. I have two types of modules, one has a hirose u.fl connector for which i have a u.fl to sma adapter. It is important to ensure that the. The voltage for an active gps antenna typically ranges from 3.3v to 5v.
from wiringdiagram.2bitboer.com
Figure 1 shows a typical. It is important to ensure that the. I want to hook it up to my gps modules, which is a ublox m8n. An active antenna has an amplification stage,. It depends on the specifications of the specific antenna you are using. Active antennas need a power supply that will contribute to gps system power consumption, typically in the order of 3 to 20 ma. I have a 5v active gps antenna, and want to try using it on a device with a 3.3v bias provided. I have two types of modules, one has a hirose u.fl connector for which i have a u.fl to sma adapter. I'm designing a gnss receiver that i'd like to be compatible with a variety of different active antennas. Passive gps antennas can be either active or passive.
Raymarine Gps Antenna Wiring Diagram Wiring Diagram
Active Gps Antenna Voltage Figure 1 shows a typical. It is important to ensure that the. An active antenna has an amplification stage,. Figure 1 shows a typical. Passive gps antennas can be either active or passive. I'm designing a gnss receiver that i'd like to be compatible with a variety of different active antennas. I have two types of modules, one has a hirose u.fl connector for which i have a u.fl to sma adapter. I want to hook it up to my gps modules, which is a ublox m8n. It depends on the specifications of the specific antenna you are using. Active antennas need a power supply that will contribute to gps system power consumption, typically in the order of 3 to 20 ma. I have a 5v active gps antenna, and want to try using it on a device with a 3.3v bias provided. The voltage for an active gps antenna typically ranges from 3.3v to 5v.
From www.instockwireless.com
GPS250 2 Way, BNC, GPS Antenna Signal Splitter INSTOCK Wireless Active Gps Antenna Voltage I'm designing a gnss receiver that i'd like to be compatible with a variety of different active antennas. Figure 1 shows a typical. I have a 5v active gps antenna, and want to try using it on a device with a 3.3v bias provided. I have two types of modules, one has a hirose u.fl connector for which i have. Active Gps Antenna Voltage.
From amixpress.com
Privilegio sbloccare falco gps active antenna circuit Ho una lezione di Active Gps Antenna Voltage I'm designing a gnss receiver that i'd like to be compatible with a variety of different active antennas. I have a 5v active gps antenna, and want to try using it on a device with a 3.3v bias provided. Figure 1 shows a typical. It depends on the specifications of the specific antenna you are using. I want to hook. Active Gps Antenna Voltage.
From www.slideserve.com
PPT NomiGPSTFS Time & Frequency Standard PowerPoint Presentation Active Gps Antenna Voltage I'm designing a gnss receiver that i'd like to be compatible with a variety of different active antennas. It is important to ensure that the. An active antenna has an amplification stage,. It depends on the specifications of the specific antenna you are using. I have a 5v active gps antenna, and want to try using it on a device. Active Gps Antenna Voltage.
From www.e-education.psu.edu
The Antenna GEOG 862 GPS and GNSS for Geospatial Professionals Active Gps Antenna Voltage I have a 5v active gps antenna, and want to try using it on a device with a 3.3v bias provided. Active antennas need a power supply that will contribute to gps system power consumption, typically in the order of 3 to 20 ma. It is important to ensure that the. Passive gps antennas can be either active or passive.. Active Gps Antenna Voltage.
From www.aliexpress.com
Superbat 1575.42MHZ Booster GPS Aerial External Active Antenna SMA Male Active Gps Antenna Voltage It depends on the specifications of the specific antenna you are using. I have a 5v active gps antenna, and want to try using it on a device with a 3.3v bias provided. An active antenna has an amplification stage,. I want to hook it up to my gps modules, which is a ublox m8n. Passive gps antennas can be. Active Gps Antenna Voltage.
From wiringall.com
Lowrance Gps Antenna Wiring Diagram Active Gps Antenna Voltage It is important to ensure that the. An active antenna has an amplification stage,. The voltage for an active gps antenna typically ranges from 3.3v to 5v. I'm designing a gnss receiver that i'd like to be compatible with a variety of different active antennas. Passive gps antennas can be either active or passive. Active antennas need a power supply. Active Gps Antenna Voltage.
From www.researchgate.net
The measured voltage from the antenna compared with the integrated Active Gps Antenna Voltage I have a 5v active gps antenna, and want to try using it on a device with a 3.3v bias provided. An active antenna has an amplification stage,. I have two types of modules, one has a hirose u.fl connector for which i have a u.fl to sma adapter. Active antennas need a power supply that will contribute to gps. Active Gps Antenna Voltage.
From www.next.gr
active antenna circuit Antenna Circuits RF Circuits Next.gr Active Gps Antenna Voltage I have two types of modules, one has a hirose u.fl connector for which i have a u.fl to sma adapter. It depends on the specifications of the specific antenna you are using. Figure 1 shows a typical. I want to hook it up to my gps modules, which is a ublox m8n. The voltage for an active gps antenna. Active Gps Antenna Voltage.
From www.aliexpress.com
Superbat 1575.42M GPS Booster Aerial Active Antenna 50ohm with FME Active Gps Antenna Voltage It depends on the specifications of the specific antenna you are using. Figure 1 shows a typical. The voltage for an active gps antenna typically ranges from 3.3v to 5v. Active antennas need a power supply that will contribute to gps system power consumption, typically in the order of 3 to 20 ma. I have two types of modules, one. Active Gps Antenna Voltage.
From www.next.gr
active antenna circuit Antenna Circuits RF Circuits Next.gr Active Gps Antenna Voltage Passive gps antennas can be either active or passive. I want to hook it up to my gps modules, which is a ublox m8n. I have a 5v active gps antenna, and want to try using it on a device with a 3.3v bias provided. An active antenna has an amplification stage,. I have two types of modules, one has. Active Gps Antenna Voltage.
From www.slideserve.com
PPT NomiGPSTFS Time & Frequency Standard PowerPoint Presentation Active Gps Antenna Voltage I have a 5v active gps antenna, and want to try using it on a device with a 3.3v bias provided. It depends on the specifications of the specific antenna you are using. Passive gps antennas can be either active or passive. I have two types of modules, one has a hirose u.fl connector for which i have a u.fl. Active Gps Antenna Voltage.
From asos769f.blogspot.com
[View 30+] High Gain Active Gps Antenna Active Gps Antenna Voltage An active antenna has an amplification stage,. I have a 5v active gps antenna, and want to try using it on a device with a 3.3v bias provided. Passive gps antennas can be either active or passive. The voltage for an active gps antenna typically ranges from 3.3v to 5v. I have two types of modules, one has a hirose. Active Gps Antenna Voltage.
From www.aliexpress.com
GPS active antenna GPS antenna SMA interface Two stage amplification Active Gps Antenna Voltage Active antennas need a power supply that will contribute to gps system power consumption, typically in the order of 3 to 20 ma. Figure 1 shows a typical. The voltage for an active gps antenna typically ranges from 3.3v to 5v. It depends on the specifications of the specific antenna you are using. An active antenna has an amplification stage,.. Active Gps Antenna Voltage.
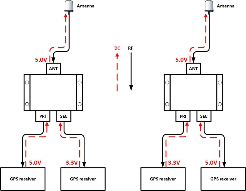
From www.gps-repeaters.com
GNSS/GPS splitter connect two GPS receivers to one antenna Active Gps Antenna Voltage I have a 5v active gps antenna, and want to try using it on a device with a 3.3v bias provided. Active antennas need a power supply that will contribute to gps system power consumption, typically in the order of 3 to 20 ma. The voltage for an active gps antenna typically ranges from 3.3v to 5v. It depends on. Active Gps Antenna Voltage.
From www.eleccircuit.com
Simple Active antenna in SW/MW/FM bands ElecCircuit Active Gps Antenna Voltage I'm designing a gnss receiver that i'd like to be compatible with a variety of different active antennas. I want to hook it up to my gps modules, which is a ublox m8n. An active antenna has an amplification stage,. Active antennas need a power supply that will contribute to gps system power consumption, typically in the order of 3. Active Gps Antenna Voltage.
From www.e-education.psu.edu
The Antenna GEOG 862 GPS and GNSS for Geospatial Professionals Active Gps Antenna Voltage Figure 1 shows a typical. I'm designing a gnss receiver that i'd like to be compatible with a variety of different active antennas. I want to hook it up to my gps modules, which is a ublox m8n. Active antennas need a power supply that will contribute to gps system power consumption, typically in the order of 3 to 20. Active Gps Antenna Voltage.
From eteily.com
GPS/GLONASS/BeiDou Active Patch Antenna Active Gps Antenna Voltage I have a 5v active gps antenna, and want to try using it on a device with a 3.3v bias provided. I have two types of modules, one has a hirose u.fl connector for which i have a u.fl to sma adapter. Active antennas need a power supply that will contribute to gps system power consumption, typically in the order. Active Gps Antenna Voltage.
From elecdiary.com
Active GPS Antenna Voltage (Importance and Functionality!) Active Gps Antenna Voltage I have two types of modules, one has a hirose u.fl connector for which i have a u.fl to sma adapter. An active antenna has an amplification stage,. Active antennas need a power supply that will contribute to gps system power consumption, typically in the order of 3 to 20 ma. Passive gps antennas can be either active or passive.. Active Gps Antenna Voltage.
From www.etechnog.com
How Antenna Works (Transmit or Receive Signal)? Learn with Diagram Active Gps Antenna Voltage I want to hook it up to my gps modules, which is a ublox m8n. I have a 5v active gps antenna, and want to try using it on a device with a 3.3v bias provided. It depends on the specifications of the specific antenna you are using. It is important to ensure that the. I'm designing a gnss receiver. Active Gps Antenna Voltage.
From www.aliexpress.com
marineshipGPSreceiverantennamoduleNMEA0183baudrate4800DIY Active Gps Antenna Voltage Active antennas need a power supply that will contribute to gps system power consumption, typically in the order of 3 to 20 ma. I'm designing a gnss receiver that i'd like to be compatible with a variety of different active antennas. Figure 1 shows a typical. I want to hook it up to my gps modules, which is a ublox. Active Gps Antenna Voltage.
From www.aliexpress.com
Waterproof Gps Active Antenna 28db Lna Gain,low Noise Amplifier,smajw Active Gps Antenna Voltage An active antenna has an amplification stage,. The voltage for an active gps antenna typically ranges from 3.3v to 5v. I have a 5v active gps antenna, and want to try using it on a device with a 3.3v bias provided. Active antennas need a power supply that will contribute to gps system power consumption, typically in the order of. Active Gps Antenna Voltage.
From www.aliexpress.com
DIYCustomConnectorsVoltage1224VRS232ProtocolsIndustrial Active Gps Antenna Voltage An active antenna has an amplification stage,. Active antennas need a power supply that will contribute to gps system power consumption, typically in the order of 3 to 20 ma. Passive gps antennas can be either active or passive. I have a 5v active gps antenna, and want to try using it on a device with a 3.3v bias provided.. Active Gps Antenna Voltage.
From wiringdiagram.2bitboer.com
Raymarine Gps Antenna Wiring Diagram Wiring Diagram Active Gps Antenna Voltage It is important to ensure that the. Figure 1 shows a typical. The voltage for an active gps antenna typically ranges from 3.3v to 5v. I have two types of modules, one has a hirose u.fl connector for which i have a u.fl to sma adapter. Passive gps antennas can be either active or passive. I have a 5v active. Active Gps Antenna Voltage.
From www.naval.com
PR12 Active Antenna Power Supply Active Gps Antenna Voltage I have a 5v active gps antenna, and want to try using it on a device with a 3.3v bias provided. I want to hook it up to my gps modules, which is a ublox m8n. It is important to ensure that the. It depends on the specifications of the specific antenna you are using. I'm designing a gnss receiver. Active Gps Antenna Voltage.
From itecnotes.com
Electronic How to tune GPS Antenna with a PI circuit and spectrum Active Gps Antenna Voltage Active antennas need a power supply that will contribute to gps system power consumption, typically in the order of 3 to 20 ma. It is important to ensure that the. Passive gps antennas can be either active or passive. An active antenna has an amplification stage,. I want to hook it up to my gps modules, which is a ublox. Active Gps Antenna Voltage.
From www.aliexpress.com
GPS Antenna with High Gain Satellite Receiving, 10MHz Bandwidth and 3 Active Gps Antenna Voltage I want to hook it up to my gps modules, which is a ublox m8n. I have two types of modules, one has a hirose u.fl connector for which i have a u.fl to sma adapter. I'm designing a gnss receiver that i'd like to be compatible with a variety of different active antennas. Active antennas need a power supply. Active Gps Antenna Voltage.
From elecdiary.com
Active GPS Antenna Voltage (Importance and Functionality!) Active Gps Antenna Voltage It is important to ensure that the. Figure 1 shows a typical. The voltage for an active gps antenna typically ranges from 3.3v to 5v. I have a 5v active gps antenna, and want to try using it on a device with a 3.3v bias provided. I want to hook it up to my gps modules, which is a ublox. Active Gps Antenna Voltage.
From www.rfglobalnet.com
GPS Active Antenna Splitter 1X8 Active Gps Antenna Voltage An active antenna has an amplification stage,. I want to hook it up to my gps modules, which is a ublox m8n. Passive gps antennas can be either active or passive. It is important to ensure that the. I have two types of modules, one has a hirose u.fl connector for which i have a u.fl to sma adapter. Figure. Active Gps Antenna Voltage.
From www.aliexpress.com
Gps Active Ceramic Antenna 37*37*5mm 1575.42mhz Positioning Antenna Gps Active Gps Antenna Voltage Active antennas need a power supply that will contribute to gps system power consumption, typically in the order of 3 to 20 ma. I have a 5v active gps antenna, and want to try using it on a device with a 3.3v bias provided. I have two types of modules, one has a hirose u.fl connector for which i have. Active Gps Antenna Voltage.
From goomarine.com
Marine GPS Antenna NMEA0183 with output RS232 or RS422, voltage 12/24V Active Gps Antenna Voltage I have two types of modules, one has a hirose u.fl connector for which i have a u.fl to sma adapter. It depends on the specifications of the specific antenna you are using. Passive gps antennas can be either active or passive. It is important to ensure that the. Active antennas need a power supply that will contribute to gps. Active Gps Antenna Voltage.
From www.topgnss.store
marine ship GPS receiver antenna module NMEA 0183 baud rate 4800 DIY c Active Gps Antenna Voltage An active antenna has an amplification stage,. I'm designing a gnss receiver that i'd like to be compatible with a variety of different active antennas. Active antennas need a power supply that will contribute to gps system power consumption, typically in the order of 3 to 20 ma. It depends on the specifications of the specific antenna you are using.. Active Gps Antenna Voltage.
From digitalelectronics.lk
NEO6M GPS Module with Active Antenna Digitalelectronics Active Gps Antenna Voltage The voltage for an active gps antenna typically ranges from 3.3v to 5v. I have two types of modules, one has a hirose u.fl connector for which i have a u.fl to sma adapter. I want to hook it up to my gps modules, which is a ublox m8n. Passive gps antennas can be either active or passive. I have. Active Gps Antenna Voltage.
From www.aliexpress.com
1PC Combined Antenna Small Round Type GPS Active+4G Aerial With Nut Active Gps Antenna Voltage An active antenna has an amplification stage,. I'm designing a gnss receiver that i'd like to be compatible with a variety of different active antennas. I want to hook it up to my gps modules, which is a ublox m8n. The voltage for an active gps antenna typically ranges from 3.3v to 5v. Active antennas need a power supply that. Active Gps Antenna Voltage.
From www.next.gr
active antenna circuit Antenna Circuits RF Circuits Next.gr Active Gps Antenna Voltage An active antenna has an amplification stage,. The voltage for an active gps antenna typically ranges from 3.3v to 5v. It depends on the specifications of the specific antenna you are using. I want to hook it up to my gps modules, which is a ublox m8n. Figure 1 shows a typical. It is important to ensure that the. I. Active Gps Antenna Voltage.
From wiringdiagram.2bitboer.com
garmin gps antenna wiring diagram Wiring Diagram Active Gps Antenna Voltage Passive gps antennas can be either active or passive. Active antennas need a power supply that will contribute to gps system power consumption, typically in the order of 3 to 20 ma. I have two types of modules, one has a hirose u.fl connector for which i have a u.fl to sma adapter. An active antenna has an amplification stage,.. Active Gps Antenna Voltage.