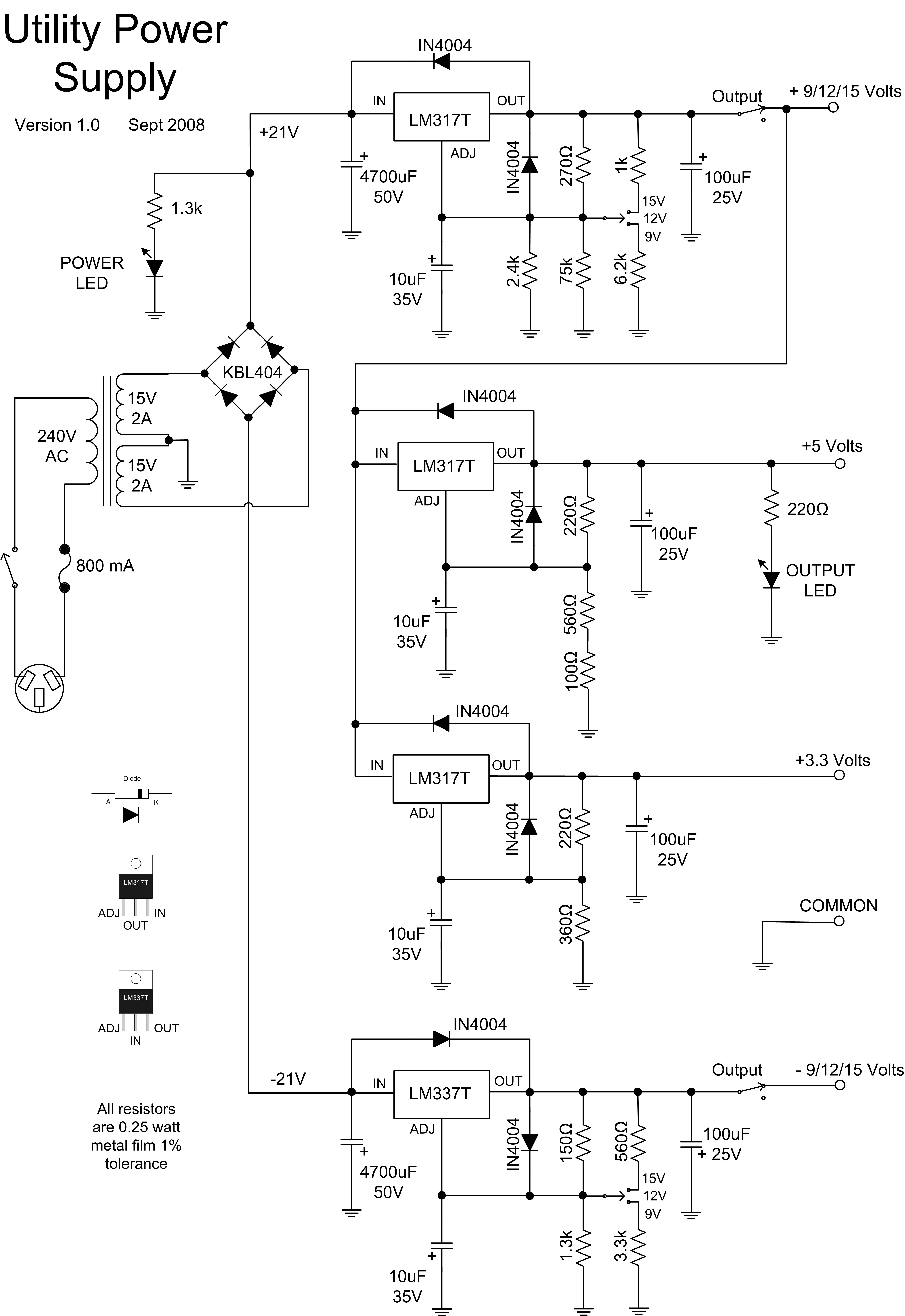
Utility Power Supply Schematic . A power supply schematic is a diagram that represents the circuitry and components of a power supply system. Check the accuracy of the circuit’s construction, following each wire. Schematic this schematic is also available from the download section at the end of this page. What is a power supply circuit? It provides an overview of how the. A power supply basically takes the power input from a power source and converts it into a suitable current and voltage for the electrical load; The two diodes around each regulator are there to protect the regulator. By definition, a switch mode power supply (smps) is a type of power supply that uses semiconductor switching techniques, rather than standard linear methods to provide the required output voltage. In this post i have explained how to design and build a simple power supply circuit right from the basic design to the reasonably. Draw the schematic diagram for the circuit to be analyzed. Carefully build this circuit on a breadboard or other convenient medium. The circuit is reasonably conventional. The basic power supply schematic is a simple yet crucial circuit that transforms and regulates input voltage to deliver a stable and consistent output.
from mungfali.com
What is a power supply circuit? Check the accuracy of the circuit’s construction, following each wire. Draw the schematic diagram for the circuit to be analyzed. Carefully build this circuit on a breadboard or other convenient medium. By definition, a switch mode power supply (smps) is a type of power supply that uses semiconductor switching techniques, rather than standard linear methods to provide the required output voltage. The two diodes around each regulator are there to protect the regulator. In this post i have explained how to design and build a simple power supply circuit right from the basic design to the reasonably. A power supply basically takes the power input from a power source and converts it into a suitable current and voltage for the electrical load; It provides an overview of how the. The circuit is reasonably conventional.
Electricity Supply System
Utility Power Supply Schematic The basic power supply schematic is a simple yet crucial circuit that transforms and regulates input voltage to deliver a stable and consistent output. It provides an overview of how the. The basic power supply schematic is a simple yet crucial circuit that transforms and regulates input voltage to deliver a stable and consistent output. What is a power supply circuit? A power supply schematic is a diagram that represents the circuitry and components of a power supply system. Check the accuracy of the circuit’s construction, following each wire. In this post i have explained how to design and build a simple power supply circuit right from the basic design to the reasonably. Schematic this schematic is also available from the download section at the end of this page. A power supply basically takes the power input from a power source and converts it into a suitable current and voltage for the electrical load; By definition, a switch mode power supply (smps) is a type of power supply that uses semiconductor switching techniques, rather than standard linear methods to provide the required output voltage. Draw the schematic diagram for the circuit to be analyzed. The two diodes around each regulator are there to protect the regulator. Carefully build this circuit on a breadboard or other convenient medium. The circuit is reasonably conventional.
From www.pinterest.com
Electricity supply Electricity, Power station, Power grid Utility Power Supply Schematic What is a power supply circuit? A power supply schematic is a diagram that represents the circuitry and components of a power supply system. The two diodes around each regulator are there to protect the regulator. Draw the schematic diagram for the circuit to be analyzed. The circuit is reasonably conventional. It provides an overview of how the. A power. Utility Power Supply Schematic.
From www.factomart.com.sg
Chapter 1 Overview of The Power Distribution System Complete Guide Utility Power Supply Schematic It provides an overview of how the. The basic power supply schematic is a simple yet crucial circuit that transforms and regulates input voltage to deliver a stable and consistent output. A power supply basically takes the power input from a power source and converts it into a suitable current and voltage for the electrical load; Schematic this schematic is. Utility Power Supply Schematic.
From www.nutsvolts.com
A SemiconductorBased High Voltage Utility Power Supply Nuts & Volts Utility Power Supply Schematic Check the accuracy of the circuit’s construction, following each wire. What is a power supply circuit? The basic power supply schematic is a simple yet crucial circuit that transforms and regulates input voltage to deliver a stable and consistent output. By definition, a switch mode power supply (smps) is a type of power supply that uses semiconductor switching techniques, rather. Utility Power Supply Schematic.
From electricala2z.com
Electric Power Distribution System Basics Electrical A2Z Utility Power Supply Schematic The two diodes around each regulator are there to protect the regulator. Carefully build this circuit on a breadboard or other convenient medium. A power supply basically takes the power input from a power source and converts it into a suitable current and voltage for the electrical load; In this post i have explained how to design and build a. Utility Power Supply Schematic.
From www.robkalmeijer.nl
A utility power supply made from an old TV set Utility Power Supply Schematic Carefully build this circuit on a breadboard or other convenient medium. Schematic this schematic is also available from the download section at the end of this page. In this post i have explained how to design and build a simple power supply circuit right from the basic design to the reasonably. By definition, a switch mode power supply (smps) is. Utility Power Supply Schematic.
From www.electricaltechnology.org
Typical AC Power Supply system scheme and Elements of Distribution System Utility Power Supply Schematic The circuit is reasonably conventional. A power supply basically takes the power input from a power source and converts it into a suitable current and voltage for the electrical load; Draw the schematic diagram for the circuit to be analyzed. In this post i have explained how to design and build a simple power supply circuit right from the basic. Utility Power Supply Schematic.
From www.factomart.com.sg
Chapter 1 Overview of The Power Distribution System Complete Guide Utility Power Supply Schematic It provides an overview of how the. Draw the schematic diagram for the circuit to be analyzed. Carefully build this circuit on a breadboard or other convenient medium. A power supply basically takes the power input from a power source and converts it into a suitable current and voltage for the electrical load; A power supply schematic is a diagram. Utility Power Supply Schematic.
From toshiba.semicon-storage.com
Power supply ON/OFF control and reverse connection protection circuit Utility Power Supply Schematic Check the accuracy of the circuit’s construction, following each wire. A power supply schematic is a diagram that represents the circuitry and components of a power supply system. A power supply basically takes the power input from a power source and converts it into a suitable current and voltage for the electrical load; Carefully build this circuit on a breadboard. Utility Power Supply Schematic.
From schematicnadglasa25.z14.web.core.windows.net
High Voltage Power Supply Circuit Diagrams Utility Power Supply Schematic By definition, a switch mode power supply (smps) is a type of power supply that uses semiconductor switching techniques, rather than standard linear methods to provide the required output voltage. The two diodes around each regulator are there to protect the regulator. Schematic this schematic is also available from the download section at the end of this page. In this. Utility Power Supply Schematic.
From electrical-engineering-portal.com
4 typical designs for connecting generator set(s) to the low voltage Utility Power Supply Schematic In this post i have explained how to design and build a simple power supply circuit right from the basic design to the reasonably. By definition, a switch mode power supply (smps) is a type of power supply that uses semiconductor switching techniques, rather than standard linear methods to provide the required output voltage. A power supply schematic is a. Utility Power Supply Schematic.
From electricala2z.com
Single & Three Phase Transformer Connections Electrical A2Z Utility Power Supply Schematic The two diodes around each regulator are there to protect the regulator. Check the accuracy of the circuit’s construction, following each wire. It provides an overview of how the. What is a power supply circuit? The circuit is reasonably conventional. Draw the schematic diagram for the circuit to be analyzed. A power supply basically takes the power input from a. Utility Power Supply Schematic.
From www.scientechworld.com
Learn the Basics of Home Electrical System Scientech Blog Utility Power Supply Schematic Draw the schematic diagram for the circuit to be analyzed. The circuit is reasonably conventional. In this post i have explained how to design and build a simple power supply circuit right from the basic design to the reasonably. The basic power supply schematic is a simple yet crucial circuit that transforms and regulates input voltage to deliver a stable. Utility Power Supply Schematic.
From www.youtube.com
AC Power Supply System Electrical Power Transmission And Distribution Utility Power Supply Schematic By definition, a switch mode power supply (smps) is a type of power supply that uses semiconductor switching techniques, rather than standard linear methods to provide the required output voltage. A power supply basically takes the power input from a power source and converts it into a suitable current and voltage for the electrical load; It provides an overview of. Utility Power Supply Schematic.
From mungfali.com
Electricity Supply System Utility Power Supply Schematic A power supply basically takes the power input from a power source and converts it into a suitable current and voltage for the electrical load; The circuit is reasonably conventional. Carefully build this circuit on a breadboard or other convenient medium. Draw the schematic diagram for the circuit to be analyzed. Schematic this schematic is also available from the download. Utility Power Supply Schematic.
From www.caretxdigital.com
electrical power distribution system diagram Wiring Diagram and Utility Power Supply Schematic A power supply schematic is a diagram that represents the circuitry and components of a power supply system. The basic power supply schematic is a simple yet crucial circuit that transforms and regulates input voltage to deliver a stable and consistent output. A power supply basically takes the power input from a power source and converts it into a suitable. Utility Power Supply Schematic.
From electrical-engineering-portal.com
The Structure of Electric Power Systems (Generation, Distribution and Utility Power Supply Schematic In this post i have explained how to design and build a simple power supply circuit right from the basic design to the reasonably. Check the accuracy of the circuit’s construction, following each wire. What is a power supply circuit? Schematic this schematic is also available from the download section at the end of this page. Draw the schematic diagram. Utility Power Supply Schematic.
From www.next.gr
power supply Page 17 Power Supply Circuits Next.gr Utility Power Supply Schematic What is a power supply circuit? Schematic this schematic is also available from the download section at the end of this page. Check the accuracy of the circuit’s construction, following each wire. Carefully build this circuit on a breadboard or other convenient medium. The basic power supply schematic is a simple yet crucial circuit that transforms and regulates input voltage. Utility Power Supply Schematic.
From www.instituteforenergyresearch.org
Electricity Distribution IER Utility Power Supply Schematic What is a power supply circuit? The two diodes around each regulator are there to protect the regulator. Schematic this schematic is also available from the download section at the end of this page. By definition, a switch mode power supply (smps) is a type of power supply that uses semiconductor switching techniques, rather than standard linear methods to provide. Utility Power Supply Schematic.
From www.electricaltechnology.org
How to Connect Automatic UPS / Inverter to the Home Supply System? Utility Power Supply Schematic Carefully build this circuit on a breadboard or other convenient medium. The two diodes around each regulator are there to protect the regulator. Schematic this schematic is also available from the download section at the end of this page. What is a power supply circuit? A power supply schematic is a diagram that represents the circuitry and components of a. Utility Power Supply Schematic.
From voltaconsolar.com
Three diagrams with photovoltaics and energy storage Hybrid, Off Grid Utility Power Supply Schematic In this post i have explained how to design and build a simple power supply circuit right from the basic design to the reasonably. By definition, a switch mode power supply (smps) is a type of power supply that uses semiconductor switching techniques, rather than standard linear methods to provide the required output voltage. The two diodes around each regulator. Utility Power Supply Schematic.
From www.eleccircuit.com
030V Variable Power Supply circuit Diagram at 3A Utility Power Supply Schematic It provides an overview of how the. The circuit is reasonably conventional. Check the accuracy of the circuit’s construction, following each wire. A power supply basically takes the power input from a power source and converts it into a suitable current and voltage for the electrical load; The basic power supply schematic is a simple yet crucial circuit that transforms. Utility Power Supply Schematic.
From diagramfixvalencia.z21.web.core.windows.net
Domestic Power Circuit Diagram Utility Power Supply Schematic A power supply schematic is a diagram that represents the circuitry and components of a power supply system. By definition, a switch mode power supply (smps) is a type of power supply that uses semiconductor switching techniques, rather than standard linear methods to provide the required output voltage. The circuit is reasonably conventional. What is a power supply circuit? In. Utility Power Supply Schematic.
From electrical-engineering-portal.com
Power Distribution Network Explained To Electrical Engineers Utility Power Supply Schematic The circuit is reasonably conventional. A power supply basically takes the power input from a power source and converts it into a suitable current and voltage for the electrical load; A power supply schematic is a diagram that represents the circuitry and components of a power supply system. The basic power supply schematic is a simple yet crucial circuit that. Utility Power Supply Schematic.
From www.nutsvolts.com
A SemiconductorBased High Voltage Utility Power Supply Nuts & Volts Utility Power Supply Schematic The circuit is reasonably conventional. Carefully build this circuit on a breadboard or other convenient medium. What is a power supply circuit? The basic power supply schematic is a simple yet crucial circuit that transforms and regulates input voltage to deliver a stable and consistent output. Check the accuracy of the circuit’s construction, following each wire. Schematic this schematic is. Utility Power Supply Schematic.
From powerquality.blog
Critical Electrical Loads How to Supply and the Use of UPS Units Utility Power Supply Schematic A power supply basically takes the power input from a power source and converts it into a suitable current and voltage for the electrical load; In this post i have explained how to design and build a simple power supply circuit right from the basic design to the reasonably. Draw the schematic diagram for the circuit to be analyzed. What. Utility Power Supply Schematic.
From geoffg.net
Geoff's Projects Utility Power Supply Utility Power Supply Schematic The two diodes around each regulator are there to protect the regulator. In this post i have explained how to design and build a simple power supply circuit right from the basic design to the reasonably. The basic power supply schematic is a simple yet crucial circuit that transforms and regulates input voltage to deliver a stable and consistent output.. Utility Power Supply Schematic.
From www.nutsvolts.com
A SemiconductorBased High Voltage Utility Power Supply Nuts & Volts Utility Power Supply Schematic In this post i have explained how to design and build a simple power supply circuit right from the basic design to the reasonably. A power supply basically takes the power input from a power source and converts it into a suitable current and voltage for the electrical load; The basic power supply schematic is a simple yet crucial circuit. Utility Power Supply Schematic.
From www.pinterest.com.au
Electricityfromplanttodistributiontransformertobusiness.jpg Utility Power Supply Schematic Schematic this schematic is also available from the download section at the end of this page. A power supply schematic is a diagram that represents the circuitry and components of a power supply system. What is a power supply circuit? It provides an overview of how the. In this post i have explained how to design and build a simple. Utility Power Supply Schematic.
From www.electricaltechnology.org
Electric Power System Generation, Transmission & Distribution of Utility Power Supply Schematic Check the accuracy of the circuit’s construction, following each wire. The basic power supply schematic is a simple yet crucial circuit that transforms and regulates input voltage to deliver a stable and consistent output. Draw the schematic diagram for the circuit to be analyzed. It provides an overview of how the. The circuit is reasonably conventional. In this post i. Utility Power Supply Schematic.
From schematicabogadongwm.z21.web.core.windows.net
Residential Electric Meter Wiring Utility Power Supply Schematic In this post i have explained how to design and build a simple power supply circuit right from the basic design to the reasonably. What is a power supply circuit? Check the accuracy of the circuit’s construction, following each wire. The basic power supply schematic is a simple yet crucial circuit that transforms and regulates input voltage to deliver a. Utility Power Supply Schematic.
From brainly.ph
Create your own illustration showing the generation, transmission Utility Power Supply Schematic Draw the schematic diagram for the circuit to be analyzed. The circuit is reasonably conventional. Schematic this schematic is also available from the download section at the end of this page. The basic power supply schematic is a simple yet crucial circuit that transforms and regulates input voltage to deliver a stable and consistent output. By definition, a switch mode. Utility Power Supply Schematic.
From www.electricaltechnology.org
Wiring of the Distribution Board From Energy Meter to the Consumer Unit Utility Power Supply Schematic It provides an overview of how the. A power supply basically takes the power input from a power source and converts it into a suitable current and voltage for the electrical load; In this post i have explained how to design and build a simple power supply circuit right from the basic design to the reasonably. The two diodes around. Utility Power Supply Schematic.
From elektrotanya.com
HEATHKIT HP20 UTILITY POWER SUPPLY TAPEGYSEG CSOVES KESZULEKHEZ SCH Utility Power Supply Schematic Schematic this schematic is also available from the download section at the end of this page. What is a power supply circuit? A power supply schematic is a diagram that represents the circuitry and components of a power supply system. Draw the schematic diagram for the circuit to be analyzed. It provides an overview of how the. The circuit is. Utility Power Supply Schematic.
From electricala2z.com
Electrical Power Transmission & Distribution Distribution Substation Utility Power Supply Schematic A power supply basically takes the power input from a power source and converts it into a suitable current and voltage for the electrical load; A power supply schematic is a diagram that represents the circuitry and components of a power supply system. It provides an overview of how the. By definition, a switch mode power supply (smps) is a. Utility Power Supply Schematic.
From electrical-engineering-portal.com
The essentials of electrical distribution systems every engineer should Utility Power Supply Schematic What is a power supply circuit? Carefully build this circuit on a breadboard or other convenient medium. By definition, a switch mode power supply (smps) is a type of power supply that uses semiconductor switching techniques, rather than standard linear methods to provide the required output voltage. It provides an overview of how the. Check the accuracy of the circuit’s. Utility Power Supply Schematic.