Piezo Energy Harvesting Ic . This brief presents an ultra low power ic design for piezoelectric (pe) energy harvesting, which integrates a maximum power. This paper presents a fully autonomous integrated circuit (ic) dedicated to piezoelectric harvesters. To enhance the power extraction capability of piezoelectric energy harvesters (pehs), the quality factor of mechanical. Analog devices offers a wide range of ultra low power ics for energy harvesting applications. Ti’s bq25570 is a ultra low power harvester power management ic with boost charger, and nanopower buck converter. The ic implements a novel.
from www.mdpi.com
To enhance the power extraction capability of piezoelectric energy harvesters (pehs), the quality factor of mechanical. The ic implements a novel. This paper presents a fully autonomous integrated circuit (ic) dedicated to piezoelectric harvesters. Ti’s bq25570 is a ultra low power harvester power management ic with boost charger, and nanopower buck converter. Analog devices offers a wide range of ultra low power ics for energy harvesting applications. This brief presents an ultra low power ic design for piezoelectric (pe) energy harvesting, which integrates a maximum power.
Electronics Free FullText A 40nm CMOS Piezoelectric Energy
Piezo Energy Harvesting Ic To enhance the power extraction capability of piezoelectric energy harvesters (pehs), the quality factor of mechanical. To enhance the power extraction capability of piezoelectric energy harvesters (pehs), the quality factor of mechanical. This paper presents a fully autonomous integrated circuit (ic) dedicated to piezoelectric harvesters. The ic implements a novel. Ti’s bq25570 is a ultra low power harvester power management ic with boost charger, and nanopower buck converter. This brief presents an ultra low power ic design for piezoelectric (pe) energy harvesting, which integrates a maximum power. Analog devices offers a wide range of ultra low power ics for energy harvesting applications.
From www.mdpi.com
Electronics Free FullText A 40nm CMOS Piezoelectric Energy Piezo Energy Harvesting Ic To enhance the power extraction capability of piezoelectric energy harvesters (pehs), the quality factor of mechanical. Analog devices offers a wide range of ultra low power ics for energy harvesting applications. This paper presents a fully autonomous integrated circuit (ic) dedicated to piezoelectric harvesters. The ic implements a novel. Ti’s bq25570 is a ultra low power harvester power management ic. Piezo Energy Harvesting Ic.
From www.mdpi.com
Micromachines Free FullText A Pavement Piezoelectric Energy Piezo Energy Harvesting Ic To enhance the power extraction capability of piezoelectric energy harvesters (pehs), the quality factor of mechanical. Ti’s bq25570 is a ultra low power harvester power management ic with boost charger, and nanopower buck converter. Analog devices offers a wide range of ultra low power ics for energy harvesting applications. The ic implements a novel. This paper presents a fully autonomous. Piezo Energy Harvesting Ic.
From www.mdpi.com
Electronics Free FullText A 40nm CMOS Piezoelectric Energy Piezo Energy Harvesting Ic This brief presents an ultra low power ic design for piezoelectric (pe) energy harvesting, which integrates a maximum power. To enhance the power extraction capability of piezoelectric energy harvesters (pehs), the quality factor of mechanical. Ti’s bq25570 is a ultra low power harvester power management ic with boost charger, and nanopower buck converter. The ic implements a novel. This paper. Piezo Energy Harvesting Ic.
From www.mdpi.com
Sensors Free FullText SelfPowered Synchronized Switching Piezo Energy Harvesting Ic To enhance the power extraction capability of piezoelectric energy harvesters (pehs), the quality factor of mechanical. The ic implements a novel. This paper presents a fully autonomous integrated circuit (ic) dedicated to piezoelectric harvesters. Analog devices offers a wide range of ultra low power ics for energy harvesting applications. This brief presents an ultra low power ic design for piezoelectric. Piezo Energy Harvesting Ic.
From www.mdpi.com
Electronics Free FullText A 40nm CMOS Piezoelectric Energy Piezo Energy Harvesting Ic Ti’s bq25570 is a ultra low power harvester power management ic with boost charger, and nanopower buck converter. This brief presents an ultra low power ic design for piezoelectric (pe) energy harvesting, which integrates a maximum power. Analog devices offers a wide range of ultra low power ics for energy harvesting applications. To enhance the power extraction capability of piezoelectric. Piezo Energy Harvesting Ic.
From www.semanticscholar.org
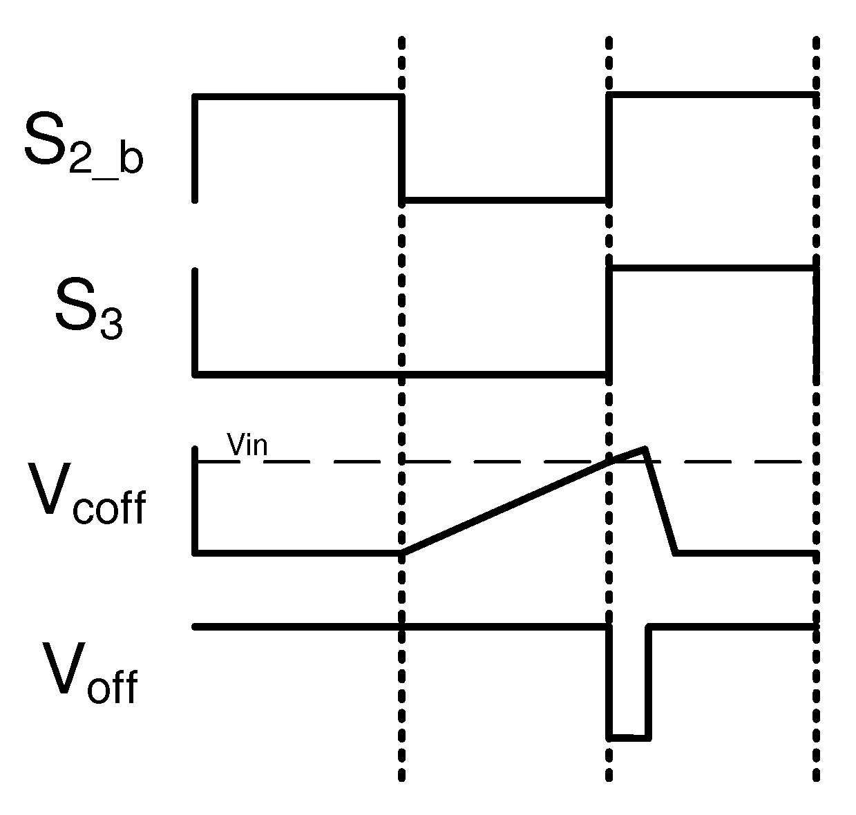
Figure 11 from An Autonomous Piezoelectric Energy Harvesting IC Based Piezo Energy Harvesting Ic This paper presents a fully autonomous integrated circuit (ic) dedicated to piezoelectric harvesters. Analog devices offers a wide range of ultra low power ics for energy harvesting applications. This brief presents an ultra low power ic design for piezoelectric (pe) energy harvesting, which integrates a maximum power. To enhance the power extraction capability of piezoelectric energy harvesters (pehs), the quality. Piezo Energy Harvesting Ic.
From www.mdpi.com
Electronics Free FullText A 40nm CMOS Piezoelectric Energy Piezo Energy Harvesting Ic The ic implements a novel. Analog devices offers a wide range of ultra low power ics for energy harvesting applications. This paper presents a fully autonomous integrated circuit (ic) dedicated to piezoelectric harvesters. To enhance the power extraction capability of piezoelectric energy harvesters (pehs), the quality factor of mechanical. This brief presents an ultra low power ic design for piezoelectric. Piezo Energy Harvesting Ic.
From www.allaboutcircuits.com
Energy Harvesting Roundup 4 New Designs Tap Into Ambient Energy News Piezo Energy Harvesting Ic This brief presents an ultra low power ic design for piezoelectric (pe) energy harvesting, which integrates a maximum power. Ti’s bq25570 is a ultra low power harvester power management ic with boost charger, and nanopower buck converter. The ic implements a novel. To enhance the power extraction capability of piezoelectric energy harvesters (pehs), the quality factor of mechanical. This paper. Piezo Energy Harvesting Ic.
From www.researchgate.net
Schematic of the proposed barbellshaped piezoelectric energy harvester Piezo Energy Harvesting Ic This brief presents an ultra low power ic design for piezoelectric (pe) energy harvesting, which integrates a maximum power. Analog devices offers a wide range of ultra low power ics for energy harvesting applications. Ti’s bq25570 is a ultra low power harvester power management ic with boost charger, and nanopower buck converter. The ic implements a novel. This paper presents. Piezo Energy Harvesting Ic.
From www.mdpi.com
Energies Free FullText A SelfPowered DualStage Boost Converter Piezo Energy Harvesting Ic This brief presents an ultra low power ic design for piezoelectric (pe) energy harvesting, which integrates a maximum power. The ic implements a novel. Ti’s bq25570 is a ultra low power harvester power management ic with boost charger, and nanopower buck converter. Analog devices offers a wide range of ultra low power ics for energy harvesting applications. This paper presents. Piezo Energy Harvesting Ic.
From www.youtube.com
Piezoelectric Module Design for energy harvesting projects, solidworks Piezo Energy Harvesting Ic Analog devices offers a wide range of ultra low power ics for energy harvesting applications. The ic implements a novel. To enhance the power extraction capability of piezoelectric energy harvesters (pehs), the quality factor of mechanical. This paper presents a fully autonomous integrated circuit (ic) dedicated to piezoelectric harvesters. Ti’s bq25570 is a ultra low power harvester power management ic. Piezo Energy Harvesting Ic.
From www.semanticscholar.org
Figure 11 from An Autonomous Piezoelectric Energy Harvesting IC Based Piezo Energy Harvesting Ic Analog devices offers a wide range of ultra low power ics for energy harvesting applications. Ti’s bq25570 is a ultra low power harvester power management ic with boost charger, and nanopower buck converter. The ic implements a novel. This paper presents a fully autonomous integrated circuit (ic) dedicated to piezoelectric harvesters. This brief presents an ultra low power ic design. Piezo Energy Harvesting Ic.
From www.semanticscholar.org
Figure 11 from An Autonomous Piezoelectric Energy Harvesting IC Based Piezo Energy Harvesting Ic This brief presents an ultra low power ic design for piezoelectric (pe) energy harvesting, which integrates a maximum power. To enhance the power extraction capability of piezoelectric energy harvesters (pehs), the quality factor of mechanical. The ic implements a novel. This paper presents a fully autonomous integrated circuit (ic) dedicated to piezoelectric harvesters. Ti’s bq25570 is a ultra low power. Piezo Energy Harvesting Ic.
From www.semanticscholar.org
Figure 11 from An Autonomous Piezoelectric Energy Harvesting IC Based Piezo Energy Harvesting Ic This paper presents a fully autonomous integrated circuit (ic) dedicated to piezoelectric harvesters. This brief presents an ultra low power ic design for piezoelectric (pe) energy harvesting, which integrates a maximum power. Ti’s bq25570 is a ultra low power harvester power management ic with boost charger, and nanopower buck converter. The ic implements a novel. Analog devices offers a wide. Piezo Energy Harvesting Ic.
From www.researchgate.net
Block diagram of piezoelectric energy power harvesting circuit Piezo Energy Harvesting Ic The ic implements a novel. This paper presents a fully autonomous integrated circuit (ic) dedicated to piezoelectric harvesters. To enhance the power extraction capability of piezoelectric energy harvesters (pehs), the quality factor of mechanical. Analog devices offers a wide range of ultra low power ics for energy harvesting applications. This brief presents an ultra low power ic design for piezoelectric. Piezo Energy Harvesting Ic.
From www.researchgate.net
Miniature piezoelectric energy harvester based on flowinduced Piezo Energy Harvesting Ic To enhance the power extraction capability of piezoelectric energy harvesters (pehs), the quality factor of mechanical. Ti’s bq25570 is a ultra low power harvester power management ic with boost charger, and nanopower buck converter. Analog devices offers a wide range of ultra low power ics for energy harvesting applications. This paper presents a fully autonomous integrated circuit (ic) dedicated to. Piezo Energy Harvesting Ic.
From www.cell.com
HighPerformance Piezoelectric Energy Harvesters and Their Applications Piezo Energy Harvesting Ic This paper presents a fully autonomous integrated circuit (ic) dedicated to piezoelectric harvesters. The ic implements a novel. This brief presents an ultra low power ic design for piezoelectric (pe) energy harvesting, which integrates a maximum power. Analog devices offers a wide range of ultra low power ics for energy harvesting applications. Ti’s bq25570 is a ultra low power harvester. Piezo Energy Harvesting Ic.
From www.semanticscholar.org
[PDF] A 40nm CMOS Piezoelectric Energy Harvesting IC for Wearable Piezo Energy Harvesting Ic The ic implements a novel. This brief presents an ultra low power ic design for piezoelectric (pe) energy harvesting, which integrates a maximum power. Analog devices offers a wide range of ultra low power ics for energy harvesting applications. This paper presents a fully autonomous integrated circuit (ic) dedicated to piezoelectric harvesters. To enhance the power extraction capability of piezoelectric. Piezo Energy Harvesting Ic.
From www.mdpi.com
Applied Sciences Special Issue Advance in Piezoelectric Energy Piezo Energy Harvesting Ic The ic implements a novel. This brief presents an ultra low power ic design for piezoelectric (pe) energy harvesting, which integrates a maximum power. This paper presents a fully autonomous integrated circuit (ic) dedicated to piezoelectric harvesters. Analog devices offers a wide range of ultra low power ics for energy harvesting applications. Ti’s bq25570 is a ultra low power harvester. Piezo Energy Harvesting Ic.
From www.mdpi.com
Electronics Free FullText A 40nm CMOS Piezoelectric Energy Piezo Energy Harvesting Ic Ti’s bq25570 is a ultra low power harvester power management ic with boost charger, and nanopower buck converter. This brief presents an ultra low power ic design for piezoelectric (pe) energy harvesting, which integrates a maximum power. To enhance the power extraction capability of piezoelectric energy harvesters (pehs), the quality factor of mechanical. This paper presents a fully autonomous integrated. Piezo Energy Harvesting Ic.
From onlinelibrary.wiley.com
Piezoelectric energy harvesting for self‐powered wearable upper limb Piezo Energy Harvesting Ic Ti’s bq25570 is a ultra low power harvester power management ic with boost charger, and nanopower buck converter. To enhance the power extraction capability of piezoelectric energy harvesters (pehs), the quality factor of mechanical. Analog devices offers a wide range of ultra low power ics for energy harvesting applications. This brief presents an ultra low power ic design for piezoelectric. Piezo Energy Harvesting Ic.
From www.mdpi.com
Electronics Free FullText A 40nm CMOS Piezoelectric Energy Piezo Energy Harvesting Ic The ic implements a novel. This paper presents a fully autonomous integrated circuit (ic) dedicated to piezoelectric harvesters. Ti’s bq25570 is a ultra low power harvester power management ic with boost charger, and nanopower buck converter. This brief presents an ultra low power ic design for piezoelectric (pe) energy harvesting, which integrates a maximum power. To enhance the power extraction. Piezo Energy Harvesting Ic.
From www.researchgate.net
(a) Block diagram of a piezoelectric energy harvesting circuit with a Piezo Energy Harvesting Ic Analog devices offers a wide range of ultra low power ics for energy harvesting applications. This paper presents a fully autonomous integrated circuit (ic) dedicated to piezoelectric harvesters. To enhance the power extraction capability of piezoelectric energy harvesters (pehs), the quality factor of mechanical. Ti’s bq25570 is a ultra low power harvester power management ic with boost charger, and nanopower. Piezo Energy Harvesting Ic.
From piezo.com
Piezoelectric Energy Harvesting Circuit Piezo Energy Harvesting Ic This paper presents a fully autonomous integrated circuit (ic) dedicated to piezoelectric harvesters. Analog devices offers a wide range of ultra low power ics for energy harvesting applications. To enhance the power extraction capability of piezoelectric energy harvesters (pehs), the quality factor of mechanical. The ic implements a novel. Ti’s bq25570 is a ultra low power harvester power management ic. Piezo Energy Harvesting Ic.
From www.mdpi.com
Electronics Free FullText A 40nm CMOS Piezoelectric Energy Piezo Energy Harvesting Ic Analog devices offers a wide range of ultra low power ics for energy harvesting applications. Ti’s bq25570 is a ultra low power harvester power management ic with boost charger, and nanopower buck converter. To enhance the power extraction capability of piezoelectric energy harvesters (pehs), the quality factor of mechanical. The ic implements a novel. This brief presents an ultra low. Piezo Energy Harvesting Ic.
From www.researchgate.net
Piezoelectric energy harvesting performance of PNGs. (a) Schematic Piezo Energy Harvesting Ic This brief presents an ultra low power ic design for piezoelectric (pe) energy harvesting, which integrates a maximum power. Analog devices offers a wide range of ultra low power ics for energy harvesting applications. The ic implements a novel. Ti’s bq25570 is a ultra low power harvester power management ic with boost charger, and nanopower buck converter. To enhance the. Piezo Energy Harvesting Ic.
From www.researchgate.net
energy harvesting system (a) block diagram, and Piezo Energy Harvesting Ic This brief presents an ultra low power ic design for piezoelectric (pe) energy harvesting, which integrates a maximum power. To enhance the power extraction capability of piezoelectric energy harvesters (pehs), the quality factor of mechanical. Ti’s bq25570 is a ultra low power harvester power management ic with boost charger, and nanopower buck converter. The ic implements a novel. This paper. Piezo Energy Harvesting Ic.
From www.mdpi.com
Electronics Free FullText A 40nm CMOS Piezoelectric Energy Piezo Energy Harvesting Ic The ic implements a novel. This brief presents an ultra low power ic design for piezoelectric (pe) energy harvesting, which integrates a maximum power. Analog devices offers a wide range of ultra low power ics for energy harvesting applications. This paper presents a fully autonomous integrated circuit (ic) dedicated to piezoelectric harvesters. Ti’s bq25570 is a ultra low power harvester. Piezo Energy Harvesting Ic.
From 13.127.19.78
Piezoelectric Effect Discovered in Liquids What You Should Know ExamArc Piezo Energy Harvesting Ic To enhance the power extraction capability of piezoelectric energy harvesters (pehs), the quality factor of mechanical. Analog devices offers a wide range of ultra low power ics for energy harvesting applications. This paper presents a fully autonomous integrated circuit (ic) dedicated to piezoelectric harvesters. Ti’s bq25570 is a ultra low power harvester power management ic with boost charger, and nanopower. Piezo Energy Harvesting Ic.
From www.mdpi.com
Electronics Free FullText A 40nm CMOS Piezoelectric Energy Piezo Energy Harvesting Ic This paper presents a fully autonomous integrated circuit (ic) dedicated to piezoelectric harvesters. This brief presents an ultra low power ic design for piezoelectric (pe) energy harvesting, which integrates a maximum power. Ti’s bq25570 is a ultra low power harvester power management ic with boost charger, and nanopower buck converter. Analog devices offers a wide range of ultra low power. Piezo Energy Harvesting Ic.
From www.mdpi.com
Electronics Free FullText A 40nm CMOS Piezoelectric Energy Piezo Energy Harvesting Ic The ic implements a novel. Ti’s bq25570 is a ultra low power harvester power management ic with boost charger, and nanopower buck converter. This paper presents a fully autonomous integrated circuit (ic) dedicated to piezoelectric harvesters. Analog devices offers a wide range of ultra low power ics for energy harvesting applications. To enhance the power extraction capability of piezoelectric energy. Piezo Energy Harvesting Ic.
From www.semanticscholar.org
Figure 1 from An autonomous piezoelectric energy harvesting IC based on Piezo Energy Harvesting Ic The ic implements a novel. Analog devices offers a wide range of ultra low power ics for energy harvesting applications. Ti’s bq25570 is a ultra low power harvester power management ic with boost charger, and nanopower buck converter. This paper presents a fully autonomous integrated circuit (ic) dedicated to piezoelectric harvesters. To enhance the power extraction capability of piezoelectric energy. Piezo Energy Harvesting Ic.
From www.mdpi.com
Electronics Free FullText A 40nm CMOS Piezoelectric Energy Piezo Energy Harvesting Ic Analog devices offers a wide range of ultra low power ics for energy harvesting applications. To enhance the power extraction capability of piezoelectric energy harvesters (pehs), the quality factor of mechanical. This paper presents a fully autonomous integrated circuit (ic) dedicated to piezoelectric harvesters. Ti’s bq25570 is a ultra low power harvester power management ic with boost charger, and nanopower. Piezo Energy Harvesting Ic.
From www.mdpi.com
Electronics Free FullText A 40nm CMOS Piezoelectric Energy Piezo Energy Harvesting Ic Analog devices offers a wide range of ultra low power ics for energy harvesting applications. To enhance the power extraction capability of piezoelectric energy harvesters (pehs), the quality factor of mechanical. This brief presents an ultra low power ic design for piezoelectric (pe) energy harvesting, which integrates a maximum power. This paper presents a fully autonomous integrated circuit (ic) dedicated. Piezo Energy Harvesting Ic.
From www.semanticscholar.org
Figure 11 from An Autonomous Piezoelectric Energy Harvesting IC Based Piezo Energy Harvesting Ic This brief presents an ultra low power ic design for piezoelectric (pe) energy harvesting, which integrates a maximum power. To enhance the power extraction capability of piezoelectric energy harvesters (pehs), the quality factor of mechanical. This paper presents a fully autonomous integrated circuit (ic) dedicated to piezoelectric harvesters. Ti’s bq25570 is a ultra low power harvester power management ic with. Piezo Energy Harvesting Ic.