Boiler Water Level Control System . Paul guyer, p.e., r.a., fellow asce, fellow aei. — the siemens electronic water level control system sets the standard for maintaining accurate water level in boiler steam drums,. learn about different methods of level control for steam boilers, such as on/off, modulating, and variable speed drive. — a three element boiler water level control system is shown in figure above. — learn how a pneumatic control system regulates the water level in a steam boiler using a level transmitter, a level. The measured variables or elements are ‘steam flow’, ‘drum flow’. introduction to boiler control systems course no:
from alwepo.blogspot.com
introduction to boiler control systems course no: — a three element boiler water level control system is shown in figure above. — the siemens electronic water level control system sets the standard for maintaining accurate water level in boiler steam drums,. The measured variables or elements are ‘steam flow’, ‘drum flow’. learn about different methods of level control for steam boilers, such as on/off, modulating, and variable speed drive. — learn how a pneumatic control system regulates the water level in a steam boiler using a level transmitter, a level. Paul guyer, p.e., r.a., fellow asce, fellow aei.
Boiler Water Level Control dan Alarm System alwepo
Boiler Water Level Control System — learn how a pneumatic control system regulates the water level in a steam boiler using a level transmitter, a level. — learn how a pneumatic control system regulates the water level in a steam boiler using a level transmitter, a level. learn about different methods of level control for steam boilers, such as on/off, modulating, and variable speed drive. — the siemens electronic water level control system sets the standard for maintaining accurate water level in boiler steam drums,. The measured variables or elements are ‘steam flow’, ‘drum flow’. introduction to boiler control systems course no: — a three element boiler water level control system is shown in figure above. Paul guyer, p.e., r.a., fellow asce, fellow aei.
From www.tili.eu.org
Boiler Three Element Controller Philosophy Boiler Water Level Control System — learn how a pneumatic control system regulates the water level in a steam boiler using a level transmitter, a level. — the siemens electronic water level control system sets the standard for maintaining accurate water level in boiler steam drums,. introduction to boiler control systems course no: The measured variables or elements are ‘steam flow’, ‘drum. Boiler Water Level Control System.
From control.com
Boiler Water Level Control System Example Introduction to Industrial Boiler Water Level Control System introduction to boiler control systems course no: — learn how a pneumatic control system regulates the water level in a steam boiler using a level transmitter, a level. learn about different methods of level control for steam boilers, such as on/off, modulating, and variable speed drive. — a three element boiler water level control system is. Boiler Water Level Control System.
From www.delta-mobrey.com
Boiler Water Level Controls Steam Boiler Services Delta Mobrey Boiler Water Level Control System — a three element boiler water level control system is shown in figure above. learn about different methods of level control for steam boilers, such as on/off, modulating, and variable speed drive. introduction to boiler control systems course no: — the siemens electronic water level control system sets the standard for maintaining accurate water level in. Boiler Water Level Control System.
From www.delta-mobrey.com
Boiler Water Level Controls Delta Mobrey Boiler Water Level Control System learn about different methods of level control for steam boilers, such as on/off, modulating, and variable speed drive. — the siemens electronic water level control system sets the standard for maintaining accurate water level in boiler steam drums,. introduction to boiler control systems course no: The measured variables or elements are ‘steam flow’, ‘drum flow’. Paul guyer,. Boiler Water Level Control System.
From exojjaudn.blob.core.windows.net
High Water Level In Steam Boiler at Agustin Reinke blog Boiler Water Level Control System — learn how a pneumatic control system regulates the water level in a steam boiler using a level transmitter, a level. Paul guyer, p.e., r.a., fellow asce, fellow aei. introduction to boiler control systems course no: — a three element boiler water level control system is shown in figure above. — the siemens electronic water level. Boiler Water Level Control System.
From www.boiler-planning.com
Equipment and control Bosch Steam boiler planning Industrial Heat Boiler Water Level Control System — learn how a pneumatic control system regulates the water level in a steam boiler using a level transmitter, a level. — a three element boiler water level control system is shown in figure above. learn about different methods of level control for steam boilers, such as on/off, modulating, and variable speed drive. Paul guyer, p.e., r.a.,. Boiler Water Level Control System.
From vycindustrial.com
Sistemas de control de nivel de agua en calderas Boiler Water Level Control System — a three element boiler water level control system is shown in figure above. The measured variables or elements are ‘steam flow’, ‘drum flow’. learn about different methods of level control for steam boilers, such as on/off, modulating, and variable speed drive. — the siemens electronic water level control system sets the standard for maintaining accurate water. Boiler Water Level Control System.
From gordonyouthatkins.blogspot.com
Boiler Water Level Control System Boiler Water Level Control System introduction to boiler control systems course no: — the siemens electronic water level control system sets the standard for maintaining accurate water level in boiler steam drums,. Paul guyer, p.e., r.a., fellow asce, fellow aei. — a three element boiler water level control system is shown in figure above. — learn how a pneumatic control system. Boiler Water Level Control System.
From www.powermag.com
Controlling Boiler Level When Operating Conditions Change Boiler Water Level Control System — a three element boiler water level control system is shown in figure above. learn about different methods of level control for steam boilers, such as on/off, modulating, and variable speed drive. — the siemens electronic water level control system sets the standard for maintaining accurate water level in boiler steam drums,. Paul guyer, p.e., r.a., fellow. Boiler Water Level Control System.
From www.youtube.com
Steam Boiler Operation Boiler Water Level Control System YouTube Boiler Water Level Control System The measured variables or elements are ‘steam flow’, ‘drum flow’. learn about different methods of level control for steam boilers, such as on/off, modulating, and variable speed drive. introduction to boiler control systems course no: — learn how a pneumatic control system regulates the water level in a steam boiler using a level transmitter, a level. . Boiler Water Level Control System.
From www.scribd.com
Boiler Water Level Control PDF Boiler Valve Boiler Water Level Control System learn about different methods of level control for steam boilers, such as on/off, modulating, and variable speed drive. Paul guyer, p.e., r.a., fellow asce, fellow aei. introduction to boiler control systems course no: — a three element boiler water level control system is shown in figure above. The measured variables or elements are ‘steam flow’, ‘drum flow’.. Boiler Water Level Control System.
From gordonyouthatkins.blogspot.com
Boiler Water Level Control System Boiler Water Level Control System introduction to boiler control systems course no: — the siemens electronic water level control system sets the standard for maintaining accurate water level in boiler steam drums,. Paul guyer, p.e., r.a., fellow asce, fellow aei. The measured variables or elements are ‘steam flow’, ‘drum flow’. learn about different methods of level control for steam boilers, such as. Boiler Water Level Control System.
From dwyer-inst.com
Series 123/125 Boiler Water Level Control Dwyer Instruments Boiler Water Level Control System — learn how a pneumatic control system regulates the water level in a steam boiler using a level transmitter, a level. Paul guyer, p.e., r.a., fellow asce, fellow aei. learn about different methods of level control for steam boilers, such as on/off, modulating, and variable speed drive. — a three element boiler water level control system is. Boiler Water Level Control System.
From boilersinfo.com
Boiler Drum Level Feed Water Control Systems Boiler Water Level Control System — a three element boiler water level control system is shown in figure above. introduction to boiler control systems course no: — the siemens electronic water level control system sets the standard for maintaining accurate water level in boiler steam drums,. learn about different methods of level control for steam boilers, such as on/off, modulating, and. Boiler Water Level Control System.
From www.researchgate.net
Change in the water level in the boiler steam drum (a) feed water Boiler Water Level Control System — the siemens electronic water level control system sets the standard for maintaining accurate water level in boiler steam drums,. — a three element boiler water level control system is shown in figure above. learn about different methods of level control for steam boilers, such as on/off, modulating, and variable speed drive. The measured variables or elements. Boiler Water Level Control System.
From www.youtube.com
Why Three Element method for Boiler Drum Level Control Single Element Boiler Water Level Control System learn about different methods of level control for steam boilers, such as on/off, modulating, and variable speed drive. introduction to boiler control systems course no: Paul guyer, p.e., r.a., fellow asce, fellow aei. — learn how a pneumatic control system regulates the water level in a steam boiler using a level transmitter, a level. — a. Boiler Water Level Control System.
From www.delta-mobrey.com
Hydrastep2468steamboilerwaterlevelmonitoring 1200x 72 new Delta Boiler Water Level Control System — learn how a pneumatic control system regulates the water level in a steam boiler using a level transmitter, a level. Paul guyer, p.e., r.a., fellow asce, fellow aei. introduction to boiler control systems course no: The measured variables or elements are ‘steam flow’, ‘drum flow’. — the siemens electronic water level control system sets the standard. Boiler Water Level Control System.
From instrumentationtools.com
Two Element Drum Level Control System Inst Tools Boiler Water Level Control System — the siemens electronic water level control system sets the standard for maintaining accurate water level in boiler steam drums,. Paul guyer, p.e., r.a., fellow asce, fellow aei. — a three element boiler water level control system is shown in figure above. learn about different methods of level control for steam boilers, such as on/off, modulating, and. Boiler Water Level Control System.
From www.semanticscholar.org
Figure 4 from Control system of the boiler water level based on Boiler Water Level Control System introduction to boiler control systems course no: — learn how a pneumatic control system regulates the water level in a steam boiler using a level transmitter, a level. — a three element boiler water level control system is shown in figure above. — the siemens electronic water level control system sets the standard for maintaining accurate. Boiler Water Level Control System.
From mirmarine.net
Boiler Automation and Control MirMarine Boiler Water Level Control System The measured variables or elements are ‘steam flow’, ‘drum flow’. introduction to boiler control systems course no: — a three element boiler water level control system is shown in figure above. Paul guyer, p.e., r.a., fellow asce, fellow aei. — the siemens electronic water level control system sets the standard for maintaining accurate water level in boiler. Boiler Water Level Control System.
From www.vrogue.co
Boiler Water Level Control System Closed Loop Control vrogue.co Boiler Water Level Control System introduction to boiler control systems course no: — a three element boiler water level control system is shown in figure above. — the siemens electronic water level control system sets the standard for maintaining accurate water level in boiler steam drums,. — learn how a pneumatic control system regulates the water level in a steam boiler. Boiler Water Level Control System.
From www.vrogue.co
Mengenal Apa Itu Boiler Water Level Control Bwlc Ikat vrogue.co Boiler Water Level Control System — a three element boiler water level control system is shown in figure above. — learn how a pneumatic control system regulates the water level in a steam boiler using a level transmitter, a level. — the siemens electronic water level control system sets the standard for maintaining accurate water level in boiler steam drums,. Paul guyer,. Boiler Water Level Control System.
From www.youtube.com
Water Level Boiler Control System YouTube Boiler Water Level Control System The measured variables or elements are ‘steam flow’, ‘drum flow’. — the siemens electronic water level control system sets the standard for maintaining accurate water level in boiler steam drums,. Paul guyer, p.e., r.a., fellow asce, fellow aei. — learn how a pneumatic control system regulates the water level in a steam boiler using a level transmitter, a. Boiler Water Level Control System.
From alwepo.blogspot.com
Boiler Water Level Control dan Alarm System alwepo Boiler Water Level Control System introduction to boiler control systems course no: — the siemens electronic water level control system sets the standard for maintaining accurate water level in boiler steam drums,. — learn how a pneumatic control system regulates the water level in a steam boiler using a level transmitter, a level. Paul guyer, p.e., r.a., fellow asce, fellow aei. The. Boiler Water Level Control System.
From www.vrogue.co
Boiler Water Level Control System Closed Loop Control vrogue.co Boiler Water Level Control System — a three element boiler water level control system is shown in figure above. — learn how a pneumatic control system regulates the water level in a steam boiler using a level transmitter, a level. learn about different methods of level control for steam boilers, such as on/off, modulating, and variable speed drive. The measured variables or. Boiler Water Level Control System.
From www.youtube.com
What is Three Element and Single Element Boiler Drum Level Control Boiler Water Level Control System — a three element boiler water level control system is shown in figure above. introduction to boiler control systems course no: — learn how a pneumatic control system regulates the water level in a steam boiler using a level transmitter, a level. — the siemens electronic water level control system sets the standard for maintaining accurate. Boiler Water Level Control System.
From boilersinfo.com
Boiler Drum Level Feed Water Control Systems Boiler Water Level Control System — a three element boiler water level control system is shown in figure above. learn about different methods of level control for steam boilers, such as on/off, modulating, and variable speed drive. — learn how a pneumatic control system regulates the water level in a steam boiler using a level transmitter, a level. — the siemens. Boiler Water Level Control System.
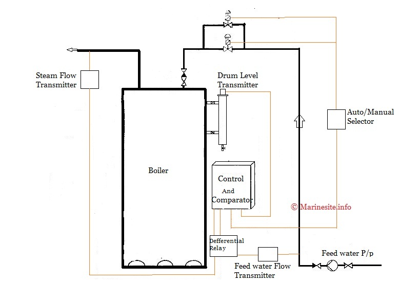
From www.marinesite.info
Three Element Drum Control System in Boiler Water Level Control Boiler Water Level Control System — a three element boiler water level control system is shown in figure above. Paul guyer, p.e., r.a., fellow asce, fellow aei. introduction to boiler control systems course no: The measured variables or elements are ‘steam flow’, ‘drum flow’. — the siemens electronic water level control system sets the standard for maintaining accurate water level in boiler. Boiler Water Level Control System.
From www.youtube.com
what is 3 Elements drum level control ,how to drum level control in Boiler Water Level Control System — learn how a pneumatic control system regulates the water level in a steam boiler using a level transmitter, a level. Paul guyer, p.e., r.a., fellow asce, fellow aei. — a three element boiler water level control system is shown in figure above. introduction to boiler control systems course no: The measured variables or elements are ‘steam. Boiler Water Level Control System.
From alwepo.blogspot.com
Boiler Water Level Control dan Alarm System alwepo Boiler Water Level Control System — the siemens electronic water level control system sets the standard for maintaining accurate water level in boiler steam drums,. introduction to boiler control systems course no: — learn how a pneumatic control system regulates the water level in a steam boiler using a level transmitter, a level. The measured variables or elements are ‘steam flow’, ‘drum. Boiler Water Level Control System.
From kamalogis.ft.ugm.ac.id
Mengenal Apa Itu Boiler Water Level Control (BWLC) Ikatan Mahasiswa Boiler Water Level Control System Paul guyer, p.e., r.a., fellow asce, fellow aei. — learn how a pneumatic control system regulates the water level in a steam boiler using a level transmitter, a level. — a three element boiler water level control system is shown in figure above. The measured variables or elements are ‘steam flow’, ‘drum flow’. learn about different methods. Boiler Water Level Control System.
From www.yokogawa.com
Boiler Control Solution Instruments and Solution for Automatic Boiler Boiler Water Level Control System learn about different methods of level control for steam boilers, such as on/off, modulating, and variable speed drive. The measured variables or elements are ‘steam flow’, ‘drum flow’. — a three element boiler water level control system is shown in figure above. Paul guyer, p.e., r.a., fellow asce, fellow aei. introduction to boiler control systems course no:. Boiler Water Level Control System.
From www.delta-mobrey.com
Ensure the Reliable Performance of Your Water Level Controls Delta Mobrey Boiler Water Level Control System learn about different methods of level control for steam boilers, such as on/off, modulating, and variable speed drive. — learn how a pneumatic control system regulates the water level in a steam boiler using a level transmitter, a level. Paul guyer, p.e., r.a., fellow asce, fellow aei. — the siemens electronic water level control system sets the. Boiler Water Level Control System.
From www.electronicsforu.com
Simple Automatic Water Level Controller Full Circuit with Explanation Boiler Water Level Control System — learn how a pneumatic control system regulates the water level in a steam boiler using a level transmitter, a level. — the siemens electronic water level control system sets the standard for maintaining accurate water level in boiler steam drums,. Paul guyer, p.e., r.a., fellow asce, fellow aei. introduction to boiler control systems course no: . Boiler Water Level Control System.
From blog.opticontrols.com
Boiler Drum Level Control Control Notes Boiler Water Level Control System The measured variables or elements are ‘steam flow’, ‘drum flow’. learn about different methods of level control for steam boilers, such as on/off, modulating, and variable speed drive. Paul guyer, p.e., r.a., fellow asce, fellow aei. — a three element boiler water level control system is shown in figure above. — learn how a pneumatic control system. Boiler Water Level Control System.