Motion Step Diagram . an extremely useful tool for bridging the gap between a normal, conversational description of a situation. the motion diagram includes appropriately spaced dots that represent the object's constant speed motion, speeding up. this video introduces the concept of motion diagrams (also sometimes. a motion diagram represents the position, velocity, and acceleration of an object at several different times. motion diagrams represent the motion of an object by displaying its location at various equally spaced times on the same.
from www.chegg.com
an extremely useful tool for bridging the gap between a normal, conversational description of a situation. motion diagrams represent the motion of an object by displaying its location at various equally spaced times on the same. this video introduces the concept of motion diagrams (also sometimes. the motion diagram includes appropriately spaced dots that represent the object's constant speed motion, speeding up. a motion diagram represents the position, velocity, and acceleration of an object at several different times.
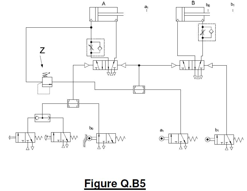
Solved Q.B5 (a) Explain how the circuit in Figure Q.B5 is
Motion Step Diagram motion diagrams represent the motion of an object by displaying its location at various equally spaced times on the same. this video introduces the concept of motion diagrams (also sometimes. the motion diagram includes appropriately spaced dots that represent the object's constant speed motion, speeding up. an extremely useful tool for bridging the gap between a normal, conversational description of a situation. motion diagrams represent the motion of an object by displaying its location at various equally spaced times on the same. a motion diagram represents the position, velocity, and acceleration of an object at several different times.
From www.pinterest.co.uk
Newton's Second Law Free Body Diagrams Newtons second law, Body Motion Step Diagram an extremely useful tool for bridging the gap between a normal, conversational description of a situation. motion diagrams represent the motion of an object by displaying its location at various equally spaced times on the same. a motion diagram represents the position, velocity, and acceleration of an object at several different times. this video introduces the. Motion Step Diagram.
From www.youtube.com
Making a Motion Diagram YouTube Motion Step Diagram an extremely useful tool for bridging the gap between a normal, conversational description of a situation. the motion diagram includes appropriately spaced dots that represent the object's constant speed motion, speeding up. motion diagrams represent the motion of an object by displaying its location at various equally spaced times on the same. a motion diagram represents. Motion Step Diagram.
From www.pinterest.co.kr
Phases of Step Movements Walking Sequence Animation art character Motion Step Diagram this video introduces the concept of motion diagrams (also sometimes. a motion diagram represents the position, velocity, and acceleration of an object at several different times. an extremely useful tool for bridging the gap between a normal, conversational description of a situation. the motion diagram includes appropriately spaced dots that represent the object's constant speed motion,. Motion Step Diagram.
From www.researchgate.net
7 Schematic of crawling motion steps. (a) The cell is spreading over Motion Step Diagram an extremely useful tool for bridging the gap between a normal, conversational description of a situation. motion diagrams represent the motion of an object by displaying its location at various equally spaced times on the same. this video introduces the concept of motion diagrams (also sometimes. the motion diagram includes appropriately spaced dots that represent the. Motion Step Diagram.
From www.researchgate.net
Working principle of piezoelectric step motion. (a) Sequence voltage Motion Step Diagram motion diagrams represent the motion of an object by displaying its location at various equally spaced times on the same. the motion diagram includes appropriately spaced dots that represent the object's constant speed motion, speeding up. this video introduces the concept of motion diagrams (also sometimes. a motion diagram represents the position, velocity, and acceleration of. Motion Step Diagram.
From wiringdiagramculpatory.z13.web.core.windows.net
Describing Motion With Diagrams Motion Step Diagram a motion diagram represents the position, velocity, and acceleration of an object at several different times. this video introduces the concept of motion diagrams (also sometimes. motion diagrams represent the motion of an object by displaying its location at various equally spaced times on the same. the motion diagram includes appropriately spaced dots that represent the. Motion Step Diagram.
From www.researchgate.net
Structure from Motion (SfM) process is illustrated. The structure in Motion Step Diagram motion diagrams represent the motion of an object by displaying its location at various equally spaced times on the same. a motion diagram represents the position, velocity, and acceleration of an object at several different times. an extremely useful tool for bridging the gap between a normal, conversational description of a situation. this video introduces the. Motion Step Diagram.
From slideplayer.com
ELECTROPNEUMATIC SYSTEM ppt download Motion Step Diagram this video introduces the concept of motion diagrams (also sometimes. the motion diagram includes appropriately spaced dots that represent the object's constant speed motion, speeding up. a motion diagram represents the position, velocity, and acceleration of an object at several different times. an extremely useful tool for bridging the gap between a normal, conversational description of. Motion Step Diagram.
From byjus.com
Projectile Motion Definition & Formula Projectile Types & Examples Motion Step Diagram motion diagrams represent the motion of an object by displaying its location at various equally spaced times on the same. the motion diagram includes appropriately spaced dots that represent the object's constant speed motion, speeding up. this video introduces the concept of motion diagrams (also sometimes. an extremely useful tool for bridging the gap between a. Motion Step Diagram.
From linzirhiannon.blogspot.com
6+ choose the correct motion diagram completed by adding acceleration Motion Step Diagram the motion diagram includes appropriately spaced dots that represent the object's constant speed motion, speeding up. this video introduces the concept of motion diagrams (also sometimes. a motion diagram represents the position, velocity, and acceleration of an object at several different times. an extremely useful tool for bridging the gap between a normal, conversational description of. Motion Step Diagram.
From circuitlistedmonton101.z13.web.core.windows.net
Motion Diagrams Physics Motion Step Diagram the motion diagram includes appropriately spaced dots that represent the object's constant speed motion, speeding up. a motion diagram represents the position, velocity, and acceleration of an object at several different times. this video introduces the concept of motion diagrams (also sometimes. an extremely useful tool for bridging the gap between a normal, conversational description of. Motion Step Diagram.
From www.chegg.com
Q.B5 (a) Explain how the circuit in Figure Q.B5 is Motion Step Diagram a motion diagram represents the position, velocity, and acceleration of an object at several different times. an extremely useful tool for bridging the gap between a normal, conversational description of a situation. this video introduces the concept of motion diagrams (also sometimes. motion diagrams represent the motion of an object by displaying its location at various. Motion Step Diagram.
From www.chegg.com
Solved Q.B5 (a) Explain how the circuit in Figure Q.B5 is Motion Step Diagram an extremely useful tool for bridging the gap between a normal, conversational description of a situation. the motion diagram includes appropriately spaced dots that represent the object's constant speed motion, speeding up. this video introduces the concept of motion diagrams (also sometimes. a motion diagram represents the position, velocity, and acceleration of an object at several. Motion Step Diagram.
From quizlet.com
Motion Steps Diagram Quizlet Motion Step Diagram a motion diagram represents the position, velocity, and acceleration of an object at several different times. an extremely useful tool for bridging the gap between a normal, conversational description of a situation. motion diagrams represent the motion of an object by displaying its location at various equally spaced times on the same. this video introduces the. Motion Step Diagram.
From www.chegg.com
Section B Q.B5 (a) With the aid of a motionstep Motion Step Diagram the motion diagram includes appropriately spaced dots that represent the object's constant speed motion, speeding up. an extremely useful tool for bridging the gap between a normal, conversational description of a situation. this video introduces the concept of motion diagrams (also sometimes. a motion diagram represents the position, velocity, and acceleration of an object at several. Motion Step Diagram.
From www.researchgate.net
Performance comparison with linear motion step size 0.5 and updating Motion Step Diagram an extremely useful tool for bridging the gap between a normal, conversational description of a situation. a motion diagram represents the position, velocity, and acceleration of an object at several different times. the motion diagram includes appropriately spaced dots that represent the object's constant speed motion, speeding up. this video introduces the concept of motion diagrams. Motion Step Diagram.
From www.youtube.com
Types of motion Motion and its types what is motion YouTube Motion Step Diagram the motion diagram includes appropriately spaced dots that represent the object's constant speed motion, speeding up. a motion diagram represents the position, velocity, and acceleration of an object at several different times. motion diagrams represent the motion of an object by displaying its location at various equally spaced times on the same. this video introduces the. Motion Step Diagram.
From circuitwiringtray.z13.web.core.windows.net
How To Draw Motion Diagrams Motion Step Diagram the motion diagram includes appropriately spaced dots that represent the object's constant speed motion, speeding up. an extremely useful tool for bridging the gap between a normal, conversational description of a situation. this video introduces the concept of motion diagrams (also sometimes. motion diagrams represent the motion of an object by displaying its location at various. Motion Step Diagram.
From quizunbegotten.z21.web.core.windows.net
How To Draw Motion Diagrams Motion Step Diagram the motion diagram includes appropriately spaced dots that represent the object's constant speed motion, speeding up. a motion diagram represents the position, velocity, and acceleration of an object at several different times. motion diagrams represent the motion of an object by displaying its location at various equally spaced times on the same. this video introduces the. Motion Step Diagram.
From www.chegg.com
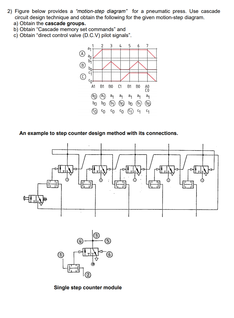
Solved 2 Figure below provides a pneumatic circuit diagram Motion Step Diagram an extremely useful tool for bridging the gap between a normal, conversational description of a situation. this video introduces the concept of motion diagrams (also sometimes. a motion diagram represents the position, velocity, and acceleration of an object at several different times. motion diagrams represent the motion of an object by displaying its location at various. Motion Step Diagram.
From stepbystepscience.com
motion graphs Step by Step Science Motion Step Diagram a motion diagram represents the position, velocity, and acceleration of an object at several different times. the motion diagram includes appropriately spaced dots that represent the object's constant speed motion, speeding up. this video introduces the concept of motion diagrams (also sometimes. an extremely useful tool for bridging the gap between a normal, conversational description of. Motion Step Diagram.
From www.chegg.com
Figure below provides a “motionstep diagram” for a Motion Step Diagram an extremely useful tool for bridging the gap between a normal, conversational description of a situation. motion diagrams represent the motion of an object by displaying its location at various equally spaced times on the same. this video introduces the concept of motion diagrams (also sometimes. a motion diagram represents the position, velocity, and acceleration of. Motion Step Diagram.
From www.researchgate.net
Timing diagram of operation of the robot's pneumatic system Download Motion Step Diagram a motion diagram represents the position, velocity, and acceleration of an object at several different times. an extremely useful tool for bridging the gap between a normal, conversational description of a situation. this video introduces the concept of motion diagrams (also sometimes. the motion diagram includes appropriately spaced dots that represent the object's constant speed motion,. Motion Step Diagram.
From www.youtube.com
HOW to draw Motion Diagrams (StepbyStep Exercises) YouTube Motion Step Diagram the motion diagram includes appropriately spaced dots that represent the object's constant speed motion, speeding up. motion diagrams represent the motion of an object by displaying its location at various equally spaced times on the same. a motion diagram represents the position, velocity, and acceleration of an object at several different times. this video introduces the. Motion Step Diagram.
From www.chegg.com
Solved Figure below provides a pneumatic circuit diagram for Motion Step Diagram the motion diagram includes appropriately spaced dots that represent the object's constant speed motion, speeding up. a motion diagram represents the position, velocity, and acceleration of an object at several different times. an extremely useful tool for bridging the gap between a normal, conversational description of a situation. this video introduces the concept of motion diagrams. Motion Step Diagram.
From www.infodiagram.com
3D StepDiagram with 6 Steps Motion Step Diagram this video introduces the concept of motion diagrams (also sometimes. a motion diagram represents the position, velocity, and acceleration of an object at several different times. motion diagrams represent the motion of an object by displaying its location at various equally spaced times on the same. the motion diagram includes appropriately spaced dots that represent the. Motion Step Diagram.
From www.researchgate.net
Designed motion step Download Scientific Diagram Motion Step Diagram an extremely useful tool for bridging the gap between a normal, conversational description of a situation. the motion diagram includes appropriately spaced dots that represent the object's constant speed motion, speeding up. motion diagrams represent the motion of an object by displaying its location at various equally spaced times on the same. this video introduces the. Motion Step Diagram.
From slidetodoc.com
Chapter 5 Pneumatic System Multi Actuator Circuit Prepared Motion Step Diagram a motion diagram represents the position, velocity, and acceleration of an object at several different times. the motion diagram includes appropriately spaced dots that represent the object's constant speed motion, speeding up. an extremely useful tool for bridging the gap between a normal, conversational description of a situation. motion diagrams represent the motion of an object. Motion Step Diagram.
From www.numerade.com
SOLVED Figure 2 below provides a pneumatic circuit diagram for a Motion Step Diagram a motion diagram represents the position, velocity, and acceleration of an object at several different times. motion diagrams represent the motion of an object by displaying its location at various equally spaced times on the same. an extremely useful tool for bridging the gap between a normal, conversational description of a situation. this video introduces the. Motion Step Diagram.
From www.chegg.com
2) Figure below provides a “motionstep diagram” for Motion Step Diagram this video introduces the concept of motion diagrams (also sometimes. an extremely useful tool for bridging the gap between a normal, conversational description of a situation. motion diagrams represent the motion of an object by displaying its location at various equally spaced times on the same. the motion diagram includes appropriately spaced dots that represent the. Motion Step Diagram.
From www.chegg.com
Solved 2a. If the sequence where to be At, B+, C+, A, C, Motion Step Diagram an extremely useful tool for bridging the gap between a normal, conversational description of a situation. a motion diagram represents the position, velocity, and acceleration of an object at several different times. motion diagrams represent the motion of an object by displaying its location at various equally spaced times on the same. this video introduces the. Motion Step Diagram.
From pranika-animation.blogspot.com
Animation Techniques 2D WALK CYCLE Motion Step Diagram motion diagrams represent the motion of an object by displaying its location at various equally spaced times on the same. a motion diagram represents the position, velocity, and acceleration of an object at several different times. an extremely useful tool for bridging the gap between a normal, conversational description of a situation. this video introduces the. Motion Step Diagram.
From www.chegg.com
Section B Q.B5 (a) With the aid of a motionstep Motion Step Diagram this video introduces the concept of motion diagrams (also sometimes. a motion diagram represents the position, velocity, and acceleration of an object at several different times. an extremely useful tool for bridging the gap between a normal, conversational description of a situation. the motion diagram includes appropriately spaced dots that represent the object's constant speed motion,. Motion Step Diagram.
From www.chegg.com
2a.)If the sequence where to be A+, B+, C+, A, C, Motion Step Diagram a motion diagram represents the position, velocity, and acceleration of an object at several different times. motion diagrams represent the motion of an object by displaying its location at various equally spaced times on the same. this video introduces the concept of motion diagrams (also sometimes. an extremely useful tool for bridging the gap between a. Motion Step Diagram.
From www.chegg.com
Q.B5 (a) With the aid of a motionstep diagram fully Motion Step Diagram an extremely useful tool for bridging the gap between a normal, conversational description of a situation. the motion diagram includes appropriately spaced dots that represent the object's constant speed motion, speeding up. a motion diagram represents the position, velocity, and acceleration of an object at several different times. this video introduces the concept of motion diagrams. Motion Step Diagram.