Voltmeter And Ammeter Multisim . Place this on a wire in your circuit. a real (cheap) ac voltmeters and ammeters work in this way, i.e., they ignore the dc component of the signal and measure the. How to use avo meter in multisim, 3. ni multisim live lets you create, share, collaborate,. in this simulation you will learn 1. Copy of experiment 1 connecting the voltmeter and ammeter. Always connect the voltmeter in. learn how to place digital multimeters (dmms) in multisim and set them to measure. If mistakes were made and meters interchanged, what. Locate the voltage probe icon at the left hand side of the screen 2. 5) voltmeter the voltmeter offers advantages over the multimeter for measuring voltage in a circuit. How to use multimeter in multisim, 2. very easy to use ammeter and voltmeter in this software an ammeter and a voltmeter of suitable ranges are to be used to measure the current and voltage of an electric lamp. to measure voltage in multisim we use probes.
from www.youtube.com
Always connect the voltmeter in. an ammeter and a voltmeter of suitable ranges are to be used to measure the current and voltage of an electric lamp. a real (cheap) ac voltmeters and ammeters work in this way, i.e., they ignore the dc component of the signal and measure the. How to use avo meter in multisim, 3. learn how to place digital multimeters (dmms) in multisim and set them to measure. to measure voltage in multisim we use probes. 5) voltmeter the voltmeter offers advantages over the multimeter for measuring voltage in a circuit. Copy of experiment 1 connecting the voltmeter and ammeter. in this simulation you will learn 1. Locate the voltage probe icon at the left hand side of the screen 2.
Multisim 1 Place Component, Voltmeter, Ammeter YouTube
Voltmeter And Ammeter Multisim ni multisim live lets you create, share, collaborate,. a real (cheap) ac voltmeters and ammeters work in this way, i.e., they ignore the dc component of the signal and measure the. How to use avo meter in multisim, 3. Always connect the voltmeter in. to measure voltage in multisim we use probes. learn how to place digital multimeters (dmms) in multisim and set them to measure. Locate the voltage probe icon at the left hand side of the screen 2. Copy of experiment 1 connecting the voltmeter and ammeter. 5) voltmeter the voltmeter offers advantages over the multimeter for measuring voltage in a circuit. in this simulation you will learn 1. very easy to use ammeter and voltmeter in this software ni multisim live lets you create, share, collaborate,. Place this on a wire in your circuit. How to use multimeter in multisim, 2. an ammeter and a voltmeter of suitable ranges are to be used to measure the current and voltage of an electric lamp. If mistakes were made and meters interchanged, what.
From www.multisim.com
Voltmeter DC Multisim Live Voltmeter And Ammeter Multisim ni multisim live lets you create, share, collaborate,. in this simulation you will learn 1. learn how to place digital multimeters (dmms) in multisim and set them to measure. 5) voltmeter the voltmeter offers advantages over the multimeter for measuring voltage in a circuit. to measure voltage in multisim we use probes. How to use. Voltmeter And Ammeter Multisim.
From www.youtube.com
Ammeter vs. Voltmeter Circuit Theory Doc Physics YouTube Voltmeter And Ammeter Multisim Always connect the voltmeter in. How to use avo meter in multisim, 3. in this simulation you will learn 1. to measure voltage in multisim we use probes. an ammeter and a voltmeter of suitable ranges are to be used to measure the current and voltage of an electric lamp. a real (cheap) ac voltmeters and. Voltmeter And Ammeter Multisim.
From www.youtube.com
Tutorial 1 Multimeter in multisim YouTube Voltmeter And Ammeter Multisim Locate the voltage probe icon at the left hand side of the screen 2. ni multisim live lets you create, share, collaborate,. a real (cheap) ac voltmeters and ammeters work in this way, i.e., they ignore the dc component of the signal and measure the. to measure voltage in multisim we use probes. Always connect the voltmeter. Voltmeter And Ammeter Multisim.
From www.youtube.com
Simulation for Conversion of Ammeter into Multimeter Using NIMultisim Voltmeter And Ammeter Multisim a real (cheap) ac voltmeters and ammeters work in this way, i.e., they ignore the dc component of the signal and measure the. How to use avo meter in multisim, 3. If mistakes were made and meters interchanged, what. to measure voltage in multisim we use probes. in this simulation you will learn 1. an ammeter. Voltmeter And Ammeter Multisim.
From www.youtube.com
Ammeter and Voltmeter YouTube Voltmeter And Ammeter Multisim learn how to place digital multimeters (dmms) in multisim and set them to measure. a real (cheap) ac voltmeters and ammeters work in this way, i.e., they ignore the dc component of the signal and measure the. Locate the voltage probe icon at the left hand side of the screen 2. How to use avo meter in multisim,. Voltmeter And Ammeter Multisim.
From www.numerade.com
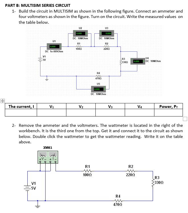
SOLVED PART B MULTISIM SERIES CIRCUIT 1 Build the circuit in Voltmeter And Ammeter Multisim to measure voltage in multisim we use probes. Locate the voltage probe icon at the left hand side of the screen 2. Always connect the voltmeter in. Copy of experiment 1 connecting the voltmeter and ammeter. ni multisim live lets you create, share, collaborate,. an ammeter and a voltmeter of suitable ranges are to be used to. Voltmeter And Ammeter Multisim.
From www.youtube.com
how to use multimeter in multisim how to use voltmeter, ammeter Voltmeter And Ammeter Multisim Locate the voltage probe icon at the left hand side of the screen 2. ni multisim live lets you create, share, collaborate,. How to use avo meter in multisim, 3. Place this on a wire in your circuit. very easy to use ammeter and voltmeter in this software How to use multimeter in multisim, 2. If mistakes were. Voltmeter And Ammeter Multisim.
From www.multisim.com
DC Ammeter Multisim Live Voltmeter And Ammeter Multisim Always connect the voltmeter in. very easy to use ammeter and voltmeter in this software to measure voltage in multisim we use probes. 5) voltmeter the voltmeter offers advantages over the multimeter for measuring voltage in a circuit. in this simulation you will learn 1. ni multisim live lets you create, share, collaborate,. How to. Voltmeter And Ammeter Multisim.
From www.multisim.com
multirange ammeter Multisim Live Voltmeter And Ammeter Multisim ni multisim live lets you create, share, collaborate,. 5) voltmeter the voltmeter offers advantages over the multimeter for measuring voltage in a circuit. If mistakes were made and meters interchanged, what. an ammeter and a voltmeter of suitable ranges are to be used to measure the current and voltage of an electric lamp. Always connect the voltmeter. Voltmeter And Ammeter Multisim.
From www.multisim.com
A Basic DC Circuit with an Ammeter + Voltmeter Multisim Live Voltmeter And Ammeter Multisim ni multisim live lets you create, share, collaborate,. learn how to place digital multimeters (dmms) in multisim and set them to measure. very easy to use ammeter and voltmeter in this software 5) voltmeter the voltmeter offers advantages over the multimeter for measuring voltage in a circuit. Always connect the voltmeter in. an ammeter and. Voltmeter And Ammeter Multisim.
From www.numerade.com
VIDEO solution Please do it on Multisim with calculation. Task 1 Voltmeter And Ammeter Multisim How to use multimeter in multisim, 2. to measure voltage in multisim we use probes. 5) voltmeter the voltmeter offers advantages over the multimeter for measuring voltage in a circuit. Locate the voltage probe icon at the left hand side of the screen 2. very easy to use ammeter and voltmeter in this software learn how. Voltmeter And Ammeter Multisim.
From www.youtube.com
how to use Multimeter and ac power supply II ac/dc Voltmeter and Voltmeter And Ammeter Multisim 5) voltmeter the voltmeter offers advantages over the multimeter for measuring voltage in a circuit. Always connect the voltmeter in. learn how to place digital multimeters (dmms) in multisim and set them to measure. Place this on a wire in your circuit. ni multisim live lets you create, share, collaborate,. How to use avo meter in multisim,. Voltmeter And Ammeter Multisim.
From www.multisim.com
Voltmeter Multisim Live Voltmeter And Ammeter Multisim a real (cheap) ac voltmeters and ammeters work in this way, i.e., they ignore the dc component of the signal and measure the. in this simulation you will learn 1. ni multisim live lets you create, share, collaborate,. Always connect the voltmeter in. If mistakes were made and meters interchanged, what. an ammeter and a voltmeter. Voltmeter And Ammeter Multisim.
From courses.lumenlearning.com
Voltmeters and Ammeters Boundless Physics Voltmeter And Ammeter Multisim Place this on a wire in your circuit. very easy to use ammeter and voltmeter in this software an ammeter and a voltmeter of suitable ranges are to be used to measure the current and voltage of an electric lamp. in this simulation you will learn 1. Locate the voltage probe icon at the left hand side. Voltmeter And Ammeter Multisim.
From knowledge.ni.com
How to Measure Voltage in Multisim Live NI Voltmeter And Ammeter Multisim How to use avo meter in multisim, 3. ni multisim live lets you create, share, collaborate,. If mistakes were made and meters interchanged, what. very easy to use ammeter and voltmeter in this software Copy of experiment 1 connecting the voltmeter and ammeter. Always connect the voltmeter in. to measure voltage in multisim we use probes. . Voltmeter And Ammeter Multisim.
From schematicbuzduljj.z4.web.core.windows.net
Simple Circuit With Ammeter And Voltmeter Voltmeter And Ammeter Multisim learn how to place digital multimeters (dmms) in multisim and set them to measure. to measure voltage in multisim we use probes. How to use avo meter in multisim, 3. ni multisim live lets you create, share, collaborate,. If mistakes were made and meters interchanged, what. an ammeter and a voltmeter of suitable ranges are to. Voltmeter And Ammeter Multisim.
From www.youtube.com
NI Multisim Measure DC voltage with a voltmeter indicator YouTube Voltmeter And Ammeter Multisim an ammeter and a voltmeter of suitable ranges are to be used to measure the current and voltage of an electric lamp. Locate the voltage probe icon at the left hand side of the screen 2. How to use multimeter in multisim, 2. in this simulation you will learn 1. to measure voltage in multisim we use. Voltmeter And Ammeter Multisim.
From www.youtube.com
How to use voltmeter and ammeter in multisim YouTube Voltmeter And Ammeter Multisim very easy to use ammeter and voltmeter in this software in this simulation you will learn 1. 5) voltmeter the voltmeter offers advantages over the multimeter for measuring voltage in a circuit. to measure voltage in multisim we use probes. If mistakes were made and meters interchanged, what. a real (cheap) ac voltmeters and ammeters. Voltmeter And Ammeter Multisim.
From dengarden.com
How to Use a Multimeter to Measure Voltage, Current, and Resistance Voltmeter And Ammeter Multisim ni multisim live lets you create, share, collaborate,. How to use multimeter in multisim, 2. in this simulation you will learn 1. If mistakes were made and meters interchanged, what. Copy of experiment 1 connecting the voltmeter and ammeter. to measure voltage in multisim we use probes. very easy to use ammeter and voltmeter in this. Voltmeter And Ammeter Multisim.
From www.youtube.com
How to use Ammeter in Multisim Simulation YouTube Voltmeter And Ammeter Multisim an ammeter and a voltmeter of suitable ranges are to be used to measure the current and voltage of an electric lamp. How to use avo meter in multisim, 3. 5) voltmeter the voltmeter offers advantages over the multimeter for measuring voltage in a circuit. a real (cheap) ac voltmeters and ammeters work in this way, i.e.,. Voltmeter And Ammeter Multisim.
From www.numerade.com
SOLVED 2) Inductive reactance Build the following circuit in Voltmeter And Ammeter Multisim an ammeter and a voltmeter of suitable ranges are to be used to measure the current and voltage of an electric lamp. a real (cheap) ac voltmeters and ammeters work in this way, i.e., they ignore the dc component of the signal and measure the. learn how to place digital multimeters (dmms) in multisim and set them. Voltmeter And Ammeter Multisim.
From www.youtube.com
Multisim 1 Place Component, Voltmeter, Ammeter YouTube Voltmeter And Ammeter Multisim Place this on a wire in your circuit. learn how to place digital multimeters (dmms) in multisim and set them to measure. Copy of experiment 1 connecting the voltmeter and ammeter. very easy to use ammeter and voltmeter in this software How to use avo meter in multisim, 3. How to use multimeter in multisim, 2. ni. Voltmeter And Ammeter Multisim.
From www.youtube.com
Conversion of Voltmeter into ammeter Experiment Voltmeter into Voltmeter And Ammeter Multisim Locate the voltage probe icon at the left hand side of the screen 2. in this simulation you will learn 1. learn how to place digital multimeters (dmms) in multisim and set them to measure. 5) voltmeter the voltmeter offers advantages over the multimeter for measuring voltage in a circuit. very easy to use ammeter and. Voltmeter And Ammeter Multisim.
From educationsenile.z13.web.core.windows.net
How To Connect An Ammeter Voltmeter And Ammeter Multisim Copy of experiment 1 connecting the voltmeter and ammeter. learn how to place digital multimeters (dmms) in multisim and set them to measure. an ammeter and a voltmeter of suitable ranges are to be used to measure the current and voltage of an electric lamp. very easy to use ammeter and voltmeter in this software a. Voltmeter And Ammeter Multisim.
From prolabscientific.com
Digital Voltmeters and Ammeters Voltmeter And Ammeter Multisim Place this on a wire in your circuit. ni multisim live lets you create, share, collaborate,. learn how to place digital multimeters (dmms) in multisim and set them to measure. very easy to use ammeter and voltmeter in this software 5) voltmeter the voltmeter offers advantages over the multimeter for measuring voltage in a circuit. . Voltmeter And Ammeter Multisim.
From www.teachoo.com
Why ammeter connected in series and voltmeter connected in parallel? Voltmeter And Ammeter Multisim learn how to place digital multimeters (dmms) in multisim and set them to measure. an ammeter and a voltmeter of suitable ranges are to be used to measure the current and voltage of an electric lamp. to measure voltage in multisim we use probes. Copy of experiment 1 connecting the voltmeter and ammeter. How to use multimeter. Voltmeter And Ammeter Multisim.
From askanydifference.com
Ammeter vs Voltmeter Difference and Comparison Voltmeter And Ammeter Multisim How to use multimeter in multisim, 2. to measure voltage in multisim we use probes. Copy of experiment 1 connecting the voltmeter and ammeter. How to use avo meter in multisim, 3. an ammeter and a voltmeter of suitable ranges are to be used to measure the current and voltage of an electric lamp. Place this on a. Voltmeter And Ammeter Multisim.
From www.multisim.com
Voltmeter AC Multisim Live Voltmeter And Ammeter Multisim in this simulation you will learn 1. to measure voltage in multisim we use probes. How to use avo meter in multisim, 3. Place this on a wire in your circuit. Copy of experiment 1 connecting the voltmeter and ammeter. If mistakes were made and meters interchanged, what. an ammeter and a voltmeter of suitable ranges are. Voltmeter And Ammeter Multisim.
From www.chegg.com
Solved Multisim [FIG3.3.MS7] File Edit View Place Simulate Voltmeter And Ammeter Multisim Place this on a wire in your circuit. very easy to use ammeter and voltmeter in this software How to use avo meter in multisim, 3. Copy of experiment 1 connecting the voltmeter and ammeter. in this simulation you will learn 1. 5) voltmeter the voltmeter offers advantages over the multimeter for measuring voltage in a circuit.. Voltmeter And Ammeter Multisim.
From www.alamy.com
Voltmeter and Ammeter for use in school physics laboratory Stock Photo Voltmeter And Ammeter Multisim How to use multimeter in multisim, 2. Place this on a wire in your circuit. learn how to place digital multimeters (dmms) in multisim and set them to measure. Locate the voltage probe icon at the left hand side of the screen 2. ni multisim live lets you create, share, collaborate,. How to use avo meter in multisim,. Voltmeter And Ammeter Multisim.
From electricalbaba.com
Voltmeter Ammeter Method for Measurement of Resistance Electrical Voltmeter And Ammeter Multisim How to use multimeter in multisim, 2. Always connect the voltmeter in. to measure voltage in multisim we use probes. 5) voltmeter the voltmeter offers advantages over the multimeter for measuring voltage in a circuit. How to use avo meter in multisim, 3. Place this on a wire in your circuit. an ammeter and a voltmeter of. Voltmeter And Ammeter Multisim.
From www.youtube.com
Multimeter in multisim / how to use voltmeter RICHMULTI YouTube Voltmeter And Ammeter Multisim in this simulation you will learn 1. How to use avo meter in multisim, 3. to measure voltage in multisim we use probes. learn how to place digital multimeters (dmms) in multisim and set them to measure. How to use multimeter in multisim, 2. Copy of experiment 1 connecting the voltmeter and ammeter. Place this on a. Voltmeter And Ammeter Multisim.
From www.numerade.com
Please solve using Multisim software. Using Multisim application Voltmeter And Ammeter Multisim ni multisim live lets you create, share, collaborate,. a real (cheap) ac voltmeters and ammeters work in this way, i.e., they ignore the dc component of the signal and measure the. in this simulation you will learn 1. 5) voltmeter the voltmeter offers advantages over the multimeter for measuring voltage in a circuit. Place this on. Voltmeter And Ammeter Multisim.
From www.solutionspile.com
[Solved] solve this using multisim Using Multisim appl Voltmeter And Ammeter Multisim ni multisim live lets you create, share, collaborate,. an ammeter and a voltmeter of suitable ranges are to be used to measure the current and voltage of an electric lamp. 5) voltmeter the voltmeter offers advantages over the multimeter for measuring voltage in a circuit. Copy of experiment 1 connecting the voltmeter and ammeter. Place this on. Voltmeter And Ammeter Multisim.
From www.walmart.com
FLUKE F15B+ 4000 Counts Multimeter Portable Digital Multimeter Handheld Voltmeter And Ammeter Multisim learn how to place digital multimeters (dmms) in multisim and set them to measure. If mistakes were made and meters interchanged, what. Copy of experiment 1 connecting the voltmeter and ammeter. Place this on a wire in your circuit. in this simulation you will learn 1. ni multisim live lets you create, share, collaborate,. to measure. Voltmeter And Ammeter Multisim.