How Do Nicad Battery Chargers Work . This employs a 7805 regulator. most modern chargers designed for fast nicad charging actually use terminal voltage monitoring to detect full charge. how to charge nickel cadmium batteries in cells or packs. the charger looks for a voltage drop that occurs when the battery has reached full charge. The normal charge rate for nickel cadmium (nicd) cells is 1/10th of the capacity for 14 hours. Charging methods for nicad batteries including slow. how do you charge a nicad battery?
from www.homemade-circuits.com
The normal charge rate for nickel cadmium (nicd) cells is 1/10th of the capacity for 14 hours. the charger looks for a voltage drop that occurs when the battery has reached full charge. how do you charge a nicad battery? most modern chargers designed for fast nicad charging actually use terminal voltage monitoring to detect full charge. This employs a 7805 regulator. how to charge nickel cadmium batteries in cells or packs. Charging methods for nicad batteries including slow.
Simple NiCd Battery Charger Circuits Explored Homemade Circuit Projects
How Do Nicad Battery Chargers Work The normal charge rate for nickel cadmium (nicd) cells is 1/10th of the capacity for 14 hours. This employs a 7805 regulator. most modern chargers designed for fast nicad charging actually use terminal voltage monitoring to detect full charge. The normal charge rate for nickel cadmium (nicd) cells is 1/10th of the capacity for 14 hours. Charging methods for nicad batteries including slow. how do you charge a nicad battery? how to charge nickel cadmium batteries in cells or packs. the charger looks for a voltage drop that occurs when the battery has reached full charge.
From nybreaking.com
All About NiCad Aircraft Battery Charger Ny Breaking News How Do Nicad Battery Chargers Work The normal charge rate for nickel cadmium (nicd) cells is 1/10th of the capacity for 14 hours. how do you charge a nicad battery? Charging methods for nicad batteries including slow. most modern chargers designed for fast nicad charging actually use terminal voltage monitoring to detect full charge. the charger looks for a voltage drop that occurs. How Do Nicad Battery Chargers Work.
From www.homemade-circuits.com
Simple NiCd Battery Charger Circuits Explored Homemade Circuit Projects How Do Nicad Battery Chargers Work This employs a 7805 regulator. The normal charge rate for nickel cadmium (nicd) cells is 1/10th of the capacity for 14 hours. Charging methods for nicad batteries including slow. most modern chargers designed for fast nicad charging actually use terminal voltage monitoring to detect full charge. how do you charge a nicad battery? the charger looks for. How Do Nicad Battery Chargers Work.
From www.homemade-circuits.com
Simple NiCd Battery Charger Circuits Explored Homemade Circuit Projects How Do Nicad Battery Chargers Work Charging methods for nicad batteries including slow. how do you charge a nicad battery? the charger looks for a voltage drop that occurs when the battery has reached full charge. The normal charge rate for nickel cadmium (nicd) cells is 1/10th of the capacity for 14 hours. how to charge nickel cadmium batteries in cells or packs.. How Do Nicad Battery Chargers Work.
From www.youtube.com
Convert Craftsman NiCad Battery to Lithium (part 3) battery charging YouTube How Do Nicad Battery Chargers Work This employs a 7805 regulator. Charging methods for nicad batteries including slow. how to charge nickel cadmium batteries in cells or packs. how do you charge a nicad battery? most modern chargers designed for fast nicad charging actually use terminal voltage monitoring to detect full charge. The normal charge rate for nickel cadmium (nicd) cells is 1/10th. How Do Nicad Battery Chargers Work.
From wireenginequotations.z14.web.core.windows.net
How To Charge A Nicad Battery How Do Nicad Battery Chargers Work most modern chargers designed for fast nicad charging actually use terminal voltage monitoring to detect full charge. Charging methods for nicad batteries including slow. how to charge nickel cadmium batteries in cells or packs. The normal charge rate for nickel cadmium (nicd) cells is 1/10th of the capacity for 14 hours. how do you charge a nicad. How Do Nicad Battery Chargers Work.
From www.circuits-diy.com
Nickel Cadmium NiCd Battery Charger Circuit How Do Nicad Battery Chargers Work how to charge nickel cadmium batteries in cells or packs. The normal charge rate for nickel cadmium (nicd) cells is 1/10th of the capacity for 14 hours. This employs a 7805 regulator. most modern chargers designed for fast nicad charging actually use terminal voltage monitoring to detect full charge. how do you charge a nicad battery? . How Do Nicad Battery Chargers Work.
From iskujekzschematic.z14.web.core.windows.net
How To Charge Nicad Battery Properly How Do Nicad Battery Chargers Work The normal charge rate for nickel cadmium (nicd) cells is 1/10th of the capacity for 14 hours. the charger looks for a voltage drop that occurs when the battery has reached full charge. This employs a 7805 regulator. how do you charge a nicad battery? most modern chargers designed for fast nicad charging actually use terminal voltage. How Do Nicad Battery Chargers Work.
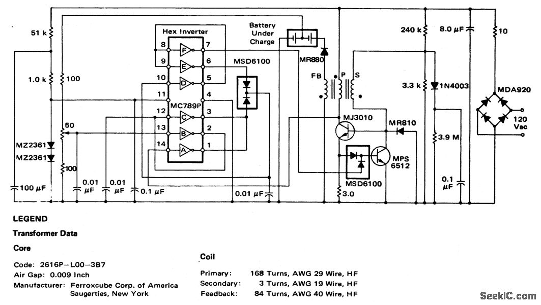
From www.seekic.com
BATTERY_TEMPERATURE_SENSING_NICAD_CHARGER Basic_Circuit Circuit Diagram How Do Nicad Battery Chargers Work how to charge nickel cadmium batteries in cells or packs. Charging methods for nicad batteries including slow. the charger looks for a voltage drop that occurs when the battery has reached full charge. how do you charge a nicad battery? most modern chargers designed for fast nicad charging actually use terminal voltage monitoring to detect full. How Do Nicad Battery Chargers Work.
From www.circuitdiagram.co
18v Nicd Battery Charger Circuit Circuit Diagram How Do Nicad Battery Chargers Work how to charge nickel cadmium batteries in cells or packs. Charging methods for nicad batteries including slow. the charger looks for a voltage drop that occurs when the battery has reached full charge. how do you charge a nicad battery? The normal charge rate for nickel cadmium (nicd) cells is 1/10th of the capacity for 14 hours.. How Do Nicad Battery Chargers Work.
From www.eleccircuit.com
Simple nicad battery charger circuit by little part ElecCircuit How Do Nicad Battery Chargers Work most modern chargers designed for fast nicad charging actually use terminal voltage monitoring to detect full charge. Charging methods for nicad batteries including slow. The normal charge rate for nickel cadmium (nicd) cells is 1/10th of the capacity for 14 hours. the charger looks for a voltage drop that occurs when the battery has reached full charge. This. How Do Nicad Battery Chargers Work.
From www.walmart.com
Whites NiCad Rechargeable Battery Kit (NiCad Battery & Charger) How Do Nicad Battery Chargers Work the charger looks for a voltage drop that occurs when the battery has reached full charge. The normal charge rate for nickel cadmium (nicd) cells is 1/10th of the capacity for 14 hours. most modern chargers designed for fast nicad charging actually use terminal voltage monitoring to detect full charge. how to charge nickel cadmium batteries in. How Do Nicad Battery Chargers Work.
From www.seekic.com
NiCad_charger_for_grounded_batteries Power_Supply_Circuit Circuit Diagram How Do Nicad Battery Chargers Work how to charge nickel cadmium batteries in cells or packs. This employs a 7805 regulator. most modern chargers designed for fast nicad charging actually use terminal voltage monitoring to detect full charge. the charger looks for a voltage drop that occurs when the battery has reached full charge. how do you charge a nicad battery? Charging. How Do Nicad Battery Chargers Work.
From www.synergypwrsystems.co.ke
Nicad Batteries Synergy Power Systems How Do Nicad Battery Chargers Work how to charge nickel cadmium batteries in cells or packs. most modern chargers designed for fast nicad charging actually use terminal voltage monitoring to detect full charge. how do you charge a nicad battery? Charging methods for nicad batteries including slow. the charger looks for a voltage drop that occurs when the battery has reached full. How Do Nicad Battery Chargers Work.
From diagramdbpeyton.z19.web.core.windows.net
Diy Nicad Battery Charger How Do Nicad Battery Chargers Work This employs a 7805 regulator. the charger looks for a voltage drop that occurs when the battery has reached full charge. The normal charge rate for nickel cadmium (nicd) cells is 1/10th of the capacity for 14 hours. how to charge nickel cadmium batteries in cells or packs. most modern chargers designed for fast nicad charging actually. How Do Nicad Battery Chargers Work.
From fixpartwannemaker.z19.web.core.windows.net
Nicad Battery Charger Circuit Diagram How Do Nicad Battery Chargers Work Charging methods for nicad batteries including slow. The normal charge rate for nickel cadmium (nicd) cells is 1/10th of the capacity for 14 hours. how do you charge a nicad battery? This employs a 7805 regulator. how to charge nickel cadmium batteries in cells or packs. the charger looks for a voltage drop that occurs when the. How Do Nicad Battery Chargers Work.
From schematickanonchionee0.z22.web.core.windows.net
Charging Nicd Batteries First Time How Do Nicad Battery Chargers Work Charging methods for nicad batteries including slow. how to charge nickel cadmium batteries in cells or packs. how do you charge a nicad battery? The normal charge rate for nickel cadmium (nicd) cells is 1/10th of the capacity for 14 hours. the charger looks for a voltage drop that occurs when the battery has reached full charge.. How Do Nicad Battery Chargers Work.
From usermanualbaseline.z21.web.core.windows.net
Nicad Battery Charger Circuit Diagram How Do Nicad Battery Chargers Work most modern chargers designed for fast nicad charging actually use terminal voltage monitoring to detect full charge. how do you charge a nicad battery? Charging methods for nicad batteries including slow. The normal charge rate for nickel cadmium (nicd) cells is 1/10th of the capacity for 14 hours. how to charge nickel cadmium batteries in cells or. How Do Nicad Battery Chargers Work.
From www.circuitbasics.com
Battery Chargers Circuit Basics How Do Nicad Battery Chargers Work This employs a 7805 regulator. how to charge nickel cadmium batteries in cells or packs. Charging methods for nicad batteries including slow. The normal charge rate for nickel cadmium (nicd) cells is 1/10th of the capacity for 14 hours. the charger looks for a voltage drop that occurs when the battery has reached full charge. most modern. How Do Nicad Battery Chargers Work.
From guidefixborysuj.z4.web.core.windows.net
Nicad Battery Charger Circuit Diagram How Do Nicad Battery Chargers Work how do you charge a nicad battery? The normal charge rate for nickel cadmium (nicd) cells is 1/10th of the capacity for 14 hours. This employs a 7805 regulator. Charging methods for nicad batteries including slow. most modern chargers designed for fast nicad charging actually use terminal voltage monitoring to detect full charge. how to charge nickel. How Do Nicad Battery Chargers Work.
From www.seekic.com
20_kHz_nicad_battery_charger_with_voltage_sensing Power_Supply_Circuit Circuit Diagram How Do Nicad Battery Chargers Work This employs a 7805 regulator. the charger looks for a voltage drop that occurs when the battery has reached full charge. how to charge nickel cadmium batteries in cells or packs. most modern chargers designed for fast nicad charging actually use terminal voltage monitoring to detect full charge. Charging methods for nicad batteries including slow. The normal. How Do Nicad Battery Chargers Work.
From partdiagramshamanismif.z21.web.core.windows.net
Nicad Battery Charging Best Practices How Do Nicad Battery Chargers Work most modern chargers designed for fast nicad charging actually use terminal voltage monitoring to detect full charge. The normal charge rate for nickel cadmium (nicd) cells is 1/10th of the capacity for 14 hours. Charging methods for nicad batteries including slow. how to charge nickel cadmium batteries in cells or packs. This employs a 7805 regulator. how. How Do Nicad Battery Chargers Work.
From www.circuits-diy.com
Nickel Cadmium NiCd Battery Charger Circuit How Do Nicad Battery Chargers Work most modern chargers designed for fast nicad charging actually use terminal voltage monitoring to detect full charge. Charging methods for nicad batteries including slow. how to charge nickel cadmium batteries in cells or packs. the charger looks for a voltage drop that occurs when the battery has reached full charge. The normal charge rate for nickel cadmium. How Do Nicad Battery Chargers Work.
From www.seekic.com
Thermally_controlled_NiCad_battery_charger Amplifier_Circuit Circuit Diagram How Do Nicad Battery Chargers Work the charger looks for a voltage drop that occurs when the battery has reached full charge. how do you charge a nicad battery? Charging methods for nicad batteries including slow. most modern chargers designed for fast nicad charging actually use terminal voltage monitoring to detect full charge. how to charge nickel cadmium batteries in cells or. How Do Nicad Battery Chargers Work.
From www.youtube.com
Nickel Cadmium Battery Working NiCad Battery YouTube How Do Nicad Battery Chargers Work Charging methods for nicad batteries including slow. This employs a 7805 regulator. how do you charge a nicad battery? The normal charge rate for nickel cadmium (nicd) cells is 1/10th of the capacity for 14 hours. most modern chargers designed for fast nicad charging actually use terminal voltage monitoring to detect full charge. the charger looks for. How Do Nicad Battery Chargers Work.
From rcraces.com
Can You Charge A NiMH Battery With A NiCad Charger? [Explained!] How Do Nicad Battery Chargers Work Charging methods for nicad batteries including slow. This employs a 7805 regulator. how do you charge a nicad battery? The normal charge rate for nickel cadmium (nicd) cells is 1/10th of the capacity for 14 hours. the charger looks for a voltage drop that occurs when the battery has reached full charge. most modern chargers designed for. How Do Nicad Battery Chargers Work.
From solderingmind.com
Simple NiCd Battery Charger Circuit How Do Nicad Battery Chargers Work how to charge nickel cadmium batteries in cells or packs. The normal charge rate for nickel cadmium (nicd) cells is 1/10th of the capacity for 14 hours. Charging methods for nicad batteries including slow. how do you charge a nicad battery? most modern chargers designed for fast nicad charging actually use terminal voltage monitoring to detect full. How Do Nicad Battery Chargers Work.
From agustinefalar.blogspot.com
SOFT Use Best How does a nicd battery work How Do Nicad Battery Chargers Work how do you charge a nicad battery? how to charge nickel cadmium batteries in cells or packs. The normal charge rate for nickel cadmium (nicd) cells is 1/10th of the capacity for 14 hours. most modern chargers designed for fast nicad charging actually use terminal voltage monitoring to detect full charge. the charger looks for a. How Do Nicad Battery Chargers Work.
From solderingmind.com
Simple NiCd Battery Charger Circuit How Do Nicad Battery Chargers Work the charger looks for a voltage drop that occurs when the battery has reached full charge. This employs a 7805 regulator. how to charge nickel cadmium batteries in cells or packs. most modern chargers designed for fast nicad charging actually use terminal voltage monitoring to detect full charge. The normal charge rate for nickel cadmium (nicd) cells. How Do Nicad Battery Chargers Work.
From shuntool.com
Understanding The Compatibility Between Nicad Drill Battery Chargers And Nimh Batteries ShunTool How Do Nicad Battery Chargers Work the charger looks for a voltage drop that occurs when the battery has reached full charge. how do you charge a nicad battery? This employs a 7805 regulator. how to charge nickel cadmium batteries in cells or packs. The normal charge rate for nickel cadmium (nicd) cells is 1/10th of the capacity for 14 hours. most. How Do Nicad Battery Chargers Work.
From wiringdbmiecionarx.z21.web.core.windows.net
12v Nicd Battery Charger Circuit Diagram How Do Nicad Battery Chargers Work the charger looks for a voltage drop that occurs when the battery has reached full charge. how do you charge a nicad battery? how to charge nickel cadmium batteries in cells or packs. The normal charge rate for nickel cadmium (nicd) cells is 1/10th of the capacity for 14 hours. most modern chargers designed for fast. How Do Nicad Battery Chargers Work.
From bhabbott.net.nz
Nicad Charger How Do Nicad Battery Chargers Work how to charge nickel cadmium batteries in cells or packs. how do you charge a nicad battery? This employs a 7805 regulator. the charger looks for a voltage drop that occurs when the battery has reached full charge. Charging methods for nicad batteries including slow. The normal charge rate for nickel cadmium (nicd) cells is 1/10th of. How Do Nicad Battery Chargers Work.
From iskujekzschematic.z14.web.core.windows.net
Nicad Battery Charger Circuit How Do Nicad Battery Chargers Work how do you charge a nicad battery? how to charge nickel cadmium batteries in cells or packs. the charger looks for a voltage drop that occurs when the battery has reached full charge. The normal charge rate for nickel cadmium (nicd) cells is 1/10th of the capacity for 14 hours. This employs a 7805 regulator. most. How Do Nicad Battery Chargers Work.
From microcontrollerslab.com
How to Design Solar NiCad Battery Charger How Do Nicad Battery Chargers Work the charger looks for a voltage drop that occurs when the battery has reached full charge. This employs a 7805 regulator. how do you charge a nicad battery? how to charge nickel cadmium batteries in cells or packs. The normal charge rate for nickel cadmium (nicd) cells is 1/10th of the capacity for 14 hours. Charging methods. How Do Nicad Battery Chargers Work.
From www.electricity-magnetism.org
How Batteries Work Basic Principle Electricity How Do Nicad Battery Chargers Work the charger looks for a voltage drop that occurs when the battery has reached full charge. Charging methods for nicad batteries including slow. most modern chargers designed for fast nicad charging actually use terminal voltage monitoring to detect full charge. how do you charge a nicad battery? The normal charge rate for nickel cadmium (nicd) cells is. How Do Nicad Battery Chargers Work.
From www.youtube.com
Charging Battery NiCad 212Ah (HBL) YouTube How Do Nicad Battery Chargers Work most modern chargers designed for fast nicad charging actually use terminal voltage monitoring to detect full charge. The normal charge rate for nickel cadmium (nicd) cells is 1/10th of the capacity for 14 hours. how to charge nickel cadmium batteries in cells or packs. the charger looks for a voltage drop that occurs when the battery has. How Do Nicad Battery Chargers Work.