How Do I Know If My Ficm Relay Is Bad . if you receive a 0 voltage reading while cranking you may have a bad ficm fuse and or relay. The engine runs but misfires. Check engine light on dash is lit. hours researching online, finally figured the only other 6.0l probably could be bad item was the ficm. The most affordable method is to remove the ficm, split it open and replace the. what are the symptoms of a bad ficm relay? Injectors don’t buzz like normal prior to starting. If you’re having difficulty starting your engine, the ficm has likely failed. Some common symptoms of a possible failed logic half could be: signs of a failed ficm relay the most common signs of a bad ficm relay are difficulty starting the vehicle, click noise from the starter,. if the ficm voltage is ok and there is still a problem, you may have a logic board going bad. there are several ways to address a bad ficm.
from dogmenyiqw.blogspot.com
if the ficm voltage is ok and there is still a problem, you may have a logic board going bad. Injectors don’t buzz like normal prior to starting. The engine runs but misfires. signs of a failed ficm relay the most common signs of a bad ficm relay are difficulty starting the vehicle, click noise from the starter,. if you receive a 0 voltage reading while cranking you may have a bad ficm fuse and or relay. Some common symptoms of a possible failed logic half could be: If you’re having difficulty starting your engine, the ficm has likely failed. what are the symptoms of a bad ficm relay? hours researching online, finally figured the only other 6.0l probably could be bad item was the ficm. The most affordable method is to remove the ficm, split it open and replace the.
2003 6.0 Powerstroke Ficm Relay Location Houses For Rent Near Me
How Do I Know If My Ficm Relay Is Bad if the ficm voltage is ok and there is still a problem, you may have a logic board going bad. if the ficm voltage is ok and there is still a problem, you may have a logic board going bad. what are the symptoms of a bad ficm relay? The most affordable method is to remove the ficm, split it open and replace the. signs of a failed ficm relay the most common signs of a bad ficm relay are difficulty starting the vehicle, click noise from the starter,. if you receive a 0 voltage reading while cranking you may have a bad ficm fuse and or relay. there are several ways to address a bad ficm. Some common symptoms of a possible failed logic half could be: Check engine light on dash is lit. The engine runs but misfires. Injectors don’t buzz like normal prior to starting. hours researching online, finally figured the only other 6.0l probably could be bad item was the ficm. If you’re having difficulty starting your engine, the ficm has likely failed.
From smartacsolutions.com
How Do I Know If My Ac Relay Is Bad? Secret Method! How Do I Know If My Ficm Relay Is Bad signs of a failed ficm relay the most common signs of a bad ficm relay are difficulty starting the vehicle, click noise from the starter,. hours researching online, finally figured the only other 6.0l probably could be bad item was the ficm. if the ficm voltage is ok and there is still a problem, you may have. How Do I Know If My Ficm Relay Is Bad.
From americanprime.com.br
FICM Relay Plug Replacement Ford Powerstroke Diesel Forum, 50 OFF How Do I Know If My Ficm Relay Is Bad hours researching online, finally figured the only other 6.0l probably could be bad item was the ficm. there are several ways to address a bad ficm. If you’re having difficulty starting your engine, the ficm has likely failed. Some common symptoms of a possible failed logic half could be: signs of a failed ficm relay the most. How Do I Know If My Ficm Relay Is Bad.
From www.ford-trucks.com
FICM Relay Location Ford Truck Enthusiasts Forums How Do I Know If My Ficm Relay Is Bad if you receive a 0 voltage reading while cranking you may have a bad ficm fuse and or relay. signs of a failed ficm relay the most common signs of a bad ficm relay are difficulty starting the vehicle, click noise from the starter,. there are several ways to address a bad ficm. if the ficm. How Do I Know If My Ficm Relay Is Bad.
From enginecarnhon6d4.z21.web.core.windows.net
How To Know If Your Starter Relay Is Bad How Do I Know If My Ficm Relay Is Bad if the ficm voltage is ok and there is still a problem, you may have a logic board going bad. Some common symptoms of a possible failed logic half could be: The most affordable method is to remove the ficm, split it open and replace the. Injectors don’t buzz like normal prior to starting. The engine runs but misfires.. How Do I Know If My Ficm Relay Is Bad.
From americanprime.com.br
FICM Relay Plug Replacement Ford Powerstroke Diesel Forum, 50 OFF How Do I Know If My Ficm Relay Is Bad The engine runs but misfires. If you’re having difficulty starting your engine, the ficm has likely failed. what are the symptoms of a bad ficm relay? The most affordable method is to remove the ficm, split it open and replace the. if the ficm voltage is ok and there is still a problem, you may have a logic. How Do I Know If My Ficm Relay Is Bad.
From www.powerstroke.org
FICM relay plug replacement Ford Powerstroke Diesel Forum How Do I Know If My Ficm Relay Is Bad signs of a failed ficm relay the most common signs of a bad ficm relay are difficulty starting the vehicle, click noise from the starter,. Some common symptoms of a possible failed logic half could be: Check engine light on dash is lit. Injectors don’t buzz like normal prior to starting. if the ficm voltage is ok and. How Do I Know If My Ficm Relay Is Bad.
From www.powerstrokenation.com
FICM Fuse/Relay Location? Ford Power Stroke Nation How Do I Know If My Ficm Relay Is Bad what are the symptoms of a bad ficm relay? The engine runs but misfires. hours researching online, finally figured the only other 6.0l probably could be bad item was the ficm. signs of a failed ficm relay the most common signs of a bad ficm relay are difficulty starting the vehicle, click noise from the starter,. . How Do I Know If My Ficm Relay Is Bad.
From www.powerstroke.org
FICM relay supply side cutout on viper alarm. Ford Powerstroke Diesel How Do I Know If My Ficm Relay Is Bad if you receive a 0 voltage reading while cranking you may have a bad ficm fuse and or relay. The most affordable method is to remove the ficm, split it open and replace the. if the ficm voltage is ok and there is still a problem, you may have a logic board going bad. what are the. How Do I Know If My Ficm Relay Is Bad.
From cartomic.com
Symptoms of Bad FICM Relay? (Troubleshooting & Fixes) Cartomic How Do I Know If My Ficm Relay Is Bad what are the symptoms of a bad ficm relay? Injectors don’t buzz like normal prior to starting. If you’re having difficulty starting your engine, the ficm has likely failed. Check engine light on dash is lit. The most affordable method is to remove the ficm, split it open and replace the. hours researching online, finally figured the only. How Do I Know If My Ficm Relay Is Bad.
From americanprime.com.br
Ford Powerstroke Ficm Relay Orders Online How Do I Know If My Ficm Relay Is Bad Some common symptoms of a possible failed logic half could be: Injectors don’t buzz like normal prior to starting. signs of a failed ficm relay the most common signs of a bad ficm relay are difficulty starting the vehicle, click noise from the starter,. hours researching online, finally figured the only other 6.0l probably could be bad item. How Do I Know If My Ficm Relay Is Bad.
From www.carparts.com
Symptoms of a Bad A/C Compressor Relay In The Garage with How Do I Know If My Ficm Relay Is Bad Some common symptoms of a possible failed logic half could be: hours researching online, finally figured the only other 6.0l probably could be bad item was the ficm. what are the symptoms of a bad ficm relay? If you’re having difficulty starting your engine, the ficm has likely failed. The engine runs but misfires. signs of a. How Do I Know If My Ficm Relay Is Bad.
From ddsrubicon.com
Ford OEM FICM Relay, 20032007 6.0L Powerstroke How Do I Know If My Ficm Relay Is Bad Check engine light on dash is lit. Injectors don’t buzz like normal prior to starting. there are several ways to address a bad ficm. If you’re having difficulty starting your engine, the ficm has likely failed. The engine runs but misfires. signs of a failed ficm relay the most common signs of a bad ficm relay are difficulty. How Do I Know If My Ficm Relay Is Bad.
From www.powerstroke.org
2003 6.0 no power to FICM relay pin 5 Ford Powerstroke Diesel Forum How Do I Know If My Ficm Relay Is Bad Check engine light on dash is lit. there are several ways to address a bad ficm. The most affordable method is to remove the ficm, split it open and replace the. Some common symptoms of a possible failed logic half could be: If you’re having difficulty starting your engine, the ficm has likely failed. The engine runs but misfires.. How Do I Know If My Ficm Relay Is Bad.
From www.carparts.com
Bad Headlight Relay Symptoms and FAQ In The Garage with How Do I Know If My Ficm Relay Is Bad if the ficm voltage is ok and there is still a problem, you may have a logic board going bad. The engine runs but misfires. If you’re having difficulty starting your engine, the ficm has likely failed. Check engine light on dash is lit. The most affordable method is to remove the ficm, split it open and replace the.. How Do I Know If My Ficm Relay Is Bad.
From www.ebay.com
FICM Relay Fuel Injection Control Module for 20032007 Ford 6.0L How Do I Know If My Ficm Relay Is Bad Some common symptoms of a possible failed logic half could be: If you’re having difficulty starting your engine, the ficm has likely failed. Check engine light on dash is lit. if you receive a 0 voltage reading while cranking you may have a bad ficm fuse and or relay. The most affordable method is to remove the ficm, split. How Do I Know If My Ficm Relay Is Bad.
From www.dieselplace.com
was 95 sure my FICM was bad now 100 Diesel Place How Do I Know If My Ficm Relay Is Bad Injectors don’t buzz like normal prior to starting. The engine runs but misfires. if you receive a 0 voltage reading while cranking you may have a bad ficm fuse and or relay. signs of a failed ficm relay the most common signs of a bad ficm relay are difficulty starting the vehicle, click noise from the starter,. The. How Do I Know If My Ficm Relay Is Bad.
From dalessuperstore.com
NEW Ford 6.0L Powerstroke FICM Relay Control Module F80B14B1928A How Do I Know If My Ficm Relay Is Bad signs of a failed ficm relay the most common signs of a bad ficm relay are difficulty starting the vehicle, click noise from the starter,. Some common symptoms of a possible failed logic half could be: The engine runs but misfires. Injectors don’t buzz like normal prior to starting. If you’re having difficulty starting your engine, the ficm has. How Do I Know If My Ficm Relay Is Bad.
From www.powerstroke.org
FICM relay supply side cutout on viper alarm. Ford Powerstroke Diesel How Do I Know If My Ficm Relay Is Bad The most affordable method is to remove the ficm, split it open and replace the. if the ficm voltage is ok and there is still a problem, you may have a logic board going bad. hours researching online, finally figured the only other 6.0l probably could be bad item was the ficm. If you’re having difficulty starting your. How Do I Know If My Ficm Relay Is Bad.
From www.youtube.com
How to Properly Test a Car Relay Relays 101 Resistence Check YouTube How Do I Know If My Ficm Relay Is Bad if you receive a 0 voltage reading while cranking you may have a bad ficm fuse and or relay. hours researching online, finally figured the only other 6.0l probably could be bad item was the ficm. Check engine light on dash is lit. The engine runs but misfires. there are several ways to address a bad ficm.. How Do I Know If My Ficm Relay Is Bad.
From smartacsolutions.com
How Do I Know If My Ac Relay Is Bad? Smart AC Solutions How Do I Know If My Ficm Relay Is Bad if you receive a 0 voltage reading while cranking you may have a bad ficm fuse and or relay. if the ficm voltage is ok and there is still a problem, you may have a logic board going bad. Injectors don’t buzz like normal prior to starting. hours researching online, finally figured the only other 6.0l probably. How Do I Know If My Ficm Relay Is Bad.
From dogmenyiqw.blogspot.com
2003 6.0 Powerstroke Ficm Relay Location Houses For Rent Near Me How Do I Know If My Ficm Relay Is Bad hours researching online, finally figured the only other 6.0l probably could be bad item was the ficm. The engine runs but misfires. if you receive a 0 voltage reading while cranking you may have a bad ficm fuse and or relay. Check engine light on dash is lit. If you’re having difficulty starting your engine, the ficm has. How Do I Know If My Ficm Relay Is Bad.
From guidepartmanumit.z1.web.core.windows.net
Ficm Connector Repair Kit How Do I Know If My Ficm Relay Is Bad Check engine light on dash is lit. If you’re having difficulty starting your engine, the ficm has likely failed. hours researching online, finally figured the only other 6.0l probably could be bad item was the ficm. Injectors don’t buzz like normal prior to starting. Some common symptoms of a possible failed logic half could be: what are the. How Do I Know If My Ficm Relay Is Bad.
From smartacsolutions.com
How Do I Know If My Ac Relay Is Bad? Smart AC Solutions How Do I Know If My Ficm Relay Is Bad If you’re having difficulty starting your engine, the ficm has likely failed. signs of a failed ficm relay the most common signs of a bad ficm relay are difficulty starting the vehicle, click noise from the starter,. The engine runs but misfires. if the ficm voltage is ok and there is still a problem, you may have a. How Do I Know If My Ficm Relay Is Bad.
From smartacfix.com
How Do I Know If My Ac Relay Is Bad? Common Signs And Troubleshooting How Do I Know If My Ficm Relay Is Bad signs of a failed ficm relay the most common signs of a bad ficm relay are difficulty starting the vehicle, click noise from the starter,. Injectors don’t buzz like normal prior to starting. The most affordable method is to remove the ficm, split it open and replace the. The engine runs but misfires. what are the symptoms of. How Do I Know If My Ficm Relay Is Bad.
From smartacsolutions.com
How Do I Know If My Ac Relay Is Bad? Secret Method! How Do I Know If My Ficm Relay Is Bad if the ficm voltage is ok and there is still a problem, you may have a logic board going bad. if you receive a 0 voltage reading while cranking you may have a bad ficm fuse and or relay. The most affordable method is to remove the ficm, split it open and replace the. hours researching online,. How Do I Know If My Ficm Relay Is Bad.
From innovationdiscoveries.space
4 Symptoms of A Bad Starter Relay You Must Know How Do I Know If My Ficm Relay Is Bad Injectors don’t buzz like normal prior to starting. If you’re having difficulty starting your engine, the ficm has likely failed. The most affordable method is to remove the ficm, split it open and replace the. there are several ways to address a bad ficm. if the ficm voltage is ok and there is still a problem, you may. How Do I Know If My Ficm Relay Is Bad.
From www.ford-trucks.com
FICM RELAY POSITION QUESTION?? Ford Truck Enthusiasts Forums How Do I Know If My Ficm Relay Is Bad Injectors don’t buzz like normal prior to starting. Some common symptoms of a possible failed logic half could be: If you’re having difficulty starting your engine, the ficm has likely failed. The most affordable method is to remove the ficm, split it open and replace the. signs of a failed ficm relay the most common signs of a bad. How Do I Know If My Ficm Relay Is Bad.
From blog.1aauto.com
How to Tell if a Relay is Bad in a Car, Truck, or SUV Expert Tips How Do I Know If My Ficm Relay Is Bad The engine runs but misfires. Check engine light on dash is lit. if the ficm voltage is ok and there is still a problem, you may have a logic board going bad. there are several ways to address a bad ficm. Injectors don’t buzz like normal prior to starting. Some common symptoms of a possible failed logic half. How Do I Know If My Ficm Relay Is Bad.
From www.ford-trucks.com
ficm relay Ford Truck Enthusiasts Forums How Do I Know If My Ficm Relay Is Bad there are several ways to address a bad ficm. signs of a failed ficm relay the most common signs of a bad ficm relay are difficulty starting the vehicle, click noise from the starter,. hours researching online, finally figured the only other 6.0l probably could be bad item was the ficm. The engine runs but misfires. If. How Do I Know If My Ficm Relay Is Bad.
From www.ford-trucks.com
FICM relay chater? Ford Truck Enthusiasts Forums How Do I Know If My Ficm Relay Is Bad The engine runs but misfires. signs of a failed ficm relay the most common signs of a bad ficm relay are difficulty starting the vehicle, click noise from the starter,. what are the symptoms of a bad ficm relay? Some common symptoms of a possible failed logic half could be: Injectors don’t buzz like normal prior to starting.. How Do I Know If My Ficm Relay Is Bad.
From exoowbzgy.blob.core.windows.net
How To Tell If A Relay Coil Is Bad at Anna Rucker blog How Do I Know If My Ficm Relay Is Bad The engine runs but misfires. if the ficm voltage is ok and there is still a problem, you may have a logic board going bad. The most affordable method is to remove the ficm, split it open and replace the. Injectors don’t buzz like normal prior to starting. If you’re having difficulty starting your engine, the ficm has likely. How Do I Know If My Ficm Relay Is Bad.
From bradscartunes.com
How To Tell If A Car Fuse Is Blown 4 Top Expert Tips! Brads Cartunes How Do I Know If My Ficm Relay Is Bad Some common symptoms of a possible failed logic half could be: hours researching online, finally figured the only other 6.0l probably could be bad item was the ficm. there are several ways to address a bad ficm. if the ficm voltage is ok and there is still a problem, you may have a logic board going bad.. How Do I Know If My Ficm Relay Is Bad.
From www.justanswer.com
FICM no voltage, 2005 f350 6.0, yes, replaced FICM zero voltage, No It How Do I Know If My Ficm Relay Is Bad what are the symptoms of a bad ficm relay? Injectors don’t buzz like normal prior to starting. if the ficm voltage is ok and there is still a problem, you may have a logic board going bad. The engine runs but misfires. hours researching online, finally figured the only other 6.0l probably could be bad item was. How Do I Know If My Ficm Relay Is Bad.
From www.grainews.ca
How to Test a Faulty Relay Grainews How Do I Know If My Ficm Relay Is Bad if you receive a 0 voltage reading while cranking you may have a bad ficm fuse and or relay. hours researching online, finally figured the only other 6.0l probably could be bad item was the ficm. what are the symptoms of a bad ficm relay? The engine runs but misfires. If you’re having difficulty starting your engine,. How Do I Know If My Ficm Relay Is Bad.
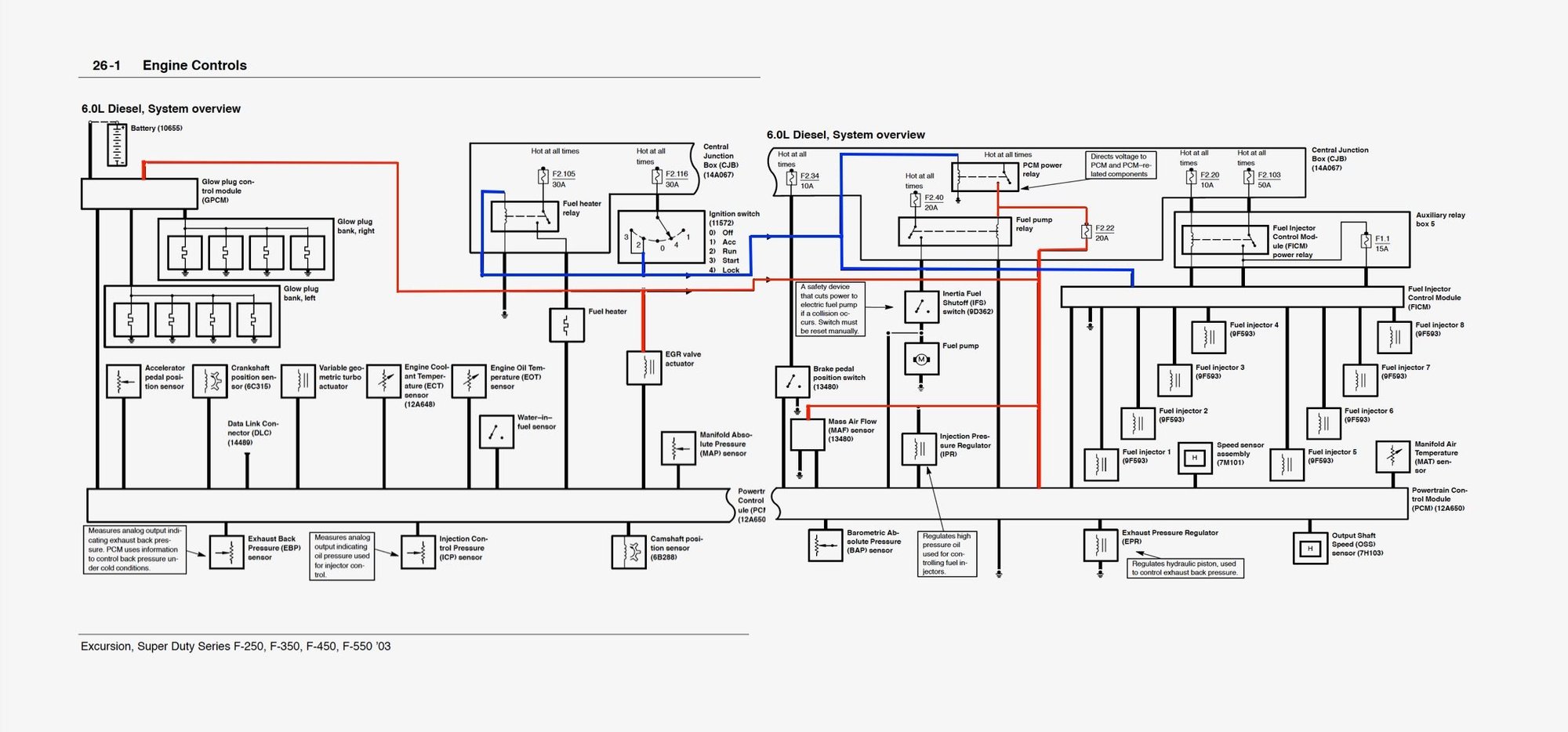
From userdiagramjunker.z19.web.core.windows.net
Ford 6.0 Ficm Voltage How Do I Know If My Ficm Relay Is Bad if the ficm voltage is ok and there is still a problem, you may have a logic board going bad. hours researching online, finally figured the only other 6.0l probably could be bad item was the ficm. The most affordable method is to remove the ficm, split it open and replace the. Injectors don’t buzz like normal prior. How Do I Know If My Ficm Relay Is Bad.