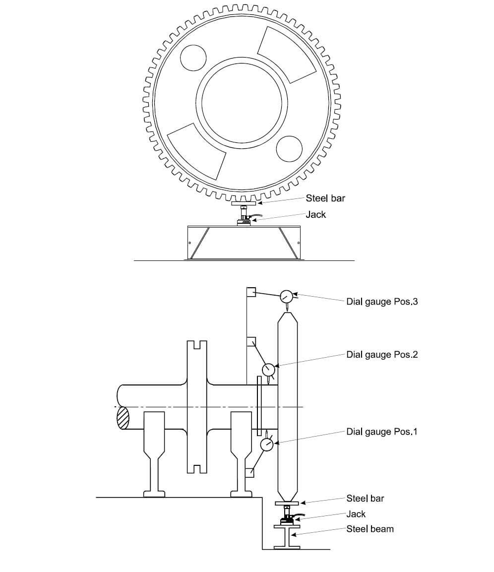
Shaft Jack Up Test Procedure . The last one is preferable from any. The graph of the jack load test when plotted allows an experienced technician to forecast or forewarn a possible worn out bearing which can be corroborated by shaft oil lubrication condition monitoring and bearing temperature trends. The jack up test, enable us to determine the actual reaction in way of accessible bearing and verify their influence coefficients. The purpose of the procedure is to ensure consistency of methodology and the acquisition. There are three main techniques: Guidelines for propulsion shaft alignment by the american bureau of shipping.
from www.goltens.com
The graph of the jack load test when plotted allows an experienced technician to forecast or forewarn a possible worn out bearing which can be corroborated by shaft oil lubrication condition monitoring and bearing temperature trends. Guidelines for propulsion shaft alignment by the american bureau of shipping. There are three main techniques: The last one is preferable from any. The jack up test, enable us to determine the actual reaction in way of accessible bearing and verify their influence coefficients. The purpose of the procedure is to ensure consistency of methodology and the acquisition.
InPlace Machining on Main Propulsion Shaft Goltens
Shaft Jack Up Test Procedure The graph of the jack load test when plotted allows an experienced technician to forecast or forewarn a possible worn out bearing which can be corroborated by shaft oil lubrication condition monitoring and bearing temperature trends. The jack up test, enable us to determine the actual reaction in way of accessible bearing and verify their influence coefficients. Guidelines for propulsion shaft alignment by the american bureau of shipping. The last one is preferable from any. The purpose of the procedure is to ensure consistency of methodology and the acquisition. There are three main techniques: The graph of the jack load test when plotted allows an experienced technician to forecast or forewarn a possible worn out bearing which can be corroborated by shaft oil lubrication condition monitoring and bearing temperature trends.
From www.pinterest.com
Below we will learn about the procedures involved in renewing a Shaft Jack Up Test Procedure The jack up test, enable us to determine the actual reaction in way of accessible bearing and verify their influence coefficients. The purpose of the procedure is to ensure consistency of methodology and the acquisition. Guidelines for propulsion shaft alignment by the american bureau of shipping. There are three main techniques: The last one is preferable from any. The graph. Shaft Jack Up Test Procedure.
From thenavalarch.com
Marine Propeller and Shafting Alignment Part 2 TheNavalArch Shaft Jack Up Test Procedure The purpose of the procedure is to ensure consistency of methodology and the acquisition. Guidelines for propulsion shaft alignment by the american bureau of shipping. The last one is preferable from any. There are three main techniques: The jack up test, enable us to determine the actual reaction in way of accessible bearing and verify their influence coefficients. The graph. Shaft Jack Up Test Procedure.
From workshopinsider.com
Jackup Test Procedure for Ship's Propulsion Bearings Insider Shaft Jack Up Test Procedure There are three main techniques: The graph of the jack load test when plotted allows an experienced technician to forecast or forewarn a possible worn out bearing which can be corroborated by shaft oil lubrication condition monitoring and bearing temperature trends. The purpose of the procedure is to ensure consistency of methodology and the acquisition. The jack up test, enable. Shaft Jack Up Test Procedure.
From www.youtube.com
This is How M/E Flywheel & Intermediate Shaft Jack Up Measurement Taken Shaft Jack Up Test Procedure The jack up test, enable us to determine the actual reaction in way of accessible bearing and verify their influence coefficients. The graph of the jack load test when plotted allows an experienced technician to forecast or forewarn a possible worn out bearing which can be corroborated by shaft oil lubrication condition monitoring and bearing temperature trends. Guidelines for propulsion. Shaft Jack Up Test Procedure.
From www.scribd.com
Shaft Jack Up Bearing (Mechanical) Mechanical Engineering Shaft Jack Up Test Procedure The last one is preferable from any. The purpose of the procedure is to ensure consistency of methodology and the acquisition. There are three main techniques: The graph of the jack load test when plotted allows an experienced technician to forecast or forewarn a possible worn out bearing which can be corroborated by shaft oil lubrication condition monitoring and bearing. Shaft Jack Up Test Procedure.
From www.marineinsight.com
Procedure For Ship Propeller Renewal Shaft Jack Up Test Procedure The purpose of the procedure is to ensure consistency of methodology and the acquisition. The last one is preferable from any. The jack up test, enable us to determine the actual reaction in way of accessible bearing and verify their influence coefficients. There are three main techniques: Guidelines for propulsion shaft alignment by the american bureau of shipping. The graph. Shaft Jack Up Test Procedure.
From brabon.org
shaft alignment bearing load Brabon Engineering Services Shaft Jack Up Test Procedure The graph of the jack load test when plotted allows an experienced technician to forecast or forewarn a possible worn out bearing which can be corroborated by shaft oil lubrication condition monitoring and bearing temperature trends. The purpose of the procedure is to ensure consistency of methodology and the acquisition. The last one is preferable from any. There are three. Shaft Jack Up Test Procedure.
From thenavalarch.com
Marine Propeller Shafting and Shafting Alignment Part 1 TheNavalArch Shaft Jack Up Test Procedure The graph of the jack load test when plotted allows an experienced technician to forecast or forewarn a possible worn out bearing which can be corroborated by shaft oil lubrication condition monitoring and bearing temperature trends. The last one is preferable from any. There are three main techniques: Guidelines for propulsion shaft alignment by the american bureau of shipping. The. Shaft Jack Up Test Procedure.
From shaftsoftware.com
JackUp Test Simulation The Shaft Calculation Software by IMT Shaft Jack Up Test Procedure The graph of the jack load test when plotted allows an experienced technician to forecast or forewarn a possible worn out bearing which can be corroborated by shaft oil lubrication condition monitoring and bearing temperature trends. The purpose of the procedure is to ensure consistency of methodology and the acquisition. The jack up test, enable us to determine the actual. Shaft Jack Up Test Procedure.
From workshopinsider.com
Jackup Test Procedure for Ship's Propulsion Bearings Insider Shaft Jack Up Test Procedure The graph of the jack load test when plotted allows an experienced technician to forecast or forewarn a possible worn out bearing which can be corroborated by shaft oil lubrication condition monitoring and bearing temperature trends. The jack up test, enable us to determine the actual reaction in way of accessible bearing and verify their influence coefficients. The purpose of. Shaft Jack Up Test Procedure.
From workshopinsider.com
Jackup Test Procedure for Ship's Propulsion Bearings Insider Shaft Jack Up Test Procedure There are three main techniques: The graph of the jack load test when plotted allows an experienced technician to forecast or forewarn a possible worn out bearing which can be corroborated by shaft oil lubrication condition monitoring and bearing temperature trends. The jack up test, enable us to determine the actual reaction in way of accessible bearing and verify their. Shaft Jack Up Test Procedure.
From shaftsoftware.com
JackUp Test Simulation The Shaft Calculation Software by IMT Shaft Jack Up Test Procedure The last one is preferable from any. The graph of the jack load test when plotted allows an experienced technician to forecast or forewarn a possible worn out bearing which can be corroborated by shaft oil lubrication condition monitoring and bearing temperature trends. The jack up test, enable us to determine the actual reaction in way of accessible bearing and. Shaft Jack Up Test Procedure.
From www.goltens.com
InPlace Machining on Main Propulsion Shaft Goltens Shaft Jack Up Test Procedure There are three main techniques: The purpose of the procedure is to ensure consistency of methodology and the acquisition. The jack up test, enable us to determine the actual reaction in way of accessible bearing and verify their influence coefficients. Guidelines for propulsion shaft alignment by the american bureau of shipping. The graph of the jack load test when plotted. Shaft Jack Up Test Procedure.
From amarineblog.com
Main Engine Shaft Alignment Comprehension (Check conditions/ items Shaft Jack Up Test Procedure The last one is preferable from any. The purpose of the procedure is to ensure consistency of methodology and the acquisition. Guidelines for propulsion shaft alignment by the american bureau of shipping. The jack up test, enable us to determine the actual reaction in way of accessible bearing and verify their influence coefficients. There are three main techniques: The graph. Shaft Jack Up Test Procedure.
From www.youtube.com
Shaft Inspection Part 1 Inspecting the Shaft YouTube Shaft Jack Up Test Procedure The graph of the jack load test when plotted allows an experienced technician to forecast or forewarn a possible worn out bearing which can be corroborated by shaft oil lubrication condition monitoring and bearing temperature trends. Guidelines for propulsion shaft alignment by the american bureau of shipping. The jack up test, enable us to determine the actual reaction in way. Shaft Jack Up Test Procedure.
From www.researchgate.net
Soil boring logs for site I a flatjack and b sleeveport test shafts Shaft Jack Up Test Procedure The last one is preferable from any. There are three main techniques: The purpose of the procedure is to ensure consistency of methodology and the acquisition. The jack up test, enable us to determine the actual reaction in way of accessible bearing and verify their influence coefficients. Guidelines for propulsion shaft alignment by the american bureau of shipping. The graph. Shaft Jack Up Test Procedure.
From shaftsoftware.com
JackUp Test Simulation The Shaft Calculation Software by IMT Shaft Jack Up Test Procedure The last one is preferable from any. The graph of the jack load test when plotted allows an experienced technician to forecast or forewarn a possible worn out bearing which can be corroborated by shaft oil lubrication condition monitoring and bearing temperature trends. Guidelines for propulsion shaft alignment by the american bureau of shipping. The purpose of the procedure is. Shaft Jack Up Test Procedure.
From brabon.org
shaft alignment bearing load Brabon Engineering Services Shaft Jack Up Test Procedure The graph of the jack load test when plotted allows an experienced technician to forecast or forewarn a possible worn out bearing which can be corroborated by shaft oil lubrication condition monitoring and bearing temperature trends. The purpose of the procedure is to ensure consistency of methodology and the acquisition. The last one is preferable from any. There are three. Shaft Jack Up Test Procedure.
From www.youtube.com
Shaft coupling Alignment Procedure Reverse dial method 2 YouTube Shaft Jack Up Test Procedure The last one is preferable from any. The graph of the jack load test when plotted allows an experienced technician to forecast or forewarn a possible worn out bearing which can be corroborated by shaft oil lubrication condition monitoring and bearing temperature trends. The jack up test, enable us to determine the actual reaction in way of accessible bearing and. Shaft Jack Up Test Procedure.
From workshopinsider.com
Jackup Test Procedure for Ship's Propulsion Bearings Insider Shaft Jack Up Test Procedure The last one is preferable from any. The graph of the jack load test when plotted allows an experienced technician to forecast or forewarn a possible worn out bearing which can be corroborated by shaft oil lubrication condition monitoring and bearing temperature trends. The jack up test, enable us to determine the actual reaction in way of accessible bearing and. Shaft Jack Up Test Procedure.
From www.slideshare.net
Shaft Lateral Analysis Overview Shaft Jack Up Test Procedure The last one is preferable from any. The graph of the jack load test when plotted allows an experienced technician to forecast or forewarn a possible worn out bearing which can be corroborated by shaft oil lubrication condition monitoring and bearing temperature trends. The purpose of the procedure is to ensure consistency of methodology and the acquisition. There are three. Shaft Jack Up Test Procedure.
From shaftsoftware.com
JackUp Test Simulation The Shaft Calculation Software by IMT Shaft Jack Up Test Procedure The graph of the jack load test when plotted allows an experienced technician to forecast or forewarn a possible worn out bearing which can be corroborated by shaft oil lubrication condition monitoring and bearing temperature trends. The jack up test, enable us to determine the actual reaction in way of accessible bearing and verify their influence coefficients. The last one. Shaft Jack Up Test Procedure.
From www.goltens.com
InPlace Machining on Main Propulsion Shaft Goltens Shaft Jack Up Test Procedure There are three main techniques: Guidelines for propulsion shaft alignment by the american bureau of shipping. The purpose of the procedure is to ensure consistency of methodology and the acquisition. The last one is preferable from any. The jack up test, enable us to determine the actual reaction in way of accessible bearing and verify their influence coefficients. The graph. Shaft Jack Up Test Procedure.
From thenavalarch.com
Marine Propeller and Shafting Alignment Part 2 TheNavalArch Shaft Jack Up Test Procedure Guidelines for propulsion shaft alignment by the american bureau of shipping. The purpose of the procedure is to ensure consistency of methodology and the acquisition. There are three main techniques: The graph of the jack load test when plotted allows an experienced technician to forecast or forewarn a possible worn out bearing which can be corroborated by shaft oil lubrication. Shaft Jack Up Test Procedure.
From workshopinsider.com
Jackup Test Procedure for Ship's Propulsion Bearings Insider Shaft Jack Up Test Procedure The purpose of the procedure is to ensure consistency of methodology and the acquisition. The last one is preferable from any. There are three main techniques: Guidelines for propulsion shaft alignment by the american bureau of shipping. The jack up test, enable us to determine the actual reaction in way of accessible bearing and verify their influence coefficients. The graph. Shaft Jack Up Test Procedure.
From shaftsoftware.com
JackUp Test Simulation The Shaft Calculation Software by IMT Shaft Jack Up Test Procedure The last one is preferable from any. The jack up test, enable us to determine the actual reaction in way of accessible bearing and verify their influence coefficients. The graph of the jack load test when plotted allows an experienced technician to forecast or forewarn a possible worn out bearing which can be corroborated by shaft oil lubrication condition monitoring. Shaft Jack Up Test Procedure.
From workshopinsider.com
Jackup Test Procedure for Ship's Propulsion Bearings Insider Shaft Jack Up Test Procedure The purpose of the procedure is to ensure consistency of methodology and the acquisition. The last one is preferable from any. The jack up test, enable us to determine the actual reaction in way of accessible bearing and verify their influence coefficients. The graph of the jack load test when plotted allows an experienced technician to forecast or forewarn a. Shaft Jack Up Test Procedure.
From workshopinsider.com
Jackup Test Procedure for Ship's Propulsion Bearings Insider Shaft Jack Up Test Procedure Guidelines for propulsion shaft alignment by the american bureau of shipping. The jack up test, enable us to determine the actual reaction in way of accessible bearing and verify their influence coefficients. There are three main techniques: The last one is preferable from any. The purpose of the procedure is to ensure consistency of methodology and the acquisition. The graph. Shaft Jack Up Test Procedure.
From shaftsoftware.com
Shaft Alignment in a dry dock The Shaft Calculation Software by IMT Shaft Jack Up Test Procedure The jack up test, enable us to determine the actual reaction in way of accessible bearing and verify their influence coefficients. The last one is preferable from any. The purpose of the procedure is to ensure consistency of methodology and the acquisition. There are three main techniques: The graph of the jack load test when plotted allows an experienced technician. Shaft Jack Up Test Procedure.
From workshopinsider.com
Jackup Test Procedure for Ship's Propulsion Bearings Insider Shaft Jack Up Test Procedure The jack up test, enable us to determine the actual reaction in way of accessible bearing and verify their influence coefficients. The purpose of the procedure is to ensure consistency of methodology and the acquisition. The last one is preferable from any. Guidelines for propulsion shaft alignment by the american bureau of shipping. There are three main techniques: The graph. Shaft Jack Up Test Procedure.
From www.youtube.com
Shaft coupling Alignment Procedure Rim and Face Method part 1 YouTube Shaft Jack Up Test Procedure The graph of the jack load test when plotted allows an experienced technician to forecast or forewarn a possible worn out bearing which can be corroborated by shaft oil lubrication condition monitoring and bearing temperature trends. The purpose of the procedure is to ensure consistency of methodology and the acquisition. Guidelines for propulsion shaft alignment by the american bureau of. Shaft Jack Up Test Procedure.
From brabon.org
shaft alignment bearing load Brabon Engineering Services Shaft Jack Up Test Procedure The jack up test, enable us to determine the actual reaction in way of accessible bearing and verify their influence coefficients. Guidelines for propulsion shaft alignment by the american bureau of shipping. The last one is preferable from any. There are three main techniques: The graph of the jack load test when plotted allows an experienced technician to forecast or. Shaft Jack Up Test Procedure.
From officerofthewatch.com
Jack Up Test Officer of the Watch Shaft Jack Up Test Procedure The graph of the jack load test when plotted allows an experienced technician to forecast or forewarn a possible worn out bearing which can be corroborated by shaft oil lubrication condition monitoring and bearing temperature trends. There are three main techniques: The last one is preferable from any. The purpose of the procedure is to ensure consistency of methodology and. Shaft Jack Up Test Procedure.
From shaftsoftware.com
JackUp Test Simulation The Shaft Calculation Software by IMT Shaft Jack Up Test Procedure There are three main techniques: The purpose of the procedure is to ensure consistency of methodology and the acquisition. The last one is preferable from any. The graph of the jack load test when plotted allows an experienced technician to forecast or forewarn a possible worn out bearing which can be corroborated by shaft oil lubrication condition monitoring and bearing. Shaft Jack Up Test Procedure.
From workshopinsider.com
Jackup Test Procedure for Ship's Propulsion Bearings Insider Shaft Jack Up Test Procedure Guidelines for propulsion shaft alignment by the american bureau of shipping. The graph of the jack load test when plotted allows an experienced technician to forecast or forewarn a possible worn out bearing which can be corroborated by shaft oil lubrication condition monitoring and bearing temperature trends. The purpose of the procedure is to ensure consistency of methodology and the. Shaft Jack Up Test Procedure.