Bnc Connector Crimping Instructions . Before attaching center contact, slide. Insert crimped cable into the bnc body. Slip crimp sleeve over cable. Crimp outer ferrule with tool specified in table above, keeping cable dielectric bottomed against insulator. Slide the ferrule over the shielding and against the bnc body. Place inner conductor into contact. Crimp outer ferrule using d. Note that the end of contact and inner dielectric must be butting and. Make sure no slack exists in braid. Braid and up against connector body. The bb3phct hex crimp tool is configured with one die set for use with multiple belden three piece hex connectors. Support sleeve of the bnc. It jacket back.100(2.5mm) as shown.
from www.distributor-cctv.com
Insert crimped cable into the bnc body. Support sleeve of the bnc. Slip crimp sleeve over cable. Note that the end of contact and inner dielectric must be butting and. The bb3phct hex crimp tool is configured with one die set for use with multiple belden three piece hex connectors. Before attaching center contact, slide. Crimp outer ferrule using d. It jacket back.100(2.5mm) as shown. Crimp outer ferrule with tool specified in table above, keeping cable dielectric bottomed against insulator. Make sure no slack exists in braid.
Connector BNC Crimping
Bnc Connector Crimping Instructions Braid and up against connector body. The bb3phct hex crimp tool is configured with one die set for use with multiple belden three piece hex connectors. Crimp outer ferrule using d. Slide the ferrule over the shielding and against the bnc body. Insert crimped cable into the bnc body. Note that the end of contact and inner dielectric must be butting and. Make sure no slack exists in braid. Before attaching center contact, slide. Braid and up against connector body. Place inner conductor into contact. Crimp outer ferrule with tool specified in table above, keeping cable dielectric bottomed against insulator. Slip crimp sleeve over cable. It jacket back.100(2.5mm) as shown. Support sleeve of the bnc.
From www.youtube.com
How to crimp high quality BNC Connectors YouTube Bnc Connector Crimping Instructions Slide the ferrule over the shielding and against the bnc body. Place inner conductor into contact. The bb3phct hex crimp tool is configured with one die set for use with multiple belden three piece hex connectors. Note that the end of contact and inner dielectric must be butting and. It jacket back.100(2.5mm) as shown. Crimp outer ferrule using d. Make. Bnc Connector Crimping Instructions.
From www.steinair.com
BNC Male Crimp Connector Steinair Inc. Bnc Connector Crimping Instructions Slip crimp sleeve over cable. The bb3phct hex crimp tool is configured with one die set for use with multiple belden three piece hex connectors. Note that the end of contact and inner dielectric must be butting and. Braid and up against connector body. It jacket back.100(2.5mm) as shown. Insert crimped cable into the bnc body. Crimp outer ferrule with. Bnc Connector Crimping Instructions.
From www.ebay.com
How to Crimp a BNC Connector eBay Bnc Connector Crimping Instructions Before attaching center contact, slide. Slip crimp sleeve over cable. Insert crimped cable into the bnc body. The bb3phct hex crimp tool is configured with one die set for use with multiple belden three piece hex connectors. Crimp outer ferrule using d. Support sleeve of the bnc. It jacket back.100(2.5mm) as shown. Crimp outer ferrule with tool specified in table. Bnc Connector Crimping Instructions.
From tottenham-sismo-en-mexico.blogspot.com
Tottenham [View 36+] Bnc Connector How To Crimping Bnc Connector Crimping Instructions Insert crimped cable into the bnc body. Crimp outer ferrule using d. Before attaching center contact, slide. Slip crimp sleeve over cable. Support sleeve of the bnc. Place inner conductor into contact. It jacket back.100(2.5mm) as shown. Crimp outer ferrule with tool specified in table above, keeping cable dielectric bottomed against insulator. Braid and up against connector body. Bnc Connector Crimping Instructions.
From www.dosinconn.com
BNC connector specifications and instructions Dosin Electronics Bnc Connector Crimping Instructions Braid and up against connector body. Slip crimp sleeve over cable. Note that the end of contact and inner dielectric must be butting and. Crimp outer ferrule with tool specified in table above, keeping cable dielectric bottomed against insulator. Place inner conductor into contact. The bb3phct hex crimp tool is configured with one die set for use with multiple belden. Bnc Connector Crimping Instructions.
From mungfali.com
BNC Female Connector Crimp Tool Bnc Connector Crimping Instructions Crimp outer ferrule with tool specified in table above, keeping cable dielectric bottomed against insulator. Insert crimped cable into the bnc body. Braid and up against connector body. Place inner conductor into contact. Before attaching center contact, slide. Slide the ferrule over the shielding and against the bnc body. Support sleeve of the bnc. Make sure no slack exists in. Bnc Connector Crimping Instructions.
From www.dreamstime.com
BNC Connector for Crimping on a White Background Stock Image Image of Bnc Connector Crimping Instructions Braid and up against connector body. Note that the end of contact and inner dielectric must be butting and. Insert crimped cable into the bnc body. Support sleeve of the bnc. Make sure no slack exists in braid. The bb3phct hex crimp tool is configured with one die set for use with multiple belden three piece hex connectors. It jacket. Bnc Connector Crimping Instructions.
From shopdelta.eu
BNC connector Delta Bnc Connector Crimping Instructions Before attaching center contact, slide. Slip crimp sleeve over cable. Braid and up against connector body. Crimp outer ferrule using d. Insert crimped cable into the bnc body. Note that the end of contact and inner dielectric must be butting and. Support sleeve of the bnc. Make sure no slack exists in braid. Place inner conductor into contact. Bnc Connector Crimping Instructions.
From www.canare.com.tw
Technical Notes Crimp Connector Assembly Instructions. CANARE TAIWAN Bnc Connector Crimping Instructions Slide the ferrule over the shielding and against the bnc body. It jacket back.100(2.5mm) as shown. Note that the end of contact and inner dielectric must be butting and. Crimp outer ferrule using d. Place inner conductor into contact. Braid and up against connector body. The bb3phct hex crimp tool is configured with one die set for use with multiple. Bnc Connector Crimping Instructions.
From www.aliexpress.com
AN05HRG58RG59RG6coaxialcablecrimpingtoolBNCconnectorshigh Bnc Connector Crimping Instructions Braid and up against connector body. The bb3phct hex crimp tool is configured with one die set for use with multiple belden three piece hex connectors. Crimp outer ferrule using d. Slip crimp sleeve over cable. Insert crimped cable into the bnc body. Before attaching center contact, slide. It jacket back.100(2.5mm) as shown. Support sleeve of the bnc. Place inner. Bnc Connector Crimping Instructions.
From www.distributor-cctv.com
Connector BNC Crimping Bnc Connector Crimping Instructions Slip crimp sleeve over cable. Crimp outer ferrule with tool specified in table above, keeping cable dielectric bottomed against insulator. Place inner conductor into contact. It jacket back.100(2.5mm) as shown. The bb3phct hex crimp tool is configured with one die set for use with multiple belden three piece hex connectors. Slide the ferrule over the shielding and against the bnc. Bnc Connector Crimping Instructions.
From www.amazon.com
Taiss BNC Crimp tool with 10PCS BNC Connector,Coax Coaxial BNC Crimping Bnc Connector Crimping Instructions Slip crimp sleeve over cable. The bb3phct hex crimp tool is configured with one die set for use with multiple belden three piece hex connectors. Slide the ferrule over the shielding and against the bnc body. Insert crimped cable into the bnc body. Braid and up against connector body. Note that the end of contact and inner dielectric must be. Bnc Connector Crimping Instructions.
From www.walmart.com
Evertech Crimp on BNC Connector (100Pcs.) with Crimping Tool for RG59 Bnc Connector Crimping Instructions Make sure no slack exists in braid. Before attaching center contact, slide. Slip crimp sleeve over cable. Place inner conductor into contact. Braid and up against connector body. Insert crimped cable into the bnc body. Note that the end of contact and inner dielectric must be butting and. Crimp outer ferrule with tool specified in table above, keeping cable dielectric. Bnc Connector Crimping Instructions.
From citizenside.com
StepbyStep Guide on Crimping a BNC Connector CitizenSide Bnc Connector Crimping Instructions The bb3phct hex crimp tool is configured with one die set for use with multiple belden three piece hex connectors. Slip crimp sleeve over cable. Slide the ferrule over the shielding and against the bnc body. It jacket back.100(2.5mm) as shown. Insert crimped cable into the bnc body. Place inner conductor into contact. Before attaching center contact, slide. Make sure. Bnc Connector Crimping Instructions.
From www.dreamstime.com
BNC Connector for Crimping on a White Background Stock Image Image of Bnc Connector Crimping Instructions Make sure no slack exists in braid. Braid and up against connector body. Note that the end of contact and inner dielectric must be butting and. Before attaching center contact, slide. Crimp outer ferrule with tool specified in table above, keeping cable dielectric bottomed against insulator. Insert crimped cable into the bnc body. Slide the ferrule over the shielding and. Bnc Connector Crimping Instructions.
From citizenside.com
StepbyStep Instructions for Installing a BNC Connector CitizenSide Bnc Connector Crimping Instructions Crimp outer ferrule using d. The bb3phct hex crimp tool is configured with one die set for use with multiple belden three piece hex connectors. Note that the end of contact and inner dielectric must be butting and. It jacket back.100(2.5mm) as shown. Place inner conductor into contact. Insert crimped cable into the bnc body. Crimp outer ferrule with tool. Bnc Connector Crimping Instructions.
From expertosenpeluqueria.com
Coaxial Cable Crimping Tool Instructions Bnc Nut Bnc Connector Crimping Instructions Support sleeve of the bnc. Insert crimped cable into the bnc body. Before attaching center contact, slide. Note that the end of contact and inner dielectric must be butting and. The bb3phct hex crimp tool is configured with one die set for use with multiple belden three piece hex connectors. It jacket back.100(2.5mm) as shown. Crimp outer ferrule using d.. Bnc Connector Crimping Instructions.
From shop.griederbauteile.ch
BNC Straight Plug Male Z=50Ohm Crimp Telegaertner J01000A1294, Grieder Bnc Connector Crimping Instructions Before attaching center contact, slide. It jacket back.100(2.5mm) as shown. Support sleeve of the bnc. Braid and up against connector body. Make sure no slack exists in braid. Note that the end of contact and inner dielectric must be butting and. Crimp outer ferrule using d. Slide the ferrule over the shielding and against the bnc body. Slip crimp sleeve. Bnc Connector Crimping Instructions.
From mil-spec.tpub.com
Figure 20. Assembly instructions for improved series BNC connectors Bnc Connector Crimping Instructions Before attaching center contact, slide. Support sleeve of the bnc. The bb3phct hex crimp tool is configured with one die set for use with multiple belden three piece hex connectors. Crimp outer ferrule using d. Make sure no slack exists in braid. Note that the end of contact and inner dielectric must be butting and. It jacket back.100(2.5mm) as shown.. Bnc Connector Crimping Instructions.
From www.americanradiosupply.com
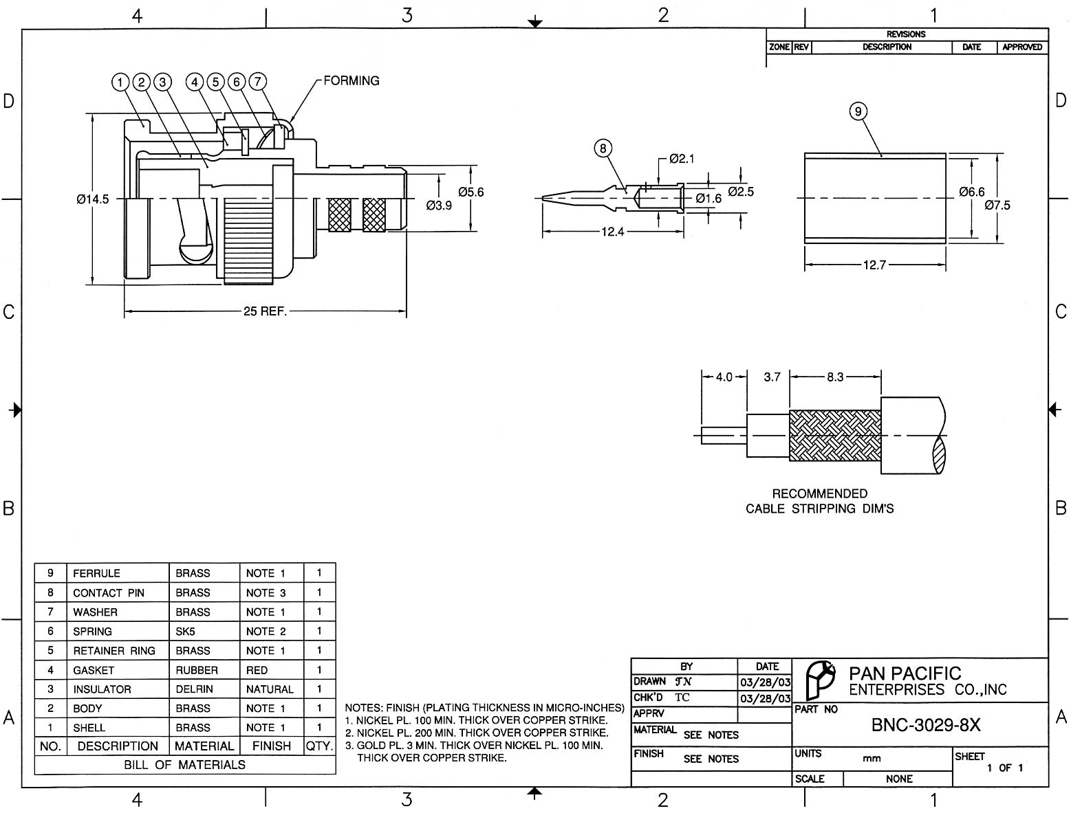
BNC Straight Male (Plug) Dual Crimp Connector for RG8X (BNC30298X Bnc Connector Crimping Instructions Insert crimped cable into the bnc body. Slip crimp sleeve over cable. Note that the end of contact and inner dielectric must be butting and. It jacket back.100(2.5mm) as shown. Slide the ferrule over the shielding and against the bnc body. Before attaching center contact, slide. The bb3phct hex crimp tool is configured with one die set for use with. Bnc Connector Crimping Instructions.
From techschems.com
An Easy Guide to BNC Connector Wiring StepbyStep Instructions for Bnc Connector Crimping Instructions Note that the end of contact and inner dielectric must be butting and. Insert crimped cable into the bnc body. Slide the ferrule over the shielding and against the bnc body. It jacket back.100(2.5mm) as shown. Place inner conductor into contact. Slip crimp sleeve over cable. Support sleeve of the bnc. Make sure no slack exists in braid. Braid and. Bnc Connector Crimping Instructions.
From tottenham-sismo-en-mexico.blogspot.com
Tottenham [View 36+] Bnc Connector How To Crimping Bnc Connector Crimping Instructions Place inner conductor into contact. Slide the ferrule over the shielding and against the bnc body. Slip crimp sleeve over cable. Before attaching center contact, slide. Crimp outer ferrule with tool specified in table above, keeping cable dielectric bottomed against insulator. Make sure no slack exists in braid. Insert crimped cable into the bnc body. Braid and up against connector. Bnc Connector Crimping Instructions.
From tottenham-sismo-en-mexico.blogspot.com
Tottenham [View 36+] Bnc Connector How To Crimping Bnc Connector Crimping Instructions Note that the end of contact and inner dielectric must be butting and. Slip crimp sleeve over cable. Braid and up against connector body. Insert crimped cable into the bnc body. It jacket back.100(2.5mm) as shown. Crimp outer ferrule with tool specified in table above, keeping cable dielectric bottomed against insulator. Slide the ferrule over the shielding and against the. Bnc Connector Crimping Instructions.
From www.electricity-magnetism.org
BNC Connectors How it works, Application & Advantages Bnc Connector Crimping Instructions Place inner conductor into contact. Insert crimped cable into the bnc body. Support sleeve of the bnc. The bb3phct hex crimp tool is configured with one die set for use with multiple belden three piece hex connectors. Slide the ferrule over the shielding and against the bnc body. Make sure no slack exists in braid. Before attaching center contact, slide.. Bnc Connector Crimping Instructions.
From www.showmecables.com
BNC Male Crimp Connector RG59 & RG62 Plenum Bnc Connector Crimping Instructions Slip crimp sleeve over cable. The bb3phct hex crimp tool is configured with one die set for use with multiple belden three piece hex connectors. Place inner conductor into contact. Note that the end of contact and inner dielectric must be butting and. Insert crimped cable into the bnc body. Before attaching center contact, slide. Crimp outer ferrule using d.. Bnc Connector Crimping Instructions.
From techschems.com
An Easy Guide to BNC Connector Wiring StepbyStep Instructions for Bnc Connector Crimping Instructions Slip crimp sleeve over cable. The bb3phct hex crimp tool is configured with one die set for use with multiple belden three piece hex connectors. Crimp outer ferrule with tool specified in table above, keeping cable dielectric bottomed against insulator. Make sure no slack exists in braid. Place inner conductor into contact. Slide the ferrule over the shielding and against. Bnc Connector Crimping Instructions.
From www.youtube.com
MC4 Connector Crimping Instruction for Solar Panel Installation Bnc Connector Crimping Instructions Slip crimp sleeve over cable. Before attaching center contact, slide. Crimp outer ferrule with tool specified in table above, keeping cable dielectric bottomed against insulator. Support sleeve of the bnc. Slide the ferrule over the shielding and against the bnc body. Place inner conductor into contact. Make sure no slack exists in braid. It jacket back.100(2.5mm) as shown. Braid and. Bnc Connector Crimping Instructions.
From www.air802.com
BNC Male Crimp Connector 75 Ohm 20 AWG RG59, Belden 1505A Bnc Connector Crimping Instructions Slip crimp sleeve over cable. The bb3phct hex crimp tool is configured with one die set for use with multiple belden three piece hex connectors. Crimp outer ferrule with tool specified in table above, keeping cable dielectric bottomed against insulator. Support sleeve of the bnc. Insert crimped cable into the bnc body. Braid and up against connector body. Note that. Bnc Connector Crimping Instructions.
From en.chefcable.com
Original Coaxial BNC connector crimping instruction_李先生 Bnc Connector Crimping Instructions Slide the ferrule over the shielding and against the bnc body. Slip crimp sleeve over cable. Before attaching center contact, slide. Insert crimped cable into the bnc body. Make sure no slack exists in braid. Support sleeve of the bnc. Braid and up against connector body. The bb3phct hex crimp tool is configured with one die set for use with. Bnc Connector Crimping Instructions.
From expertosenpeluqueria.com
Coaxial Cable Crimping Tool Instructions Bnc Nut Bnc Connector Crimping Instructions Braid and up against connector body. Crimp outer ferrule with tool specified in table above, keeping cable dielectric bottomed against insulator. Slip crimp sleeve over cable. Note that the end of contact and inner dielectric must be butting and. Place inner conductor into contact. It jacket back.100(2.5mm) as shown. Slide the ferrule over the shielding and against the bnc body.. Bnc Connector Crimping Instructions.
From www.youtube.com
230 How to install a BNC connector on RG58 coax DIY Repair YouTube Bnc Connector Crimping Instructions The bb3phct hex crimp tool is configured with one die set for use with multiple belden three piece hex connectors. Before attaching center contact, slide. Slide the ferrule over the shielding and against the bnc body. Crimp outer ferrule using d. Braid and up against connector body. Make sure no slack exists in braid. Note that the end of contact. Bnc Connector Crimping Instructions.
From citizenside.com
StepbyStep Guide on Crimping a BNC Connector CitizenSide Bnc Connector Crimping Instructions Support sleeve of the bnc. The bb3phct hex crimp tool is configured with one die set for use with multiple belden three piece hex connectors. Slide the ferrule over the shielding and against the bnc body. Before attaching center contact, slide. Place inner conductor into contact. It jacket back.100(2.5mm) as shown. Make sure no slack exists in braid. Note that. Bnc Connector Crimping Instructions.
From www.satworld.ie
BNC Crimp Type Connector for RG59 Cable Bnc Connector Crimping Instructions Make sure no slack exists in braid. Note that the end of contact and inner dielectric must be butting and. Slide the ferrule over the shielding and against the bnc body. Crimp outer ferrule with tool specified in table above, keeping cable dielectric bottomed against insulator. Braid and up against connector body. Slip crimp sleeve over cable. The bb3phct hex. Bnc Connector Crimping Instructions.
From www.shineindustrygroup.com
What Is BNC Connector And BNC Cable? Shine Industry Bnc Connector Crimping Instructions Crimp outer ferrule using d. The bb3phct hex crimp tool is configured with one die set for use with multiple belden three piece hex connectors. Support sleeve of the bnc. Braid and up against connector body. Make sure no slack exists in braid. Slide the ferrule over the shielding and against the bnc body. Slip crimp sleeve over cable. Crimp. Bnc Connector Crimping Instructions.
From www.anico-hamshop.eu
BNC CONNECTOR CRIMPING / RG58 Bnc Connector Crimping Instructions Make sure no slack exists in braid. Slip crimp sleeve over cable. The bb3phct hex crimp tool is configured with one die set for use with multiple belden three piece hex connectors. Crimp outer ferrule using d. Crimp outer ferrule with tool specified in table above, keeping cable dielectric bottomed against insulator. Insert crimped cable into the bnc body. Before. Bnc Connector Crimping Instructions.