Mercury Marine Power Steering System . Lookup mercury marine steering systems and components accessories by component and buy discount parts from our large online inventory. Relatively new to the marine market. This mercury factory power steering setup shows the pump and electric assist motor assembly. Standard on verado and available for. Much like the power steering system in your car or truck. A system designed, built and tested by mercury® engineers to make your time on the water safer, more relaxed, more fun. Your boat now steers like your car. With you in total control. The decompression system and electronic cd ignition design ensure an easy, reliable start. The faster you go, the.
from wiringdiagram.2bitboer.com
This mercury factory power steering setup shows the pump and electric assist motor assembly. The faster you go, the. Relatively new to the marine market. Your boat now steers like your car. The decompression system and electronic cd ignition design ensure an easy, reliable start. Lookup mercury marine steering systems and components accessories by component and buy discount parts from our large online inventory. Standard on verado and available for. Much like the power steering system in your car or truck. With you in total control. A system designed, built and tested by mercury® engineers to make your time on the water safer, more relaxed, more fun.
Mercury Verado Power Steering Wiring Diagram Wiring Diagram
Mercury Marine Power Steering System The faster you go, the. The faster you go, the. The decompression system and electronic cd ignition design ensure an easy, reliable start. Your boat now steers like your car. Standard on verado and available for. Much like the power steering system in your car or truck. A system designed, built and tested by mercury® engineers to make your time on the water safer, more relaxed, more fun. This mercury factory power steering setup shows the pump and electric assist motor assembly. Relatively new to the marine market. With you in total control. Lookup mercury marine steering systems and components accessories by component and buy discount parts from our large online inventory.
From www.marinesteering.net
ZTF Zero Torque Tiller Steering for Mercury and Yamaha Outboards Mercury Marine Power Steering System With you in total control. A system designed, built and tested by mercury® engineers to make your time on the water safer, more relaxed, more fun. Relatively new to the marine market. Your boat now steers like your car. The decompression system and electronic cd ignition design ensure an easy, reliable start. Much like the power steering system in your. Mercury Marine Power Steering System.
From faparts.net
Power steering System Mercury Marine Power Steering System Much like the power steering system in your car or truck. A system designed, built and tested by mercury® engineers to make your time on the water safer, more relaxed, more fun. Standard on verado and available for. With you in total control. The decompression system and electronic cd ignition design ensure an easy, reliable start. Lookup mercury marine steering. Mercury Marine Power Steering System.
From www.marineengine.com
Mercury Marine Steering Systems & Components Tiller Handle Kit Mercury Marine Power Steering System Much like the power steering system in your car or truck. Relatively new to the marine market. The decompression system and electronic cd ignition design ensure an easy, reliable start. The faster you go, the. This mercury factory power steering setup shows the pump and electric assist motor assembly. With you in total control. Your boat now steers like your. Mercury Marine Power Steering System.
From www.thehulltruth.com
Mercury outboard Power steering wiring The Hull Truth Boating and Mercury Marine Power Steering System With you in total control. The faster you go, the. Standard on verado and available for. Your boat now steers like your car. A system designed, built and tested by mercury® engineers to make your time on the water safer, more relaxed, more fun. This mercury factory power steering setup shows the pump and electric assist motor assembly. Much like. Mercury Marine Power Steering System.
From www.youtube.com
FITTING A TELEFLEX STEERING SYSTEM TO A MERCURY/ MARINER 15HP OUTBOARD Mercury Marine Power Steering System This mercury factory power steering setup shows the pump and electric assist motor assembly. Standard on verado and available for. The faster you go, the. A system designed, built and tested by mercury® engineers to make your time on the water safer, more relaxed, more fun. Lookup mercury marine steering systems and components accessories by component and buy discount parts. Mercury Marine Power Steering System.
From lakelandboating.com
Dometic Marine Releases New Electric Power Assist Steering System Mercury Marine Power Steering System Much like the power steering system in your car or truck. The faster you go, the. Lookup mercury marine steering systems and components accessories by component and buy discount parts from our large online inventory. Standard on verado and available for. A system designed, built and tested by mercury® engineers to make your time on the water safer, more relaxed,. Mercury Marine Power Steering System.
From www.marineengine.com
Mercury Marine Steering Systems & Components Kicker Power Steer Kit Mercury Marine Power Steering System The faster you go, the. Your boat now steers like your car. Much like the power steering system in your car or truck. The decompression system and electronic cd ignition design ensure an easy, reliable start. Relatively new to the marine market. Standard on verado and available for. This mercury factory power steering setup shows the pump and electric assist. Mercury Marine Power Steering System.
From www.boatus.com
Outboard Steering Options BoatUS Mercury Marine Power Steering System Standard on verado and available for. With you in total control. Much like the power steering system in your car or truck. Lookup mercury marine steering systems and components accessories by component and buy discount parts from our large online inventory. The faster you go, the. A system designed, built and tested by mercury® engineers to make your time on. Mercury Marine Power Steering System.
From www.mercurymarine.com
Steering Power Steering Mercury Marine Mercury Marine Power Steering System Standard on verado and available for. This mercury factory power steering setup shows the pump and electric assist motor assembly. Relatively new to the marine market. A system designed, built and tested by mercury® engineers to make your time on the water safer, more relaxed, more fun. The decompression system and electronic cd ignition design ensure an easy, reliable start.. Mercury Marine Power Steering System.
From maxmarineelectronics.com
Mercury Verado Power Steering Pump Kit w/Cable Condition Unknown Mercury Marine Power Steering System Standard on verado and available for. This mercury factory power steering setup shows the pump and electric assist motor assembly. With you in total control. Your boat now steers like your car. Much like the power steering system in your car or truck. The faster you go, the. Relatively new to the marine market. A system designed, built and tested. Mercury Marine Power Steering System.
From www.anglersjournal.com
Mercury Marine Launches 350hp and 400hp V10 Outboards Anglers Mercury Marine Power Steering System Lookup mercury marine steering systems and components accessories by component and buy discount parts from our large online inventory. Much like the power steering system in your car or truck. Standard on verado and available for. Relatively new to the marine market. The faster you go, the. The decompression system and electronic cd ignition design ensure an easy, reliable start.. Mercury Marine Power Steering System.
From mavink.com
Mercruiser Power Steering Diagram Mercury Marine Power Steering System The faster you go, the. This mercury factory power steering setup shows the pump and electric assist motor assembly. Lookup mercury marine steering systems and components accessories by component and buy discount parts from our large online inventory. Relatively new to the marine market. A system designed, built and tested by mercury® engineers to make your time on the water. Mercury Marine Power Steering System.
From www.marineengine.com
Mercury Marine Power Steering / Tiller Handles / Shift Kits Rotary Mercury Marine Power Steering System Much like the power steering system in your car or truck. A system designed, built and tested by mercury® engineers to make your time on the water safer, more relaxed, more fun. Relatively new to the marine market. Lookup mercury marine steering systems and components accessories by component and buy discount parts from our large online inventory. With you in. Mercury Marine Power Steering System.
From www.marineengine.com
Pump KitPower Steering(892440a08 / 892440a09) for Mercury / Mariner Mercury Marine Power Steering System This mercury factory power steering setup shows the pump and electric assist motor assembly. The faster you go, the. Standard on verado and available for. The decompression system and electronic cd ignition design ensure an easy, reliable start. A system designed, built and tested by mercury® engineers to make your time on the water safer, more relaxed, more fun. Your. Mercury Marine Power Steering System.
From wiringdiagram.2bitboer.com
Mercury Verado Power Steering Wiring Diagram Wiring Diagram Mercury Marine Power Steering System With you in total control. The decompression system and electronic cd ignition design ensure an easy, reliable start. Much like the power steering system in your car or truck. Your boat now steers like your car. Relatively new to the marine market. Standard on verado and available for. This mercury factory power steering setup shows the pump and electric assist. Mercury Marine Power Steering System.
From www.marineengine.com
Mercury Marine Steering Systems & Components Power Steering Kit Mercury Marine Power Steering System This mercury factory power steering setup shows the pump and electric assist motor assembly. Much like the power steering system in your car or truck. With you in total control. A system designed, built and tested by mercury® engineers to make your time on the water safer, more relaxed, more fun. The decompression system and electronic cd ignition design ensure. Mercury Marine Power Steering System.
From www.marineengine.com
Mercury Marine Steering Systems & Components Power Steering Kit Mercury Marine Power Steering System Relatively new to the marine market. The decompression system and electronic cd ignition design ensure an easy, reliable start. Standard on verado and available for. Lookup mercury marine steering systems and components accessories by component and buy discount parts from our large online inventory. With you in total control. A system designed, built and tested by mercury® engineers to make. Mercury Marine Power Steering System.
From www.thehulltruth.com
Mercruiser power steering issues The Hull Truth Boating and Fishing Mercury Marine Power Steering System With you in total control. Standard on verado and available for. A system designed, built and tested by mercury® engineers to make your time on the water safer, more relaxed, more fun. This mercury factory power steering setup shows the pump and electric assist motor assembly. Relatively new to the marine market. Much like the power steering system in your. Mercury Marine Power Steering System.
From maxmarineoutlet.com
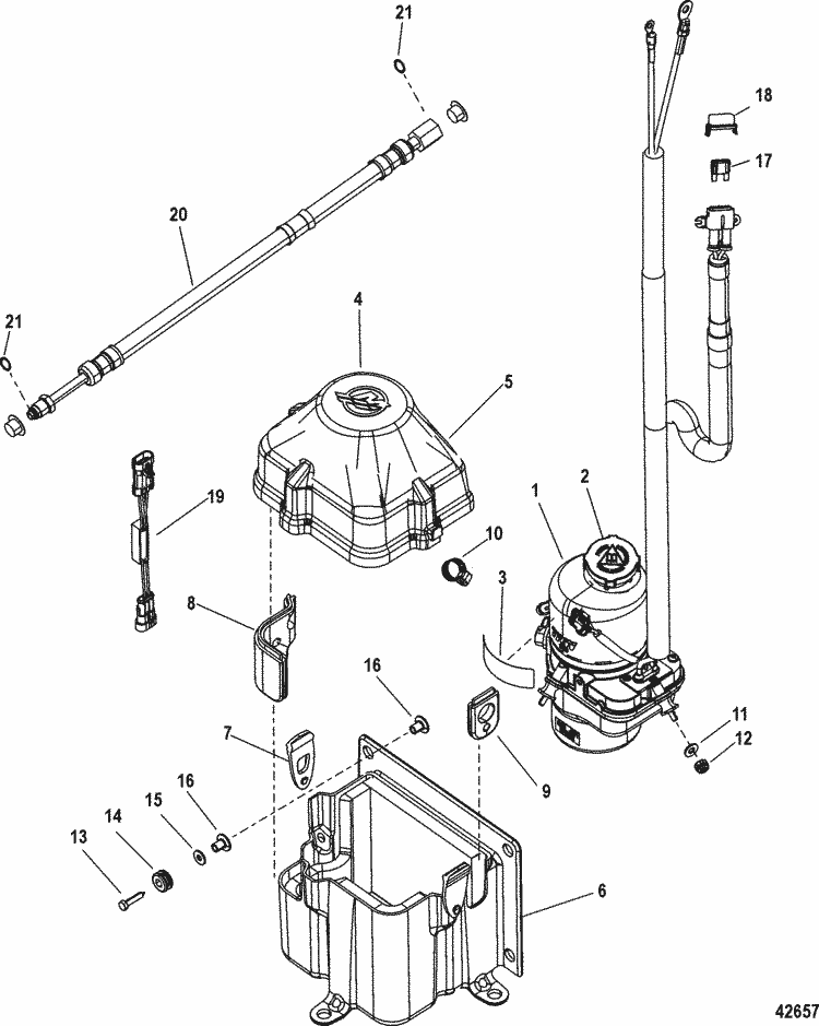
Mercury 8M0080199 Marine Verado Gen C Outboard Power Steering Pump Kit Mercury Marine Power Steering System Standard on verado and available for. Relatively new to the marine market. Much like the power steering system in your car or truck. Lookup mercury marine steering systems and components accessories by component and buy discount parts from our large online inventory. This mercury factory power steering setup shows the pump and electric assist motor assembly. Your boat now steers. Mercury Marine Power Steering System.
From www.marineengine.com
Mercury Marine Power Steering / Tiller Handles / Shift Kits Ride Guide Mercury Marine Power Steering System This mercury factory power steering setup shows the pump and electric assist motor assembly. Lookup mercury marine steering systems and components accessories by component and buy discount parts from our large online inventory. With you in total control. Relatively new to the marine market. Standard on verado and available for. The decompression system and electronic cd ignition design ensure an. Mercury Marine Power Steering System.
From maxmarineelectronics.com
Mercury Verado Power Steering Pump Kit w/Cable Condition Unknown Mercury Marine Power Steering System Relatively new to the marine market. A system designed, built and tested by mercury® engineers to make your time on the water safer, more relaxed, more fun. Much like the power steering system in your car or truck. The decompression system and electronic cd ignition design ensure an easy, reliable start. With you in total control. Your boat now steers. Mercury Marine Power Steering System.
From www.mercurymarine.com
Steering Mechanical Steering Mercury Marine Mercury Marine Power Steering System The decompression system and electronic cd ignition design ensure an easy, reliable start. This mercury factory power steering setup shows the pump and electric assist motor assembly. Lookup mercury marine steering systems and components accessories by component and buy discount parts from our large online inventory. Your boat now steers like your car. Relatively new to the marine market. With. Mercury Marine Power Steering System.
From www.marineengine.com
Mercury Marine Steering Systems & Components Cylinder Assembly Power Mercury Marine Power Steering System Much like the power steering system in your car or truck. A system designed, built and tested by mercury® engineers to make your time on the water safer, more relaxed, more fun. This mercury factory power steering setup shows the pump and electric assist motor assembly. The faster you go, the. The decompression system and electronic cd ignition design ensure. Mercury Marine Power Steering System.
From www.mercurymarine.com
Steering Power Steering Mercury Marine Mercury Marine Power Steering System A system designed, built and tested by mercury® engineers to make your time on the water safer, more relaxed, more fun. Relatively new to the marine market. Lookup mercury marine steering systems and components accessories by component and buy discount parts from our large online inventory. The faster you go, the. Much like the power steering system in your car. Mercury Marine Power Steering System.
From www.marineengine.com
Mercury Marine Steering Systems & Components Power Steering Kit Mercury Marine Power Steering System This mercury factory power steering setup shows the pump and electric assist motor assembly. Lookup mercury marine steering systems and components accessories by component and buy discount parts from our large online inventory. The faster you go, the. The decompression system and electronic cd ignition design ensure an easy, reliable start. Relatively new to the marine market. With you in. Mercury Marine Power Steering System.
From www.marineengine.com
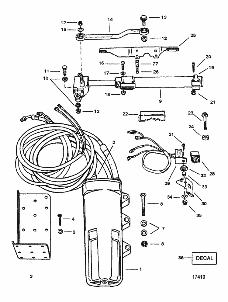
MerCruiser 496 Mag (H.O. Model) Power Steering Parts Mercury Marine Power Steering System This mercury factory power steering setup shows the pump and electric assist motor assembly. Standard on verado and available for. Relatively new to the marine market. A system designed, built and tested by mercury® engineers to make your time on the water safer, more relaxed, more fun. With you in total control. Much like the power steering system in your. Mercury Marine Power Steering System.
From www.amazon.ca
MERCURY MARINE 8M0148159 Power Steering Pump GEN C Amazon.ca Automotive Mercury Marine Power Steering System Standard on verado and available for. Much like the power steering system in your car or truck. The faster you go, the. A system designed, built and tested by mercury® engineers to make your time on the water safer, more relaxed, more fun. This mercury factory power steering setup shows the pump and electric assist motor assembly. The decompression system. Mercury Marine Power Steering System.
From www.vansoutboardparts.com
Mercury MERCRUISER ALPHA ONE (GEN.II) 19911995 0D469859 THRU Mercury Marine Power Steering System The decompression system and electronic cd ignition design ensure an easy, reliable start. With you in total control. Much like the power steering system in your car or truck. The faster you go, the. Lookup mercury marine steering systems and components accessories by component and buy discount parts from our large online inventory. Your boat now steers like your car.. Mercury Marine Power Steering System.
From www.marineengine.com
Mercury Marine Steering Systems & Components Pump Kit Power Steering Mercury Marine Power Steering System The faster you go, the. Your boat now steers like your car. With you in total control. Standard on verado and available for. A system designed, built and tested by mercury® engineers to make your time on the water safer, more relaxed, more fun. This mercury factory power steering setup shows the pump and electric assist motor assembly. Relatively new. Mercury Marine Power Steering System.
From www.marineengine.com
Mercury Marine Steering Systems & Components Power Steering Kit Mercury Marine Power Steering System Standard on verado and available for. This mercury factory power steering setup shows the pump and electric assist motor assembly. Relatively new to the marine market. With you in total control. Your boat now steers like your car. The decompression system and electronic cd ignition design ensure an easy, reliable start. The faster you go, the. A system designed, built. Mercury Marine Power Steering System.
From klahqoqes.blob.core.windows.net
How Does A Marine Steering System Work at Jerry Griffey blog Mercury Marine Power Steering System The decompression system and electronic cd ignition design ensure an easy, reliable start. This mercury factory power steering setup shows the pump and electric assist motor assembly. With you in total control. Lookup mercury marine steering systems and components accessories by component and buy discount parts from our large online inventory. Relatively new to the marine market. A system designed,. Mercury Marine Power Steering System.
From wiringdiagram.2bitboer.com
Mercury Verado Power Steering Wiring Diagram Wiring Diagram Mercury Marine Power Steering System Standard on verado and available for. The decompression system and electronic cd ignition design ensure an easy, reliable start. Your boat now steers like your car. Lookup mercury marine steering systems and components accessories by component and buy discount parts from our large online inventory. Much like the power steering system in your car or truck. With you in total. Mercury Marine Power Steering System.
From www.crowleymarine.com
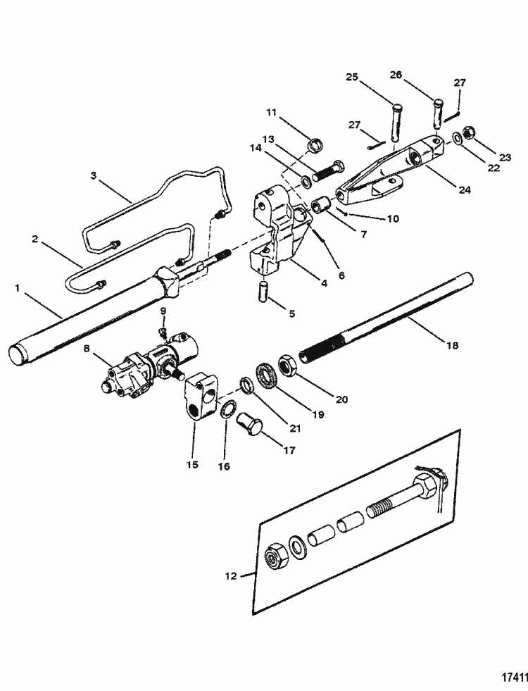
POWER STEERING COMPONENTS (STERN DRIVE) 1992 Mercury Inboard Engine Mercury Marine Power Steering System A system designed, built and tested by mercury® engineers to make your time on the water safer, more relaxed, more fun. Your boat now steers like your car. Much like the power steering system in your car or truck. The faster you go, the. Lookup mercury marine steering systems and components accessories by component and buy discount parts from our. Mercury Marine Power Steering System.
From www.mercurymarine.com
Steering Power Steering Mercury Marine Mercury Marine Power Steering System Relatively new to the marine market. The decompression system and electronic cd ignition design ensure an easy, reliable start. A system designed, built and tested by mercury® engineers to make your time on the water safer, more relaxed, more fun. Standard on verado and available for. With you in total control. Your boat now steers like your car. This mercury. Mercury Marine Power Steering System.
From www.ebay.com
8M0138411 NEW GENUINE OEM MERCURY OUTBOARD POWER STEERING KIT 24 FT LOT Mercury Marine Power Steering System With you in total control. The decompression system and electronic cd ignition design ensure an easy, reliable start. The faster you go, the. This mercury factory power steering setup shows the pump and electric assist motor assembly. Relatively new to the marine market. Standard on verado and available for. A system designed, built and tested by mercury® engineers to make. Mercury Marine Power Steering System.