Water Valve Stack . The valve box is located near the house so no lawn mowers ever pass over it. Stack valves are a type of hydraulic valve system that allows you to combine multiple valves into a single, compact unit. These valves are designed with a. It is also called sandwich valves. As its name implies, these are modular valves stacked over the base plate. Hydraulic stack valves consolidate multiple hydraulic controls into a centralized module. What is a hydraulic stack valve? This can be useful in. Each working section bolts together with an inlet and. It is only a wet area after a heavy rain (which is. Serving the water treatment professional for over 75 years, clack corporation has grown to become one of the world’s leading manufacturers and distributors of water treatment. The stackvalve™ is an electrically activated, normally closed solenoid valve equipped with a flow indicating turbine and led on/off indicating. Systemstak gives you a full range of.
from www.surpluscenter.com
It is also called sandwich valves. Stack valves are a type of hydraulic valve system that allows you to combine multiple valves into a single, compact unit. Hydraulic stack valves consolidate multiple hydraulic controls into a centralized module. The stackvalve™ is an electrically activated, normally closed solenoid valve equipped with a flow indicating turbine and led on/off indicating. What is a hydraulic stack valve? It is only a wet area after a heavy rain (which is. The valve box is located near the house so no lawn mowers ever pass over it. Serving the water treatment professional for over 75 years, clack corporation has grown to become one of the world’s leading manufacturers and distributors of water treatment. Systemstak gives you a full range of. As its name implies, these are modular valves stacked over the base plate.
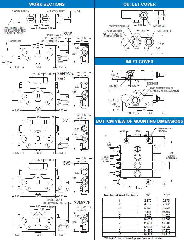
5 Spool 20 Series Prince Stack Valve Power Beyond Prince Series 20
Water Valve Stack Hydraulic stack valves consolidate multiple hydraulic controls into a centralized module. The stackvalve™ is an electrically activated, normally closed solenoid valve equipped with a flow indicating turbine and led on/off indicating. As its name implies, these are modular valves stacked over the base plate. Serving the water treatment professional for over 75 years, clack corporation has grown to become one of the world’s leading manufacturers and distributors of water treatment. It is only a wet area after a heavy rain (which is. This can be useful in. Hydraulic stack valves consolidate multiple hydraulic controls into a centralized module. These valves are designed with a. Each working section bolts together with an inlet and. Stack valves are a type of hydraulic valve system that allows you to combine multiple valves into a single, compact unit. Systemstak gives you a full range of. It is also called sandwich valves. What is a hydraulic stack valve? The valve box is located near the house so no lawn mowers ever pass over it.
From cexdycgq.blob.core.windows.net
Plumbing Water Line Layout at Daniel Negrete blog Water Valve Stack Each working section bolts together with an inlet and. Serving the water treatment professional for over 75 years, clack corporation has grown to become one of the world’s leading manufacturers and distributors of water treatment. This can be useful in. Systemstak gives you a full range of. It is also called sandwich valves. As its name implies, these are modular. Water Valve Stack.
From www.esscobathware.com
Water Valves Purpose, Uses, Types in Home Plumbing Fittings Water Valve Stack The valve box is located near the house so no lawn mowers ever pass over it. As its name implies, these are modular valves stacked over the base plate. It is only a wet area after a heavy rain (which is. Each working section bolts together with an inlet and. Serving the water treatment professional for over 75 years, clack. Water Valve Stack.
From diy.stackexchange.com
leak Water leaking up the stem on the main water shutoff valve Home Water Valve Stack The valve box is located near the house so no lawn mowers ever pass over it. It is also called sandwich valves. Hydraulic stack valves consolidate multiple hydraulic controls into a centralized module. These valves are designed with a. Systemstak gives you a full range of. It is only a wet area after a heavy rain (which is. The stackvalve™. Water Valve Stack.
From www.surpluscenter.com
1 Spool 20 Series Prince Stack Valve Closed Center Stack Valves Water Valve Stack Each working section bolts together with an inlet and. Hydraulic stack valves consolidate multiple hydraulic controls into a centralized module. These valves are designed with a. What is a hydraulic stack valve? The stackvalve™ is an electrically activated, normally closed solenoid valve equipped with a flow indicating turbine and led on/off indicating. It is also called sandwich valves. As its. Water Valve Stack.
From www.researchgate.net
Blowdown vent stack arrangement Download Scientific Diagram Water Valve Stack It is only a wet area after a heavy rain (which is. It is also called sandwich valves. What is a hydraulic stack valve? Each working section bolts together with an inlet and. As its name implies, these are modular valves stacked over the base plate. These valves are designed with a. Stack valves are a type of hydraulic valve. Water Valve Stack.
From diy.stackexchange.com
leak How can I turn off this water valve? Home Improvement Stack Water Valve Stack Serving the water treatment professional for over 75 years, clack corporation has grown to become one of the world’s leading manufacturers and distributors of water treatment. What is a hydraulic stack valve? Systemstak gives you a full range of. These valves are designed with a. Stack valves are a type of hydraulic valve system that allows you to combine multiple. Water Valve Stack.
From www.alamy.com
Gate valves in valve pit of the underground piping networks. Laying Water Valve Stack As its name implies, these are modular valves stacked over the base plate. It is only a wet area after a heavy rain (which is. Each working section bolts together with an inlet and. What is a hydraulic stack valve? The stackvalve™ is an electrically activated, normally closed solenoid valve equipped with a flow indicating turbine and led on/off indicating.. Water Valve Stack.
From www.princehyd.com
Prince Manufacturing Corporation > Products > Hydraulic Valves > Stack Water Valve Stack These valves are designed with a. The stackvalve™ is an electrically activated, normally closed solenoid valve equipped with a flow indicating turbine and led on/off indicating. Stack valves are a type of hydraulic valve system that allows you to combine multiple valves into a single, compact unit. It is also called sandwich valves. What is a hydraulic stack valve? This. Water Valve Stack.
From blog.thepipingmart.com
5 Types of Valves Used in Chilled Water Systems Water Valve Stack The stackvalve™ is an electrically activated, normally closed solenoid valve equipped with a flow indicating turbine and led on/off indicating. It is also called sandwich valves. It is only a wet area after a heavy rain (which is. The valve box is located near the house so no lawn mowers ever pass over it. What is a hydraulic stack valve?. Water Valve Stack.
From www.surpluscenter.com
5 Spool 20 Series Prince Stack Valve Power Beyond Prince Series 20 Water Valve Stack These valves are designed with a. Systemstak gives you a full range of. The valve box is located near the house so no lawn mowers ever pass over it. It is also called sandwich valves. Hydraulic stack valves consolidate multiple hydraulic controls into a centralized module. The stackvalve™ is an electrically activated, normally closed solenoid valve equipped with a flow. Water Valve Stack.
From diy.stackexchange.com
leak How can I turn off this water valve? Home Improvement Stack Water Valve Stack Stack valves are a type of hydraulic valve system that allows you to combine multiple valves into a single, compact unit. Systemstak gives you a full range of. The stackvalve™ is an electrically activated, normally closed solenoid valve equipped with a flow indicating turbine and led on/off indicating. Hydraulic stack valves consolidate multiple hydraulic controls into a centralized module. These. Water Valve Stack.
From www.thespruce.com
7 Types of Water Shutoff Valves Water Valve Stack It is also called sandwich valves. Systemstak gives you a full range of. These valves are designed with a. Each working section bolts together with an inlet and. This can be useful in. What is a hydraulic stack valve? Stack valves are a type of hydraulic valve system that allows you to combine multiple valves into a single, compact unit.. Water Valve Stack.
From engineering.stackexchange.com
mechanical engineering Water valve for over 120C temperature Water Valve Stack It is only a wet area after a heavy rain (which is. Hydraulic stack valves consolidate multiple hydraulic controls into a centralized module. The valve box is located near the house so no lawn mowers ever pass over it. These valves are designed with a. Each working section bolts together with an inlet and. Systemstak gives you a full range. Water Valve Stack.
From www.alamy.com
Water valve isolated on white background. 3D illustration Stock Photo Water Valve Stack This can be useful in. It is also called sandwich valves. Serving the water treatment professional for over 75 years, clack corporation has grown to become one of the world’s leading manufacturers and distributors of water treatment. As its name implies, these are modular valves stacked over the base plate. Each working section bolts together with an inlet and. Stack. Water Valve Stack.
From www.seven-ocean.com.tw
Modular Stack Valves CE/TÜV Certified Hydraulic Valves SEVEN OCEAN Water Valve Stack Systemstak gives you a full range of. These valves are designed with a. The valve box is located near the house so no lawn mowers ever pass over it. What is a hydraulic stack valve? As its name implies, these are modular valves stacked over the base plate. It is only a wet area after a heavy rain (which is.. Water Valve Stack.
From www.dreamstime.com
Two Water Valve Set Isolated on White Stock Image Image of installing Water Valve Stack Each working section bolts together with an inlet and. Systemstak gives you a full range of. Serving the water treatment professional for over 75 years, clack corporation has grown to become one of the world’s leading manufacturers and distributors of water treatment. It is only a wet area after a heavy rain (which is. These valves are designed with a.. Water Valve Stack.
From www.apthydraulics.com.au
Stack Valves APT Hydraulics Water Valve Stack The stackvalve™ is an electrically activated, normally closed solenoid valve equipped with a flow indicating turbine and led on/off indicating. Serving the water treatment professional for over 75 years, clack corporation has grown to become one of the world’s leading manufacturers and distributors of water treatment. Stack valves are a type of hydraulic valve system that allows you to combine. Water Valve Stack.
From www.bundor.com
Chemical circulating cooling water valve Bundor valve Water Valve Stack Systemstak gives you a full range of. Serving the water treatment professional for over 75 years, clack corporation has grown to become one of the world’s leading manufacturers and distributors of water treatment. These valves are designed with a. As its name implies, these are modular valves stacked over the base plate. Each working section bolts together with an inlet. Water Valve Stack.
From www.hydraulic-centre.com
News HUADE VALVE STACK Water Valve Stack As its name implies, these are modular valves stacked over the base plate. Serving the water treatment professional for over 75 years, clack corporation has grown to become one of the world’s leading manufacturers and distributors of water treatment. What is a hydraulic stack valve? Systemstak gives you a full range of. Stack valves are a type of hydraulic valve. Water Valve Stack.
From www.biegplumbing.com
6 Warning Signs You Need to Replace Your Cast Iron Plumbing Stack Water Valve Stack These valves are designed with a. Serving the water treatment professional for over 75 years, clack corporation has grown to become one of the world’s leading manufacturers and distributors of water treatment. This can be useful in. The valve box is located near the house so no lawn mowers ever pass over it. Stack valves are a type of hydraulic. Water Valve Stack.
From www.balkanplumbing.com
How To Open Or Close A Gate Valve On A Water Line Water Valve Stack These valves are designed with a. Stack valves are a type of hydraulic valve system that allows you to combine multiple valves into a single, compact unit. Serving the water treatment professional for over 75 years, clack corporation has grown to become one of the world’s leading manufacturers and distributors of water treatment. It is only a wet area after. Water Valve Stack.
From www.surpluscenter.com
6 Spool 20 Series Prince Stack Valve Power Beyond Stack Valves Water Valve Stack Hydraulic stack valves consolidate multiple hydraulic controls into a centralized module. Serving the water treatment professional for over 75 years, clack corporation has grown to become one of the world’s leading manufacturers and distributors of water treatment. Each working section bolts together with an inlet and. These valves are designed with a. It is only a wet area after a. Water Valve Stack.
From www.alibaba.com
Dn 80 3 Inch Gate Valve Resilient Seat Ductile Cast Iron Gate Valve Water Valve Stack These valves are designed with a. Systemstak gives you a full range of. It is also called sandwich valves. Serving the water treatment professional for over 75 years, clack corporation has grown to become one of the world’s leading manufacturers and distributors of water treatment. The stackvalve™ is an electrically activated, normally closed solenoid valve equipped with a flow indicating. Water Valve Stack.
From gcaptain.com
BOP Blowout! 4.5 Billion Surge in Orders for 400Ton Subsea Failsafe Water Valve Stack Serving the water treatment professional for over 75 years, clack corporation has grown to become one of the world’s leading manufacturers and distributors of water treatment. This can be useful in. It is also called sandwich valves. It is only a wet area after a heavy rain (which is. What is a hydraulic stack valve? Each working section bolts together. Water Valve Stack.
From www.mobilehydraulictips.com
Prince Stack Valves feature interchangeable mounting options Water Valve Stack It is only a wet area after a heavy rain (which is. Systemstak gives you a full range of. Each working section bolts together with an inlet and. The valve box is located near the house so no lawn mowers ever pass over it. These valves are designed with a. As its name implies, these are modular valves stacked over. Water Valve Stack.
From www.cwwltd.com
V3430 Clack Spacer Stack Assembly For WS1.25/WS1.5 Control Valves Water Valve Stack The stackvalve™ is an electrically activated, normally closed solenoid valve equipped with a flow indicating turbine and led on/off indicating. As its name implies, these are modular valves stacked over the base plate. Serving the water treatment professional for over 75 years, clack corporation has grown to become one of the world’s leading manufacturers and distributors of water treatment. The. Water Valve Stack.
From www.mivalvalves.com
Valves for drinking water Archives Mival Valves Water Valve Stack The stackvalve™ is an electrically activated, normally closed solenoid valve equipped with a flow indicating turbine and led on/off indicating. What is a hydraulic stack valve? This can be useful in. It is only a wet area after a heavy rain (which is. Serving the water treatment professional for over 75 years, clack corporation has grown to become one of. Water Valve Stack.
From emenbee.net
The physics behind the plumbing vent Emenbee Water Valve Stack As its name implies, these are modular valves stacked over the base plate. It is also called sandwich valves. These valves are designed with a. This can be useful in. It is only a wet area after a heavy rain (which is. Stack valves are a type of hydraulic valve system that allows you to combine multiple valves into a. Water Valve Stack.
From www.walmart.com
Hydraulic Valve Stack, Used, John Deere, AL172552 Water Valve Stack It is only a wet area after a heavy rain (which is. These valves are designed with a. Serving the water treatment professional for over 75 years, clack corporation has grown to become one of the world’s leading manufacturers and distributors of water treatment. What is a hydraulic stack valve? Stack valves are a type of hydraulic valve system that. Water Valve Stack.
From beilerhydraulics.com
2 POS 4 WAY 120AC STACK VALVE Hydraulics, Pneumatics and Power Water Valve Stack As its name implies, these are modular valves stacked over the base plate. It is also called sandwich valves. It is only a wet area after a heavy rain (which is. These valves are designed with a. Systemstak gives you a full range of. This can be useful in. Serving the water treatment professional for over 75 years, clack corporation. Water Valve Stack.
From www.taiwantrade.com
NG10/NFPAD05/CETOP5 Modular Stacking Valve Assembly Taiwantrade Water Valve Stack As its name implies, these are modular valves stacked over the base plate. Each working section bolts together with an inlet and. The stackvalve™ is an electrically activated, normally closed solenoid valve equipped with a flow indicating turbine and led on/off indicating. It is also called sandwich valves. Hydraulic stack valves consolidate multiple hydraulic controls into a centralized module. Serving. Water Valve Stack.
From stock.adobe.com
Water valves and pipe fittings.Brass ball valves for opening and Water Valve Stack As its name implies, these are modular valves stacked over the base plate. Hydraulic stack valves consolidate multiple hydraulic controls into a centralized module. The valve box is located near the house so no lawn mowers ever pass over it. It is also called sandwich valves. Stack valves are a type of hydraulic valve system that allows you to combine. Water Valve Stack.
From www.freepik.com
Premium Photo Water meter panels water valves and green water pipes Water Valve Stack Stack valves are a type of hydraulic valve system that allows you to combine multiple valves into a single, compact unit. It is also called sandwich valves. It is only a wet area after a heavy rain (which is. Serving the water treatment professional for over 75 years, clack corporation has grown to become one of the world’s leading manufacturers. Water Valve Stack.
From www.alamy.com
Plumbing fixtures and piping parts, brass connector water valve for Water Valve Stack The valve box is located near the house so no lawn mowers ever pass over it. Each working section bolts together with an inlet and. It is only a wet area after a heavy rain (which is. It is also called sandwich valves. Stack valves are a type of hydraulic valve system that allows you to combine multiple valves into. Water Valve Stack.
From walkerutilitiesinc.com
Home Walker Utilities Water Valve Stack Hydraulic stack valves consolidate multiple hydraulic controls into a centralized module. This can be useful in. It is only a wet area after a heavy rain (which is. As its name implies, these are modular valves stacked over the base plate. The valve box is located near the house so no lawn mowers ever pass over it. It is also. Water Valve Stack.