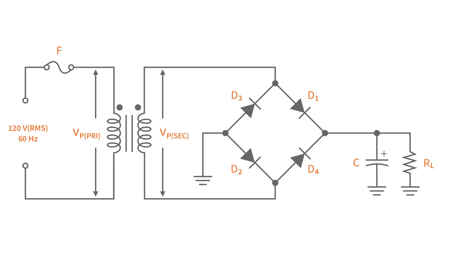
A Bridge Rectifier Circuit Has . Learn its working, construction, characteristics and more. Because the power outlets in our homes provide ac but our electronic devices use dc, so we need to convert the ac into dc electricity. Bridge rectifier is a type of rectifier that uses four or more diodes in a bridge configuration. What is a bridge rectifier? Bridge rectifiers use four diodes that are arranged cleverly to convert the ac supply voltage to a. Bridge rectifiers are widely used in power supplies that provide necessary dc voltage for the electronic components or devices. Its main purpose is rectification ensuring that. A bridge rectifier is a device used to convert ac into dc. It is the most efficient rectifier circuit. A bridge rectifier is a circuit that allows a complete alternating current (ac) waveform to pass, but uses a standard transformer thus keeping the cost low. A bridge rectifier is an alternating current (ac) to direct current (dc) converter that rectifies mains ac input to dc output. How does a bridge rectifier work? The full bridge rectifier converts ac alternating current, into dc direct current.
from www.multisim.com
Learn its working, construction, characteristics and more. Because the power outlets in our homes provide ac but our electronic devices use dc, so we need to convert the ac into dc electricity. The full bridge rectifier converts ac alternating current, into dc direct current. A bridge rectifier is a device used to convert ac into dc. Bridge rectifiers use four diodes that are arranged cleverly to convert the ac supply voltage to a. What is a bridge rectifier? A bridge rectifier is a circuit that allows a complete alternating current (ac) waveform to pass, but uses a standard transformer thus keeping the cost low. How does a bridge rectifier work? Bridge rectifier is a type of rectifier that uses four or more diodes in a bridge configuration. Its main purpose is rectification ensuring that.
FullWave Bridge Rectifier circuit Multisim Live
A Bridge Rectifier Circuit Has What is a bridge rectifier? The full bridge rectifier converts ac alternating current, into dc direct current. What is a bridge rectifier? It is the most efficient rectifier circuit. Its main purpose is rectification ensuring that. Bridge rectifier is a type of rectifier that uses four or more diodes in a bridge configuration. A bridge rectifier is a device used to convert ac into dc. Because the power outlets in our homes provide ac but our electronic devices use dc, so we need to convert the ac into dc electricity. Bridge rectifiers are widely used in power supplies that provide necessary dc voltage for the electronic components or devices. Learn its working, construction, characteristics and more. How does a bridge rectifier work? A bridge rectifier is an alternating current (ac) to direct current (dc) converter that rectifies mains ac input to dc output. Bridge rectifiers use four diodes that are arranged cleverly to convert the ac supply voltage to a. A bridge rectifier is a circuit that allows a complete alternating current (ac) waveform to pass, but uses a standard transformer thus keeping the cost low.
From www.circuits-diy.com
FullWave Bridge Rectifier Circuit A Bridge Rectifier Circuit Has A bridge rectifier is a device used to convert ac into dc. Its main purpose is rectification ensuring that. Because the power outlets in our homes provide ac but our electronic devices use dc, so we need to convert the ac into dc electricity. Bridge rectifiers use four diodes that are arranged cleverly to convert the ac supply voltage to. A Bridge Rectifier Circuit Has.
From electronicshacks.com
What Is a Bridge Rectifier? ElectronicsHacks A Bridge Rectifier Circuit Has Its main purpose is rectification ensuring that. A bridge rectifier is an alternating current (ac) to direct current (dc) converter that rectifies mains ac input to dc output. Because the power outlets in our homes provide ac but our electronic devices use dc, so we need to convert the ac into dc electricity. Bridge rectifiers are widely used in power. A Bridge Rectifier Circuit Has.
From www.circuitdiagram.co
Full Wave Bridge Rectifier Circuit Multisim Circuit Diagram A Bridge Rectifier Circuit Has Bridge rectifier is a type of rectifier that uses four or more diodes in a bridge configuration. The full bridge rectifier converts ac alternating current, into dc direct current. Learn its working, construction, characteristics and more. Its main purpose is rectification ensuring that. Bridge rectifiers are widely used in power supplies that provide necessary dc voltage for the electronic components. A Bridge Rectifier Circuit Has.
From enginelibraryeisenhauer.z19.web.core.windows.net
Single Phase Full Wave Rectifier Circuit Diagram A Bridge Rectifier Circuit Has Bridge rectifiers use four diodes that are arranged cleverly to convert the ac supply voltage to a. It is the most efficient rectifier circuit. Learn its working, construction, characteristics and more. Bridge rectifier is a type of rectifier that uses four or more diodes in a bridge configuration. A bridge rectifier is a circuit that allows a complete alternating current. A Bridge Rectifier Circuit Has.
From www.researchgate.net
A Threephase Bridge Rectifier with An RL Load The circuit has six A Bridge Rectifier Circuit Has How does a bridge rectifier work? A bridge rectifier is a circuit that allows a complete alternating current (ac) waveform to pass, but uses a standard transformer thus keeping the cost low. Bridge rectifiers are widely used in power supplies that provide necessary dc voltage for the electronic components or devices. A bridge rectifier is an alternating current (ac) to. A Bridge Rectifier Circuit Has.
From schematicdiagramglocer.z19.web.core.windows.net
Bridge Rectifier Circuit Diagram With Working A Bridge Rectifier Circuit Has What is a bridge rectifier? A bridge rectifier is a device used to convert ac into dc. Bridge rectifiers are widely used in power supplies that provide necessary dc voltage for the electronic components or devices. Learn its working, construction, characteristics and more. Because the power outlets in our homes provide ac but our electronic devices use dc, so we. A Bridge Rectifier Circuit Has.
From www.multisim.com
Full Wave Bridge rectifier circuit Multisim Live A Bridge Rectifier Circuit Has Bridge rectifiers use four diodes that are arranged cleverly to convert the ac supply voltage to a. The full bridge rectifier converts ac alternating current, into dc direct current. Its main purpose is rectification ensuring that. A bridge rectifier is a circuit that allows a complete alternating current (ac) waveform to pass, but uses a standard transformer thus keeping the. A Bridge Rectifier Circuit Has.
From www.geeksforgeeks.org
Bridge Rectifier Construction, Working, Characteristics and Types A Bridge Rectifier Circuit Has Bridge rectifiers are widely used in power supplies that provide necessary dc voltage for the electronic components or devices. Learn its working, construction, characteristics and more. A bridge rectifier is a device used to convert ac into dc. It is the most efficient rectifier circuit. How does a bridge rectifier work? What is a bridge rectifier? Bridge rectifier is a. A Bridge Rectifier Circuit Has.
From www.slidemake.com
Construction And Working Of Bridge Rectifier A Bridge Rectifier Circuit Has A bridge rectifier is a circuit that allows a complete alternating current (ac) waveform to pass, but uses a standard transformer thus keeping the cost low. Bridge rectifiers use four diodes that are arranged cleverly to convert the ac supply voltage to a. The full bridge rectifier converts ac alternating current, into dc direct current. A bridge rectifier is a. A Bridge Rectifier Circuit Has.
From www.electricalvolt.com
Single Phase Half Wave Rectifier Circuit Diagram,Theory & Applications A Bridge Rectifier Circuit Has Because the power outlets in our homes provide ac but our electronic devices use dc, so we need to convert the ac into dc electricity. A bridge rectifier is a device used to convert ac into dc. Bridge rectifiers are widely used in power supplies that provide necessary dc voltage for the electronic components or devices. What is a bridge. A Bridge Rectifier Circuit Has.
From www.multisim.com
FullWave Bridge Rectifier circuit Multisim Live A Bridge Rectifier Circuit Has Bridge rectifiers use four diodes that are arranged cleverly to convert the ac supply voltage to a. A bridge rectifier is an alternating current (ac) to direct current (dc) converter that rectifies mains ac input to dc output. What is a bridge rectifier? A bridge rectifier is a device used to convert ac into dc. Bridge rectifier is a type. A Bridge Rectifier Circuit Has.
From electronicshacks.com
What Is a Bridge Rectifier? ElectronicsHacks A Bridge Rectifier Circuit Has Its main purpose is rectification ensuring that. Because the power outlets in our homes provide ac but our electronic devices use dc, so we need to convert the ac into dc electricity. A bridge rectifier is a device used to convert ac into dc. What is a bridge rectifier? The full bridge rectifier converts ac alternating current, into dc direct. A Bridge Rectifier Circuit Has.
From www.circuits-diy.com
Simple Bridge Rectifier Circuit A Bridge Rectifier Circuit Has A bridge rectifier is a circuit that allows a complete alternating current (ac) waveform to pass, but uses a standard transformer thus keeping the cost low. The full bridge rectifier converts ac alternating current, into dc direct current. It is the most efficient rectifier circuit. Its main purpose is rectification ensuring that. A bridge rectifier is an alternating current (ac). A Bridge Rectifier Circuit Has.
From www.circuitbread.com
CenterTapped FullWave Rectifier Operation … CircuitBread A Bridge Rectifier Circuit Has What is a bridge rectifier? A bridge rectifier is a device used to convert ac into dc. Because the power outlets in our homes provide ac but our electronic devices use dc, so we need to convert the ac into dc electricity. A bridge rectifier is an alternating current (ac) to direct current (dc) converter that rectifies mains ac input. A Bridge Rectifier Circuit Has.
From www.watelectrical.com
Bridge Rectifier Working Principle, Circuit Diagram, Types & Benefits A Bridge Rectifier Circuit Has Bridge rectifier is a type of rectifier that uses four or more diodes in a bridge configuration. A bridge rectifier is a device used to convert ac into dc. Bridge rectifiers are widely used in power supplies that provide necessary dc voltage for the electronic components or devices. It is the most efficient rectifier circuit. Its main purpose is rectification. A Bridge Rectifier Circuit Has.
From www.youtube.com
FullWave Bridge Rectifier YouTube A Bridge Rectifier Circuit Has Its main purpose is rectification ensuring that. What is a bridge rectifier? Bridge rectifiers are widely used in power supplies that provide necessary dc voltage for the electronic components or devices. A bridge rectifier is an alternating current (ac) to direct current (dc) converter that rectifies mains ac input to dc output. A bridge rectifier is a circuit that allows. A Bridge Rectifier Circuit Has.
From schematicpartclaudia.z19.web.core.windows.net
Identify The Bridge Rectifier Circuit A Bridge Rectifier Circuit Has What is a bridge rectifier? The full bridge rectifier converts ac alternating current, into dc direct current. A bridge rectifier is an alternating current (ac) to direct current (dc) converter that rectifies mains ac input to dc output. Learn its working, construction, characteristics and more. Bridge rectifiers are widely used in power supplies that provide necessary dc voltage for the. A Bridge Rectifier Circuit Has.
From schematicpartclaudia.z19.web.core.windows.net
Bridge Rectifier Circuit With Output A Bridge Rectifier Circuit Has A bridge rectifier is a circuit that allows a complete alternating current (ac) waveform to pass, but uses a standard transformer thus keeping the cost low. Bridge rectifier is a type of rectifier that uses four or more diodes in a bridge configuration. What is a bridge rectifier? Bridge rectifiers use four diodes that are arranged cleverly to convert the. A Bridge Rectifier Circuit Has.
From www.numerade.com
A fullwave bridge rectifier circuit is shown in Fig. B1. Given that A Bridge Rectifier Circuit Has A bridge rectifier is an alternating current (ac) to direct current (dc) converter that rectifies mains ac input to dc output. Because the power outlets in our homes provide ac but our electronic devices use dc, so we need to convert the ac into dc electricity. Bridge rectifiers are widely used in power supplies that provide necessary dc voltage for. A Bridge Rectifier Circuit Has.
From www.tutoroot.com
InDepth Guide to Full Wave Rectifier Circuit Diagram, Waveform A Bridge Rectifier Circuit Has Its main purpose is rectification ensuring that. Bridge rectifiers are widely used in power supplies that provide necessary dc voltage for the electronic components or devices. The full bridge rectifier converts ac alternating current, into dc direct current. Because the power outlets in our homes provide ac but our electronic devices use dc, so we need to convert the ac. A Bridge Rectifier Circuit Has.
From hackaday.com
Scope Noob Bridge Rectifier Hackaday A Bridge Rectifier Circuit Has A bridge rectifier is an alternating current (ac) to direct current (dc) converter that rectifies mains ac input to dc output. The full bridge rectifier converts ac alternating current, into dc direct current. Learn its working, construction, characteristics and more. It is the most efficient rectifier circuit. A bridge rectifier is a device used to convert ac into dc. Because. A Bridge Rectifier Circuit Has.
From in.pinterest.com
Step Down Transformer, Dc Dc Converter, Hardware Components, Academic A Bridge Rectifier Circuit Has Bridge rectifier is a type of rectifier that uses four or more diodes in a bridge configuration. Because the power outlets in our homes provide ac but our electronic devices use dc, so we need to convert the ac into dc electricity. How does a bridge rectifier work? A bridge rectifier is a circuit that allows a complete alternating current. A Bridge Rectifier Circuit Has.
From electricalworkbook.com
What is Bridge Rectifier? Working, Circuit Diagram & Waveforms A Bridge Rectifier Circuit Has It is the most efficient rectifier circuit. Bridge rectifiers are widely used in power supplies that provide necessary dc voltage for the electronic components or devices. How does a bridge rectifier work? Because the power outlets in our homes provide ac but our electronic devices use dc, so we need to convert the ac into dc electricity. A bridge rectifier. A Bridge Rectifier Circuit Has.
From www.thegeekpub.com
Bridge Rectifier Circuit Electronics Basics The Geek Pub A Bridge Rectifier Circuit Has A bridge rectifier is an alternating current (ac) to direct current (dc) converter that rectifies mains ac input to dc output. Bridge rectifiers use four diodes that are arranged cleverly to convert the ac supply voltage to a. A bridge rectifier is a circuit that allows a complete alternating current (ac) waveform to pass, but uses a standard transformer thus. A Bridge Rectifier Circuit Has.
From circuitdbribaudred.z21.web.core.windows.net
Bridge Rectifier Circuit Diagram Explained A Bridge Rectifier Circuit Has It is the most efficient rectifier circuit. What is a bridge rectifier? A bridge rectifier is a device used to convert ac into dc. How does a bridge rectifier work? A bridge rectifier is an alternating current (ac) to direct current (dc) converter that rectifies mains ac input to dc output. Its main purpose is rectification ensuring that. A bridge. A Bridge Rectifier Circuit Has.
From engineeringtutorial.com
Full Wave Bridge Rectifier Operation Engineering Tutorial A Bridge Rectifier Circuit Has A bridge rectifier is a device used to convert ac into dc. Bridge rectifier is a type of rectifier that uses four or more diodes in a bridge configuration. What is a bridge rectifier? The full bridge rectifier converts ac alternating current, into dc direct current. Its main purpose is rectification ensuring that. A bridge rectifier is a circuit that. A Bridge Rectifier Circuit Has.
From electricalworkbook.com
What is Bridge Rectifier? Working, Circuit Diagram & Waveforms A Bridge Rectifier Circuit Has Learn its working, construction, characteristics and more. What is a bridge rectifier? A bridge rectifier is a device used to convert ac into dc. It is the most efficient rectifier circuit. The full bridge rectifier converts ac alternating current, into dc direct current. How does a bridge rectifier work? A bridge rectifier is a circuit that allows a complete alternating. A Bridge Rectifier Circuit Has.
From www.electroduino.com
Full Wave Bridge Rectifier Circuit Diagram and Working Principle A Bridge Rectifier Circuit Has A bridge rectifier is an alternating current (ac) to direct current (dc) converter that rectifies mains ac input to dc output. A bridge rectifier is a device used to convert ac into dc. What is a bridge rectifier? Learn its working, construction, characteristics and more. Bridge rectifier is a type of rectifier that uses four or more diodes in a. A Bridge Rectifier Circuit Has.
From www.thegeekpub.com
Bridge Rectifier Circuit Electronics Basics The Geek Pub A Bridge Rectifier Circuit Has A bridge rectifier is a circuit that allows a complete alternating current (ac) waveform to pass, but uses a standard transformer thus keeping the cost low. It is the most efficient rectifier circuit. What is a bridge rectifier? The full bridge rectifier converts ac alternating current, into dc direct current. A bridge rectifier is an alternating current (ac) to direct. A Bridge Rectifier Circuit Has.
From electricala2z.com
Half Wave & Full Wave Rectifier Working Principle, Circuit Diagram A Bridge Rectifier Circuit Has A bridge rectifier is a device used to convert ac into dc. Bridge rectifier is a type of rectifier that uses four or more diodes in a bridge configuration. A bridge rectifier is an alternating current (ac) to direct current (dc) converter that rectifies mains ac input to dc output. Bridge rectifiers use four diodes that are arranged cleverly to. A Bridge Rectifier Circuit Has.
From www.thegeekpub.com
Bridge Rectifier Circuit Electronics Basics The Geek Pub A Bridge Rectifier Circuit Has A bridge rectifier is a circuit that allows a complete alternating current (ac) waveform to pass, but uses a standard transformer thus keeping the cost low. Its main purpose is rectification ensuring that. A bridge rectifier is a device used to convert ac into dc. Bridge rectifiers use four diodes that are arranged cleverly to convert the ac supply voltage. A Bridge Rectifier Circuit Has.
From www.electronicsforu.com
Bridge Rectifier Circuit, Construction, Working, and Types A Bridge Rectifier Circuit Has Learn its working, construction, characteristics and more. A bridge rectifier is a circuit that allows a complete alternating current (ac) waveform to pass, but uses a standard transformer thus keeping the cost low. It is the most efficient rectifier circuit. A bridge rectifier is an alternating current (ac) to direct current (dc) converter that rectifies mains ac input to dc. A Bridge Rectifier Circuit Has.
From electriccircuitfundamentals.blogspot.com
Bipolar Output Full Wave Bridge Rectifier with Center Tapped A Bridge Rectifier Circuit Has How does a bridge rectifier work? Because the power outlets in our homes provide ac but our electronic devices use dc, so we need to convert the ac into dc electricity. Bridge rectifiers use four diodes that are arranged cleverly to convert the ac supply voltage to a. A bridge rectifier is a device used to convert ac into dc.. A Bridge Rectifier Circuit Has.
From www.slidemake.com
Construction And Working Of Bridge Rectifier Presentation A Bridge Rectifier Circuit Has How does a bridge rectifier work? Bridge rectifiers are widely used in power supplies that provide necessary dc voltage for the electronic components or devices. The full bridge rectifier converts ac alternating current, into dc direct current. What is a bridge rectifier? Learn its working, construction, characteristics and more. A bridge rectifier is a device used to convert ac into. A Bridge Rectifier Circuit Has.
From www.electricity-magnetism.org
Bridge Rectifier How it works, Application & Advantages A Bridge Rectifier Circuit Has A bridge rectifier is a device used to convert ac into dc. Bridge rectifier is a type of rectifier that uses four or more diodes in a bridge configuration. Because the power outlets in our homes provide ac but our electronic devices use dc, so we need to convert the ac into dc electricity. What is a bridge rectifier? A. A Bridge Rectifier Circuit Has.