Stainless Steel Channel Weight . We produce and distribute hot rolled and laser fused stainless steel channels throughout the world in both imperial and metric sizes. Stainless c channel, stainless u channel. All in a wide variety of finishes. Select size (s) to calculate. 28 rows stainless shapes provides the highest quality hot rolled and laser fused products including stainless steel channels. Stainless steel channel provides a mixture of strength and corrosion resistance in areas outside marine and chemically corrosive environments. Frame work, braces, supports, marine, food, etc. Whereas, we provide quick and accurate quotes and have the. Generally in 6.000 metre lengths and commonly in grades t304 and t316; Please select the catalog for your region below to view a list of available standard size channels. Trust our premium 304 stainless steel channels. For your information kg/m refers to the kilograms per meter of the section, as an example a 6.000 meter length of 100 x 50 channel (10.6 kg/m) would weigh (6 x 10.6) 63.6 kg's the larger size in the channels. Find the stainless steel channel weight chart for accurate weights and dimensions.
from learninglovie.z4.web.core.windows.net
Frame work, braces, supports, marine, food, etc. Find the stainless steel channel weight chart for accurate weights and dimensions. Stainless steel channel provides a mixture of strength and corrosion resistance in areas outside marine and chemically corrosive environments. 28 rows stainless shapes provides the highest quality hot rolled and laser fused products including stainless steel channels. We produce and distribute hot rolled and laser fused stainless steel channels throughout the world in both imperial and metric sizes. All in a wide variety of finishes. Trust our premium 304 stainless steel channels. For your information kg/m refers to the kilograms per meter of the section, as an example a 6.000 meter length of 100 x 50 channel (10.6 kg/m) would weigh (6 x 10.6) 63.6 kg's the larger size in the channels. Whereas, we provide quick and accurate quotes and have the. Stainless c channel, stainless u channel.
C Channel Steel Sizes Chart
Stainless Steel Channel Weight We produce and distribute hot rolled and laser fused stainless steel channels throughout the world in both imperial and metric sizes. Frame work, braces, supports, marine, food, etc. Trust our premium 304 stainless steel channels. Generally in 6.000 metre lengths and commonly in grades t304 and t316; Stainless steel channel provides a mixture of strength and corrosion resistance in areas outside marine and chemically corrosive environments. 28 rows stainless shapes provides the highest quality hot rolled and laser fused products including stainless steel channels. Select size (s) to calculate. For your information kg/m refers to the kilograms per meter of the section, as an example a 6.000 meter length of 100 x 50 channel (10.6 kg/m) would weigh (6 x 10.6) 63.6 kg's the larger size in the channels. Find the stainless steel channel weight chart for accurate weights and dimensions. Please select the catalog for your region below to view a list of available standard size channels. We produce and distribute hot rolled and laser fused stainless steel channels throughout the world in both imperial and metric sizes. Stainless c channel, stainless u channel. Whereas, we provide quick and accurate quotes and have the. All in a wide variety of finishes.
From www.alibaba.com
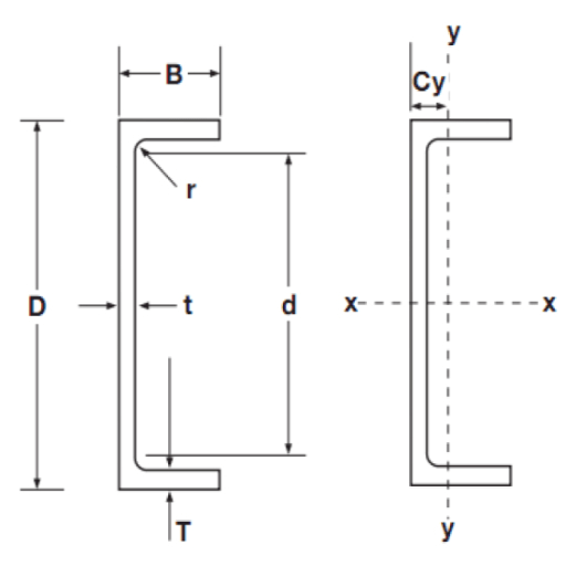
304 Stainless Steel Unistrut Channel U Channel Weight Buy Stainless Stainless Steel Channel Weight 28 rows stainless shapes provides the highest quality hot rolled and laser fused products including stainless steel channels. Find the stainless steel channel weight chart for accurate weights and dimensions. Generally in 6.000 metre lengths and commonly in grades t304 and t316; Whereas, we provide quick and accurate quotes and have the. Please select the catalog for your region below. Stainless Steel Channel Weight.
From exoetqwpx.blob.core.windows.net
Stainless Steel Angle Weight Chart at Charolette Ramsey blog Stainless Steel Channel Weight Whereas, we provide quick and accurate quotes and have the. Find the stainless steel channel weight chart for accurate weights and dimensions. Frame work, braces, supports, marine, food, etc. Generally in 6.000 metre lengths and commonly in grades t304 and t316; Stainless c channel, stainless u channel. 28 rows stainless shapes provides the highest quality hot rolled and laser fused. Stainless Steel Channel Weight.
From tuningpp.com
steel channel size chart Stainless Steel Channel Weight 28 rows stainless shapes provides the highest quality hot rolled and laser fused products including stainless steel channels. Please select the catalog for your region below to view a list of available standard size channels. Trust our premium 304 stainless steel channels. We produce and distribute hot rolled and laser fused stainless steel channels throughout the world in both imperial. Stainless Steel Channel Weight.
From www.mory.co.jp
Channel bars|MORY INDUSTRIES INC. Stainless Steel Channel Weight Select size (s) to calculate. For your information kg/m refers to the kilograms per meter of the section, as an example a 6.000 meter length of 100 x 50 channel (10.6 kg/m) would weigh (6 x 10.6) 63.6 kg's the larger size in the channels. Frame work, braces, supports, marine, food, etc. Please select the catalog for your region below. Stainless Steel Channel Weight.
From www.youtube.com
Calculation of Weight(kg) Per meter of M.S Angel & Channel Mild Stainless Steel Channel Weight Generally in 6.000 metre lengths and commonly in grades t304 and t316; Whereas, we provide quick and accurate quotes and have the. Stainless steel channel provides a mixture of strength and corrosion resistance in areas outside marine and chemically corrosive environments. Trust our premium 304 stainless steel channels. Stainless c channel, stainless u channel. For your information kg/m refers to. Stainless Steel Channel Weight.
From mavink.com
Steel C Channel Standard Sizes Stainless Steel Channel Weight All in a wide variety of finishes. Please select the catalog for your region below to view a list of available standard size channels. For your information kg/m refers to the kilograms per meter of the section, as an example a 6.000 meter length of 100 x 50 channel (10.6 kg/m) would weigh (6 x 10.6) 63.6 kg's the larger. Stainless Steel Channel Weight.
From www.metricmetal.com
Metric Channel 304 Stainless Steel Metric Metal Stainless Steel Channel Weight 28 rows stainless shapes provides the highest quality hot rolled and laser fused products including stainless steel channels. Find the stainless steel channel weight chart for accurate weights and dimensions. Stainless c channel, stainless u channel. Frame work, braces, supports, marine, food, etc. All in a wide variety of finishes. We produce and distribute hot rolled and laser fused stainless. Stainless Steel Channel Weight.
From www.junnansteel.com
UPN Channel steel JIS channel steel 100x50 U channel Junnan Steel Stainless Steel Channel Weight Trust our premium 304 stainless steel channels. Whereas, we provide quick and accurate quotes and have the. Stainless c channel, stainless u channel. Stainless steel channel provides a mixture of strength and corrosion resistance in areas outside marine and chemically corrosive environments. We produce and distribute hot rolled and laser fused stainless steel channels throughout the world in both imperial. Stainless Steel Channel Weight.
From www.alibaba.com
304 Stainless Steel Unistrut Channel U Channel Weight Buy Stainless Stainless Steel Channel Weight Generally in 6.000 metre lengths and commonly in grades t304 and t316; We produce and distribute hot rolled and laser fused stainless steel channels throughout the world in both imperial and metric sizes. Find the stainless steel channel weight chart for accurate weights and dimensions. All in a wide variety of finishes. Trust our premium 304 stainless steel channels. Whereas,. Stainless Steel Channel Weight.
From mavink.com
Steel C Channel Weight Chart Stainless Steel Channel Weight Stainless steel channel provides a mixture of strength and corrosion resistance in areas outside marine and chemically corrosive environments. Generally in 6.000 metre lengths and commonly in grades t304 and t316; Find the stainless steel channel weight chart for accurate weights and dimensions. Frame work, braces, supports, marine, food, etc. Trust our premium 304 stainless steel channels. Please select the. Stainless Steel Channel Weight.
From www.tridentsteel.co.in
Stainless Steel Pipe and SS Seamless/ Welded/ ERW Pipes supplier India Stainless Steel Channel Weight We produce and distribute hot rolled and laser fused stainless steel channels throughout the world in both imperial and metric sizes. 28 rows stainless shapes provides the highest quality hot rolled and laser fused products including stainless steel channels. Trust our premium 304 stainless steel channels. Select size (s) to calculate. Frame work, braces, supports, marine, food, etc. All in. Stainless Steel Channel Weight.
From mavink.com
Steel Channel Specification Chart Stainless Steel Channel Weight Generally in 6.000 metre lengths and commonly in grades t304 and t316; All in a wide variety of finishes. 28 rows stainless shapes provides the highest quality hot rolled and laser fused products including stainless steel channels. Trust our premium 304 stainless steel channels. Stainless c channel, stainless u channel. For your information kg/m refers to the kilograms per meter. Stainless Steel Channel Weight.
From www.yohsonsteel.com
304 stainless steel U channel Stainless Steel Channel Weight All in a wide variety of finishes. Find the stainless steel channel weight chart for accurate weights and dimensions. Please select the catalog for your region below to view a list of available standard size channels. Select size (s) to calculate. Generally in 6.000 metre lengths and commonly in grades t304 and t316; Whereas, we provide quick and accurate quotes. Stainless Steel Channel Weight.
From maisieweston.z13.web.core.windows.net
Stainless Steel Weight Chart Stainless Steel Channel Weight Generally in 6.000 metre lengths and commonly in grades t304 and t316; All in a wide variety of finishes. Select size (s) to calculate. 28 rows stainless shapes provides the highest quality hot rolled and laser fused products including stainless steel channels. Stainless c channel, stainless u channel. Whereas, we provide quick and accurate quotes and have the. Stainless steel. Stainless Steel Channel Weight.
From mavink.com
Structural Steel C Channel Sizes Stainless Steel Channel Weight Generally in 6.000 metre lengths and commonly in grades t304 and t316; We produce and distribute hot rolled and laser fused stainless steel channels throughout the world in both imperial and metric sizes. Stainless c channel, stainless u channel. All in a wide variety of finishes. Find the stainless steel channel weight chart for accurate weights and dimensions. Trust our. Stainless Steel Channel Weight.
From www.alibaba.com
High Quality Steel Channel Weight Chart For Construction Buy Steel Stainless Steel Channel Weight Please select the catalog for your region below to view a list of available standard size channels. Select size (s) to calculate. Frame work, braces, supports, marine, food, etc. Stainless steel channel provides a mixture of strength and corrosion resistance in areas outside marine and chemically corrosive environments. All in a wide variety of finishes. Whereas, we provide quick and. Stainless Steel Channel Weight.
From www.indiamart.com
U Channel Stainless Steel Channels, For Industrial at best price in Stainless Steel Channel Weight Find the stainless steel channel weight chart for accurate weights and dimensions. Generally in 6.000 metre lengths and commonly in grades t304 and t316; Whereas, we provide quick and accurate quotes and have the. Frame work, braces, supports, marine, food, etc. Stainless c channel, stainless u channel. Stainless steel channel provides a mixture of strength and corrosion resistance in areas. Stainless Steel Channel Weight.
From mavink.com
C Channel Steel Size Chart Stainless Steel Channel Weight 28 rows stainless shapes provides the highest quality hot rolled and laser fused products including stainless steel channels. Whereas, we provide quick and accurate quotes and have the. Frame work, braces, supports, marine, food, etc. Stainless steel channel provides a mixture of strength and corrosion resistance in areas outside marine and chemically corrosive environments. All in a wide variety of. Stainless Steel Channel Weight.
From mavink.com
Steel Channel Weight Chart Stainless Steel Channel Weight Trust our premium 304 stainless steel channels. All in a wide variety of finishes. Whereas, we provide quick and accurate quotes and have the. For your information kg/m refers to the kilograms per meter of the section, as an example a 6.000 meter length of 100 x 50 channel (10.6 kg/m) would weigh (6 x 10.6) 63.6 kg's the larger. Stainless Steel Channel Weight.
From learninglovie.z4.web.core.windows.net
C Channel Steel Sizes Chart Stainless Steel Channel Weight Whereas, we provide quick and accurate quotes and have the. Stainless steel channel provides a mixture of strength and corrosion resistance in areas outside marine and chemically corrosive environments. Find the stainless steel channel weight chart for accurate weights and dimensions. Please select the catalog for your region below to view a list of available standard size channels. All in. Stainless Steel Channel Weight.
From www.indiamart.com
C Channel Stainless Steel Channels, For Construction, Rs 250 /kg ID Stainless Steel Channel Weight For your information kg/m refers to the kilograms per meter of the section, as an example a 6.000 meter length of 100 x 50 channel (10.6 kg/m) would weigh (6 x 10.6) 63.6 kg's the larger size in the channels. Whereas, we provide quick and accurate quotes and have the. 28 rows stainless shapes provides the highest quality hot rolled. Stainless Steel Channel Weight.
From en.nikelpaslanmaz.com
Profile Weight Chart Nikel Stainless Steel Stainless Steel Channel Weight Find the stainless steel channel weight chart for accurate weights and dimensions. Whereas, we provide quick and accurate quotes and have the. All in a wide variety of finishes. For your information kg/m refers to the kilograms per meter of the section, as an example a 6.000 meter length of 100 x 50 channel (10.6 kg/m) would weigh (6 x. Stainless Steel Channel Weight.
From www.goldecosteel.com
Stainless Steel Weight Goldeco Stainless Steel Stainless Steel Channel Weight Select size (s) to calculate. Find the stainless steel channel weight chart for accurate weights and dimensions. Stainless steel channel provides a mixture of strength and corrosion resistance in areas outside marine and chemically corrosive environments. Trust our premium 304 stainless steel channels. Frame work, braces, supports, marine, food, etc. Please select the catalog for your region below to view. Stainless Steel Channel Weight.
From lakshyasteel.com
316Ti Stainless Steel Channel Suppliers, SS 316Ti U and C Channel Stainless Steel Channel Weight Select size (s) to calculate. For your information kg/m refers to the kilograms per meter of the section, as an example a 6.000 meter length of 100 x 50 channel (10.6 kg/m) would weigh (6 x 10.6) 63.6 kg's the larger size in the channels. Frame work, braces, supports, marine, food, etc. Stainless c channel, stainless u channel. 28 rows. Stainless Steel Channel Weight.
From www.stainless-steel.com.my
Stainless Steel Channel Sin Len Hup Steel Sdn. Bhd. Stainless Steel Channel Weight Select size (s) to calculate. Please select the catalog for your region below to view a list of available standard size channels. All in a wide variety of finishes. We produce and distribute hot rolled and laser fused stainless steel channels throughout the world in both imperial and metric sizes. Stainless steel channel provides a mixture of strength and corrosion. Stainless Steel Channel Weight.
From joijxnaib.blob.core.windows.net
Steel Channel Size Calculator at Jami Lance blog Stainless Steel Channel Weight Whereas, we provide quick and accurate quotes and have the. Stainless c channel, stainless u channel. 28 rows stainless shapes provides the highest quality hot rolled and laser fused products including stainless steel channels. All in a wide variety of finishes. Generally in 6.000 metre lengths and commonly in grades t304 and t316; Select size (s) to calculate. Find the. Stainless Steel Channel Weight.
From mavink.com
Steel Channel Specification Chart Stainless Steel Channel Weight Stainless c channel, stainless u channel. Please select the catalog for your region below to view a list of available standard size channels. For your information kg/m refers to the kilograms per meter of the section, as an example a 6.000 meter length of 100 x 50 channel (10.6 kg/m) would weigh (6 x 10.6) 63.6 kg's the larger size. Stainless Steel Channel Weight.
From lakshyasteel.com
Channel Weight Calculator Lakshya Steel Stainless Steel Channel Weight Trust our premium 304 stainless steel channels. Generally in 6.000 metre lengths and commonly in grades t304 and t316; For your information kg/m refers to the kilograms per meter of the section, as an example a 6.000 meter length of 100 x 50 channel (10.6 kg/m) would weigh (6 x 10.6) 63.6 kg's the larger size in the channels. All. Stainless Steel Channel Weight.
From mungfali.com
Steel Channel Sizes Chart Stainless Steel Channel Weight Trust our premium 304 stainless steel channels. For your information kg/m refers to the kilograms per meter of the section, as an example a 6.000 meter length of 100 x 50 channel (10.6 kg/m) would weigh (6 x 10.6) 63.6 kg's the larger size in the channels. Whereas, we provide quick and accurate quotes and have the. Select size (s). Stainless Steel Channel Weight.
From www.youtube.com
steel channel dimensions YouTube Stainless Steel Channel Weight Please select the catalog for your region below to view a list of available standard size channels. Find the stainless steel channel weight chart for accurate weights and dimensions. For your information kg/m refers to the kilograms per meter of the section, as an example a 6.000 meter length of 100 x 50 channel (10.6 kg/m) would weigh (6 x. Stainless Steel Channel Weight.
From pssteel.co.in
Stainless Steel Channel SS U Channel, Weight Chart Stainless Steel Channel Weight Please select the catalog for your region below to view a list of available standard size channels. We produce and distribute hot rolled and laser fused stainless steel channels throughout the world in both imperial and metric sizes. For your information kg/m refers to the kilograms per meter of the section, as an example a 6.000 meter length of 100. Stainless Steel Channel Weight.
From mavink.com
Steel Channel Specification Chart Stainless Steel Channel Weight Stainless c channel, stainless u channel. Trust our premium 304 stainless steel channels. Frame work, braces, supports, marine, food, etc. Select size (s) to calculate. Find the stainless steel channel weight chart for accurate weights and dimensions. Please select the catalog for your region below to view a list of available standard size channels. For your information kg/m refers to. Stainless Steel Channel Weight.
From www.dunkerley.co.uk
Steel Channels Stainless Steel Suppliers James Dunkerley Steels Stainless Steel Channel Weight Stainless steel channel provides a mixture of strength and corrosion resistance in areas outside marine and chemically corrosive environments. Find the stainless steel channel weight chart for accurate weights and dimensions. Stainless c channel, stainless u channel. For your information kg/m refers to the kilograms per meter of the section, as an example a 6.000 meter length of 100 x. Stainless Steel Channel Weight.
From cneverfaith.en.made-in-china.com
Stainless Steel High Strength Unistrut Channel, Steel Channel Weight Stainless Steel Channel Weight Generally in 6.000 metre lengths and commonly in grades t304 and t316; Stainless steel channel provides a mixture of strength and corrosion resistance in areas outside marine and chemically corrosive environments. All in a wide variety of finishes. Trust our premium 304 stainless steel channels. Whereas, we provide quick and accurate quotes and have the. 28 rows stainless shapes provides. Stainless Steel Channel Weight.
From loemlfhyi.blob.core.windows.net
American Standard Steel Channel Dimensions at Larry Garcia blog Stainless Steel Channel Weight Stainless steel channel provides a mixture of strength and corrosion resistance in areas outside marine and chemically corrosive environments. 28 rows stainless shapes provides the highest quality hot rolled and laser fused products including stainless steel channels. Trust our premium 304 stainless steel channels. Find the stainless steel channel weight chart for accurate weights and dimensions. Whereas, we provide quick. Stainless Steel Channel Weight.