Led Flasher Relay Not Working . I replaced all the incandescent bulbs with the correct led (45 towers) and the new flasher relay. There is a issue with many after market relays led relays for the tj. Here's a quick fix to that stubborn hyper /tweaker blinker! Generally, a stock automotive turn signal (or hazard) flasher relay does not work with led bulbs unless it was designed for that. This is on my 77. I know a lot of you would rather swap out your flasher relay than install load resistors to stop your led turn signals from. Might not be your issue but i had a similar problem. Leave a like if this helped you out!. Here's my modified flasher relay next to the electronic one.
from circuitdiagramgerber.z19.web.core.windows.net
Might not be your issue but i had a similar problem. This is on my 77. Generally, a stock automotive turn signal (or hazard) flasher relay does not work with led bulbs unless it was designed for that. I replaced all the incandescent bulbs with the correct led (45 towers) and the new flasher relay. Leave a like if this helped you out!. Here's a quick fix to that stubborn hyper /tweaker blinker! Here's my modified flasher relay next to the electronic one. There is a issue with many after market relays led relays for the tj. I know a lot of you would rather swap out your flasher relay than install load resistors to stop your led turn signals from.
Flasher Relay Wiring Diagram
Led Flasher Relay Not Working Generally, a stock automotive turn signal (or hazard) flasher relay does not work with led bulbs unless it was designed for that. This is on my 77. Here's a quick fix to that stubborn hyper /tweaker blinker! Generally, a stock automotive turn signal (or hazard) flasher relay does not work with led bulbs unless it was designed for that. There is a issue with many after market relays led relays for the tj. Might not be your issue but i had a similar problem. Here's my modified flasher relay next to the electronic one. Leave a like if this helped you out!. I know a lot of you would rather swap out your flasher relay than install load resistors to stop your led turn signals from. I replaced all the incandescent bulbs with the correct led (45 towers) and the new flasher relay.
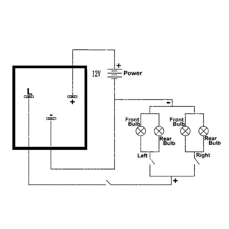
From detoxicrecenze.com
Led Turn Signal Flasher Relay Wiring My Wiring DIagram Led Flasher Relay Not Working There is a issue with many after market relays led relays for the tj. Leave a like if this helped you out!. Might not be your issue but i had a similar problem. This is on my 77. Here's my modified flasher relay next to the electronic one. Generally, a stock automotive turn signal (or hazard) flasher relay does not. Led Flasher Relay Not Working.
From www.got2bwireless.com
2 Pin Led Flasher Relay Wiring Diagram Database Led Flasher Relay Not Working This is on my 77. I know a lot of you would rather swap out your flasher relay than install load resistors to stop your led turn signals from. Leave a like if this helped you out!. There is a issue with many after market relays led relays for the tj. I replaced all the incandescent bulbs with the correct. Led Flasher Relay Not Working.
From diagrammanualbieber.z13.web.core.windows.net
12v Led Flasher Relay Wiring Led Flasher Relay Not Working Might not be your issue but i had a similar problem. There is a issue with many after market relays led relays for the tj. This is on my 77. I replaced all the incandescent bulbs with the correct led (45 towers) and the new flasher relay. Here's my modified flasher relay next to the electronic one. Leave a like. Led Flasher Relay Not Working.
From www.youtube.com
How to make Flasher Relay, diy led light bulb relay flasher YouTube Led Flasher Relay Not Working Generally, a stock automotive turn signal (or hazard) flasher relay does not work with led bulbs unless it was designed for that. Leave a like if this helped you out!. Might not be your issue but i had a similar problem. Here's my modified flasher relay next to the electronic one. There is a issue with many after market relays. Led Flasher Relay Not Working.
From www.amazon.com
LM487 LED Flasher Relay Fit for GM GMC Chevrolet Silverado 10 Pins Hazard Warning Led Flasher Relay Not Working Generally, a stock automotive turn signal (or hazard) flasher relay does not work with led bulbs unless it was designed for that. There is a issue with many after market relays led relays for the tj. Here's my modified flasher relay next to the electronic one. Leave a like if this helped you out!. I replaced all the incandescent bulbs. Led Flasher Relay Not Working.
From mgispeedware.com
Adjustable Flasher Relay LED 2Pin MGI SpeedWare Led Flasher Relay Not Working Leave a like if this helped you out!. I replaced all the incandescent bulbs with the correct led (45 towers) and the new flasher relay. Might not be your issue but i had a similar problem. Generally, a stock automotive turn signal (or hazard) flasher relay does not work with led bulbs unless it was designed for that. Here's a. Led Flasher Relay Not Working.
From www.amazon.com
EP27 LED Flasher Relay 5 Pin Fit for 19942001 Jeep Cherokee XJ 19931998 Jeep Led Flasher Relay Not Working Here's a quick fix to that stubborn hyper /tweaker blinker! Might not be your issue but i had a similar problem. I replaced all the incandescent bulbs with the correct led (45 towers) and the new flasher relay. There is a issue with many after market relays led relays for the tj. Generally, a stock automotive turn signal (or hazard). Led Flasher Relay Not Working.
From www.circuits-diy.com
Dual LED Flasher using Relay Flip Flop LED Circuit Led Flasher Relay Not Working Leave a like if this helped you out!. I replaced all the incandescent bulbs with the correct led (45 towers) and the new flasher relay. There is a issue with many after market relays led relays for the tj. Here's a quick fix to that stubborn hyper /tweaker blinker! I know a lot of you would rather swap out your. Led Flasher Relay Not Working.
From www.flowschema.com
Simple 12v Led Flasher Circuit Diagram Wiring Flow Schema Led Flasher Relay Not Working This is on my 77. I know a lot of you would rather swap out your flasher relay than install load resistors to stop your led turn signals from. Here's my modified flasher relay next to the electronic one. Here's a quick fix to that stubborn hyper /tweaker blinker! Might not be your issue but i had a similar problem.. Led Flasher Relay Not Working.
From www.amazon.co.uk
Led Flasher Relay 3 Pin Adjustable Ford Flasher Relay Cf13 Kt 3‑Pin Adjustable Led Flasher Flash Led Flasher Relay Not Working I replaced all the incandescent bulbs with the correct led (45 towers) and the new flasher relay. Might not be your issue but i had a similar problem. There is a issue with many after market relays led relays for the tj. Leave a like if this helped you out!. Here's my modified flasher relay next to the electronic one.. Led Flasher Relay Not Working.
From schematicmanualkuster.z19.web.core.windows.net
Led Flasher Relay Wiring Led Flasher Relay Not Working This is on my 77. Generally, a stock automotive turn signal (or hazard) flasher relay does not work with led bulbs unless it was designed for that. There is a issue with many after market relays led relays for the tj. I replaced all the incandescent bulbs with the correct led (45 towers) and the new flasher relay. Here's a. Led Flasher Relay Not Working.
From gtautoparts.com.au
CF13 Electronic LED Flasher Assy Relay Fix Led Flasher Relay Not Working This is on my 77. I replaced all the incandescent bulbs with the correct led (45 towers) and the new flasher relay. There is a issue with many after market relays led relays for the tj. Generally, a stock automotive turn signal (or hazard) flasher relay does not work with led bulbs unless it was designed for that. Here's a. Led Flasher Relay Not Working.
From www.circuits-diy.com
LED Flasher Circuit with Relay Led Flasher Relay Not Working Here's a quick fix to that stubborn hyper /tweaker blinker! Leave a like if this helped you out!. Here's my modified flasher relay next to the electronic one. Might not be your issue but i had a similar problem. This is on my 77. There is a issue with many after market relays led relays for the tj. I replaced. Led Flasher Relay Not Working.
From facybulka.me
5 Pin Led Flasher Relay Wiring Diagram Wiring Diagram Led Flasher Relay Not Working Leave a like if this helped you out!. Here's my modified flasher relay next to the electronic one. Generally, a stock automotive turn signal (or hazard) flasher relay does not work with led bulbs unless it was designed for that. I know a lot of you would rather swap out your flasher relay than install load resistors to stop your. Led Flasher Relay Not Working.
From www.alibaba.com
Autodragons Led Flasher Relay Cf14 Jl02 3pin 12v 0.02a20a Max.240w Led Drl Car Module Relay Led Flasher Relay Not Working Here's my modified flasher relay next to the electronic one. Might not be your issue but i had a similar problem. This is on my 77. I know a lot of you would rather swap out your flasher relay than install load resistors to stop your led turn signals from. Generally, a stock automotive turn signal (or hazard) flasher relay. Led Flasher Relay Not Working.
From wiringdiagram.2bitboer.com
Ep27 Flasher Wiring Diagram Wiring Diagram Led Flasher Relay Not Working This is on my 77. I know a lot of you would rather swap out your flasher relay than install load resistors to stop your led turn signals from. Here's a quick fix to that stubborn hyper /tweaker blinker! Here's my modified flasher relay next to the electronic one. There is a issue with many after market relays led relays. Led Flasher Relay Not Working.
From diyhinge.blogspot.com
Led Flasher Relay Wiring Diagram 3 Pin Flasher Unit Wiring Diagram Your relay must be a Led Flasher Relay Not Working Here's my modified flasher relay next to the electronic one. This is on my 77. Generally, a stock automotive turn signal (or hazard) flasher relay does not work with led bulbs unless it was designed for that. Here's a quick fix to that stubborn hyper /tweaker blinker! There is a issue with many after market relays led relays for the. Led Flasher Relay Not Working.
From www.176iot.com
Simple 12v Led Flasher Circuit Diagram IOT Wiring Diagram Led Flasher Relay Not Working I know a lot of you would rather swap out your flasher relay than install load resistors to stop your led turn signals from. Leave a like if this helped you out!. Here's my modified flasher relay next to the electronic one. Might not be your issue but i had a similar problem. Generally, a stock automotive turn signal (or. Led Flasher Relay Not Working.
From www.amazon.com
EP27 LED Flasher Relay 5 Pin Fit for Ford Explorer 19952010 Expedition 20032011 Led Flasher Relay Not Working I know a lot of you would rather swap out your flasher relay than install load resistors to stop your led turn signals from. Here's a quick fix to that stubborn hyper /tweaker blinker! Might not be your issue but i had a similar problem. This is on my 77. Leave a like if this helped you out!. I replaced. Led Flasher Relay Not Working.
From unspokendesign.au
LED Flasher Relay — Unspoken Design Led Flasher Relay Not Working This is on my 77. Generally, a stock automotive turn signal (or hazard) flasher relay does not work with led bulbs unless it was designed for that. There is a issue with many after market relays led relays for the tj. I know a lot of you would rather swap out your flasher relay than install load resistors to stop. Led Flasher Relay Not Working.
From www.amazon.com
ZHParty EP27 LED Flasher Relay for Bulb LED Turn Signal, Fix Fast Hyper Flash Led Flasher Relay Not Working This is on my 77. Might not be your issue but i had a similar problem. I know a lot of you would rather swap out your flasher relay than install load resistors to stop your led turn signals from. I replaced all the incandescent bulbs with the correct led (45 towers) and the new flasher relay. There is a. Led Flasher Relay Not Working.
From wiringdiagram.2bitboer.com
3 Pin Led Flasher Relay Wiring Diagram Wiring Diagram Led Flasher Relay Not Working I replaced all the incandescent bulbs with the correct led (45 towers) and the new flasher relay. Generally, a stock automotive turn signal (or hazard) flasher relay does not work with led bulbs unless it was designed for that. Might not be your issue but i had a similar problem. This is on my 77. I know a lot of. Led Flasher Relay Not Working.
From circuitlibfarmers.z21.web.core.windows.net
Led Flasher Relay Wiring Diagram Led Flasher Relay Not Working This is on my 77. There is a issue with many after market relays led relays for the tj. Might not be your issue but i had a similar problem. Leave a like if this helped you out!. Generally, a stock automotive turn signal (or hazard) flasher relay does not work with led bulbs unless it was designed for that.. Led Flasher Relay Not Working.
From circuitwiringsilk.z21.web.core.windows.net
Diagram Flasher Relay Led Flasher Relay Not Working Generally, a stock automotive turn signal (or hazard) flasher relay does not work with led bulbs unless it was designed for that. I know a lot of you would rather swap out your flasher relay than install load resistors to stop your led turn signals from. Here's my modified flasher relay next to the electronic one. Might not be your. Led Flasher Relay Not Working.
From 2020cadillac.com
Three Pin Led Flasher Wiring Diagram Design Of Electrical Circuit 2 Pin Flasher Relay Wiring Led Flasher Relay Not Working Generally, a stock automotive turn signal (or hazard) flasher relay does not work with led bulbs unless it was designed for that. Might not be your issue but i had a similar problem. Here's my modified flasher relay next to the electronic one. There is a issue with many after market relays led relays for the tj. Leave a like. Led Flasher Relay Not Working.
From www.kbikeparts.com
DIY LED Flasher Relay for K Bikes Led Flasher Relay Not Working Here's a quick fix to that stubborn hyper /tweaker blinker! Leave a like if this helped you out!. Here's my modified flasher relay next to the electronic one. I replaced all the incandescent bulbs with the correct led (45 towers) and the new flasher relay. Might not be your issue but i had a similar problem. I know a lot. Led Flasher Relay Not Working.
From dxofhfqri.blob.core.windows.net
How Does A Led Flasher Relay Work at Gloria Bryan blog Led Flasher Relay Not Working Here's a quick fix to that stubborn hyper /tweaker blinker! This is on my 77. Here's my modified flasher relay next to the electronic one. I know a lot of you would rather swap out your flasher relay than install load resistors to stop your led turn signals from. Generally, a stock automotive turn signal (or hazard) flasher relay does. Led Flasher Relay Not Working.
From www.aliexpress.com
12V3PINAdjustableLEDFlasherRelayHighpowerRunningTurnSignalFlashingRelayUniversal Led Flasher Relay Not Working Leave a like if this helped you out!. This is on my 77. Might not be your issue but i had a similar problem. I know a lot of you would rather swap out your flasher relay than install load resistors to stop your led turn signals from. Here's a quick fix to that stubborn hyper /tweaker blinker! Generally, a. Led Flasher Relay Not Working.
From circuitdiagramgerber.z19.web.core.windows.net
Flasher Relay Wiring Diagram Led Flasher Relay Not Working Here's a quick fix to that stubborn hyper /tweaker blinker! This is on my 77. There is a issue with many after market relays led relays for the tj. Here's my modified flasher relay next to the electronic one. Might not be your issue but i had a similar problem. I know a lot of you would rather swap out. Led Flasher Relay Not Working.
From userlistkajournalese.z21.web.core.windows.net
3 Way Flasher Wiring Diagrams Led Flasher Relay Not Working Generally, a stock automotive turn signal (or hazard) flasher relay does not work with led bulbs unless it was designed for that. Here's my modified flasher relay next to the electronic one. Might not be your issue but i had a similar problem. I know a lot of you would rather swap out your flasher relay than install load resistors. Led Flasher Relay Not Working.
From allalighting.com
3Pin CF13 LED Flasher Relay Fix Turn Signal Hyper Flash Led Flasher Relay Not Working This is on my 77. Leave a like if this helped you out!. Generally, a stock automotive turn signal (or hazard) flasher relay does not work with led bulbs unless it was designed for that. I replaced all the incandescent bulbs with the correct led (45 towers) and the new flasher relay. There is a issue with many after market. Led Flasher Relay Not Working.
From www.amazon.com
LED Flasher Relay, 12v 5 Pin EP27 FL27 Electronic LED Flasher Relay Fix for Turn Led Flasher Relay Not Working I know a lot of you would rather swap out your flasher relay than install load resistors to stop your led turn signals from. Leave a like if this helped you out!. Generally, a stock automotive turn signal (or hazard) flasher relay does not work with led bulbs unless it was designed for that. There is a issue with many. Led Flasher Relay Not Working.
From www.amazon.com
3 Pin LED Flasher Relay 12V CF14 JL02 Electronic Flasher Relay for LED Turn Signal Led Flasher Relay Not Working Might not be your issue but i had a similar problem. Leave a like if this helped you out!. Generally, a stock automotive turn signal (or hazard) flasher relay does not work with led bulbs unless it was designed for that. There is a issue with many after market relays led relays for the tj. Here's a quick fix to. Led Flasher Relay Not Working.
From switchbacklighting.com.au
LED Flasher Relay Switchback Lighting Led Flasher Relay Not Working Generally, a stock automotive turn signal (or hazard) flasher relay does not work with led bulbs unless it was designed for that. Might not be your issue but i had a similar problem. There is a issue with many after market relays led relays for the tj. Here's a quick fix to that stubborn hyper /tweaker blinker! Leave a like. Led Flasher Relay Not Working.
From dxofhfqri.blob.core.windows.net
How Does A Led Flasher Relay Work at Gloria Bryan blog Led Flasher Relay Not Working Here's my modified flasher relay next to the electronic one. Leave a like if this helped you out!. Here's a quick fix to that stubborn hyper /tweaker blinker! This is on my 77. Might not be your issue but i had a similar problem. There is a issue with many after market relays led relays for the tj. I replaced. Led Flasher Relay Not Working.