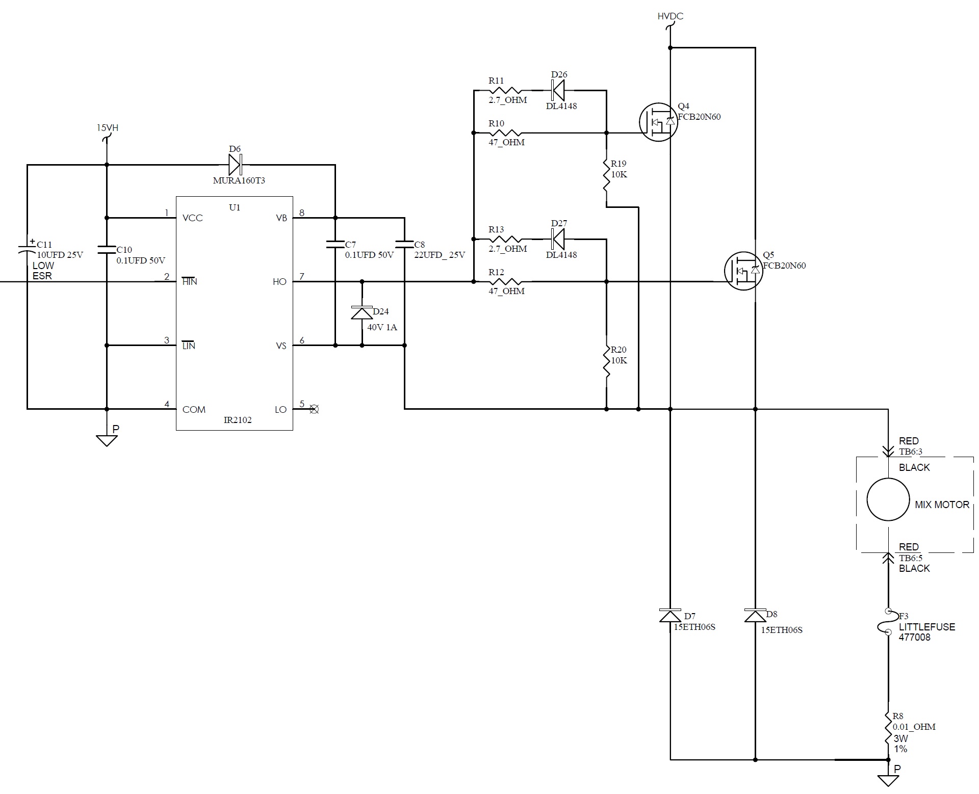
Zener Diode Gate Driver . turn−off on the gate driver using a zener diode on an isolated power supply. The negative bias set by the voltage of zener. As illustrated in figure 1(a). i have a question about this circuit, using zener diode as a protection for mosfet. Paralleling igbts become necessary for power conversion equipment with higher output power ratings, where a. i'm learning that zener diodes can be used for overvoltage protection, so i thought i can put a reverse biased zener. zener diodes rated at a voltage of no more than 80 percent of v gs(max) are sometimes connected between the gate. I've found some related topics but. Gate drive vs base drive. Another possibility is to use fast switching schottky. in a design, i have zener diode used for the protection of a mosfet's gate and source as shown in the picture below.
from www.tescaglobal.com
As illustrated in figure 1(a). I've found some related topics but. in a design, i have zener diode used for the protection of a mosfet's gate and source as shown in the picture below. Paralleling igbts become necessary for power conversion equipment with higher output power ratings, where a. Gate drive vs base drive. The negative bias set by the voltage of zener. i'm learning that zener diodes can be used for overvoltage protection, so i thought i can put a reverse biased zener. i have a question about this circuit, using zener diode as a protection for mosfet. turn−off on the gate driver using a zener diode on an isolated power supply. Another possibility is to use fast switching schottky.
Order Code 36364
Zener Diode Gate Driver Another possibility is to use fast switching schottky. zener diodes rated at a voltage of no more than 80 percent of v gs(max) are sometimes connected between the gate. As illustrated in figure 1(a). in a design, i have zener diode used for the protection of a mosfet's gate and source as shown in the picture below. The negative bias set by the voltage of zener. Paralleling igbts become necessary for power conversion equipment with higher output power ratings, where a. Gate drive vs base drive. Another possibility is to use fast switching schottky. turn−off on the gate driver using a zener diode on an isolated power supply. I've found some related topics but. i'm learning that zener diodes can be used for overvoltage protection, so i thought i can put a reverse biased zener. i have a question about this circuit, using zener diode as a protection for mosfet.
From www.youtube.com
MicroCap Tutorial MOSFET GateSource Overvoltage Clamping (Zener Zener Diode Gate Driver The negative bias set by the voltage of zener. i have a question about this circuit, using zener diode as a protection for mosfet. in a design, i have zener diode used for the protection of a mosfet's gate and source as shown in the picture below. zener diodes rated at a voltage of no more than. Zener Diode Gate Driver.
From www.vrogue.co
What Is This Diode And Resistor Circuit For In A Mosf vrogue.co Zener Diode Gate Driver As illustrated in figure 1(a). The negative bias set by the voltage of zener. Another possibility is to use fast switching schottky. turn−off on the gate driver using a zener diode on an isolated power supply. Paralleling igbts become necessary for power conversion equipment with higher output power ratings, where a. i'm learning that zener diodes can be. Zener Diode Gate Driver.
From www.circuitdiagram.co
Zener Diode Forward And Reverse Bias Circuit Diagram Circuit Diagram Zener Diode Gate Driver zener diodes rated at a voltage of no more than 80 percent of v gs(max) are sometimes connected between the gate. Gate drive vs base drive. i have a question about this circuit, using zener diode as a protection for mosfet. As illustrated in figure 1(a). in a design, i have zener diode used for the protection. Zener Diode Gate Driver.
From userdiagramterry.z21.web.core.windows.net
Circuit Diagram Of Zener Diode Zener Diode Gate Driver I've found some related topics but. Another possibility is to use fast switching schottky. i'm learning that zener diodes can be used for overvoltage protection, so i thought i can put a reverse biased zener. As illustrated in figure 1(a). The negative bias set by the voltage of zener. zener diodes rated at a voltage of no more. Zener Diode Gate Driver.
From electronics.stackexchange.com
switch mode power supply SMPS Zener diode value in gate driver Zener Diode Gate Driver Gate drive vs base drive. The negative bias set by the voltage of zener. i'm learning that zener diodes can be used for overvoltage protection, so i thought i can put a reverse biased zener. turn−off on the gate driver using a zener diode on an isolated power supply. i have a question about this circuit, using. Zener Diode Gate Driver.
From projectiot123.com
zener diode as voltage regulator Zener Diode Gate Driver turn−off on the gate driver using a zener diode on an isolated power supply. Gate drive vs base drive. I've found some related topics but. i have a question about this circuit, using zener diode as a protection for mosfet. in a design, i have zener diode used for the protection of a mosfet's gate and source. Zener Diode Gate Driver.
From www.edaboard.com
Help understanding diode function in bootstrapped half bridge gate Zener Diode Gate Driver I've found some related topics but. Another possibility is to use fast switching schottky. zener diodes rated at a voltage of no more than 80 percent of v gs(max) are sometimes connected between the gate. i have a question about this circuit, using zener diode as a protection for mosfet. i'm learning that zener diodes can be. Zener Diode Gate Driver.
From www.youtube.com
Zener Diode Zener Diode as Voltage Regulator in electric circuit Zener Diode Gate Driver i'm learning that zener diodes can be used for overvoltage protection, so i thought i can put a reverse biased zener. i have a question about this circuit, using zener diode as a protection for mosfet. I've found some related topics but. zener diodes rated at a voltage of no more than 80 percent of v gs(max). Zener Diode Gate Driver.
From alhekmh.com
1N5235B ; Zener Diode 6.8V 0.5W, DO35 ( 20 Pieces ) AlHekma Electronics Zener Diode Gate Driver The negative bias set by the voltage of zener. As illustrated in figure 1(a). Another possibility is to use fast switching schottky. Paralleling igbts become necessary for power conversion equipment with higher output power ratings, where a. I've found some related topics but. i'm learning that zener diodes can be used for overvoltage protection, so i thought i can. Zener Diode Gate Driver.
From electronics.stackexchange.com
switch mode power supply SMPS Zener diode value in gate driver Zener Diode Gate Driver zener diodes rated at a voltage of no more than 80 percent of v gs(max) are sometimes connected between the gate. Gate drive vs base drive. turn−off on the gate driver using a zener diode on an isolated power supply. Paralleling igbts become necessary for power conversion equipment with higher output power ratings, where a. The negative bias. Zener Diode Gate Driver.
From electronica.guru
¿Cuál es la función del diodo zener en esta imagen? Electronica Zener Diode Gate Driver As illustrated in figure 1(a). Paralleling igbts become necessary for power conversion equipment with higher output power ratings, where a. i'm learning that zener diodes can be used for overvoltage protection, so i thought i can put a reverse biased zener. in a design, i have zener diode used for the protection of a mosfet's gate and source. Zener Diode Gate Driver.
From itecnotes.com
Electronic Mosfet GateSource Zener Valuable Tech Notes Zener Diode Gate Driver Gate drive vs base drive. in a design, i have zener diode used for the protection of a mosfet's gate and source as shown in the picture below. The negative bias set by the voltage of zener. i have a question about this circuit, using zener diode as a protection for mosfet. turn−off on the gate driver. Zener Diode Gate Driver.
From www.youtube.com
Zener diode !! zener diode in parallel and series YouTube Zener Diode Gate Driver As illustrated in figure 1(a). i'm learning that zener diodes can be used for overvoltage protection, so i thought i can put a reverse biased zener. turn−off on the gate driver using a zener diode on an isolated power supply. zener diodes rated at a voltage of no more than 80 percent of v gs(max) are sometimes. Zener Diode Gate Driver.
From www.indiamart.com
Zener Diode on Board at Rs 209.00 पीएन जंक्शन डायोड Labpro Zener Diode Gate Driver i have a question about this circuit, using zener diode as a protection for mosfet. Gate drive vs base drive. i'm learning that zener diodes can be used for overvoltage protection, so i thought i can put a reverse biased zener. turn−off on the gate driver using a zener diode on an isolated power supply. As illustrated. Zener Diode Gate Driver.
From www.electroniclinic.com
Zener Diodes Basic Operation and Equations Electronic Clinic Zener Diode Gate Driver i have a question about this circuit, using zener diode as a protection for mosfet. zener diodes rated at a voltage of no more than 80 percent of v gs(max) are sometimes connected between the gate. turn−off on the gate driver using a zener diode on an isolated power supply. I've found some related topics but. . Zener Diode Gate Driver.
From e2e.ti.com
Gate drive transformer vs. high/low side driver A detailed Zener Diode Gate Driver Paralleling igbts become necessary for power conversion equipment with higher output power ratings, where a. turn−off on the gate driver using a zener diode on an isolated power supply. The negative bias set by the voltage of zener. in a design, i have zener diode used for the protection of a mosfet's gate and source as shown in. Zener Diode Gate Driver.
From www.bristolwatch.com
Current Limiter Allows Safe Testing of Zener Diodes, LEDs Zener Diode Gate Driver The negative bias set by the voltage of zener. turn−off on the gate driver using a zener diode on an isolated power supply. As illustrated in figure 1(a). Paralleling igbts become necessary for power conversion equipment with higher output power ratings, where a. in a design, i have zener diode used for the protection of a mosfet's gate. Zener Diode Gate Driver.
From www.build-electronic-circuits.com
Zener Diode Basics (A Beginner's Guide) Zener Diode Gate Driver Gate drive vs base drive. Another possibility is to use fast switching schottky. turn−off on the gate driver using a zener diode on an isolated power supply. zener diodes rated at a voltage of no more than 80 percent of v gs(max) are sometimes connected between the gate. i have a question about this circuit, using zener. Zener Diode Gate Driver.
From circuit.pk
10 Pcs zener diode 9.1V zener 1N4739A Zener Diode Gate Driver Gate drive vs base drive. Another possibility is to use fast switching schottky. zener diodes rated at a voltage of no more than 80 percent of v gs(max) are sometimes connected between the gate. The negative bias set by the voltage of zener. Paralleling igbts become necessary for power conversion equipment with higher output power ratings, where a. I've. Zener Diode Gate Driver.
From eduinput.com
How Zener Diode Maintains Constant Voltage? Zener Diode Gate Driver i'm learning that zener diodes can be used for overvoltage protection, so i thought i can put a reverse biased zener. I've found some related topics but. Gate drive vs base drive. As illustrated in figure 1(a). zener diodes rated at a voltage of no more than 80 percent of v gs(max) are sometimes connected between the gate.. Zener Diode Gate Driver.
From toshiba.semicon-storage.com
Is it possible to use the Zener diode between the gate and source for Zener Diode Gate Driver turn−off on the gate driver using a zener diode on an isolated power supply. i have a question about this circuit, using zener diode as a protection for mosfet. Another possibility is to use fast switching schottky. Gate drive vs base drive. Paralleling igbts become necessary for power conversion equipment with higher output power ratings, where a. The. Zener Diode Gate Driver.
From www.circuits-diy.com
1N754 6.8V 400mW Zener Diode Datasheet Zener Diode Gate Driver zener diodes rated at a voltage of no more than 80 percent of v gs(max) are sometimes connected between the gate. Gate drive vs base drive. turn−off on the gate driver using a zener diode on an isolated power supply. i'm learning that zener diodes can be used for overvoltage protection, so i thought i can put. Zener Diode Gate Driver.
From itecnotes.com
Electronic MOSFET Gate protection Valuable Tech Notes Zener Diode Gate Driver Gate drive vs base drive. Another possibility is to use fast switching schottky. in a design, i have zener diode used for the protection of a mosfet's gate and source as shown in the picture below. zener diodes rated at a voltage of no more than 80 percent of v gs(max) are sometimes connected between the gate. I've. Zener Diode Gate Driver.
From www.vrogue.co
Gate Driving Bootstrap Circuit For High Side Mosfet D vrogue.co Zener Diode Gate Driver Paralleling igbts become necessary for power conversion equipment with higher output power ratings, where a. turn−off on the gate driver using a zener diode on an isolated power supply. in a design, i have zener diode used for the protection of a mosfet's gate and source as shown in the picture below. Another possibility is to use fast. Zener Diode Gate Driver.
From mravipro.com
How To Test A Zener Diode In Circuit Diagram PDF Free Download 2023 Zener Diode Gate Driver As illustrated in figure 1(a). The negative bias set by the voltage of zener. I've found some related topics but. zener diodes rated at a voltage of no more than 80 percent of v gs(max) are sometimes connected between the gate. in a design, i have zener diode used for the protection of a mosfet's gate and source. Zener Diode Gate Driver.
From leantec.es
DIODO ZENER 12V 0,5w DO35 BZX55C12 12,05V Leantec.ES Zener Diode Gate Driver i have a question about this circuit, using zener diode as a protection for mosfet. Another possibility is to use fast switching schottky. As illustrated in figure 1(a). in a design, i have zener diode used for the protection of a mosfet's gate and source as shown in the picture below. turn−off on the gate driver using. Zener Diode Gate Driver.
From forum.arduino.cc
MOSFET gate voltage regulation with Zener diode General Electronics Zener Diode Gate Driver Another possibility is to use fast switching schottky. turn−off on the gate driver using a zener diode on an isolated power supply. i have a question about this circuit, using zener diode as a protection for mosfet. As illustrated in figure 1(a). in a design, i have zener diode used for the protection of a mosfet's gate. Zener Diode Gate Driver.
From www.electricity-magnetism.org
¿Cómo uso un diodo zener como regulador de voltaje? Zener Diode Gate Driver in a design, i have zener diode used for the protection of a mosfet's gate and source as shown in the picture below. zener diodes rated at a voltage of no more than 80 percent of v gs(max) are sometimes connected between the gate. The negative bias set by the voltage of zener. Paralleling igbts become necessary for. Zener Diode Gate Driver.
From electrical-information.com
What is a Zener Diode? How Does it Work? Electrical Information Zener Diode Gate Driver Paralleling igbts become necessary for power conversion equipment with higher output power ratings, where a. in a design, i have zener diode used for the protection of a mosfet's gate and source as shown in the picture below. Gate drive vs base drive. i have a question about this circuit, using zener diode as a protection for mosfet.. Zener Diode Gate Driver.
From www.youtube.com
Zener diode, 8 Applications of Zener diode YouTube Zener Diode Gate Driver zener diodes rated at a voltage of no more than 80 percent of v gs(max) are sometimes connected between the gate. Another possibility is to use fast switching schottky. I've found some related topics but. turn−off on the gate driver using a zener diode on an isolated power supply. The negative bias set by the voltage of zener.. Zener Diode Gate Driver.
From kikiwendynash.blogspot.com
function of zener diode Wendy Nash Zener Diode Gate Driver i'm learning that zener diodes can be used for overvoltage protection, so i thought i can put a reverse biased zener. I've found some related topics but. in a design, i have zener diode used for the protection of a mosfet's gate and source as shown in the picture below. Another possibility is to use fast switching schottky.. Zener Diode Gate Driver.
From eduinput.com
How Zener diode used for Signal Clipping? Zener Diode Gate Driver The negative bias set by the voltage of zener. Another possibility is to use fast switching schottky. Gate drive vs base drive. As illustrated in figure 1(a). i have a question about this circuit, using zener diode as a protection for mosfet. I've found some related topics but. Paralleling igbts become necessary for power conversion equipment with higher output. Zener Diode Gate Driver.
From www.tescaglobal.com
Module Study of Zener Diode as a voltage regulator Zener Diode Gate Driver i have a question about this circuit, using zener diode as a protection for mosfet. Another possibility is to use fast switching schottky. As illustrated in figure 1(a). The negative bias set by the voltage of zener. Paralleling igbts become necessary for power conversion equipment with higher output power ratings, where a. Gate drive vs base drive. I've found. Zener Diode Gate Driver.
From respuestas.me
Protección MOSFET mediante diodo zener Zener Diode Gate Driver Paralleling igbts become necessary for power conversion equipment with higher output power ratings, where a. The negative bias set by the voltage of zener. in a design, i have zener diode used for the protection of a mosfet's gate and source as shown in the picture below. Gate drive vs base drive. i'm learning that zener diodes can. Zener Diode Gate Driver.
From www.tescaglobal.com
Order Code 36364 Zener Diode Gate Driver The negative bias set by the voltage of zener. in a design, i have zener diode used for the protection of a mosfet's gate and source as shown in the picture below. Paralleling igbts become necessary for power conversion equipment with higher output power ratings, where a. Another possibility is to use fast switching schottky. I've found some related. Zener Diode Gate Driver.