Cnc Router Ball Screw Size . Larger ball screws are an incorrect design for nema 23 motors. Assuming a 1:1 ratio and 2000 steps/revolution, a 5mm ball screw would give you a resolution of 0.0025mm (about 0.0001. When selecting a ball screw for a cnc machine, there are several factors to consider, including length, diameter, pitch,. A 12mm ball screw has the perfect balance of torque and vibration when paired with a nema 23 motor in a cnc machine size 1500x1500mm or less. Learn everything you need to know about the types of ballscrews and why to use them for cnc machinery in this post. That is why the ultimate bee is the best design of its kind! Here’s a breakdown of how ball screw technology works and why it delivers better results for your cnc router. I have sfu1605 ball screws on all axis for a 10 x 7 x 6(z) inch cnc using medium sized nema 23 and a nema 17 on the z and it is plenty fast. The router is made from 6x3 80/20 and am considering running the ball screw through the lower part of the gantry attached to the. While ball screw technology has come a long way over the past couple of decades, there are still a lot of widespread misconceptions about it and how it pertains to cnc work. • 4′ x 8′ / 5' x 10' stock sizes (special sizes available. Financing as low as $1,565/mo. 4x8 / 5x10 custom sizes cnc router.
from www.ywsbearing.com
A 12mm ball screw has the perfect balance of torque and vibration when paired with a nema 23 motor in a cnc machine size 1500x1500mm or less. While ball screw technology has come a long way over the past couple of decades, there are still a lot of widespread misconceptions about it and how it pertains to cnc work. Larger ball screws are an incorrect design for nema 23 motors. Learn everything you need to know about the types of ballscrews and why to use them for cnc machinery in this post. The router is made from 6x3 80/20 and am considering running the ball screw through the lower part of the gantry attached to the. I have sfu1605 ball screws on all axis for a 10 x 7 x 6(z) inch cnc using medium sized nema 23 and a nema 17 on the z and it is plenty fast. Financing as low as $1,565/mo. Here’s a breakdown of how ball screw technology works and why it delivers better results for your cnc router. • 4′ x 8′ / 5' x 10' stock sizes (special sizes available. 4x8 / 5x10 custom sizes cnc router.
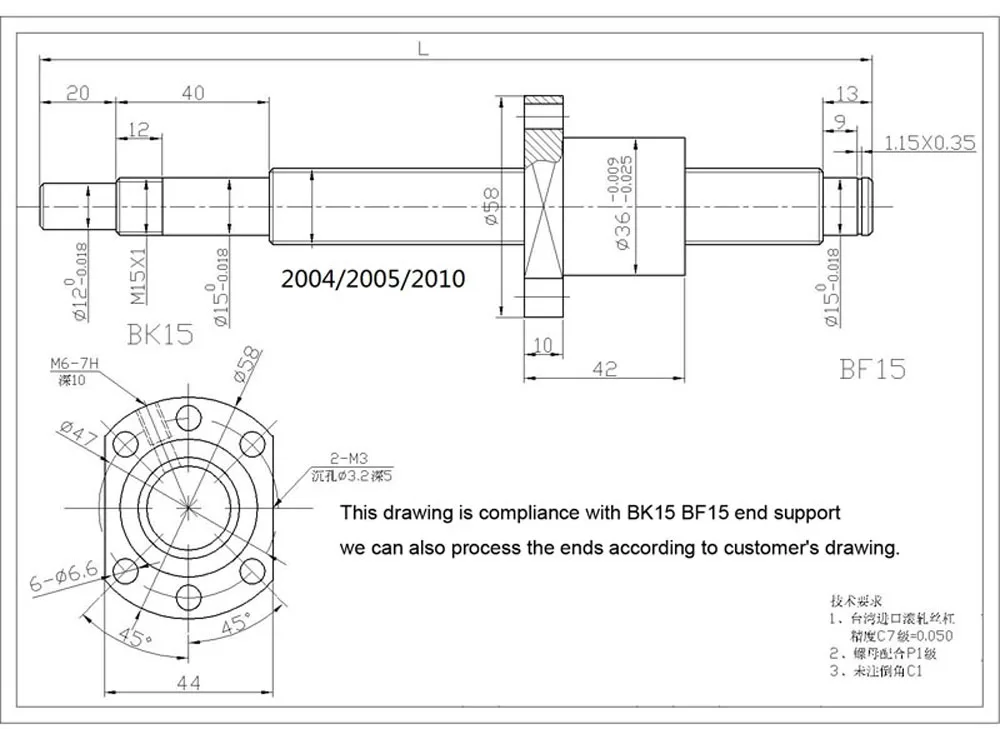
CNC router 32mm diameter China manufacturer motor spindle Ball lead screw bearing SFU3205 Buy
Cnc Router Ball Screw Size When selecting a ball screw for a cnc machine, there are several factors to consider, including length, diameter, pitch,. I have sfu1605 ball screws on all axis for a 10 x 7 x 6(z) inch cnc using medium sized nema 23 and a nema 17 on the z and it is plenty fast. While ball screw technology has come a long way over the past couple of decades, there are still a lot of widespread misconceptions about it and how it pertains to cnc work. That is why the ultimate bee is the best design of its kind! When selecting a ball screw for a cnc machine, there are several factors to consider, including length, diameter, pitch,. Assuming a 1:1 ratio and 2000 steps/revolution, a 5mm ball screw would give you a resolution of 0.0025mm (about 0.0001. A 12mm ball screw has the perfect balance of torque and vibration when paired with a nema 23 motor in a cnc machine size 1500x1500mm or less. Larger ball screws are an incorrect design for nema 23 motors. • 4′ x 8′ / 5' x 10' stock sizes (special sizes available. 4x8 / 5x10 custom sizes cnc router. Here’s a breakdown of how ball screw technology works and why it delivers better results for your cnc router. Financing as low as $1,565/mo. The router is made from 6x3 80/20 and am considering running the ball screw through the lower part of the gantry attached to the. Learn everything you need to know about the types of ballscrews and why to use them for cnc machinery in this post.
From www.alibaba.com
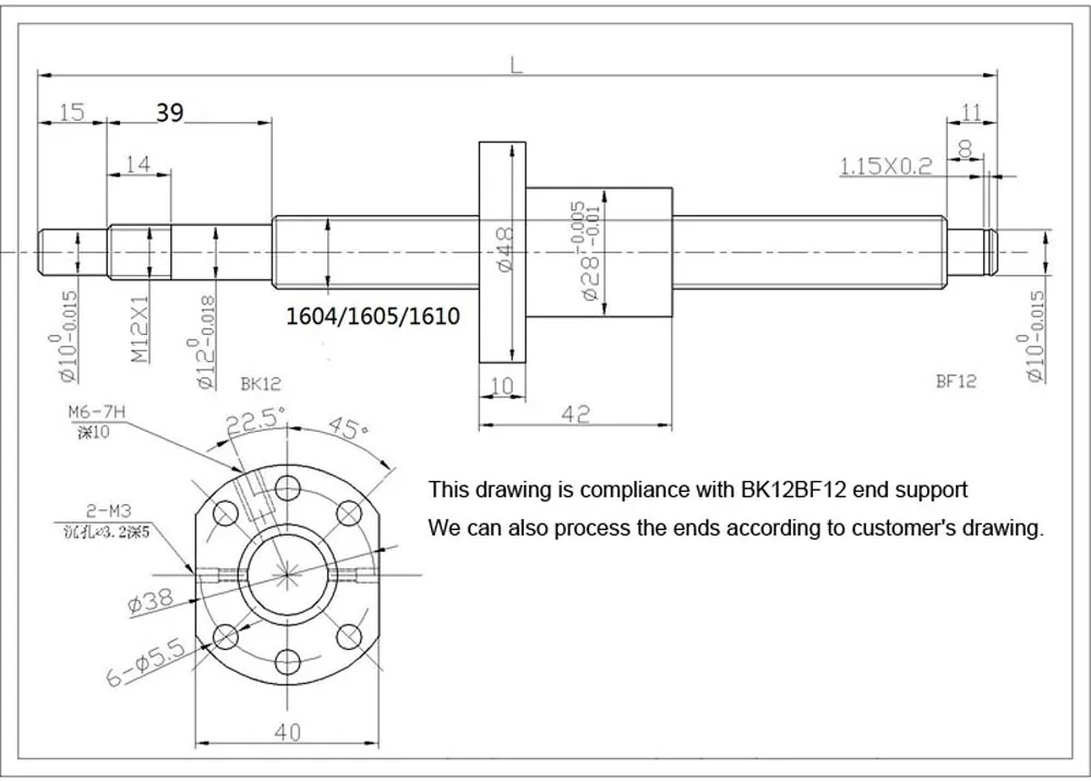
Cnc Rolled Ball Screw With Ballnut And Bk Bf End Support Kit Sfu1204/1605/2005/2505/3205 For Cnc Cnc Router Ball Screw Size Assuming a 1:1 ratio and 2000 steps/revolution, a 5mm ball screw would give you a resolution of 0.0025mm (about 0.0001. A 12mm ball screw has the perfect balance of torque and vibration when paired with a nema 23 motor in a cnc machine size 1500x1500mm or less. Financing as low as $1,565/mo. The router is made from 6x3 80/20 and. Cnc Router Ball Screw Size.
From wgjxzgzz.en.made-in-china.com
HeavyDuty Ball Screw Quality CNC Router Ball Screw China Lead Screw C7 and Ball Screw Cnc Router Ball Screw Size When selecting a ball screw for a cnc machine, there are several factors to consider, including length, diameter, pitch,. Financing as low as $1,565/mo. The router is made from 6x3 80/20 and am considering running the ball screw through the lower part of the gantry attached to the. While ball screw technology has come a long way over the past. Cnc Router Ball Screw Size.
From www.ywsbearing.com
CNC router ball screw Ballscrew 25mm SFU2005 any length with BK BF end machining or your Cnc Router Ball Screw Size I have sfu1605 ball screws on all axis for a 10 x 7 x 6(z) inch cnc using medium sized nema 23 and a nema 17 on the z and it is plenty fast. While ball screw technology has come a long way over the past couple of decades, there are still a lot of widespread misconceptions about it and. Cnc Router Ball Screw Size.
From autopartchina.en.made-in-china.com
Grind Ground Ballscrew with Ball Screw Nut for CNC Router China CNC Router Ball Screw and CNC Cnc Router Ball Screw Size That is why the ultimate bee is the best design of its kind! Learn everything you need to know about the types of ballscrews and why to use them for cnc machinery in this post. Here’s a breakdown of how ball screw technology works and why it delivers better results for your cnc router. I have sfu1605 ball screws on. Cnc Router Ball Screw Size.
From www.walmart.com
650mm Ball Screw SFU1204 Diameter 12mm,4mm Pitch with Metal Ball Screw Nut for DIY,3D Printers Cnc Router Ball Screw Size Assuming a 1:1 ratio and 2000 steps/revolution, a 5mm ball screw would give you a resolution of 0.0025mm (about 0.0001. Larger ball screws are an incorrect design for nema 23 motors. Learn everything you need to know about the types of ballscrews and why to use them for cnc machinery in this post. • 4′ x 8′ / 5' x. Cnc Router Ball Screw Size.
From www.cnballscrew.com
Customized CNC Router Ball Screw Suppliers, Manufacturers, Factory Wholesale Price YONGRUN Cnc Router Ball Screw Size Assuming a 1:1 ratio and 2000 steps/revolution, a 5mm ball screw would give you a resolution of 0.0025mm (about 0.0001. The router is made from 6x3 80/20 and am considering running the ball screw through the lower part of the gantry attached to the. Larger ball screws are an incorrect design for nema 23 motors. • 4′ x 8′ /. Cnc Router Ball Screw Size.
From www.alibaba.com
Cnc Rolled Ball Screw With Ballnut And Bk Bf End Support Kit Sfu1204/1605/2005/2505/3205 For Cnc Cnc Router Ball Screw Size I have sfu1605 ball screws on all axis for a 10 x 7 x 6(z) inch cnc using medium sized nema 23 and a nema 17 on the z and it is plenty fast. Financing as low as $1,565/mo. When selecting a ball screw for a cnc machine, there are several factors to consider, including length, diameter, pitch,. That is. Cnc Router Ball Screw Size.
From www.ywsbearing.com
any length can cut free charge 3D printer CNC router ball screw ballscrews square linear guide Cnc Router Ball Screw Size When selecting a ball screw for a cnc machine, there are several factors to consider, including length, diameter, pitch,. Financing as low as $1,565/mo. • 4′ x 8′ / 5' x 10' stock sizes (special sizes available. Here’s a breakdown of how ball screw technology works and why it delivers better results for your cnc router. That is why the. Cnc Router Ball Screw Size.
From www.ebay.com
Ball Screw 20mm dia 9" Length Ball nut Z axis CNC KIT Router Mill Lathe Plasma eBay Cnc Router Ball Screw Size A 12mm ball screw has the perfect balance of torque and vibration when paired with a nema 23 motor in a cnc machine size 1500x1500mm or less. Financing as low as $1,565/mo. Here’s a breakdown of how ball screw technology works and why it delivers better results for your cnc router. While ball screw technology has come a long way. Cnc Router Ball Screw Size.
From www.aliexpress.com
Cnc Router Ball Screw Sfu1605 Sfu1610 Sfu2005 Sfu2010 Sfu2505 200mm1550mm With Single Ball Nut Cnc Router Ball Screw Size A 12mm ball screw has the perfect balance of torque and vibration when paired with a nema 23 motor in a cnc machine size 1500x1500mm or less. Financing as low as $1,565/mo. I have sfu1605 ball screws on all axis for a 10 x 7 x 6(z) inch cnc using medium sized nema 23 and a nema 17 on the. Cnc Router Ball Screw Size.
From www.cnballscrew.com
Customized CNC Router Ball Screw Suppliers, Manufacturers, Factory Wholesale Price YONGRUN Cnc Router Ball Screw Size The router is made from 6x3 80/20 and am considering running the ball screw through the lower part of the gantry attached to the. 4x8 / 5x10 custom sizes cnc router. Learn everything you need to know about the types of ballscrews and why to use them for cnc machinery in this post. Financing as low as $1,565/mo. That is. Cnc Router Ball Screw Size.
From www.alibaba.com
Cnc Router Ball Screw Ballscrew 12mm 16mm 20mm Any Length With Bk Bf End Machining Or Your Cnc Router Ball Screw Size When selecting a ball screw for a cnc machine, there are several factors to consider, including length, diameter, pitch,. I have sfu1605 ball screws on all axis for a 10 x 7 x 6(z) inch cnc using medium sized nema 23 and a nema 17 on the z and it is plenty fast. • 4′ x 8′ / 5' x. Cnc Router Ball Screw Size.
From www.aliexpress.com
Buy Cnc Router Parts AXK 12mm 1204 Ball Screw Rolled C7 Ballscrew Sfu1204 250mm Cnc Router Ball Screw Size Here’s a breakdown of how ball screw technology works and why it delivers better results for your cnc router. 4x8 / 5x10 custom sizes cnc router. Assuming a 1:1 ratio and 2000 steps/revolution, a 5mm ball screw would give you a resolution of 0.0025mm (about 0.0001. • 4′ x 8′ / 5' x 10' stock sizes (special sizes available. I. Cnc Router Ball Screw Size.
From jldbearing.en.made-in-china.com
C7 Precision Ballscrews Rolled Ball Screw for CNC Router (SFU2010) China Lead Screw and Ball Cnc Router Ball Screw Size I have sfu1605 ball screws on all axis for a 10 x 7 x 6(z) inch cnc using medium sized nema 23 and a nema 17 on the z and it is plenty fast. Assuming a 1:1 ratio and 2000 steps/revolution, a 5mm ball screw would give you a resolution of 0.0025mm (about 0.0001. While ball screw technology has come. Cnc Router Ball Screw Size.
From www.alibaba.com
Cnc Rolled Ball Screw With Ballnut And Bk Bf End Support Kit Sfu1204/1605/2005/2505/3205 For Cnc Cnc Router Ball Screw Size I have sfu1605 ball screws on all axis for a 10 x 7 x 6(z) inch cnc using medium sized nema 23 and a nema 17 on the z and it is plenty fast. Here’s a breakdown of how ball screw technology works and why it delivers better results for your cnc router. While ball screw technology has come a. Cnc Router Ball Screw Size.
From www.alibaba.com
Cnc Rolled Ball Screw With Ballnut And Bk Bf End Support Kit Sfu1204/1605/2005/2505/3205 For Cnc Cnc Router Ball Screw Size • 4′ x 8′ / 5' x 10' stock sizes (special sizes available. 4x8 / 5x10 custom sizes cnc router. While ball screw technology has come a long way over the past couple of decades, there are still a lot of widespread misconceptions about it and how it pertains to cnc work. Larger ball screws are an incorrect design for. Cnc Router Ball Screw Size.
From guanying20170312.en.made-in-china.com
Dia12 Fast Speed CNC Router Xyz Axis Ball Screw China Ball Screw and CNC Ball Screw Cnc Router Ball Screw Size • 4′ x 8′ / 5' x 10' stock sizes (special sizes available. I have sfu1605 ball screws on all axis for a 10 x 7 x 6(z) inch cnc using medium sized nema 23 and a nema 17 on the z and it is plenty fast. A 12mm ball screw has the perfect balance of torque and vibration when. Cnc Router Ball Screw Size.
From wgjxzgzz.en.made-in-china.com
Chinese Factory Provided CNC Router Ball Screw China Ball Screw Grinding and CNC Router Ball Screw Cnc Router Ball Screw Size • 4′ x 8′ / 5' x 10' stock sizes (special sizes available. The router is made from 6x3 80/20 and am considering running the ball screw through the lower part of the gantry attached to the. Here’s a breakdown of how ball screw technology works and why it delivers better results for your cnc router. Larger ball screws are. Cnc Router Ball Screw Size.
From txpbearing.en.made-in-china.com
China High Speed Lead Ball Screw Sfe1616 for CNC Router China Auto Parts, CNC Lathe Cnc Router Ball Screw Size 4x8 / 5x10 custom sizes cnc router. Here’s a breakdown of how ball screw technology works and why it delivers better results for your cnc router. While ball screw technology has come a long way over the past couple of decades, there are still a lot of widespread misconceptions about it and how it pertains to cnc work. Assuming a. Cnc Router Ball Screw Size.
From www.alibaba.com
Cnc Ball Screw 16mm Ballscrew And Nut Sfu1605 High Precision Ball Screw Assembly Buy Cnc Cnc Router Ball Screw Size While ball screw technology has come a long way over the past couple of decades, there are still a lot of widespread misconceptions about it and how it pertains to cnc work. Assuming a 1:1 ratio and 2000 steps/revolution, a 5mm ball screw would give you a resolution of 0.0025mm (about 0.0001. Larger ball screws are an incorrect design for. Cnc Router Ball Screw Size.
From wgjxzgzz.en.made-in-china.com
CNC Router Parts Ball Screw China Ball Screw and Ball Nut for CNC and Hiwin Ball Screw R255b2 Cnc Router Ball Screw Size While ball screw technology has come a long way over the past couple of decades, there are still a lot of widespread misconceptions about it and how it pertains to cnc work. Assuming a 1:1 ratio and 2000 steps/revolution, a 5mm ball screw would give you a resolution of 0.0025mm (about 0.0001. Larger ball screws are an incorrect design for. Cnc Router Ball Screw Size.
From hptm-machinery.en.made-in-china.com
Sfe1616 High Speed Lead Ball Screw for CNC Router Ball Screw and Rolled Ball Screw Cnc Router Ball Screw Size Financing as low as $1,565/mo. Assuming a 1:1 ratio and 2000 steps/revolution, a 5mm ball screw would give you a resolution of 0.0025mm (about 0.0001. While ball screw technology has come a long way over the past couple of decades, there are still a lot of widespread misconceptions about it and how it pertains to cnc work. I have sfu1605. Cnc Router Ball Screw Size.
From txpbearing.en.made-in-china.com
20mm Sfu2005 Flange Nut Ball Screw for CNC Router Machine China 2005 Ball Screw and CNC Machine Cnc Router Ball Screw Size That is why the ultimate bee is the best design of its kind! I have sfu1605 ball screws on all axis for a 10 x 7 x 6(z) inch cnc using medium sized nema 23 and a nema 17 on the z and it is plenty fast. Larger ball screws are an incorrect design for nema 23 motors. 4x8 /. Cnc Router Ball Screw Size.
From www.ywsbearing.com
CNC router 32mm diameter China manufacturer motor spindle Ball lead screw bearing SFU3205 Buy Cnc Router Ball Screw Size The router is made from 6x3 80/20 and am considering running the ball screw through the lower part of the gantry attached to the. 4x8 / 5x10 custom sizes cnc router. A 12mm ball screw has the perfect balance of torque and vibration when paired with a nema 23 motor in a cnc machine size 1500x1500mm or less. Financing as. Cnc Router Ball Screw Size.
From www.ywsbearing.com
CNC router ball screw Ballscrew 25mm SFU2005 any length with BK BF end machining or your Cnc Router Ball Screw Size When selecting a ball screw for a cnc machine, there are several factors to consider, including length, diameter, pitch,. While ball screw technology has come a long way over the past couple of decades, there are still a lot of widespread misconceptions about it and how it pertains to cnc work. • 4′ x 8′ / 5' x 10' stock. Cnc Router Ball Screw Size.
From www.alibaba.com
Cnc Rolled Ball Screw With Ballnut And Bk Bf End Support Kit Sfu1204/1605/2005/2505/3205 For Cnc Cnc Router Ball Screw Size • 4′ x 8′ / 5' x 10' stock sizes (special sizes available. While ball screw technology has come a long way over the past couple of decades, there are still a lot of widespread misconceptions about it and how it pertains to cnc work. Assuming a 1:1 ratio and 2000 steps/revolution, a 5mm ball screw would give you a. Cnc Router Ball Screw Size.
From sairguide.en.made-in-china.com
CNC Parts Sfu2505 Sfu2510 CNC Router Ball Screw with Screw Nuts Full Set China Ball Screw and Cnc Router Ball Screw Size When selecting a ball screw for a cnc machine, there are several factors to consider, including length, diameter, pitch,. Larger ball screws are an incorrect design for nema 23 motors. Assuming a 1:1 ratio and 2000 steps/revolution, a 5mm ball screw would give you a resolution of 0.0025mm (about 0.0001. 4x8 / 5x10 custom sizes cnc router. Learn everything you. Cnc Router Ball Screw Size.
From www.alibaba.com
C3 Precision Cnc Router Ball Screw With Single Nut 2020 1605 1204 2510 1606 Buy Cnc Router Cnc Router Ball Screw Size When selecting a ball screw for a cnc machine, there are several factors to consider, including length, diameter, pitch,. While ball screw technology has come a long way over the past couple of decades, there are still a lot of widespread misconceptions about it and how it pertains to cnc work. Assuming a 1:1 ratio and 2000 steps/revolution, a 5mm. Cnc Router Ball Screw Size.
From wgjxzgzz.en.made-in-china.com
CNC Router Shaft Ball Screw China Tbi Ball Screw Price and CNC Precision Thead Ball Screw Cnc Router Ball Screw Size A 12mm ball screw has the perfect balance of torque and vibration when paired with a nema 23 motor in a cnc machine size 1500x1500mm or less. Learn everything you need to know about the types of ballscrews and why to use them for cnc machinery in this post. I have sfu1605 ball screws on all axis for a 10. Cnc Router Ball Screw Size.
From www.walmart.com
1000mm Ball Screw SFU1605 Diameter 16mm,5mm Pitch with Metal Ball Screw Nut and BK/BF End Cnc Router Ball Screw Size Financing as low as $1,565/mo. • 4′ x 8′ / 5' x 10' stock sizes (special sizes available. While ball screw technology has come a long way over the past couple of decades, there are still a lot of widespread misconceptions about it and how it pertains to cnc work. That is why the ultimate bee is the best design. Cnc Router Ball Screw Size.
From www.ywsbearing.com
CNC router ball screw Ballscrew 25mm SFU2005 any length with BK BF end machining or your Cnc Router Ball Screw Size Larger ball screws are an incorrect design for nema 23 motors. That is why the ultimate bee is the best design of its kind! Assuming a 1:1 ratio and 2000 steps/revolution, a 5mm ball screw would give you a resolution of 0.0025mm (about 0.0001. When selecting a ball screw for a cnc machine, there are several factors to consider, including. Cnc Router Ball Screw Size.
From www.alibaba.com
Cnc Rolled Ball Screw With Ballnut And Bk Bf End Support Kit Sfu1204/1605/2005/2505/3205 For Cnc Cnc Router Ball Screw Size Larger ball screws are an incorrect design for nema 23 motors. I have sfu1605 ball screws on all axis for a 10 x 7 x 6(z) inch cnc using medium sized nema 23 and a nema 17 on the z and it is plenty fast. Learn everything you need to know about the types of ballscrews and why to use. Cnc Router Ball Screw Size.
From df2d7432daefeafc.en.made-in-china.com
High Accuracy 2002 Ball Screw for CNC Router China 2002 Ball Screw and 20mm Ball Screw Cnc Router Ball Screw Size Larger ball screws are an incorrect design for nema 23 motors. That is why the ultimate bee is the best design of its kind! When selecting a ball screw for a cnc machine, there are several factors to consider, including length, diameter, pitch,. A 12mm ball screw has the perfect balance of torque and vibration when paired with a nema. Cnc Router Ball Screw Size.
From rhinocnc.en.made-in-china.com
High Precision Ball Screw Mini CNC Router R4040 China Mini CNC Router and Mini Size Router Cnc Router Ball Screw Size • 4′ x 8′ / 5' x 10' stock sizes (special sizes available. That is why the ultimate bee is the best design of its kind! The router is made from 6x3 80/20 and am considering running the ball screw through the lower part of the gantry attached to the. Larger ball screws are an incorrect design for nema 23. Cnc Router Ball Screw Size.
From www.ywsbearing.com
CNC router ball screw Ballscrew 25mm SFU2005 any length with BK BF end machining or your Cnc Router Ball Screw Size Larger ball screws are an incorrect design for nema 23 motors. A 12mm ball screw has the perfect balance of torque and vibration when paired with a nema 23 motor in a cnc machine size 1500x1500mm or less. I have sfu1605 ball screws on all axis for a 10 x 7 x 6(z) inch cnc using medium sized nema 23. Cnc Router Ball Screw Size.