Harrington Hoist Schematics . This manual includes instructions and parts information for a variety of hoist types. View and download harrington er2 series owner's manual online. Record your hoist’s code, lot and serial number (see section 9) on the front cover of this manual for identification and future reference to avoid. Therefore, all instructions and parts information. With over 170 years of industry experience and knowledge, our knowledgeable staff can help locate the right harrington hoist part for you. This manual includes instructions and parts information for a variety of hoist types. 1/8 ton through 5 ton capacity electric chain hoist. Therefore, all instructions and parts information.
from shop.bohlco.com
View and download harrington er2 series owner's manual online. With over 170 years of industry experience and knowledge, our knowledgeable staff can help locate the right harrington hoist part for you. Therefore, all instructions and parts information. Therefore, all instructions and parts information. This manual includes instructions and parts information for a variety of hoist types. 1/8 ton through 5 ton capacity electric chain hoist. This manual includes instructions and parts information for a variety of hoist types. Record your hoist’s code, lot and serial number (see section 9) on the front cover of this manual for identification and future reference to avoid.
Harrington LB Manual Lever Hoist Bohl Crane Incorporated
Harrington Hoist Schematics With over 170 years of industry experience and knowledge, our knowledgeable staff can help locate the right harrington hoist part for you. View and download harrington er2 series owner's manual online. 1/8 ton through 5 ton capacity electric chain hoist. Record your hoist’s code, lot and serial number (see section 9) on the front cover of this manual for identification and future reference to avoid. Therefore, all instructions and parts information. Therefore, all instructions and parts information. This manual includes instructions and parts information for a variety of hoist types. With over 170 years of industry experience and knowledge, our knowledgeable staff can help locate the right harrington hoist part for you. This manual includes instructions and parts information for a variety of hoist types.
From usermanual.wiki
Harrington Hoists Saw Eac700 Users Manual Crane Catalog Harrington Hoist Schematics 1/8 ton through 5 ton capacity electric chain hoist. Therefore, all instructions and parts information. This manual includes instructions and parts information for a variety of hoist types. With over 170 years of industry experience and knowledge, our knowledgeable staff can help locate the right harrington hoist part for you. Therefore, all instructions and parts information. This manual includes instructions. Harrington Hoist Schematics.
From www.aceindustries.com
Harrington LB Lever Hoist Manual Rev 3/2022 Harrington Hoist Schematics View and download harrington er2 series owner's manual online. Therefore, all instructions and parts information. This manual includes instructions and parts information for a variety of hoist types. Record your hoist’s code, lot and serial number (see section 9) on the front cover of this manual for identification and future reference to avoid. 1/8 ton through 5 ton capacity electric. Harrington Hoist Schematics.
From usermanual.wiki
Harrington Hoists Chainsaw Sner Users Manual Harrington Hoist Schematics Therefore, all instructions and parts information. 1/8 ton through 5 ton capacity electric chain hoist. Record your hoist’s code, lot and serial number (see section 9) on the front cover of this manual for identification and future reference to avoid. Therefore, all instructions and parts information. View and download harrington er2 series owner's manual online. This manual includes instructions and. Harrington Hoist Schematics.
From schematron.org
Harrington Hoist Wiring Diagram Wiring Diagram Pictures Harrington Hoist Schematics Therefore, all instructions and parts information. View and download harrington er2 series owner's manual online. This manual includes instructions and parts information for a variety of hoist types. Therefore, all instructions and parts information. Record your hoist’s code, lot and serial number (see section 9) on the front cover of this manual for identification and future reference to avoid. 1/8. Harrington Hoist Schematics.
From usermanual.wiki
Harrington Hoists Personal Lift Er2 Users Manual Owner's Harrington Hoist Schematics Therefore, all instructions and parts information. View and download harrington er2 series owner's manual online. This manual includes instructions and parts information for a variety of hoist types. This manual includes instructions and parts information for a variety of hoist types. Record your hoist’s code, lot and serial number (see section 9) on the front cover of this manual for. Harrington Hoist Schematics.
From usermanual.wiki
Harrington Hoists Personal Lift Ner2 Series Users Manual Harrington Hoist Schematics With over 170 years of industry experience and knowledge, our knowledgeable staff can help locate the right harrington hoist part for you. Therefore, all instructions and parts information. Record your hoist’s code, lot and serial number (see section 9) on the front cover of this manual for identification and future reference to avoid. This manual includes instructions and parts information. Harrington Hoist Schematics.
From www.tsoverheadcrane.com
1 Ton Harrington LB Series, Lever Chain Hoist, Part No LB010 Harrington Hoist Schematics View and download harrington er2 series owner's manual online. This manual includes instructions and parts information for a variety of hoist types. Record your hoist’s code, lot and serial number (see section 9) on the front cover of this manual for identification and future reference to avoid. Therefore, all instructions and parts information. Therefore, all instructions and parts information. This. Harrington Hoist Schematics.
From schematron.org
Harrington Hoist Wiring Diagram Wiring Diagram Pictures Harrington Hoist Schematics This manual includes instructions and parts information for a variety of hoist types. With over 170 years of industry experience and knowledge, our knowledgeable staff can help locate the right harrington hoist part for you. Record your hoist’s code, lot and serial number (see section 9) on the front cover of this manual for identification and future reference to avoid.. Harrington Hoist Schematics.
From usermanual.wiki
Harrington Hoists Personal Lift Er Users Manual Har8822_ElectCtlg_D5 Harrington Hoist Schematics This manual includes instructions and parts information for a variety of hoist types. Record your hoist’s code, lot and serial number (see section 9) on the front cover of this manual for identification and future reference to avoid. This manual includes instructions and parts information for a variety of hoist types. Therefore, all instructions and parts information. 1/8 ton through. Harrington Hoist Schematics.
From usermanual.wiki
Harrington Hoists Fitness Equipment Gt Geared Trolley Users Manual Harrington Hoist Schematics This manual includes instructions and parts information for a variety of hoist types. This manual includes instructions and parts information for a variety of hoist types. View and download harrington er2 series owner's manual online. With over 170 years of industry experience and knowledge, our knowledgeable staff can help locate the right harrington hoist part for you. Therefore, all instructions. Harrington Hoist Schematics.
From www.superiortoolrental.com
Harrington 3 Ton Chain Hoist Superior Tool Rental Harrington Hoist Schematics 1/8 ton through 5 ton capacity electric chain hoist. This manual includes instructions and parts information for a variety of hoist types. Therefore, all instructions and parts information. This manual includes instructions and parts information for a variety of hoist types. With over 170 years of industry experience and knowledge, our knowledgeable staff can help locate the right harrington hoist. Harrington Hoist Schematics.
From usermanual.wiki
Harrington Hoists Fitness Equipment Gt Geared Trolley Users Manual Harrington Hoist Schematics With over 170 years of industry experience and knowledge, our knowledgeable staff can help locate the right harrington hoist part for you. Therefore, all instructions and parts information. Record your hoist’s code, lot and serial number (see section 9) on the front cover of this manual for identification and future reference to avoid. Therefore, all instructions and parts information. This. Harrington Hoist Schematics.
From maskell-rigging.com
Harrington LB Lever Hoist — Maskell Rigging & Equipment Inc. Harrington Hoist Schematics Therefore, all instructions and parts information. View and download harrington er2 series owner's manual online. This manual includes instructions and parts information for a variety of hoist types. Therefore, all instructions and parts information. Record your hoist’s code, lot and serial number (see section 9) on the front cover of this manual for identification and future reference to avoid. This. Harrington Hoist Schematics.
From usermanual.wiki
Harrington Hoists Chainsaw Sner Users Manual Harrington Hoist Schematics Therefore, all instructions and parts information. This manual includes instructions and parts information for a variety of hoist types. View and download harrington er2 series owner's manual online. With over 170 years of industry experience and knowledge, our knowledgeable staff can help locate the right harrington hoist part for you. This manual includes instructions and parts information for a variety. Harrington Hoist Schematics.
From www.yumpu.com
Download PDF Harrington Hoists and Cranes Harrington Hoist Schematics This manual includes instructions and parts information for a variety of hoist types. Therefore, all instructions and parts information. View and download harrington er2 series owner's manual online. Record your hoist’s code, lot and serial number (see section 9) on the front cover of this manual for identification and future reference to avoid. 1/8 ton through 5 ton capacity electric. Harrington Hoist Schematics.
From wiringwiringjewel.z21.web.core.windows.net
Harrington Hoist Wiring Diagram Harrington Hoist Schematics This manual includes instructions and parts information for a variety of hoist types. Therefore, all instructions and parts information. View and download harrington er2 series owner's manual online. Therefore, all instructions and parts information. 1/8 ton through 5 ton capacity electric chain hoist. With over 170 years of industry experience and knowledge, our knowledgeable staff can help locate the right. Harrington Hoist Schematics.
From hoists.com
Electric Chain Hoist Installation A StepbyStep Guide Harrington Hoist Schematics Therefore, all instructions and parts information. View and download harrington er2 series owner's manual online. Record your hoist’s code, lot and serial number (see section 9) on the front cover of this manual for identification and future reference to avoid. Therefore, all instructions and parts information. This manual includes instructions and parts information for a variety of hoist types. With. Harrington Hoist Schematics.
From stewart-switch.com
Harrington Hoist Wiring Diagram Harrington Hoist Schematics With over 170 years of industry experience and knowledge, our knowledgeable staff can help locate the right harrington hoist part for you. 1/8 ton through 5 ton capacity electric chain hoist. This manual includes instructions and parts information for a variety of hoist types. Therefore, all instructions and parts information. Therefore, all instructions and parts information. Record your hoist’s code,. Harrington Hoist Schematics.
From usermanual.wiki
Harrington Hoists Chainsaw Sner Users Manual Harrington Hoist Schematics Therefore, all instructions and parts information. 1/8 ton through 5 ton capacity electric chain hoist. Therefore, all instructions and parts information. View and download harrington er2 series owner's manual online. This manual includes instructions and parts information for a variety of hoist types. Record your hoist’s code, lot and serial number (see section 9) on the front cover of this. Harrington Hoist Schematics.
From www.fsindustries.com
Harrington SEQ Series Electric Hoist, SEQP Electric Hoist, SEQG Hoist Harrington Hoist Schematics Therefore, all instructions and parts information. This manual includes instructions and parts information for a variety of hoist types. Therefore, all instructions and parts information. Record your hoist’s code, lot and serial number (see section 9) on the front cover of this manual for identification and future reference to avoid. 1/8 ton through 5 ton capacity electric chain hoist. With. Harrington Hoist Schematics.
From resolutionsforyou.com
Harrington hoist wiring diagram Harrington Hoist Schematics Therefore, all instructions and parts information. 1/8 ton through 5 ton capacity electric chain hoist. This manual includes instructions and parts information for a variety of hoist types. View and download harrington er2 series owner's manual online. Therefore, all instructions and parts information. Record your hoist’s code, lot and serial number (see section 9) on the front cover of this. Harrington Hoist Schematics.
From www.manualslib.com
HARRINGTON HOISTS RHN02D20A20D SERIES OWNER'S MANUAL Pdf Download Harrington Hoist Schematics This manual includes instructions and parts information for a variety of hoist types. Therefore, all instructions and parts information. Record your hoist’s code, lot and serial number (see section 9) on the front cover of this manual for identification and future reference to avoid. 1/8 ton through 5 ton capacity electric chain hoist. With over 170 years of industry experience. Harrington Hoist Schematics.
From usermanual.wiki
Harrington Hoists Personal Lift Er2 Users Manual Owner's Harrington Hoist Schematics Record your hoist’s code, lot and serial number (see section 9) on the front cover of this manual for identification and future reference to avoid. View and download harrington er2 series owner's manual online. This manual includes instructions and parts information for a variety of hoist types. With over 170 years of industry experience and knowledge, our knowledgeable staff can. Harrington Hoist Schematics.
From www.mazzellacompanies.com
Harrington SEQ SinglePhase Dual Speed Electric Chain Hoist Mazzella Harrington Hoist Schematics 1/8 ton through 5 ton capacity electric chain hoist. Therefore, all instructions and parts information. With over 170 years of industry experience and knowledge, our knowledgeable staff can help locate the right harrington hoist part for you. Record your hoist’s code, lot and serial number (see section 9) on the front cover of this manual for identification and future reference. Harrington Hoist Schematics.
From hoists.com
Harrington Series CX 1/4Ton Hand Chain Hoist Harrington Hoist Schematics Therefore, all instructions and parts information. View and download harrington er2 series owner's manual online. This manual includes instructions and parts information for a variety of hoist types. With over 170 years of industry experience and knowledge, our knowledgeable staff can help locate the right harrington hoist part for you. This manual includes instructions and parts information for a variety. Harrington Hoist Schematics.
From www.smarts4k.com
Harrington 5 Ton Electric Chain Hoist Wiring Diagram 4K Wallpapers Review Harrington Hoist Schematics Therefore, all instructions and parts information. View and download harrington er2 series owner's manual online. Record your hoist’s code, lot and serial number (see section 9) on the front cover of this manual for identification and future reference to avoid. This manual includes instructions and parts information for a variety of hoist types. Therefore, all instructions and parts information. This. Harrington Hoist Schematics.
From www.mazzellacompanies.com
What Is Harrington’s LB Heavy Duty Lever Hoist? Harrington Hoist Schematics 1/8 ton through 5 ton capacity electric chain hoist. Therefore, all instructions and parts information. Record your hoist’s code, lot and serial number (see section 9) on the front cover of this manual for identification and future reference to avoid. This manual includes instructions and parts information for a variety of hoist types. View and download harrington er2 series owner's. Harrington Hoist Schematics.
From shop.bohlco.com
Harrington LB Manual Lever Hoist Bohl Crane Incorporated Harrington Hoist Schematics This manual includes instructions and parts information for a variety of hoist types. View and download harrington er2 series owner's manual online. This manual includes instructions and parts information for a variety of hoist types. Therefore, all instructions and parts information. 1/8 ton through 5 ton capacity electric chain hoist. With over 170 years of industry experience and knowledge, our. Harrington Hoist Schematics.
From usermanual.wiki
Harrington Hoists Chainsaw Sharpener 10 2 Ah250 Ah500 Main Body Users Harrington Hoist Schematics This manual includes instructions and parts information for a variety of hoist types. View and download harrington er2 series owner's manual online. Record your hoist’s code, lot and serial number (see section 9) on the front cover of this manual for identification and future reference to avoid. With over 170 years of industry experience and knowledge, our knowledgeable staff can. Harrington Hoist Schematics.
From usermanual.wiki
Harrington Hoists Personal Lift Er2 Users Manual Owner's Harrington Hoist Schematics Record your hoist’s code, lot and serial number (see section 9) on the front cover of this manual for identification and future reference to avoid. This manual includes instructions and parts information for a variety of hoist types. View and download harrington er2 series owner's manual online. This manual includes instructions and parts information for a variety of hoist types.. Harrington Hoist Schematics.
From www.mazzellacompanies.com
Harrington EQ/SEQ Electric Chain Hoists Design, Features, and Benefits Harrington Hoist Schematics 1/8 ton through 5 ton capacity electric chain hoist. Therefore, all instructions and parts information. View and download harrington er2 series owner's manual online. Therefore, all instructions and parts information. With over 170 years of industry experience and knowledge, our knowledgeable staff can help locate the right harrington hoist part for you. This manual includes instructions and parts information for. Harrington Hoist Schematics.
From usermanual.wiki
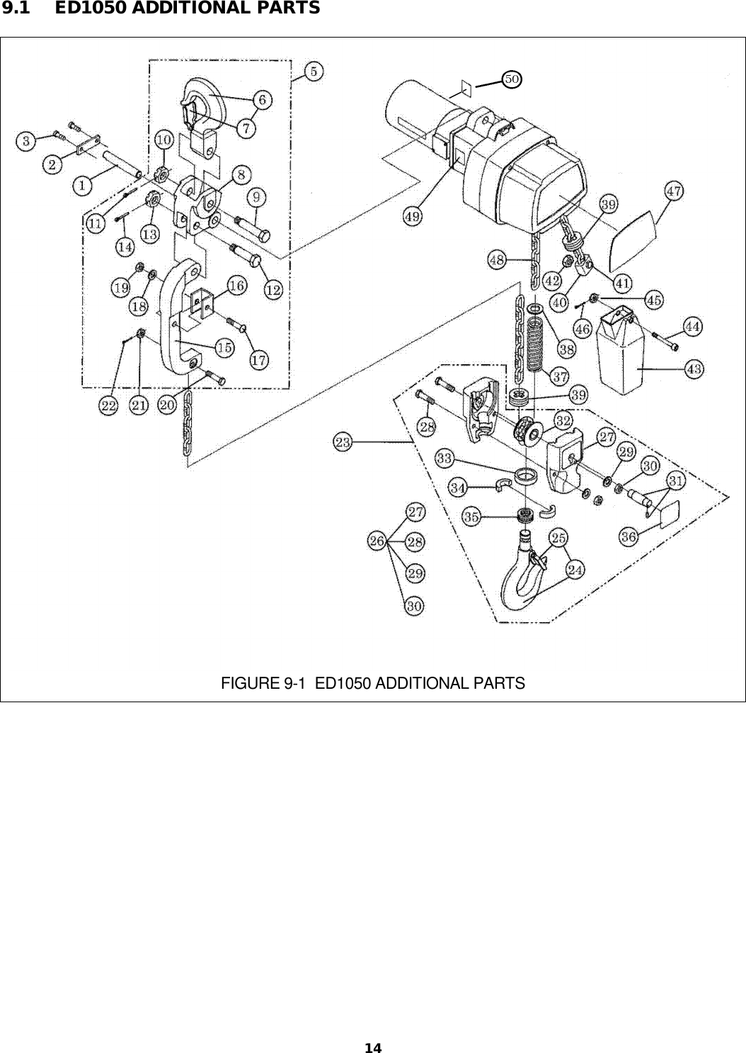
Harrington Hoists Personal Lift Ed1050 Users Manual Harrington Hoist Schematics This manual includes instructions and parts information for a variety of hoist types. This manual includes instructions and parts information for a variety of hoist types. View and download harrington er2 series owner's manual online. Therefore, all instructions and parts information. With over 170 years of industry experience and knowledge, our knowledgeable staff can help locate the right harrington hoist. Harrington Hoist Schematics.
From stewart-switch.com
Harrington Hoist Wiring Diagram Harrington Hoist Schematics 1/8 ton through 5 ton capacity electric chain hoist. This manual includes instructions and parts information for a variety of hoist types. With over 170 years of industry experience and knowledge, our knowledgeable staff can help locate the right harrington hoist part for you. This manual includes instructions and parts information for a variety of hoist types. Therefore, all instructions. Harrington Hoist Schematics.
From usermanual.wiki
Harrington Hoists Personal Lift Cuml 3 0235 Users Manual Crane Catalog Harrington Hoist Schematics View and download harrington er2 series owner's manual online. 1/8 ton through 5 ton capacity electric chain hoist. Therefore, all instructions and parts information. Therefore, all instructions and parts information. This manual includes instructions and parts information for a variety of hoist types. With over 170 years of industry experience and knowledge, our knowledgeable staff can help locate the right. Harrington Hoist Schematics.
From wiringwiringjewel.z21.web.core.windows.net
Harrington Hoist Wiring Diagram Harrington Hoist Schematics This manual includes instructions and parts information for a variety of hoist types. This manual includes instructions and parts information for a variety of hoist types. Record your hoist’s code, lot and serial number (see section 9) on the front cover of this manual for identification and future reference to avoid. View and download harrington er2 series owner's manual online.. Harrington Hoist Schematics.