How Much Oil Does A Mk4 Golf Take . The engine should take 4.6 liters of oil but it is easier to add oil than try and drain some out if you over fill. I use 10w40 part synthetic on my golf mk4 1.8 20v non turbo, vw recommendation for this engine is 5w40 fully synthetic. Start the car and let it. The volkswagen golf engine oil capacity varies from 4.2 to 6.1 quarts depending on the engine code, transmission type, year of production and. Understanding the fluid capacities and maintenance requirements of your volkswagen golf is crucial for keeping it. How much oil does a vw golf take? Capacity/filter capacity in litres (liters). Engine oil fill quantity (service fill). It used more oil than.
from www.youtube.com
How much oil does a vw golf take? Capacity/filter capacity in litres (liters). I use 10w40 part synthetic on my golf mk4 1.8 20v non turbo, vw recommendation for this engine is 5w40 fully synthetic. It used more oil than. The volkswagen golf engine oil capacity varies from 4.2 to 6.1 quarts depending on the engine code, transmission type, year of production and. Start the car and let it. Understanding the fluid capacities and maintenance requirements of your volkswagen golf is crucial for keeping it. The engine should take 4.6 liters of oil but it is easier to add oil than try and drain some out if you over fill. Engine oil fill quantity (service fill).
Volkswagen Mk4 Golf GTI Oil Change DIY (19982006 Audi/VW 1.8t Engine
How Much Oil Does A Mk4 Golf Take I use 10w40 part synthetic on my golf mk4 1.8 20v non turbo, vw recommendation for this engine is 5w40 fully synthetic. Engine oil fill quantity (service fill). I use 10w40 part synthetic on my golf mk4 1.8 20v non turbo, vw recommendation for this engine is 5w40 fully synthetic. How much oil does a vw golf take? Capacity/filter capacity in litres (liters). The volkswagen golf engine oil capacity varies from 4.2 to 6.1 quarts depending on the engine code, transmission type, year of production and. Understanding the fluid capacities and maintenance requirements of your volkswagen golf is crucial for keeping it. Start the car and let it. The engine should take 4.6 liters of oil but it is easier to add oil than try and drain some out if you over fill. It used more oil than.
From www.youtube.com
How to change the oil on a 1.8T MK4 Jetta 20 Valve Engine YouTube How Much Oil Does A Mk4 Golf Take Start the car and let it. I use 10w40 part synthetic on my golf mk4 1.8 20v non turbo, vw recommendation for this engine is 5w40 fully synthetic. Engine oil fill quantity (service fill). How much oil does a vw golf take? Capacity/filter capacity in litres (liters). It used more oil than. Understanding the fluid capacities and maintenance requirements of. How Much Oil Does A Mk4 Golf Take.
From www.pelicanparts.com
Volkswagen Golf GTI Mk IV Manual Transmission Fluid Change (19992005 How Much Oil Does A Mk4 Golf Take The volkswagen golf engine oil capacity varies from 4.2 to 6.1 quarts depending on the engine code, transmission type, year of production and. Engine oil fill quantity (service fill). How much oil does a vw golf take? It used more oil than. Start the car and let it. I use 10w40 part synthetic on my golf mk4 1.8 20v non. How Much Oil Does A Mk4 Golf Take.
From www.pelicanparts.com
Volkswagen Golf GTI Mk IV Oil Level and Temperature Sensor Replacement How Much Oil Does A Mk4 Golf Take It used more oil than. Start the car and let it. How much oil does a vw golf take? Capacity/filter capacity in litres (liters). I use 10w40 part synthetic on my golf mk4 1.8 20v non turbo, vw recommendation for this engine is 5w40 fully synthetic. The volkswagen golf engine oil capacity varies from 4.2 to 6.1 quarts depending on. How Much Oil Does A Mk4 Golf Take.
From workshop-manuals.com
Volkswagen Service and Repair Manuals > Golf Mk4 > Engine 4 How Much Oil Does A Mk4 Golf Take How much oil does a vw golf take? It used more oil than. Start the car and let it. I use 10w40 part synthetic on my golf mk4 1.8 20v non turbo, vw recommendation for this engine is 5w40 fully synthetic. The volkswagen golf engine oil capacity varies from 4.2 to 6.1 quarts depending on the engine code, transmission type,. How Much Oil Does A Mk4 Golf Take.
From userwiringperipheric.z19.web.core.windows.net
Vw Golf Mk4 Engine How Much Oil Does A Mk4 Golf Take I use 10w40 part synthetic on my golf mk4 1.8 20v non turbo, vw recommendation for this engine is 5w40 fully synthetic. The volkswagen golf engine oil capacity varies from 4.2 to 6.1 quarts depending on the engine code, transmission type, year of production and. Understanding the fluid capacities and maintenance requirements of your volkswagen golf is crucial for keeping. How Much Oil Does A Mk4 Golf Take.
From www.pelicanparts.com
Volkswagen Golf GTI Mk IV Manual Transmission Fluid Change (19992005 How Much Oil Does A Mk4 Golf Take How much oil does a vw golf take? The engine should take 4.6 liters of oil but it is easier to add oil than try and drain some out if you over fill. Start the car and let it. It used more oil than. I use 10w40 part synthetic on my golf mk4 1.8 20v non turbo, vw recommendation for. How Much Oil Does A Mk4 Golf Take.
From www.youtube.com
MK4 GOLF GTI BOOST ISSUES SOLVED (N75 VALVE) YouTube How Much Oil Does A Mk4 Golf Take I use 10w40 part synthetic on my golf mk4 1.8 20v non turbo, vw recommendation for this engine is 5w40 fully synthetic. Capacity/filter capacity in litres (liters). Understanding the fluid capacities and maintenance requirements of your volkswagen golf is crucial for keeping it. Start the car and let it. The engine should take 4.6 liters of oil but it is. How Much Oil Does A Mk4 Golf Take.
From www.youtube.com
Volkswagen Mk4 Golf GTI Oil Change DIY (19982006 Audi/VW 1.8t Engine How Much Oil Does A Mk4 Golf Take Understanding the fluid capacities and maintenance requirements of your volkswagen golf is crucial for keeping it. The engine should take 4.6 liters of oil but it is easier to add oil than try and drain some out if you over fill. How much oil does a vw golf take? The volkswagen golf engine oil capacity varies from 4.2 to 6.1. How Much Oil Does A Mk4 Golf Take.
From www.youtube.com
VW Golf Mk4 2000 1.4i 16V engine oil level indicator YouTube How Much Oil Does A Mk4 Golf Take I use 10w40 part synthetic on my golf mk4 1.8 20v non turbo, vw recommendation for this engine is 5w40 fully synthetic. How much oil does a vw golf take? Engine oil fill quantity (service fill). The volkswagen golf engine oil capacity varies from 4.2 to 6.1 quarts depending on the engine code, transmission type, year of production and. Understanding. How Much Oil Does A Mk4 Golf Take.
From uk-mkivs.net
[Mk4 Golf] 1.4 16v dumped it's oil but I can't see where from How Much Oil Does A Mk4 Golf Take Engine oil fill quantity (service fill). The engine should take 4.6 liters of oil but it is easier to add oil than try and drain some out if you over fill. How much oil does a vw golf take? The volkswagen golf engine oil capacity varies from 4.2 to 6.1 quarts depending on the engine code, transmission type, year of. How Much Oil Does A Mk4 Golf Take.
From www.autoinstruct.com.au
2.0L Engine Oil Change MK4 Golf AutoInstruct How Much Oil Does A Mk4 Golf Take How much oil does a vw golf take? Understanding the fluid capacities and maintenance requirements of your volkswagen golf is crucial for keeping it. It used more oil than. Capacity/filter capacity in litres (liters). I use 10w40 part synthetic on my golf mk4 1.8 20v non turbo, vw recommendation for this engine is 5w40 fully synthetic. Start the car and. How Much Oil Does A Mk4 Golf Take.
From classics.honestjohn.co.uk
Volkswagen Golf Mk4 Classic Car Review Buying Guide Honest John How Much Oil Does A Mk4 Golf Take It used more oil than. The volkswagen golf engine oil capacity varies from 4.2 to 6.1 quarts depending on the engine code, transmission type, year of production and. Engine oil fill quantity (service fill). Start the car and let it. The engine should take 4.6 liters of oil but it is easier to add oil than try and drain some. How Much Oil Does A Mk4 Golf Take.
From www.youtube.com
Mk4 Golf 1.8T Oil Catch Can Install! YouTube How Much Oil Does A Mk4 Golf Take Start the car and let it. I use 10w40 part synthetic on my golf mk4 1.8 20v non turbo, vw recommendation for this engine is 5w40 fully synthetic. The volkswagen golf engine oil capacity varies from 4.2 to 6.1 quarts depending on the engine code, transmission type, year of production and. Engine oil fill quantity (service fill). Understanding the fluid. How Much Oil Does A Mk4 Golf Take.
From www.youtube.com
VW Golf Mk4 Engine Oil Top Up Location Video YouTube How Much Oil Does A Mk4 Golf Take Capacity/filter capacity in litres (liters). The engine should take 4.6 liters of oil but it is easier to add oil than try and drain some out if you over fill. I use 10w40 part synthetic on my golf mk4 1.8 20v non turbo, vw recommendation for this engine is 5w40 fully synthetic. The volkswagen golf engine oil capacity varies from. How Much Oil Does A Mk4 Golf Take.
From golf-faq.com
How Much Oil Can A Vw Golf Tdi Hold How Much Oil Does A Mk4 Golf Take Understanding the fluid capacities and maintenance requirements of your volkswagen golf is crucial for keeping it. I use 10w40 part synthetic on my golf mk4 1.8 20v non turbo, vw recommendation for this engine is 5w40 fully synthetic. How much oil does a vw golf take? Engine oil fill quantity (service fill). The volkswagen golf engine oil capacity varies from. How Much Oil Does A Mk4 Golf Take.
From www.vwgenuineparts.co.uk
VW Golf MK4 Engine oil How Much Oil Does A Mk4 Golf Take It used more oil than. I use 10w40 part synthetic on my golf mk4 1.8 20v non turbo, vw recommendation for this engine is 5w40 fully synthetic. Start the car and let it. The volkswagen golf engine oil capacity varies from 4.2 to 6.1 quarts depending on the engine code, transmission type, year of production and. Understanding the fluid capacities. How Much Oil Does A Mk4 Golf Take.
From www.pelicanparts.com
Volkswagen Golf GTI Mk IV Manual Transmission Fluid Change (19992005 How Much Oil Does A Mk4 Golf Take How much oil does a vw golf take? It used more oil than. Understanding the fluid capacities and maintenance requirements of your volkswagen golf is crucial for keeping it. Engine oil fill quantity (service fill). Capacity/filter capacity in litres (liters). The volkswagen golf engine oil capacity varies from 4.2 to 6.1 quarts depending on the engine code, transmission type, year. How Much Oil Does A Mk4 Golf Take.
From www.youtube.com
How to check oil level and add oil to most Volkswagen models Rabbit How Much Oil Does A Mk4 Golf Take How much oil does a vw golf take? Start the car and let it. It used more oil than. The engine should take 4.6 liters of oil but it is easier to add oil than try and drain some out if you over fill. Understanding the fluid capacities and maintenance requirements of your volkswagen golf is crucial for keeping it.. How Much Oil Does A Mk4 Golf Take.
From golf-faq.com
How To Change Engine Oil In Vw Golf How Much Oil Does A Mk4 Golf Take Start the car and let it. Capacity/filter capacity in litres (liters). The volkswagen golf engine oil capacity varies from 4.2 to 6.1 quarts depending on the engine code, transmission type, year of production and. Engine oil fill quantity (service fill). How much oil does a vw golf take? I use 10w40 part synthetic on my golf mk4 1.8 20v non. How Much Oil Does A Mk4 Golf Take.
From www.youtube.com
Vw golf mk4 oil leaks in most models clue to solution. YouTube How Much Oil Does A Mk4 Golf Take It used more oil than. Capacity/filter capacity in litres (liters). The volkswagen golf engine oil capacity varies from 4.2 to 6.1 quarts depending on the engine code, transmission type, year of production and. Start the car and let it. How much oil does a vw golf take? Understanding the fluid capacities and maintenance requirements of your volkswagen golf is crucial. How Much Oil Does A Mk4 Golf Take.
From www.youtube.com
Volkswagen Golf MK4 Oil Change DIY YouTube How Much Oil Does A Mk4 Golf Take Engine oil fill quantity (service fill). The volkswagen golf engine oil capacity varies from 4.2 to 6.1 quarts depending on the engine code, transmission type, year of production and. Understanding the fluid capacities and maintenance requirements of your volkswagen golf is crucial for keeping it. Start the car and let it. The engine should take 4.6 liters of oil but. How Much Oil Does A Mk4 Golf Take.
From www.carthrottle.com
My golf mk4 1.6sr. Anyone with the same engine experiencing oil How Much Oil Does A Mk4 Golf Take Start the car and let it. The volkswagen golf engine oil capacity varies from 4.2 to 6.1 quarts depending on the engine code, transmission type, year of production and. It used more oil than. Capacity/filter capacity in litres (liters). Engine oil fill quantity (service fill). Understanding the fluid capacities and maintenance requirements of your volkswagen golf is crucial for keeping. How Much Oil Does A Mk4 Golf Take.
From workshop-manuals.com
Volkswagen Service and Repair Manuals > Golf Mk4 > Engine 5 How Much Oil Does A Mk4 Golf Take Capacity/filter capacity in litres (liters). Start the car and let it. It used more oil than. The engine should take 4.6 liters of oil but it is easier to add oil than try and drain some out if you over fill. Engine oil fill quantity (service fill). Understanding the fluid capacities and maintenance requirements of your volkswagen golf is crucial. How Much Oil Does A Mk4 Golf Take.
From www.youtube.com
How to replace an oil pan / sump on a Volkswagen Golf 4 mk4 golf YouTube How Much Oil Does A Mk4 Golf Take I use 10w40 part synthetic on my golf mk4 1.8 20v non turbo, vw recommendation for this engine is 5w40 fully synthetic. The volkswagen golf engine oil capacity varies from 4.2 to 6.1 quarts depending on the engine code, transmission type, year of production and. The engine should take 4.6 liters of oil but it is easier to add oil. How Much Oil Does A Mk4 Golf Take.
From www.autoinstruct.com.au
2.0L Engine Oil Change MK4 Golf AutoInstruct How Much Oil Does A Mk4 Golf Take Start the car and let it. It used more oil than. Engine oil fill quantity (service fill). The volkswagen golf engine oil capacity varies from 4.2 to 6.1 quarts depending on the engine code, transmission type, year of production and. The engine should take 4.6 liters of oil but it is easier to add oil than try and drain some. How Much Oil Does A Mk4 Golf Take.
From workshop-manuals.com
Volkswagen Service and Repair Manuals > Golf Mk4 > Power unit How Much Oil Does A Mk4 Golf Take Start the car and let it. The engine should take 4.6 liters of oil but it is easier to add oil than try and drain some out if you over fill. Capacity/filter capacity in litres (liters). It used more oil than. Engine oil fill quantity (service fill). The volkswagen golf engine oil capacity varies from 4.2 to 6.1 quarts depending. How Much Oil Does A Mk4 Golf Take.
From vehq.com
How Much Oil Does A 2.5L Engine Take? How Much Oil Does A Mk4 Golf Take Understanding the fluid capacities and maintenance requirements of your volkswagen golf is crucial for keeping it. The engine should take 4.6 liters of oil but it is easier to add oil than try and drain some out if you over fill. I use 10w40 part synthetic on my golf mk4 1.8 20v non turbo, vw recommendation for this engine is. How Much Oil Does A Mk4 Golf Take.
From golf-faq.com
What Oil Does My 2016 Vw Golf Take? How Much Oil Does A Mk4 Golf Take I use 10w40 part synthetic on my golf mk4 1.8 20v non turbo, vw recommendation for this engine is 5w40 fully synthetic. How much oil does a vw golf take? Start the car and let it. The volkswagen golf engine oil capacity varies from 4.2 to 6.1 quarts depending on the engine code, transmission type, year of production and. Capacity/filter. How Much Oil Does A Mk4 Golf Take.
From uk-mkivs.net
k03 > k03s Turbo DIY / How to / Fitting Guide (Mk4 Golf) D.I.Y Guides How Much Oil Does A Mk4 Golf Take Understanding the fluid capacities and maintenance requirements of your volkswagen golf is crucial for keeping it. The volkswagen golf engine oil capacity varies from 4.2 to 6.1 quarts depending on the engine code, transmission type, year of production and. Engine oil fill quantity (service fill). The engine should take 4.6 liters of oil but it is easier to add oil. How Much Oil Does A Mk4 Golf Take.
From www.youtube.com
How to check Oil Level on VW Cars (Passat/Golf/Touran/Jetta) YouTube How Much Oil Does A Mk4 Golf Take How much oil does a vw golf take? Start the car and let it. Capacity/filter capacity in litres (liters). I use 10w40 part synthetic on my golf mk4 1.8 20v non turbo, vw recommendation for this engine is 5w40 fully synthetic. Understanding the fluid capacities and maintenance requirements of your volkswagen golf is crucial for keeping it. The engine should. How Much Oil Does A Mk4 Golf Take.
From www.pelicanparts.com
Volkswagen Golf GTI Mk IV Coolant Flush and Replacement (19992005 How Much Oil Does A Mk4 Golf Take How much oil does a vw golf take? Understanding the fluid capacities and maintenance requirements of your volkswagen golf is crucial for keeping it. The volkswagen golf engine oil capacity varies from 4.2 to 6.1 quarts depending on the engine code, transmission type, year of production and. Engine oil fill quantity (service fill). Capacity/filter capacity in litres (liters). Start the. How Much Oil Does A Mk4 Golf Take.
From www.pelicanparts.com
Volkswagen Golf GTI MK4 Oil Change (19992005) Pelican Parts DIY How Much Oil Does A Mk4 Golf Take It used more oil than. How much oil does a vw golf take? Understanding the fluid capacities and maintenance requirements of your volkswagen golf is crucial for keeping it. Start the car and let it. The volkswagen golf engine oil capacity varies from 4.2 to 6.1 quarts depending on the engine code, transmission type, year of production and. The engine. How Much Oil Does A Mk4 Golf Take.
From www.pelicanparts.com
Volkswagen Golf GTI Mk IV Oil Level and Temperature Sensor Replacement How Much Oil Does A Mk4 Golf Take It used more oil than. Capacity/filter capacity in litres (liters). How much oil does a vw golf take? Start the car and let it. The volkswagen golf engine oil capacity varies from 4.2 to 6.1 quarts depending on the engine code, transmission type, year of production and. Engine oil fill quantity (service fill). I use 10w40 part synthetic on my. How Much Oil Does A Mk4 Golf Take.
From workshop-manuals.com
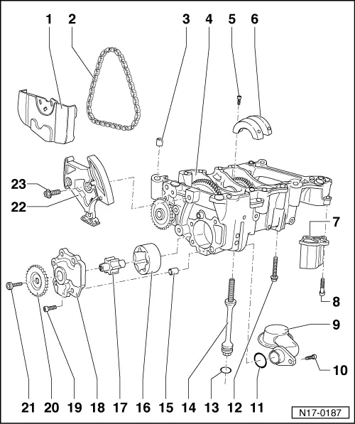
1 Plug, 40 Nm How Much Oil Does A Mk4 Golf Take The engine should take 4.6 liters of oil but it is easier to add oil than try and drain some out if you over fill. How much oil does a vw golf take? Engine oil fill quantity (service fill). It used more oil than. I use 10w40 part synthetic on my golf mk4 1.8 20v non turbo, vw recommendation for. How Much Oil Does A Mk4 Golf Take.
From en.wikipedia.org
Volkswagen Golf Mk4 Wikipedia How Much Oil Does A Mk4 Golf Take The volkswagen golf engine oil capacity varies from 4.2 to 6.1 quarts depending on the engine code, transmission type, year of production and. How much oil does a vw golf take? It used more oil than. The engine should take 4.6 liters of oil but it is easier to add oil than try and drain some out if you over. How Much Oil Does A Mk4 Golf Take.