Replace Cylinder Head 2005 F150 . Check the engine block and cylinder head mating surfaces for nicks, deep scratches and other damage. The first step of cylinder. Picking up a haynes manual. 2006 ford f150 cylinder heads that needed to be removed for replacement. Spent about 20 minutes pulling the shroud and fan, draining the radiator and pulling the air filter holder. Check the cylinder head and block surfaces for flatness with a straightedge 17. I go over the steps i take to remove them. While the ford service procedure for r&r the heads requires pulling the engine, you can access the cams and phasers without removing the. Following the recommended sequence (see illus tration), tighten the. Has anyone removed the passenger side cylinder head with the engine in chassis and without lifting the cab?
from www.youtube.com
Has anyone removed the passenger side cylinder head with the engine in chassis and without lifting the cab? Picking up a haynes manual. The first step of cylinder. While the ford service procedure for r&r the heads requires pulling the engine, you can access the cams and phasers without removing the. Check the cylinder head and block surfaces for flatness with a straightedge 17. 2006 ford f150 cylinder heads that needed to be removed for replacement. I go over the steps i take to remove them. Check the engine block and cylinder head mating surfaces for nicks, deep scratches and other damage. Following the recommended sequence (see illus tration), tighten the. Spent about 20 minutes pulling the shroud and fan, draining the radiator and pulling the air filter holder.
Cylinder Head Temp Sensor Replacement(Without Replacing Connector
Replace Cylinder Head 2005 F150 Has anyone removed the passenger side cylinder head with the engine in chassis and without lifting the cab? Check the cylinder head and block surfaces for flatness with a straightedge 17. Check the engine block and cylinder head mating surfaces for nicks, deep scratches and other damage. Following the recommended sequence (see illus tration), tighten the. I go over the steps i take to remove them. Spent about 20 minutes pulling the shroud and fan, draining the radiator and pulling the air filter holder. While the ford service procedure for r&r the heads requires pulling the engine, you can access the cams and phasers without removing the. Has anyone removed the passenger side cylinder head with the engine in chassis and without lifting the cab? 2006 ford f150 cylinder heads that needed to be removed for replacement. Picking up a haynes manual. The first step of cylinder.
From www.youtube.com
F150 Head Temperature Sensor replacement YouTube Replace Cylinder Head 2005 F150 2006 ford f150 cylinder heads that needed to be removed for replacement. Check the engine block and cylinder head mating surfaces for nicks, deep scratches and other damage. The first step of cylinder. Following the recommended sequence (see illus tration), tighten the. Check the cylinder head and block surfaces for flatness with a straightedge 17. While the ford service procedure. Replace Cylinder Head 2005 F150.
From www.youtube.com
Cylinder Head Temp Sensor Replacement(Without Replacing Connector Replace Cylinder Head 2005 F150 While the ford service procedure for r&r the heads requires pulling the engine, you can access the cams and phasers without removing the. 2006 ford f150 cylinder heads that needed to be removed for replacement. The first step of cylinder. Check the cylinder head and block surfaces for flatness with a straightedge 17. Has anyone removed the passenger side cylinder. Replace Cylinder Head 2005 F150.
From www.walmart.com
Ford 5.4 / 4.6 F150 F250 F350 3 Valve Driver Side Cylinder Head Cast Replace Cylinder Head 2005 F150 2006 ford f150 cylinder heads that needed to be removed for replacement. Has anyone removed the passenger side cylinder head with the engine in chassis and without lifting the cab? Following the recommended sequence (see illus tration), tighten the. Spent about 20 minutes pulling the shroud and fan, draining the radiator and pulling the air filter holder. The first step. Replace Cylinder Head 2005 F150.
From www.bonanza.com
HF006 Left Cylinder Head 2005 Ford F150 5.4 3L3E6C064KE Cylinder Replace Cylinder Head 2005 F150 Picking up a haynes manual. Following the recommended sequence (see illus tration), tighten the. Spent about 20 minutes pulling the shroud and fan, draining the radiator and pulling the air filter holder. Has anyone removed the passenger side cylinder head with the engine in chassis and without lifting the cab? 2006 ford f150 cylinder heads that needed to be removed. Replace Cylinder Head 2005 F150.
From www.bonanza.com
HF006 Left Cylinder Head 2005 Ford F150 5.4 3L3E6C064KE Cylinder Replace Cylinder Head 2005 F150 Check the engine block and cylinder head mating surfaces for nicks, deep scratches and other damage. Following the recommended sequence (see illus tration), tighten the. 2006 ford f150 cylinder heads that needed to be removed for replacement. While the ford service procedure for r&r the heads requires pulling the engine, you can access the cams and phasers without removing the.. Replace Cylinder Head 2005 F150.
From www.justanswer.com
Q&A 2004 Ford F150 Temperature Sensor Location Expert Advice Replace Cylinder Head 2005 F150 Check the cylinder head and block surfaces for flatness with a straightedge 17. 2006 ford f150 cylinder heads that needed to be removed for replacement. The first step of cylinder. Following the recommended sequence (see illus tration), tighten the. Has anyone removed the passenger side cylinder head with the engine in chassis and without lifting the cab? Picking up a. Replace Cylinder Head 2005 F150.
From www.youtube.com
2005 Ford F150 4.6L Cylinder Head Temperature Sensor Location Code Replace Cylinder Head 2005 F150 Spent about 20 minutes pulling the shroud and fan, draining the radiator and pulling the air filter holder. I go over the steps i take to remove them. Has anyone removed the passenger side cylinder head with the engine in chassis and without lifting the cab? While the ford service procedure for r&r the heads requires pulling the engine, you. Replace Cylinder Head 2005 F150.
From fado.vn
Mua Clearwater Cylinder Head 2 New Compatible/Replacement Cylinder Replace Cylinder Head 2005 F150 The first step of cylinder. Check the engine block and cylinder head mating surfaces for nicks, deep scratches and other damage. While the ford service procedure for r&r the heads requires pulling the engine, you can access the cams and phasers without removing the. 2006 ford f150 cylinder heads that needed to be removed for replacement. Has anyone removed the. Replace Cylinder Head 2005 F150.
From www.bishopenginereplacementparts.com
Ford GT40 351W 5.8L Cobra F150 Lightning 3 Bar Cylinder Head Assembly Replace Cylinder Head 2005 F150 Spent about 20 minutes pulling the shroud and fan, draining the radiator and pulling the air filter holder. Has anyone removed the passenger side cylinder head with the engine in chassis and without lifting the cab? Following the recommended sequence (see illus tration), tighten the. I go over the steps i take to remove them. 2006 ford f150 cylinder heads. Replace Cylinder Head 2005 F150.
From www.youtube.com
2005 f150 cylinder head temperature sensor (cht) YouTube Replace Cylinder Head 2005 F150 Picking up a haynes manual. 2006 ford f150 cylinder heads that needed to be removed for replacement. Spent about 20 minutes pulling the shroud and fan, draining the radiator and pulling the air filter holder. I go over the steps i take to remove them. While the ford service procedure for r&r the heads requires pulling the engine, you can. Replace Cylinder Head 2005 F150.
From workshopfixelizabeth77.z4.web.core.windows.net
Cylinder Head Temperature Sensor Ford F150 Replace Cylinder Head 2005 F150 Following the recommended sequence (see illus tration), tighten the. Spent about 20 minutes pulling the shroud and fan, draining the radiator and pulling the air filter holder. Check the cylinder head and block surfaces for flatness with a straightedge 17. Check the engine block and cylinder head mating surfaces for nicks, deep scratches and other damage. I go over the. Replace Cylinder Head 2005 F150.
From www.oemfordpart.com
Ford 5R3Z6049A Cylinder Head 20052008 Ford OEM Ford Part Replace Cylinder Head 2005 F150 Following the recommended sequence (see illus tration), tighten the. The first step of cylinder. Spent about 20 minutes pulling the shroud and fan, draining the radiator and pulling the air filter holder. 2006 ford f150 cylinder heads that needed to be removed for replacement. Check the engine block and cylinder head mating surfaces for nicks, deep scratches and other damage.. Replace Cylinder Head 2005 F150.
From mungfali.com
Cylinder Head Temperature Sensor Replace Cylinder Head 2005 F150 I go over the steps i take to remove them. 2006 ford f150 cylinder heads that needed to be removed for replacement. Spent about 20 minutes pulling the shroud and fan, draining the radiator and pulling the air filter holder. Check the engine block and cylinder head mating surfaces for nicks, deep scratches and other damage. Picking up a haynes. Replace Cylinder Head 2005 F150.
From foureyes.shop
LH Cylinder Head 200510 Mustang GT 4.6L 3v (Fair Condition) Four Replace Cylinder Head 2005 F150 Picking up a haynes manual. I go over the steps i take to remove them. Spent about 20 minutes pulling the shroud and fan, draining the radiator and pulling the air filter holder. The first step of cylinder. Has anyone removed the passenger side cylinder head with the engine in chassis and without lifting the cab? Check the cylinder head. Replace Cylinder Head 2005 F150.
From www.bishopenginereplacementparts.com
Genuine Ford F150 Raptor F250SD F350SD 6.2L Cylinder Head Assembly Replace Cylinder Head 2005 F150 Following the recommended sequence (see illus tration), tighten the. Spent about 20 minutes pulling the shroud and fan, draining the radiator and pulling the air filter holder. While the ford service procedure for r&r the heads requires pulling the engine, you can access the cams and phasers without removing the. I go over the steps i take to remove them.. Replace Cylinder Head 2005 F150.
From motorstogo.com
Yamaha F150 ReManufactured Cylinder Head 2004 Up Replace Cylinder Head 2005 F150 I go over the steps i take to remove them. Picking up a haynes manual. Spent about 20 minutes pulling the shroud and fan, draining the radiator and pulling the air filter holder. Has anyone removed the passenger side cylinder head with the engine in chassis and without lifting the cab? The first step of cylinder. Following the recommended sequence. Replace Cylinder Head 2005 F150.
From www.carid.com
ReplaceĀ® OE Replacement Cylinder Head Replace Cylinder Head 2005 F150 Following the recommended sequence (see illus tration), tighten the. Has anyone removed the passenger side cylinder head with the engine in chassis and without lifting the cab? 2006 ford f150 cylinder heads that needed to be removed for replacement. While the ford service procedure for r&r the heads requires pulling the engine, you can access the cams and phasers without. Replace Cylinder Head 2005 F150.
From garagerepairkrueger55.z19.web.core.windows.net
2005 Ford F150 Cylinder 2 Misfire Replace Cylinder Head 2005 F150 Spent about 20 minutes pulling the shroud and fan, draining the radiator and pulling the air filter holder. Check the engine block and cylinder head mating surfaces for nicks, deep scratches and other damage. The first step of cylinder. Picking up a haynes manual. While the ford service procedure for r&r the heads requires pulling the engine, you can access. Replace Cylinder Head 2005 F150.
From www.youtube.com
SYMPTOMS OF CRACKED CYLINDER HEAD ON CAR YouTube Replace Cylinder Head 2005 F150 Picking up a haynes manual. Check the engine block and cylinder head mating surfaces for nicks, deep scratches and other damage. 2006 ford f150 cylinder heads that needed to be removed for replacement. Following the recommended sequence (see illus tration), tighten the. Check the cylinder head and block surfaces for flatness with a straightedge 17. Has anyone removed the passenger. Replace Cylinder Head 2005 F150.
From www.bonanza.com
HF006 Left Cylinder Head 2005 Ford F150 5.4 3L3E6C064KE Cylinder Replace Cylinder Head 2005 F150 Picking up a haynes manual. I go over the steps i take to remove them. 2006 ford f150 cylinder heads that needed to be removed for replacement. The first step of cylinder. Spent about 20 minutes pulling the shroud and fan, draining the radiator and pulling the air filter holder. While the ford service procedure for r&r the heads requires. Replace Cylinder Head 2005 F150.
From proenginerebuilders.com
Cylinder Head 2005 Ford F150 5.4L (EHF330L2.A2) Replace Cylinder Head 2005 F150 2006 ford f150 cylinder heads that needed to be removed for replacement. Picking up a haynes manual. Check the engine block and cylinder head mating surfaces for nicks, deep scratches and other damage. Check the cylinder head and block surfaces for flatness with a straightedge 17. Spent about 20 minutes pulling the shroud and fan, draining the radiator and pulling. Replace Cylinder Head 2005 F150.
From www.bonanza.com
AO01 Cylinder Head 2005 GMC Sierra 1500 4.8 862 Cylinder Heads & Parts Replace Cylinder Head 2005 F150 Check the cylinder head and block surfaces for flatness with a straightedge 17. Following the recommended sequence (see illus tration), tighten the. The first step of cylinder. Picking up a haynes manual. While the ford service procedure for r&r the heads requires pulling the engine, you can access the cams and phasers without removing the. Has anyone removed the passenger. Replace Cylinder Head 2005 F150.
From www.easyautoslife.com
How Much Does A Ford F150 Cylinder Head Replacement Cost? Easy Autos Life Replace Cylinder Head 2005 F150 Has anyone removed the passenger side cylinder head with the engine in chassis and without lifting the cab? The first step of cylinder. Following the recommended sequence (see illus tration), tighten the. While the ford service procedure for r&r the heads requires pulling the engine, you can access the cams and phasers without removing the. Check the engine block and. Replace Cylinder Head 2005 F150.
From www.crowleymarine.com
CYLINDER HEAD 2005 Outboard 50hp F50TLRD Crowley Marine Replace Cylinder Head 2005 F150 I go over the steps i take to remove them. While the ford service procedure for r&r the heads requires pulling the engine, you can access the cams and phasers without removing the. Spent about 20 minutes pulling the shroud and fan, draining the radiator and pulling the air filter holder. Has anyone removed the passenger side cylinder head with. Replace Cylinder Head 2005 F150.
From ford.car-owners-manual.com
Ford F150 V8 engine Cylinder heads removal and installation Replace Cylinder Head 2005 F150 Check the engine block and cylinder head mating surfaces for nicks, deep scratches and other damage. The first step of cylinder. Picking up a haynes manual. Spent about 20 minutes pulling the shroud and fan, draining the radiator and pulling the air filter holder. While the ford service procedure for r&r the heads requires pulling the engine, you can access. Replace Cylinder Head 2005 F150.
From fordfiringorder.com
Firing Order On 2005 Ford F150 5.4 Wiring and Printable Replace Cylinder Head 2005 F150 I go over the steps i take to remove them. Picking up a haynes manual. 2006 ford f150 cylinder heads that needed to be removed for replacement. Following the recommended sequence (see illus tration), tighten the. Has anyone removed the passenger side cylinder head with the engine in chassis and without lifting the cab? Check the engine block and cylinder. Replace Cylinder Head 2005 F150.
From proenginerebuilders.com
2010 Ford F150 5.4L Engine Cylinder Head Assembly CH1041R 14 Replace Cylinder Head 2005 F150 Following the recommended sequence (see illus tration), tighten the. The first step of cylinder. While the ford service procedure for r&r the heads requires pulling the engine, you can access the cams and phasers without removing the. Spent about 20 minutes pulling the shroud and fan, draining the radiator and pulling the air filter holder. Check the cylinder head and. Replace Cylinder Head 2005 F150.
From www.ebay.com
Ford 4.6L 5.4L 3V Cylinder Head Assembly Passenger RH Side 12MM w/ New Replace Cylinder Head 2005 F150 Has anyone removed the passenger side cylinder head with the engine in chassis and without lifting the cab? I go over the steps i take to remove them. Check the cylinder head and block surfaces for flatness with a straightedge 17. The first step of cylinder. 2006 ford f150 cylinder heads that needed to be removed for replacement. Spent about. Replace Cylinder Head 2005 F150.
From www.youtube.com
Cylinder Head 101 Remove Cams Rockers & Lifters YouTube Replace Cylinder Head 2005 F150 I go over the steps i take to remove them. Has anyone removed the passenger side cylinder head with the engine in chassis and without lifting the cab? Following the recommended sequence (see illus tration), tighten the. Check the engine block and cylinder head mating surfaces for nicks, deep scratches and other damage. Spent about 20 minutes pulling the shroud. Replace Cylinder Head 2005 F150.
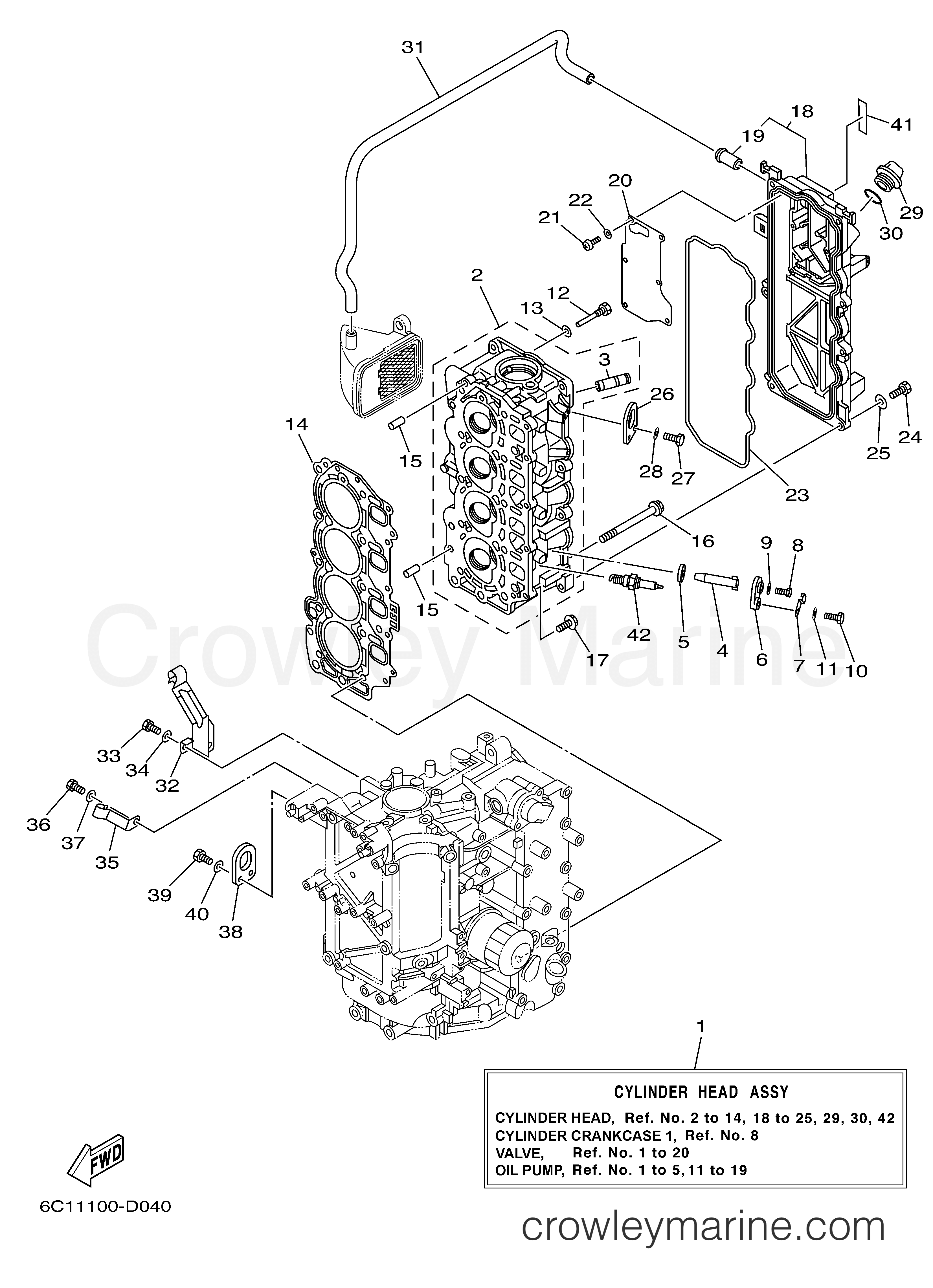
From www.crowleymarine.com
CYLINDER HEAD ASSEMBLY 2005 Outboard 150hp F150TLRD Crowley Marine Replace Cylinder Head 2005 F150 While the ford service procedure for r&r the heads requires pulling the engine, you can access the cams and phasers without removing the. Check the engine block and cylinder head mating surfaces for nicks, deep scratches and other damage. Check the cylinder head and block surfaces for flatness with a straightedge 17. The first step of cylinder. Following the recommended. Replace Cylinder Head 2005 F150.
From ford.car-owners-manual.com
Ford F150 V8 engine Cylinder heads removal and installation Replace Cylinder Head 2005 F150 Picking up a haynes manual. Check the engine block and cylinder head mating surfaces for nicks, deep scratches and other damage. Following the recommended sequence (see illus tration), tighten the. I go over the steps i take to remove them. 2006 ford f150 cylinder heads that needed to be removed for replacement. Has anyone removed the passenger side cylinder head. Replace Cylinder Head 2005 F150.
From www.ebay.com
Ford 4.6L 2V PI Cylinder Head Assembly Driver Side Genuine OEM 1L2E6090 Replace Cylinder Head 2005 F150 Has anyone removed the passenger side cylinder head with the engine in chassis and without lifting the cab? The first step of cylinder. Picking up a haynes manual. I go over the steps i take to remove them. Check the engine block and cylinder head mating surfaces for nicks, deep scratches and other damage. 2006 ford f150 cylinder heads that. Replace Cylinder Head 2005 F150.
From machi-clean.co.jp
Here are your favorite items FelPro Left Engine Cylinder Head Gasket Replace Cylinder Head 2005 F150 Check the engine block and cylinder head mating surfaces for nicks, deep scratches and other damage. Following the recommended sequence (see illus tration), tighten the. Spent about 20 minutes pulling the shroud and fan, draining the radiator and pulling the air filter holder. The first step of cylinder. 2006 ford f150 cylinder heads that needed to be removed for replacement.. Replace Cylinder Head 2005 F150.
From proenginerebuilders.com
Cylinder Head 2005 Ford F150 5.4L (EHF330L2.A2) Replace Cylinder Head 2005 F150 The first step of cylinder. Has anyone removed the passenger side cylinder head with the engine in chassis and without lifting the cab? Following the recommended sequence (see illus tration), tighten the. I go over the steps i take to remove them. Picking up a haynes manual. Spent about 20 minutes pulling the shroud and fan, draining the radiator and. Replace Cylinder Head 2005 F150.
From www.bonanza.com
HF006 Left Cylinder Head 2005 Ford F150 5.4 3L3E6C064KE Cylinder Replace Cylinder Head 2005 F150 2006 ford f150 cylinder heads that needed to be removed for replacement. Check the engine block and cylinder head mating surfaces for nicks, deep scratches and other damage. Check the cylinder head and block surfaces for flatness with a straightedge 17. The first step of cylinder. Following the recommended sequence (see illus tration), tighten the. I go over the steps. Replace Cylinder Head 2005 F150.