Current Transformers Used For Protective Relaying Purposes . The characteristics and classification of current transformers (cts) used for protective relaying are described. The characteristics and classification of current transformers (cts) used for protective relaying are described. Recognizing the need for a comprehensive one source document, the power system relaying committee has produced the. This guide describes the characteristics and classification of current transformers (cts) used for protective relaying. When a transformer is energized, magnetizing inrush current that flows in one set of terminals may equal many times the transformer rating. The characteristics and classification of current transformers (cts) used for protective relaying. • the function of protective relaying is to cause the prompt removal from service of an element of a power system when it suffers a short circuit.
from www.semanticscholar.org
The characteristics and classification of current transformers (cts) used for protective relaying are described. Recognizing the need for a comprehensive one source document, the power system relaying committee has produced the. • the function of protective relaying is to cause the prompt removal from service of an element of a power system when it suffers a short circuit. The characteristics and classification of current transformers (cts) used for protective relaying are described. The characteristics and classification of current transformers (cts) used for protective relaying. When a transformer is energized, magnetizing inrush current that flows in one set of terminals may equal many times the transformer rating. This guide describes the characteristics and classification of current transformers (cts) used for protective relaying.
Figure 1 from Comparative Performance Characteristics of Current
Current Transformers Used For Protective Relaying Purposes The characteristics and classification of current transformers (cts) used for protective relaying are described. The characteristics and classification of current transformers (cts) used for protective relaying are described. Recognizing the need for a comprehensive one source document, the power system relaying committee has produced the. This guide describes the characteristics and classification of current transformers (cts) used for protective relaying. The characteristics and classification of current transformers (cts) used for protective relaying. • the function of protective relaying is to cause the prompt removal from service of an element of a power system when it suffers a short circuit. When a transformer is energized, magnetizing inrush current that flows in one set of terminals may equal many times the transformer rating. The characteristics and classification of current transformers (cts) used for protective relaying are described.
From www.semanticscholar.org
Figure 1 from Application of Rogowski Coils used for Protective Current Transformers Used For Protective Relaying Purposes • the function of protective relaying is to cause the prompt removal from service of an element of a power system when it suffers a short circuit. The characteristics and classification of current transformers (cts) used for protective relaying are described. When a transformer is energized, magnetizing inrush current that flows in one set of terminals may equal many times. Current Transformers Used For Protective Relaying Purposes.
From www.semanticscholar.org
Figure 1 from Application of Rogowski Coils used for Protective Current Transformers Used For Protective Relaying Purposes The characteristics and classification of current transformers (cts) used for protective relaying are described. This guide describes the characteristics and classification of current transformers (cts) used for protective relaying. The characteristics and classification of current transformers (cts) used for protective relaying are described. The characteristics and classification of current transformers (cts) used for protective relaying. Recognizing the need for a. Current Transformers Used For Protective Relaying Purposes.
From electrical-engineering-portal.com
Power transformer protection relaying (overcurrent, restricted earth Current Transformers Used For Protective Relaying Purposes This guide describes the characteristics and classification of current transformers (cts) used for protective relaying. When a transformer is energized, magnetizing inrush current that flows in one set of terminals may equal many times the transformer rating. The characteristics and classification of current transformers (cts) used for protective relaying are described. • the function of protective relaying is to cause. Current Transformers Used For Protective Relaying Purposes.
From vdocuments.mx
Relaying Current Transformer Analyser · Relaying Current Current Transformers Used For Protective Relaying Purposes Recognizing the need for a comprehensive one source document, the power system relaying committee has produced the. The characteristics and classification of current transformers (cts) used for protective relaying. This guide describes the characteristics and classification of current transformers (cts) used for protective relaying. • the function of protective relaying is to cause the prompt removal from service of an. Current Transformers Used For Protective Relaying Purposes.
From www.researchgate.net
(PDF) Phase angle regulating transformer protection using digital relays Current Transformers Used For Protective Relaying Purposes The characteristics and classification of current transformers (cts) used for protective relaying are described. The characteristics and classification of current transformers (cts) used for protective relaying are described. Recognizing the need for a comprehensive one source document, the power system relaying committee has produced the. This guide describes the characteristics and classification of current transformers (cts) used for protective relaying.. Current Transformers Used For Protective Relaying Purposes.
From www.semanticscholar.org
Figure 1 from Comparative Performance Characteristics of Current Current Transformers Used For Protective Relaying Purposes The characteristics and classification of current transformers (cts) used for protective relaying are described. The characteristics and classification of current transformers (cts) used for protective relaying are described. • the function of protective relaying is to cause the prompt removal from service of an element of a power system when it suffers a short circuit. When a transformer is energized,. Current Transformers Used For Protective Relaying Purposes.
From www.semanticscholar.org
Figure 5 from Comparative Performance Characteristics of Current Current Transformers Used For Protective Relaying Purposes Recognizing the need for a comprehensive one source document, the power system relaying committee has produced the. The characteristics and classification of current transformers (cts) used for protective relaying. • the function of protective relaying is to cause the prompt removal from service of an element of a power system when it suffers a short circuit. The characteristics and classification. Current Transformers Used For Protective Relaying Purposes.
From pdfcoffee.com
IEEE Guide for the Application of Current Transformers Used for Current Transformers Used For Protective Relaying Purposes The characteristics and classification of current transformers (cts) used for protective relaying are described. This guide describes the characteristics and classification of current transformers (cts) used for protective relaying. The characteristics and classification of current transformers (cts) used for protective relaying. Recognizing the need for a comprehensive one source document, the power system relaying committee has produced the. When a. Current Transformers Used For Protective Relaying Purposes.
From studylib.net
01.4TB.062 Choosing Current Transformers for Relaying Use Current Transformers Used For Protective Relaying Purposes The characteristics and classification of current transformers (cts) used for protective relaying are described. When a transformer is energized, magnetizing inrush current that flows in one set of terminals may equal many times the transformer rating. The characteristics and classification of current transformers (cts) used for protective relaying are described. • the function of protective relaying is to cause the. Current Transformers Used For Protective Relaying Purposes.
From www.engineersgarage.com
What’s a protective relay and what does it protect? Current Transformers Used For Protective Relaying Purposes Recognizing the need for a comprehensive one source document, the power system relaying committee has produced the. The characteristics and classification of current transformers (cts) used for protective relaying are described. The characteristics and classification of current transformers (cts) used for protective relaying. This guide describes the characteristics and classification of current transformers (cts) used for protective relaying. • the. Current Transformers Used For Protective Relaying Purposes.
From www.instrument-currenttransformer.com
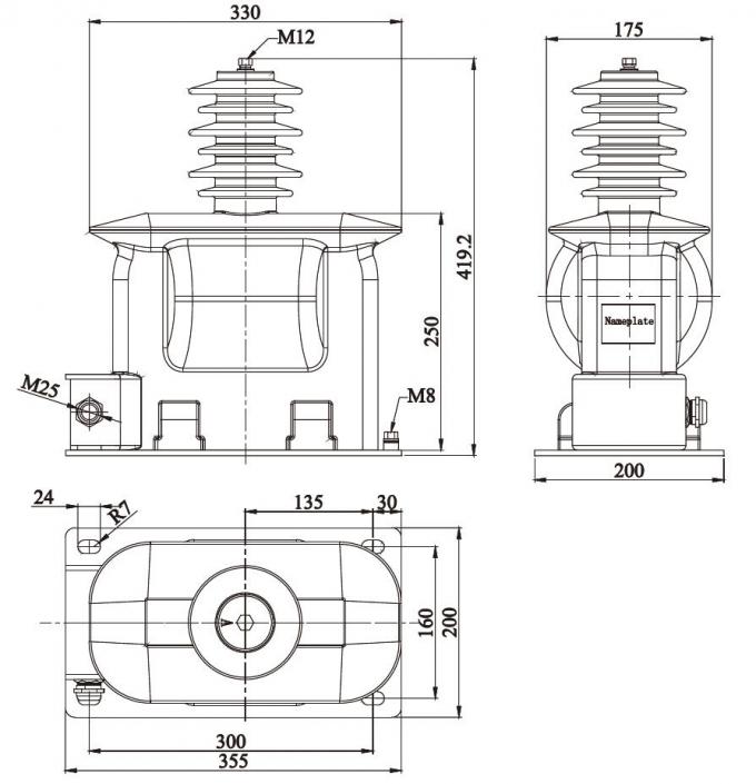
Protective Relaying Medium Single Phase Current Transformer JDZXW517.5 Current Transformers Used For Protective Relaying Purposes Recognizing the need for a comprehensive one source document, the power system relaying committee has produced the. The characteristics and classification of current transformers (cts) used for protective relaying are described. • the function of protective relaying is to cause the prompt removal from service of an element of a power system when it suffers a short circuit. When a. Current Transformers Used For Protective Relaying Purposes.
From www.electricalaxis.com
Types and Classes of Current Transformer Used in Protective Relaying Current Transformers Used For Protective Relaying Purposes When a transformer is energized, magnetizing inrush current that flows in one set of terminals may equal many times the transformer rating. The characteristics and classification of current transformers (cts) used for protective relaying. • the function of protective relaying is to cause the prompt removal from service of an element of a power system when it suffers a short. Current Transformers Used For Protective Relaying Purposes.
From ieeexplore.ieee.org
PC37.110/D911Oct 07 IEEE Guide for the Application of Current Current Transformers Used For Protective Relaying Purposes This guide describes the characteristics and classification of current transformers (cts) used for protective relaying. • the function of protective relaying is to cause the prompt removal from service of an element of a power system when it suffers a short circuit. Recognizing the need for a comprehensive one source document, the power system relaying committee has produced the. The. Current Transformers Used For Protective Relaying Purposes.
From electrical-engineering-portal.com
13 terms concerning relaying, measurements, and breakers used by Current Transformers Used For Protective Relaying Purposes The characteristics and classification of current transformers (cts) used for protective relaying are described. Recognizing the need for a comprehensive one source document, the power system relaying committee has produced the. The characteristics and classification of current transformers (cts) used for protective relaying. When a transformer is energized, magnetizing inrush current that flows in one set of terminals may equal. Current Transformers Used For Protective Relaying Purposes.
From electricalacademia.com
Protective Relaying Principles and Applications Electrical Academia Current Transformers Used For Protective Relaying Purposes The characteristics and classification of current transformers (cts) used for protective relaying are described. This guide describes the characteristics and classification of current transformers (cts) used for protective relaying. When a transformer is energized, magnetizing inrush current that flows in one set of terminals may equal many times the transformer rating. Recognizing the need for a comprehensive one source document,. Current Transformers Used For Protective Relaying Purposes.
From dokumen.tips
(PDF) Relaying Current Transformer Application Guide DOKUMEN.TIPS Current Transformers Used For Protective Relaying Purposes This guide describes the characteristics and classification of current transformers (cts) used for protective relaying. • the function of protective relaying is to cause the prompt removal from service of an element of a power system when it suffers a short circuit. The characteristics and classification of current transformers (cts) used for protective relaying. When a transformer is energized, magnetizing. Current Transformers Used For Protective Relaying Purposes.
From www.semanticscholar.org
Figure 4 from Comparative Performance Characteristics of Current Current Transformers Used For Protective Relaying Purposes • the function of protective relaying is to cause the prompt removal from service of an element of a power system when it suffers a short circuit. The characteristics and classification of current transformers (cts) used for protective relaying. The characteristics and classification of current transformers (cts) used for protective relaying are described. This guide describes the characteristics and classification. Current Transformers Used For Protective Relaying Purposes.
From www.eaton.com
Protective relays and predictive devices Eaton Current Transformers Used For Protective Relaying Purposes This guide describes the characteristics and classification of current transformers (cts) used for protective relaying. The characteristics and classification of current transformers (cts) used for protective relaying are described. When a transformer is energized, magnetizing inrush current that flows in one set of terminals may equal many times the transformer rating. The characteristics and classification of current transformers (cts) used. Current Transformers Used For Protective Relaying Purposes.
From electrical-engineering-portal.com
Power transformer protection relaying (overcurrent, restricted earth Current Transformers Used For Protective Relaying Purposes The characteristics and classification of current transformers (cts) used for protective relaying are described. When a transformer is energized, magnetizing inrush current that flows in one set of terminals may equal many times the transformer rating. Recognizing the need for a comprehensive one source document, the power system relaying committee has produced the. • the function of protective relaying is. Current Transformers Used For Protective Relaying Purposes.
From electrical-engineering-portal.com
Connection schematics of voltage transformers for protective Current Transformers Used For Protective Relaying Purposes • the function of protective relaying is to cause the prompt removal from service of an element of a power system when it suffers a short circuit. The characteristics and classification of current transformers (cts) used for protective relaying are described. The characteristics and classification of current transformers (cts) used for protective relaying. This guide describes the characteristics and classification. Current Transformers Used For Protective Relaying Purposes.
From www.studocu.com
Protective Relaying Current Transformers Electrical Systems And Current Transformers Used For Protective Relaying Purposes The characteristics and classification of current transformers (cts) used for protective relaying. When a transformer is energized, magnetizing inrush current that flows in one set of terminals may equal many times the transformer rating. Recognizing the need for a comprehensive one source document, the power system relaying committee has produced the. This guide describes the characteristics and classification of current. Current Transformers Used For Protective Relaying Purposes.
From electrical-engineering-portal.com
Learn how to interpret transformer nameplate information EEP Current Transformers Used For Protective Relaying Purposes The characteristics and classification of current transformers (cts) used for protective relaying are described. • the function of protective relaying is to cause the prompt removal from service of an element of a power system when it suffers a short circuit. Recognizing the need for a comprehensive one source document, the power system relaying committee has produced the. When a. Current Transformers Used For Protective Relaying Purposes.
From www.semanticscholar.org
Figure 1 from Comparative Performance Characteristics of Current Current Transformers Used For Protective Relaying Purposes When a transformer is energized, magnetizing inrush current that flows in one set of terminals may equal many times the transformer rating. Recognizing the need for a comprehensive one source document, the power system relaying committee has produced the. The characteristics and classification of current transformers (cts) used for protective relaying are described. This guide describes the characteristics and classification. Current Transformers Used For Protective Relaying Purposes.
From electrical-engineering-portal.com
Why and where Rogowski Coil current sensors are favorable when compared Current Transformers Used For Protective Relaying Purposes The characteristics and classification of current transformers (cts) used for protective relaying. The characteristics and classification of current transformers (cts) used for protective relaying are described. This guide describes the characteristics and classification of current transformers (cts) used for protective relaying. When a transformer is energized, magnetizing inrush current that flows in one set of terminals may equal many times. Current Transformers Used For Protective Relaying Purposes.
From electrical-engineering-portal.com
8 typical transformer protection schemes with correctly selected relays Current Transformers Used For Protective Relaying Purposes The characteristics and classification of current transformers (cts) used for protective relaying are described. • the function of protective relaying is to cause the prompt removal from service of an element of a power system when it suffers a short circuit. When a transformer is energized, magnetizing inrush current that flows in one set of terminals may equal many times. Current Transformers Used For Protective Relaying Purposes.
From electricalacademia.com
Protective Relaying Principles and Applications Electrical Academia Current Transformers Used For Protective Relaying Purposes The characteristics and classification of current transformers (cts) used for protective relaying are described. • the function of protective relaying is to cause the prompt removal from service of an element of a power system when it suffers a short circuit. Recognizing the need for a comprehensive one source document, the power system relaying committee has produced the. The characteristics. Current Transformers Used For Protective Relaying Purposes.
From blog.balyan.ir
راهنمای IEEE برای استفاده از ترانسفورماتورهای جریان مورد استفاده برای Current Transformers Used For Protective Relaying Purposes • the function of protective relaying is to cause the prompt removal from service of an element of a power system when it suffers a short circuit. Recognizing the need for a comprehensive one source document, the power system relaying committee has produced the. The characteristics and classification of current transformers (cts) used for protective relaying are described. When a. Current Transformers Used For Protective Relaying Purposes.
From studylib.net
Relaying Current Transformer Application Current Transformers Used For Protective Relaying Purposes When a transformer is energized, magnetizing inrush current that flows in one set of terminals may equal many times the transformer rating. Recognizing the need for a comprehensive one source document, the power system relaying committee has produced the. The characteristics and classification of current transformers (cts) used for protective relaying are described. This guide describes the characteristics and classification. Current Transformers Used For Protective Relaying Purposes.
From studyelectrical.com
What are Protective Relays? Types and Working Current Transformers Used For Protective Relaying Purposes This guide describes the characteristics and classification of current transformers (cts) used for protective relaying. When a transformer is energized, magnetizing inrush current that flows in one set of terminals may equal many times the transformer rating. The characteristics and classification of current transformers (cts) used for protective relaying are described. Recognizing the need for a comprehensive one source document,. Current Transformers Used For Protective Relaying Purposes.
From 123docz.net
Giáo trình bảo vệ rơ le Current Transformers Used For Protective Relaying Purposes Recognizing the need for a comprehensive one source document, the power system relaying committee has produced the. • the function of protective relaying is to cause the prompt removal from service of an element of a power system when it suffers a short circuit. The characteristics and classification of current transformers (cts) used for protective relaying are described. When a. Current Transformers Used For Protective Relaying Purposes.
From www.semanticscholar.org
Figure 1 from Application of Rogowski Coils used for Protective Current Transformers Used For Protective Relaying Purposes • the function of protective relaying is to cause the prompt removal from service of an element of a power system when it suffers a short circuit. Recognizing the need for a comprehensive one source document, the power system relaying committee has produced the. The characteristics and classification of current transformers (cts) used for protective relaying are described. The characteristics. Current Transformers Used For Protective Relaying Purposes.
From slideplayer.com
This webinar brought to you by the Relion® product family ppt download Current Transformers Used For Protective Relaying Purposes The characteristics and classification of current transformers (cts) used for protective relaying. • the function of protective relaying is to cause the prompt removal from service of an element of a power system when it suffers a short circuit. The characteristics and classification of current transformers (cts) used for protective relaying are described. This guide describes the characteristics and classification. Current Transformers Used For Protective Relaying Purposes.
From www.instrument-currenttransformer.com
Protective Relaying Medium Single Phase Current Transformer JDZXW517.5 Current Transformers Used For Protective Relaying Purposes The characteristics and classification of current transformers (cts) used for protective relaying are described. The characteristics and classification of current transformers (cts) used for protective relaying are described. Recognizing the need for a comprehensive one source document, the power system relaying committee has produced the. The characteristics and classification of current transformers (cts) used for protective relaying. • the function. Current Transformers Used For Protective Relaying Purposes.
From electrical-engineering-portal.com
Power transformer protection relaying (overcurrent, restricted earth Current Transformers Used For Protective Relaying Purposes This guide describes the characteristics and classification of current transformers (cts) used for protective relaying. The characteristics and classification of current transformers (cts) used for protective relaying are described. • the function of protective relaying is to cause the prompt removal from service of an element of a power system when it suffers a short circuit. Recognizing the need for. Current Transformers Used For Protective Relaying Purposes.
From www.stdlink.com
IEEE C37.1102007 Standard PDF STANDARD PDF SITE Current Transformers Used For Protective Relaying Purposes When a transformer is energized, magnetizing inrush current that flows in one set of terminals may equal many times the transformer rating. This guide describes the characteristics and classification of current transformers (cts) used for protective relaying. The characteristics and classification of current transformers (cts) used for protective relaying are described. • the function of protective relaying is to cause. Current Transformers Used For Protective Relaying Purposes.