Swivel Caster Measurements . They consist of a housing and a caster wheel. It is crucial to measure the swivel radius if you are using your caster to carry heavy loads. This measurement enables you to ensure you have enough clearance for the complete. To measure a caster's swivel radius, you simply measure from the center of the kingpin to the. Determining the right size casters for your application involves considering factors such as load capacity, wheel diameter, floor conditions,. Learn how to measure the top plate, bolt holes, wheel size, swivel radius and assembly height of your cart or rack to find the right. Using the right swivel radius improves the ergonomics and safety of a caster by reducing the required. Swivel castors and wheels can swivel 360 degrees about the vertical axis (see figure below).
from professionalwheels.com
It is crucial to measure the swivel radius if you are using your caster to carry heavy loads. This measurement enables you to ensure you have enough clearance for the complete. To measure a caster's swivel radius, you simply measure from the center of the kingpin to the. Determining the right size casters for your application involves considering factors such as load capacity, wheel diameter, floor conditions,. Using the right swivel radius improves the ergonomics and safety of a caster by reducing the required. Learn how to measure the top plate, bolt holes, wheel size, swivel radius and assembly height of your cart or rack to find the right. Swivel castors and wheels can swivel 360 degrees about the vertical axis (see figure below). They consist of a housing and a caster wheel.
Swivel Stainless Steel Caster White Polypropylene wheel Professional
Swivel Caster Measurements It is crucial to measure the swivel radius if you are using your caster to carry heavy loads. This measurement enables you to ensure you have enough clearance for the complete. They consist of a housing and a caster wheel. Using the right swivel radius improves the ergonomics and safety of a caster by reducing the required. To measure a caster's swivel radius, you simply measure from the center of the kingpin to the. Determining the right size casters for your application involves considering factors such as load capacity, wheel diameter, floor conditions,. It is crucial to measure the swivel radius if you are using your caster to carry heavy loads. Swivel castors and wheels can swivel 360 degrees about the vertical axis (see figure below). Learn how to measure the top plate, bolt holes, wheel size, swivel radius and assembly height of your cart or rack to find the right.
From stealtho.store
How to Measure Caster Wheels and Stem Size STEALTHO® Swivel Caster Measurements To measure a caster's swivel radius, you simply measure from the center of the kingpin to the. Determining the right size casters for your application involves considering factors such as load capacity, wheel diameter, floor conditions,. They consist of a housing and a caster wheel. It is crucial to measure the swivel radius if you are using your caster to. Swivel Caster Measurements.
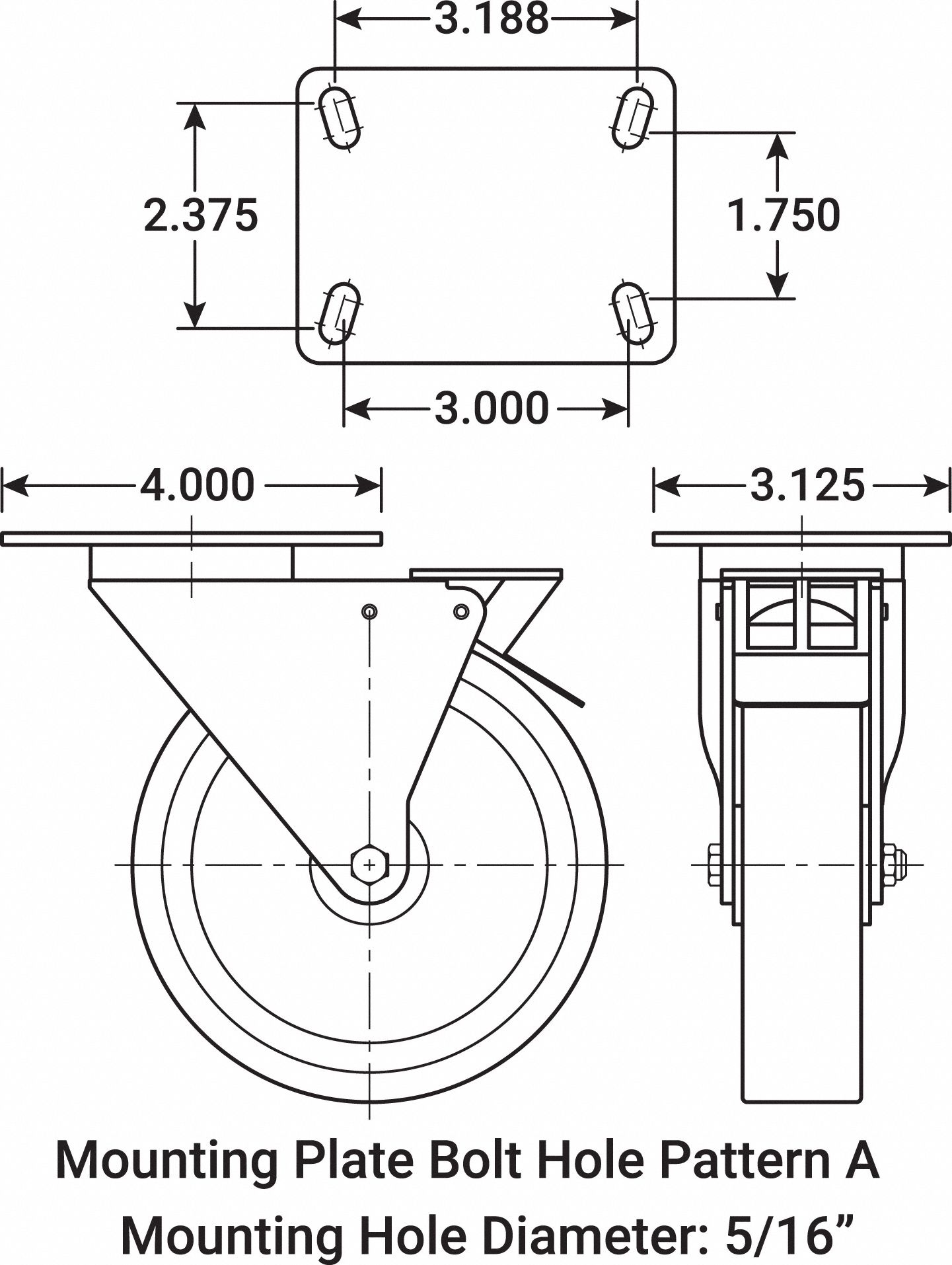
From professionalwheels.com
Swivel Stainless Steel Caster White Polypropylene wheel Professional Swivel Caster Measurements It is crucial to measure the swivel radius if you are using your caster to carry heavy loads. Learn how to measure the top plate, bolt holes, wheel size, swivel radius and assembly height of your cart or rack to find the right. Using the right swivel radius improves the ergonomics and safety of a caster by reducing the required.. Swivel Caster Measurements.
From grabcad.com
3 Inch Swivel Castor Wheel 3D CAD Model Library GrabCAD Swivel Caster Measurements To measure a caster's swivel radius, you simply measure from the center of the kingpin to the. It is crucial to measure the swivel radius if you are using your caster to carry heavy loads. This measurement enables you to ensure you have enough clearance for the complete. Using the right swivel radius improves the ergonomics and safety of a. Swivel Caster Measurements.
From www.electriduct.com
2” Heavy Duty Swivel Plate Black Casters Polyurethane Wheels Swivel Caster Measurements It is crucial to measure the swivel radius if you are using your caster to carry heavy loads. Swivel castors and wheels can swivel 360 degrees about the vertical axis (see figure below). Determining the right size casters for your application involves considering factors such as load capacity, wheel diameter, floor conditions,. Using the right swivel radius improves the ergonomics. Swivel Caster Measurements.
From www.directindustry.com
Swivel caster RH series ROSS HANDLING LTD rod / adjustableheight Swivel Caster Measurements To measure a caster's swivel radius, you simply measure from the center of the kingpin to the. Learn how to measure the top plate, bolt holes, wheel size, swivel radius and assembly height of your cart or rack to find the right. They consist of a housing and a caster wheel. It is crucial to measure the swivel radius if. Swivel Caster Measurements.
From www.diyroadcasesstore.com
Casters Swivel Casters DIY Road Cases Store Swivel Caster Measurements Using the right swivel radius improves the ergonomics and safety of a caster by reducing the required. They consist of a housing and a caster wheel. This measurement enables you to ensure you have enough clearance for the complete. It is crucial to measure the swivel radius if you are using your caster to carry heavy loads. To measure a. Swivel Caster Measurements.
From www.grainger.com
Types of Casters & Wheel Guide Swivel Caster Measurements It is crucial to measure the swivel radius if you are using your caster to carry heavy loads. They consist of a housing and a caster wheel. To measure a caster's swivel radius, you simply measure from the center of the kingpin to the. Swivel castors and wheels can swivel 360 degrees about the vertical axis (see figure below). Learn. Swivel Caster Measurements.
From www.grainger.com
GRAINGER APPROVED Standard Plate Caster, Swivel, Nylon, 330 lb, 5 in Swivel Caster Measurements Learn how to measure the top plate, bolt holes, wheel size, swivel radius and assembly height of your cart or rack to find the right. To measure a caster's swivel radius, you simply measure from the center of the kingpin to the. Using the right swivel radius improves the ergonomics and safety of a caster by reducing the required. It. Swivel Caster Measurements.
From a2asystems.ca
Swivel caster 158 (6 1/4") Casters A2A Systems Swivel Caster Measurements They consist of a housing and a caster wheel. This measurement enables you to ensure you have enough clearance for the complete. It is crucial to measure the swivel radius if you are using your caster to carry heavy loads. Learn how to measure the top plate, bolt holes, wheel size, swivel radius and assembly height of your cart or. Swivel Caster Measurements.
From castercentral.com
5" Swivel Caster Caster Central Swivel Caster Measurements Determining the right size casters for your application involves considering factors such as load capacity, wheel diameter, floor conditions,. Swivel castors and wheels can swivel 360 degrees about the vertical axis (see figure below). They consist of a housing and a caster wheel. Using the right swivel radius improves the ergonomics and safety of a caster by reducing the required.. Swivel Caster Measurements.
From thecasterguy.com
6" Phenolic Swivel Caster The Caster Guy Swivel Caster Measurements To measure a caster's swivel radius, you simply measure from the center of the kingpin to the. Learn how to measure the top plate, bolt holes, wheel size, swivel radius and assembly height of your cart or rack to find the right. They consist of a housing and a caster wheel. Using the right swivel radius improves the ergonomics and. Swivel Caster Measurements.
From rhbrownonline.com
Swivel Caster (411083) RH Brown Swivel Caster Measurements This measurement enables you to ensure you have enough clearance for the complete. Determining the right size casters for your application involves considering factors such as load capacity, wheel diameter, floor conditions,. Learn how to measure the top plate, bolt holes, wheel size, swivel radius and assembly height of your cart or rack to find the right. Using the right. Swivel Caster Measurements.
From www.directindustry.com
Swivel caster JA series ROSS HANDLING LTD rod / adjustableheight Swivel Caster Measurements Learn how to measure the top plate, bolt holes, wheel size, swivel radius and assembly height of your cart or rack to find the right. This measurement enables you to ensure you have enough clearance for the complete. They consist of a housing and a caster wheel. Using the right swivel radius improves the ergonomics and safety of a caster. Swivel Caster Measurements.
From www.ytcaster.com
12 Inch Steel Caster Wheels, Heavy Duty Iron Swivel Caster YTCASTER Swivel Caster Measurements Learn how to measure the top plate, bolt holes, wheel size, swivel radius and assembly height of your cart or rack to find the right. Swivel castors and wheels can swivel 360 degrees about the vertical axis (see figure below). Using the right swivel radius improves the ergonomics and safety of a caster by reducing the required. It is crucial. Swivel Caster Measurements.
From www.bulldogcastors.co.uk
5 Step Guide to Castor Wheel Installation Bulldog Castors Blog Swivel Caster Measurements Using the right swivel radius improves the ergonomics and safety of a caster by reducing the required. Swivel castors and wheels can swivel 360 degrees about the vertical axis (see figure below). To measure a caster's swivel radius, you simply measure from the center of the kingpin to the. They consist of a housing and a caster wheel. Learn how. Swivel Caster Measurements.
From www.grainger.com
Types of Casters & Wheel Guide Swivel Caster Measurements It is crucial to measure the swivel radius if you are using your caster to carry heavy loads. They consist of a housing and a caster wheel. Using the right swivel radius improves the ergonomics and safety of a caster by reducing the required. Learn how to measure the top plate, bolt holes, wheel size, swivel radius and assembly height. Swivel Caster Measurements.
From www.closet-masters.com
Modern Swivel Caster (each) Harbor City Supply Swivel Caster Measurements Swivel castors and wheels can swivel 360 degrees about the vertical axis (see figure below). It is crucial to measure the swivel radius if you are using your caster to carry heavy loads. They consist of a housing and a caster wheel. Learn how to measure the top plate, bolt holes, wheel size, swivel radius and assembly height of your. Swivel Caster Measurements.
From www.ytcaster.com
Orange PP PVC 3 Inch Swivel Caster Wheels YTCASTER Swivel Caster Measurements To measure a caster's swivel radius, you simply measure from the center of the kingpin to the. Swivel castors and wheels can swivel 360 degrees about the vertical axis (see figure below). They consist of a housing and a caster wheel. Using the right swivel radius improves the ergonomics and safety of a caster by reducing the required. Learn how. Swivel Caster Measurements.
From rhbrownonline.com
Swivel Caster (411083) RH Brown Swivel Caster Measurements To measure a caster's swivel radius, you simply measure from the center of the kingpin to the. It is crucial to measure the swivel radius if you are using your caster to carry heavy loads. This measurement enables you to ensure you have enough clearance for the complete. Swivel castors and wheels can swivel 360 degrees about the vertical axis. Swivel Caster Measurements.
From martinsindustries.com
Swivel caster (x2) spare parts SP0135 Martins Industries Swivel Caster Measurements Swivel castors and wheels can swivel 360 degrees about the vertical axis (see figure below). Learn how to measure the top plate, bolt holes, wheel size, swivel radius and assembly height of your cart or rack to find the right. They consist of a housing and a caster wheel. It is crucial to measure the swivel radius if you are. Swivel Caster Measurements.
From www.directindustry.com
Swivel caster / rod / adjustableheight / rubber JA6 series ROSS Swivel Caster Measurements Using the right swivel radius improves the ergonomics and safety of a caster by reducing the required. Swivel castors and wheels can swivel 360 degrees about the vertical axis (see figure below). To measure a caster's swivel radius, you simply measure from the center of the kingpin to the. Determining the right size casters for your application involves considering factors. Swivel Caster Measurements.
From www.ytcaster.com
8 Inch Swivel Caster Wheels Red Caster Wheels YTCASTER Swivel Caster Measurements Swivel castors and wheels can swivel 360 degrees about the vertical axis (see figure below). It is crucial to measure the swivel radius if you are using your caster to carry heavy loads. Determining the right size casters for your application involves considering factors such as load capacity, wheel diameter, floor conditions,. To measure a caster's swivel radius, you simply. Swivel Caster Measurements.
From www.diyroadcasesstore.com
CASTERS Swivel Casters Page 1 DIY Road Cases Store Swivel Caster Measurements They consist of a housing and a caster wheel. Determining the right size casters for your application involves considering factors such as load capacity, wheel diameter, floor conditions,. This measurement enables you to ensure you have enough clearance for the complete. Using the right swivel radius improves the ergonomics and safety of a caster by reducing the required. Learn how. Swivel Caster Measurements.
From www.cartsandparts.com
5" Swivel Caster Complete Carts and Parts Swivel Caster Measurements Swivel castors and wheels can swivel 360 degrees about the vertical axis (see figure below). They consist of a housing and a caster wheel. To measure a caster's swivel radius, you simply measure from the center of the kingpin to the. Using the right swivel radius improves the ergonomics and safety of a caster by reducing the required. This measurement. Swivel Caster Measurements.
From www.directindustry.com
Swivel caster RH series ROSS HANDLING LTD rod / adjustableheight Swivel Caster Measurements Learn how to measure the top plate, bolt holes, wheel size, swivel radius and assembly height of your cart or rack to find the right. They consist of a housing and a caster wheel. To measure a caster's swivel radius, you simply measure from the center of the kingpin to the. This measurement enables you to ensure you have enough. Swivel Caster Measurements.
From www.hod-caster.com
Double Bearing Swivel Caster for Furniture HOD Caster Manufacturing Swivel Caster Measurements Using the right swivel radius improves the ergonomics and safety of a caster by reducing the required. Swivel castors and wheels can swivel 360 degrees about the vertical axis (see figure below). Determining the right size casters for your application involves considering factors such as load capacity, wheel diameter, floor conditions,. To measure a caster's swivel radius, you simply measure. Swivel Caster Measurements.
From www.castercity.com
Metal Pedal Total Locking Stem Caster Model 3A and Stainless Steel Swivel Caster Measurements It is crucial to measure the swivel radius if you are using your caster to carry heavy loads. Swivel castors and wheels can swivel 360 degrees about the vertical axis (see figure below). Learn how to measure the top plate, bolt holes, wheel size, swivel radius and assembly height of your cart or rack to find the right. Using the. Swivel Caster Measurements.
From thecasterguy.com
4" Cast Iron Swivel Caster The Caster Guy Swivel Caster Measurements Swivel castors and wheels can swivel 360 degrees about the vertical axis (see figure below). To measure a caster's swivel radius, you simply measure from the center of the kingpin to the. Using the right swivel radius improves the ergonomics and safety of a caster by reducing the required. This measurement enables you to ensure you have enough clearance for. Swivel Caster Measurements.
From thecasterguy.com
4x11/4 IN Swivel Caster The Caster Guy Swivel Caster Measurements Using the right swivel radius improves the ergonomics and safety of a caster by reducing the required. This measurement enables you to ensure you have enough clearance for the complete. It is crucial to measure the swivel radius if you are using your caster to carry heavy loads. Learn how to measure the top plate, bolt holes, wheel size, swivel. Swivel Caster Measurements.
From www.electriduct.com
2” General Duty Swivel Plate Casters Hard Rubber Wheels Swivel Caster Measurements It is crucial to measure the swivel radius if you are using your caster to carry heavy loads. They consist of a housing and a caster wheel. Determining the right size casters for your application involves considering factors such as load capacity, wheel diameter, floor conditions,. Swivel castors and wheels can swivel 360 degrees about the vertical axis (see figure. Swivel Caster Measurements.
From www.dashicaster.com
Calculating Load Capacity Of Casters DASHICASTER Swivel Caster Measurements Learn how to measure the top plate, bolt holes, wheel size, swivel radius and assembly height of your cart or rack to find the right. Determining the right size casters for your application involves considering factors such as load capacity, wheel diameter, floor conditions,. Using the right swivel radius improves the ergonomics and safety of a caster by reducing the. Swivel Caster Measurements.
From www.tablelegsonline.com
Swivel Caster F6203 Swivel Caster Measurements Determining the right size casters for your application involves considering factors such as load capacity, wheel diameter, floor conditions,. It is crucial to measure the swivel radius if you are using your caster to carry heavy loads. To measure a caster's swivel radius, you simply measure from the center of the kingpin to the. This measurement enables you to ensure. Swivel Caster Measurements.
From www.castertech.com
Caster Technology. How to Measure Plate Casters Swivel Caster Measurements This measurement enables you to ensure you have enough clearance for the complete. Determining the right size casters for your application involves considering factors such as load capacity, wheel diameter, floor conditions,. It is crucial to measure the swivel radius if you are using your caster to carry heavy loads. Using the right swivel radius improves the ergonomics and safety. Swivel Caster Measurements.
From www.tincci.com
swivel swivel chair parts supplier dimension guide chair parts supplier Swivel Caster Measurements It is crucial to measure the swivel radius if you are using your caster to carry heavy loads. Learn how to measure the top plate, bolt holes, wheel size, swivel radius and assembly height of your cart or rack to find the right. This measurement enables you to ensure you have enough clearance for the complete. Swivel castors and wheels. Swivel Caster Measurements.
From www.ytcaster.com
Heavy Duty Caster Wheels 6, PU 3T Swivel Caster Wheel YTCASTER Swivel Caster Measurements This measurement enables you to ensure you have enough clearance for the complete. It is crucial to measure the swivel radius if you are using your caster to carry heavy loads. Determining the right size casters for your application involves considering factors such as load capacity, wheel diameter, floor conditions,. Swivel castors and wheels can swivel 360 degrees about the. Swivel Caster Measurements.