Labjack U6 Datasheet . For more information see the u6 datasheet. Has a usb type b connector. This datasheet covers all u6 variants: The u6 has 3 different i/o areas: These pages form the complete datasheet, manual, and user's guide for. Convenient connections for 4 analog inputs, both analog outputs, 4 flexible. Learn about the u6 multifunction daq with usb, its specifications, features, and applications. All the analog inputs are available on the db37 connector, and. The labjack u6 is a usb only device that can measure analog signals with instrumentation amplified inputs and software selectable gain. This datasheet covers all u6 variants: This online document covers all u6.
from labjack.com
This datasheet covers all u6 variants: These pages form the complete datasheet, manual, and user's guide for. Has a usb type b connector. This online document covers all u6. Convenient connections for 4 analog inputs, both analog outputs, 4 flexible. This datasheet covers all u6 variants: For more information see the u6 datasheet. The labjack u6 is a usb only device that can measure analog signals with instrumentation amplified inputs and software selectable gain. The u6 has 3 different i/o areas: All the analog inputs are available on the db37 connector, and.
LabJack U6Pro, USB Multifunction Lab Grade Analog & Digital I/O
Labjack U6 Datasheet These pages form the complete datasheet, manual, and user's guide for. These pages form the complete datasheet, manual, and user's guide for. Has a usb type b connector. For more information see the u6 datasheet. This datasheet covers all u6 variants: Learn about the u6 multifunction daq with usb, its specifications, features, and applications. The u6 has 3 different i/o areas: This online document covers all u6. The labjack u6 is a usb only device that can measure analog signals with instrumentation amplified inputs and software selectable gain. Convenient connections for 4 analog inputs, both analog outputs, 4 flexible. All the analog inputs are available on the db37 connector, and. This datasheet covers all u6 variants:
From dutapersada.co.id
LabJack U6 DUTA PERSADA Instruments jual alat survey dan alat ukur berkualitas Labjack U6 Datasheet Has a usb type b connector. All the analog inputs are available on the db37 connector, and. This datasheet covers all u6 variants: These pages form the complete datasheet, manual, and user's guide for. This datasheet covers all u6 variants: This online document covers all u6. Convenient connections for 4 analog inputs, both analog outputs, 4 flexible. The u6 has. Labjack U6 Datasheet.
From www.tokopedia.com
Jual LabJack LJTickDAC for U3 T7 U6 T4 Kota Bandung DUTA PERSADA Instruments Tokopedia Labjack U6 Datasheet Has a usb type b connector. For more information see the u6 datasheet. This datasheet covers all u6 variants: This online document covers all u6. Learn about the u6 multifunction daq with usb, its specifications, features, and applications. This datasheet covers all u6 variants: All the analog inputs are available on the db37 connector, and. The u6 has 3 different. Labjack U6 Datasheet.
From labjack.com
LabJack U6Pro, USB Multifunction Lab Grade Analog & Digital I/O Labjack U6 Datasheet Learn about the u6 multifunction daq with usb, its specifications, features, and applications. This datasheet covers all u6 variants: The u6 has 3 different i/o areas: This online document covers all u6. Convenient connections for 4 analog inputs, both analog outputs, 4 flexible. All the analog inputs are available on the db37 connector, and. For more information see the u6. Labjack U6 Datasheet.
From shopee.co.id
Jual alat LabJack U6Pro Multifunction USB Data Acquisition DAQ Shopee Indonesia Labjack U6 Datasheet This online document covers all u6. All the analog inputs are available on the db37 connector, and. The labjack u6 is a usb only device that can measure analog signals with instrumentation amplified inputs and software selectable gain. For more information see the u6 datasheet. This datasheet covers all u6 variants: Has a usb type b connector. The u6 has. Labjack U6 Datasheet.
From www.digikey.com
U6PRO Labjack Corporation Industrial Automation and Controls DigiKey Marketplace Labjack U6 Datasheet Has a usb type b connector. This online document covers all u6. This datasheet covers all u6 variants: All the analog inputs are available on the db37 connector, and. Learn about the u6 multifunction daq with usb, its specifications, features, and applications. The u6 has 3 different i/o areas: This datasheet covers all u6 variants: For more information see the. Labjack U6 Datasheet.
From support.labjack.com
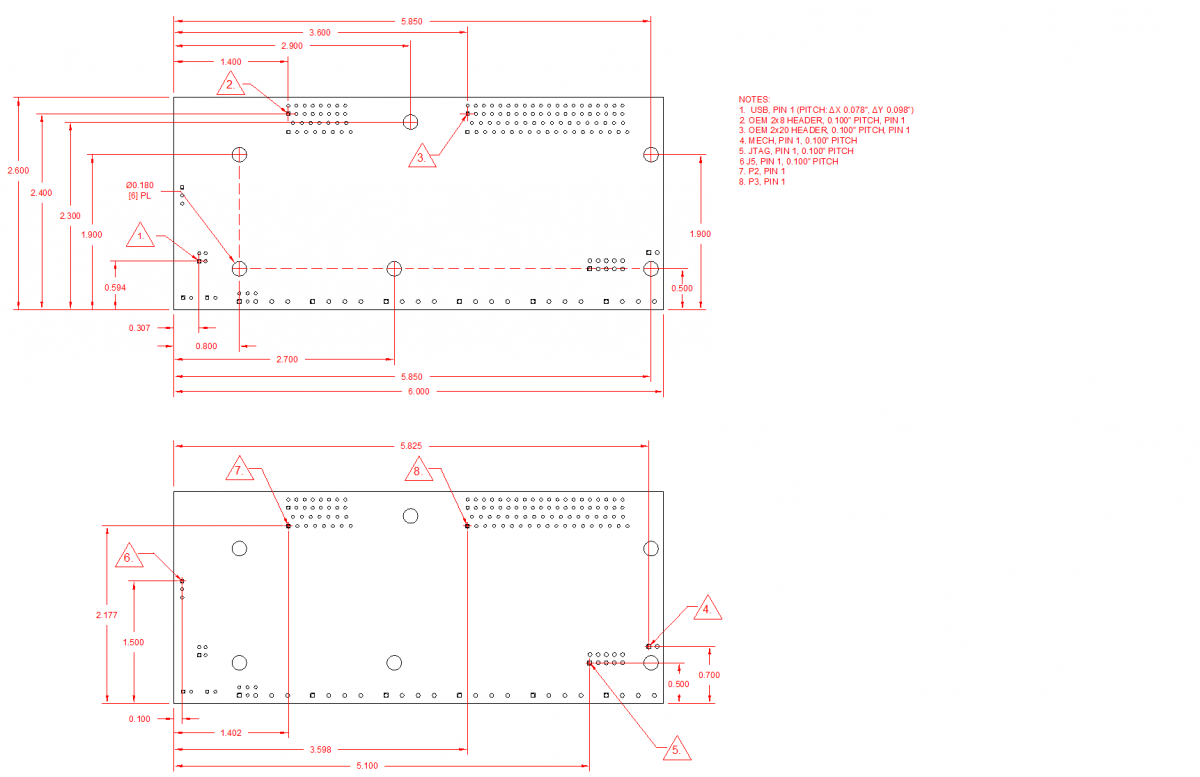
Appendix C Enclosure and PCB Drawings [U6 Datasheet] Labjack U6 Datasheet All the analog inputs are available on the db37 connector, and. Convenient connections for 4 analog inputs, both analog outputs, 4 flexible. The u6 has 3 different i/o areas: This datasheet covers all u6 variants: This online document covers all u6. Learn about the u6 multifunction daq with usb, its specifications, features, and applications. These pages form the complete datasheet,. Labjack U6 Datasheet.
From labjack.com
LabJack U6, USB Multifunction Analog & Digital I/O Data Acquisition Labjack U6 Datasheet This online document covers all u6. This datasheet covers all u6 variants: Learn about the u6 multifunction daq with usb, its specifications, features, and applications. The labjack u6 is a usb only device that can measure analog signals with instrumentation amplified inputs and software selectable gain. This datasheet covers all u6 variants: Has a usb type b connector. Convenient connections. Labjack U6 Datasheet.
From labjack.com
LabJack U6, USB Multifunction Analog & Digital I/O Data Acquisition Labjack U6 Datasheet Convenient connections for 4 analog inputs, both analog outputs, 4 flexible. The labjack u6 is a usb only device that can measure analog signals with instrumentation amplified inputs and software selectable gain. For more information see the u6 datasheet. Learn about the u6 multifunction daq with usb, its specifications, features, and applications. This datasheet covers all u6 variants: All the. Labjack U6 Datasheet.
From www.pimzos.com
LabJack U6 Labjack U6 Datasheet The labjack u6 is a usb only device that can measure analog signals with instrumentation amplified inputs and software selectable gain. Has a usb type b connector. Convenient connections for 4 analog inputs, both analog outputs, 4 flexible. Learn about the u6 multifunction daq with usb, its specifications, features, and applications. This online document covers all u6. All the analog. Labjack U6 Datasheet.
From www.sunss.co.jp
Labjack U6 サンシステムサプライ株式会社 Labjack U6 Datasheet For more information see the u6 datasheet. This online document covers all u6. These pages form the complete datasheet, manual, and user's guide for. Has a usb type b connector. Convenient connections for 4 analog inputs, both analog outputs, 4 flexible. This datasheet covers all u6 variants: Learn about the u6 multifunction daq with usb, its specifications, features, and applications.. Labjack U6 Datasheet.
From www.lextronic.fr
Boitier d'acquisition à connexion USB LabJack U6 Labjack U6 Datasheet The u6 has 3 different i/o areas: This datasheet covers all u6 variants: Learn about the u6 multifunction daq with usb, its specifications, features, and applications. These pages form the complete datasheet, manual, and user's guide for. This online document covers all u6. For more information see the u6 datasheet. All the analog inputs are available on the db37 connector,. Labjack U6 Datasheet.
From labjack.com
LabJack U6, USB Multifunction Analog & Digital I/O Data Acquisition Labjack U6 Datasheet This online document covers all u6. For more information see the u6 datasheet. Learn about the u6 multifunction daq with usb, its specifications, features, and applications. This datasheet covers all u6 variants: Has a usb type b connector. The labjack u6 is a usb only device that can measure analog signals with instrumentation amplified inputs and software selectable gain. All. Labjack U6 Datasheet.
From vdocuments.mx
U6 Datasheet LabJack · The entry for the U6 should appear as in the following figure. If it Labjack U6 Datasheet For more information see the u6 datasheet. These pages form the complete datasheet, manual, and user's guide for. Convenient connections for 4 analog inputs, both analog outputs, 4 flexible. The labjack u6 is a usb only device that can measure analog signals with instrumentation amplified inputs and software selectable gain. The u6 has 3 different i/o areas: This online document. Labjack U6 Datasheet.
From labjack.com
LabJack U6, USB Multifunction Analog & Digital I/O Data Acquisition Labjack U6 Datasheet Has a usb type b connector. This datasheet covers all u6 variants: The u6 has 3 different i/o areas: Learn about the u6 multifunction daq with usb, its specifications, features, and applications. This datasheet covers all u6 variants: The labjack u6 is a usb only device that can measure analog signals with instrumentation amplified inputs and software selectable gain. These. Labjack U6 Datasheet.
From labjack.com
LabJack U6Pro, USB Multifunction Lab Grade Analog & Digital I/O Labjack U6 Datasheet This datasheet covers all u6 variants: The labjack u6 is a usb only device that can measure analog signals with instrumentation amplified inputs and software selectable gain. All the analog inputs are available on the db37 connector, and. Learn about the u6 multifunction daq with usb, its specifications, features, and applications. These pages form the complete datasheet, manual, and user's. Labjack U6 Datasheet.
From support.labjack.com
2.13 OEM Connector Options [U6 Datasheet] Labjack U6 Datasheet The u6 has 3 different i/o areas: Has a usb type b connector. The labjack u6 is a usb only device that can measure analog signals with instrumentation amplified inputs and software selectable gain. All the analog inputs are available on the db37 connector, and. Convenient connections for 4 analog inputs, both analog outputs, 4 flexible. Learn about the u6. Labjack U6 Datasheet.
From www.radwell.co.uk
U6PRO VDC Logic I/O Module by LABJACK Labjack U6 Datasheet Learn about the u6 multifunction daq with usb, its specifications, features, and applications. These pages form the complete datasheet, manual, and user's guide for. This datasheet covers all u6 variants: Convenient connections for 4 analog inputs, both analog outputs, 4 flexible. For more information see the u6 datasheet. Has a usb type b connector. The labjack u6 is a usb. Labjack U6 Datasheet.
From www.controlcomp.com
LabJack U6 Ingenieria C&C Labjack U6 Datasheet These pages form the complete datasheet, manual, and user's guide for. This datasheet covers all u6 variants: Convenient connections for 4 analog inputs, both analog outputs, 4 flexible. The labjack u6 is a usb only device that can measure analog signals with instrumentation amplified inputs and software selectable gain. For more information see the u6 datasheet. All the analog inputs. Labjack U6 Datasheet.
From labjack.com
LabJack U6Pro, USB Multifunction Lab Grade Analog & Digital I/O Labjack U6 Datasheet The u6 has 3 different i/o areas: This datasheet covers all u6 variants: Has a usb type b connector. This online document covers all u6. All the analog inputs are available on the db37 connector, and. For more information see the u6 datasheet. The labjack u6 is a usb only device that can measure analog signals with instrumentation amplified inputs. Labjack U6 Datasheet.
From labjack.com
LabJack U6, USB Multifunction Analog & Digital I/O Data Acquisition Labjack U6 Datasheet This datasheet covers all u6 variants: Convenient connections for 4 analog inputs, both analog outputs, 4 flexible. This online document covers all u6. The labjack u6 is a usb only device that can measure analog signals with instrumentation amplified inputs and software selectable gain. The u6 has 3 different i/o areas: This datasheet covers all u6 variants: All the analog. Labjack U6 Datasheet.
From www.reichelt.at
LABJACK U6 USBMesslabor LabJack U6, 20 I OLeitungen, USB bei reichelt elektronik Labjack U6 Datasheet All the analog inputs are available on the db37 connector, and. Learn about the u6 multifunction daq with usb, its specifications, features, and applications. The u6 has 3 different i/o areas: This datasheet covers all u6 variants: This datasheet covers all u6 variants: The labjack u6 is a usb only device that can measure analog signals with instrumentation amplified inputs. Labjack U6 Datasheet.
From labjack.com
LabJack U6, USB Multifunction Analog & Digital I/O Data Acquisition Labjack U6 Datasheet These pages form the complete datasheet, manual, and user's guide for. The labjack u6 is a usb only device that can measure analog signals with instrumentation amplified inputs and software selectable gain. Learn about the u6 multifunction daq with usb, its specifications, features, and applications. The u6 has 3 different i/o areas: This online document covers all u6. This datasheet. Labjack U6 Datasheet.
From www.meilhaus.de
LabJack U6 (Pro) und ExaLab USB MiniMesslabor, 18bit Labjack U6 Datasheet This online document covers all u6. This datasheet covers all u6 variants: Learn about the u6 multifunction daq with usb, its specifications, features, and applications. This datasheet covers all u6 variants: Has a usb type b connector. The u6 has 3 different i/o areas: Convenient connections for 4 analog inputs, both analog outputs, 4 flexible. These pages form the complete. Labjack U6 Datasheet.
From labjack.com
LabJack U6, USB Multifunction Analog & Digital I/O Data Acquisition Labjack U6 Datasheet For more information see the u6 datasheet. These pages form the complete datasheet, manual, and user's guide for. Has a usb type b connector. All the analog inputs are available on the db37 connector, and. Convenient connections for 4 analog inputs, both analog outputs, 4 flexible. This online document covers all u6. Learn about the u6 multifunction daq with usb,. Labjack U6 Datasheet.
From labjack.com
LabJack U6, USB Multifunction Analog & Digital I/O Data Acquisition Labjack U6 Datasheet The labjack u6 is a usb only device that can measure analog signals with instrumentation amplified inputs and software selectable gain. The u6 has 3 different i/o areas: For more information see the u6 datasheet. Learn about the u6 multifunction daq with usb, its specifications, features, and applications. Has a usb type b connector. These pages form the complete datasheet,. Labjack U6 Datasheet.
From labjack.com
LabJack Product Comparison Labjack U6 Datasheet Has a usb type b connector. Learn about the u6 multifunction daq with usb, its specifications, features, and applications. Convenient connections for 4 analog inputs, both analog outputs, 4 flexible. The u6 has 3 different i/o areas: For more information see the u6 datasheet. These pages form the complete datasheet, manual, and user's guide for. This online document covers all. Labjack U6 Datasheet.
From labjack.com
LabJack U6, USB Multifunction Analog & Digital I/O Data Acquisition Labjack U6 Datasheet Learn about the u6 multifunction daq with usb, its specifications, features, and applications. This datasheet covers all u6 variants: Convenient connections for 4 analog inputs, both analog outputs, 4 flexible. This online document covers all u6. For more information see the u6 datasheet. The labjack u6 is a usb only device that can measure analog signals with instrumentation amplified inputs. Labjack U6 Datasheet.
From labjack.com
LabJack U6, USB Multifunction Analog & Digital I/O Data Acquisition Labjack U6 Datasheet These pages form the complete datasheet, manual, and user's guide for. Convenient connections for 4 analog inputs, both analog outputs, 4 flexible. This online document covers all u6. Has a usb type b connector. All the analog inputs are available on the db37 connector, and. The u6 has 3 different i/o areas: This datasheet covers all u6 variants: The labjack. Labjack U6 Datasheet.
From www.scribd.com
LabJack U6 Datasheet Export 20160108 PDF Operational Amplifier Amplifier Labjack U6 Datasheet For more information see the u6 datasheet. Has a usb type b connector. All the analog inputs are available on the db37 connector, and. Convenient connections for 4 analog inputs, both analog outputs, 4 flexible. These pages form the complete datasheet, manual, and user's guide for. Learn about the u6 multifunction daq with usb, its specifications, features, and applications. The. Labjack U6 Datasheet.
From support.labjack.com
Appendix C Enclosure and PCB Drawings [U6 Datasheet] Labjack U6 Datasheet Has a usb type b connector. For more information see the u6 datasheet. The labjack u6 is a usb only device that can measure analog signals with instrumentation amplified inputs and software selectable gain. Learn about the u6 multifunction daq with usb, its specifications, features, and applications. This online document covers all u6. Convenient connections for 4 analog inputs, both. Labjack U6 Datasheet.
From www.pimzos.com
LabJack U6 Labjack U6 Datasheet Convenient connections for 4 analog inputs, both analog outputs, 4 flexible. This datasheet covers all u6 variants: This online document covers all u6. All the analog inputs are available on the db37 connector, and. Has a usb type b connector. Learn about the u6 multifunction daq with usb, its specifications, features, and applications. These pages form the complete datasheet, manual,. Labjack U6 Datasheet.
From oceancontrols.com.au
Electronics & Automation Engineering T/A Ocean Controls > LabJack Accessories > RB12 LabJack Labjack U6 Datasheet Learn about the u6 multifunction daq with usb, its specifications, features, and applications. All the analog inputs are available on the db37 connector, and. This datasheet covers all u6 variants: The labjack u6 is a usb only device that can measure analog signals with instrumentation amplified inputs and software selectable gain. For more information see the u6 datasheet. Convenient connections. Labjack U6 Datasheet.
From labjack.com
LabJack U6, USB Multifunction Analog & Digital I/O Data Acquisition Labjack U6 Datasheet Learn about the u6 multifunction daq with usb, its specifications, features, and applications. This datasheet covers all u6 variants: This datasheet covers all u6 variants: For more information see the u6 datasheet. The labjack u6 is a usb only device that can measure analog signals with instrumentation amplified inputs and software selectable gain. All the analog inputs are available on. Labjack U6 Datasheet.
From labjack.com
LabJack U6, USB Multifunction Analog & Digital I/O Data Acquisition Labjack U6 Datasheet Learn about the u6 multifunction daq with usb, its specifications, features, and applications. This datasheet covers all u6 variants: The labjack u6 is a usb only device that can measure analog signals with instrumentation amplified inputs and software selectable gain. Has a usb type b connector. The u6 has 3 different i/o areas: These pages form the complete datasheet, manual,. Labjack U6 Datasheet.
From labjack.com
LabJack U6, USB Multifunction Analog & Digital I/O Data Acquisition Labjack U6 Datasheet Learn about the u6 multifunction daq with usb, its specifications, features, and applications. The labjack u6 is a usb only device that can measure analog signals with instrumentation amplified inputs and software selectable gain. This datasheet covers all u6 variants: Convenient connections for 4 analog inputs, both analog outputs, 4 flexible. For more information see the u6 datasheet. These pages. Labjack U6 Datasheet.