Diagram Assembly Drawing . All the parts, drawn in their operating position; An assembly drawing is a technical drawing that shows how different parts and components fit together to create a larger product or structure. Generally, an assembly drawing consists of: General assembly drawings, often abbreviated as ga drawings, are detailed illustrations that depict the overall layout and. Different types of assembly drawings include: General assembly drawings, showing an overall assembly. A part list or bill of materials (bom); Types of assembly shop drawings. There are several types of assembly drawings, including exploded view drawings, detailed assembly drawings, and schematic assembly drawings. Each type serves a specific purpose and provides different levels of detail and information about the assembly.
from eziil.com
Each type serves a specific purpose and provides different levels of detail and information about the assembly. Generally, an assembly drawing consists of: Different types of assembly drawings include: Types of assembly shop drawings. All the parts, drawn in their operating position; An assembly drawing is a technical drawing that shows how different parts and components fit together to create a larger product or structure. General assembly drawings, showing an overall assembly. A part list or bill of materials (bom); There are several types of assembly drawings, including exploded view drawings, detailed assembly drawings, and schematic assembly drawings. General assembly drawings, often abbreviated as ga drawings, are detailed illustrations that depict the overall layout and.
What Are Assembly Drawings? Different types Explained!
Diagram Assembly Drawing Each type serves a specific purpose and provides different levels of detail and information about the assembly. General assembly drawings, often abbreviated as ga drawings, are detailed illustrations that depict the overall layout and. There are several types of assembly drawings, including exploded view drawings, detailed assembly drawings, and schematic assembly drawings. Each type serves a specific purpose and provides different levels of detail and information about the assembly. An assembly drawing is a technical drawing that shows how different parts and components fit together to create a larger product or structure. All the parts, drawn in their operating position; General assembly drawings, showing an overall assembly. Types of assembly shop drawings. Different types of assembly drawings include: Generally, an assembly drawing consists of: A part list or bill of materials (bom);
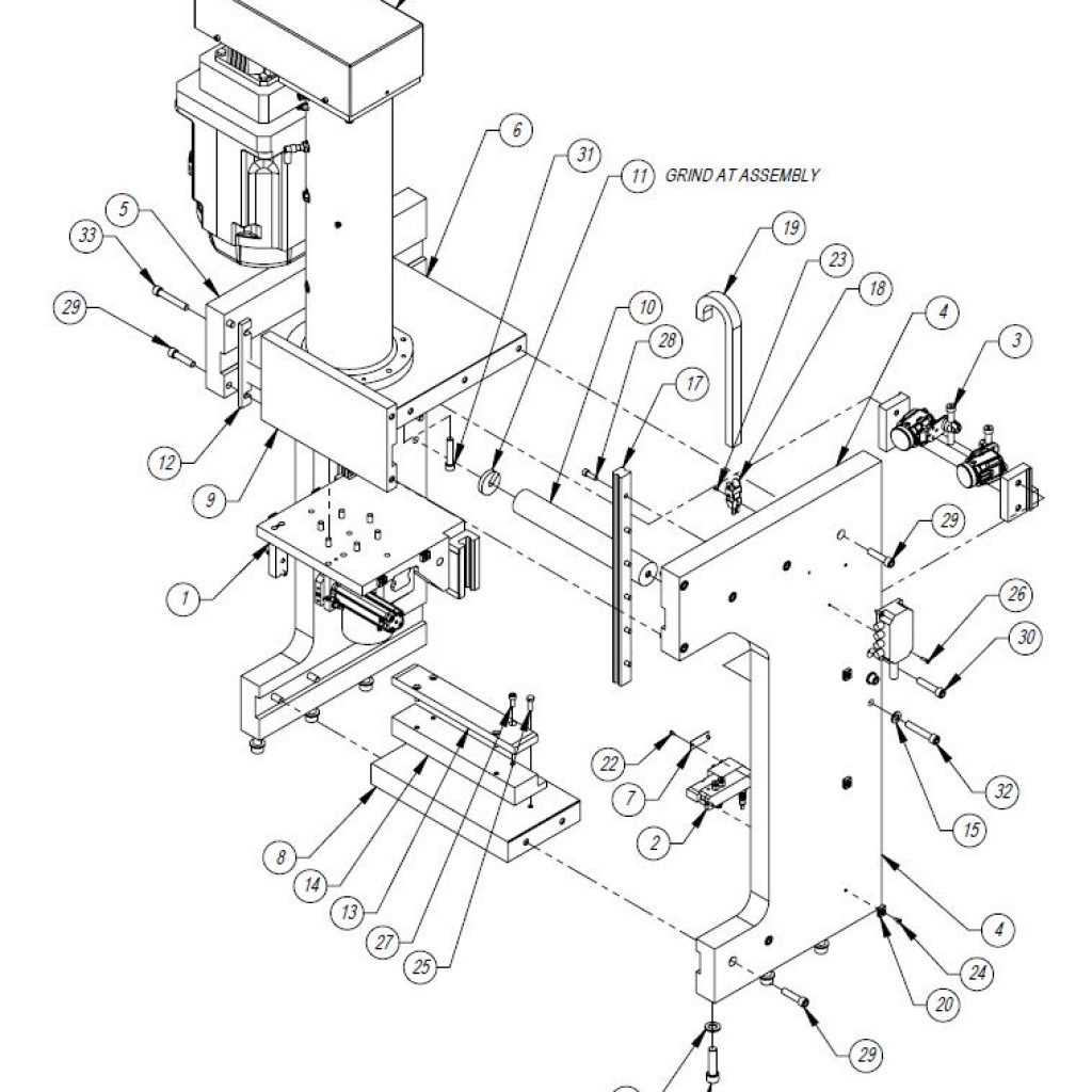
From paintingvalley.com
Assembly Drawing at Explore collection of Assembly Diagram Assembly Drawing Types of assembly shop drawings. An assembly drawing is a technical drawing that shows how different parts and components fit together to create a larger product or structure. General assembly drawings, showing an overall assembly. Generally, an assembly drawing consists of: A part list or bill of materials (bom); Each type serves a specific purpose and provides different levels of. Diagram Assembly Drawing.
From www.pinterest.ie
detailed assembly drawing Buscar con Google Drawing exercises Diagram Assembly Drawing An assembly drawing is a technical drawing that shows how different parts and components fit together to create a larger product or structure. Each type serves a specific purpose and provides different levels of detail and information about the assembly. All the parts, drawn in their operating position; Generally, an assembly drawing consists of: A part list or bill of. Diagram Assembly Drawing.
From costaricaandtravelh.blogspot.com
engine assembly drawing pdf costaricaandtravelh Diagram Assembly Drawing General assembly drawings, often abbreviated as ga drawings, are detailed illustrations that depict the overall layout and. A part list or bill of materials (bom); Generally, an assembly drawing consists of: There are several types of assembly drawings, including exploded view drawings, detailed assembly drawings, and schematic assembly drawings. All the parts, drawn in their operating position; Different types of. Diagram Assembly Drawing.
From www.advenser.com
Precise Assembly Drawings Advenser Engineering Services Diagram Assembly Drawing An assembly drawing is a technical drawing that shows how different parts and components fit together to create a larger product or structure. All the parts, drawn in their operating position; Generally, an assembly drawing consists of: Types of assembly shop drawings. Different types of assembly drawings include: General assembly drawings, showing an overall assembly. There are several types of. Diagram Assembly Drawing.
From www.javelin-tech.com
Simplify Your SOLIDWORKS Assembly Drawing with Display States Diagram Assembly Drawing General assembly drawings, showing an overall assembly. A part list or bill of materials (bom); Each type serves a specific purpose and provides different levels of detail and information about the assembly. All the parts, drawn in their operating position; There are several types of assembly drawings, including exploded view drawings, detailed assembly drawings, and schematic assembly drawings. An assembly. Diagram Assembly Drawing.
From www.advenser.com
Precise Assembly Drawings Advenser Engineering Services Diagram Assembly Drawing A part list or bill of materials (bom); Generally, an assembly drawing consists of: Different types of assembly drawings include: General assembly drawings, often abbreviated as ga drawings, are detailed illustrations that depict the overall layout and. All the parts, drawn in their operating position; Each type serves a specific purpose and provides different levels of detail and information about. Diagram Assembly Drawing.
From www.brassmasters.co.uk
4F Assembly drawings Diagram Assembly Drawing General assembly drawings, showing an overall assembly. All the parts, drawn in their operating position; Different types of assembly drawings include: A part list or bill of materials (bom); Types of assembly shop drawings. Each type serves a specific purpose and provides different levels of detail and information about the assembly. An assembly drawing is a technical drawing that shows. Diagram Assembly Drawing.
From www.3dengr.com
Solidworks Tutorial Drawings with Exploded Assembly View and Bill of Diagram Assembly Drawing There are several types of assembly drawings, including exploded view drawings, detailed assembly drawings, and schematic assembly drawings. Types of assembly shop drawings. Generally, an assembly drawing consists of: An assembly drawing is a technical drawing that shows how different parts and components fit together to create a larger product or structure. All the parts, drawn in their operating position;. Diagram Assembly Drawing.
From paintingvalley.com
Assembly Drawing at Explore collection of Assembly Diagram Assembly Drawing Each type serves a specific purpose and provides different levels of detail and information about the assembly. General assembly drawings, showing an overall assembly. All the parts, drawn in their operating position; Different types of assembly drawings include: A part list or bill of materials (bom); General assembly drawings, often abbreviated as ga drawings, are detailed illustrations that depict the. Diagram Assembly Drawing.
From www.pinterest.fr
Assembly Drawing Exploded Isometric Assembly Portfolio Layout Diagram Assembly Drawing Types of assembly shop drawings. An assembly drawing is a technical drawing that shows how different parts and components fit together to create a larger product or structure. General assembly drawings, showing an overall assembly. There are several types of assembly drawings, including exploded view drawings, detailed assembly drawings, and schematic assembly drawings. Generally, an assembly drawing consists of: Different. Diagram Assembly Drawing.
From www.youtube.com
assembly drawing of universal coupling assembly drawing engineering Diagram Assembly Drawing Each type serves a specific purpose and provides different levels of detail and information about the assembly. A part list or bill of materials (bom); Generally, an assembly drawing consists of: An assembly drawing is a technical drawing that shows how different parts and components fit together to create a larger product or structure. Types of assembly shop drawings. There. Diagram Assembly Drawing.
From mungfali.com
AutoCAD Assembly Drawings Diagram Assembly Drawing All the parts, drawn in their operating position; Generally, an assembly drawing consists of: General assembly drawings, showing an overall assembly. There are several types of assembly drawings, including exploded view drawings, detailed assembly drawings, and schematic assembly drawings. A part list or bill of materials (bom); Different types of assembly drawings include: An assembly drawing is a technical drawing. Diagram Assembly Drawing.
From draftingteacher.blogspot.com
Drafting Teacher blog ASSEMBLY DRAWINGS Diagram Assembly Drawing There are several types of assembly drawings, including exploded view drawings, detailed assembly drawings, and schematic assembly drawings. A part list or bill of materials (bom); Different types of assembly drawings include: General assembly drawings, showing an overall assembly. Types of assembly shop drawings. All the parts, drawn in their operating position; Generally, an assembly drawing consists of: An assembly. Diagram Assembly Drawing.
From designlearningobjects.com
Engineering Tolerances Design Learning Objects Diagram Assembly Drawing Different types of assembly drawings include: General assembly drawings, often abbreviated as ga drawings, are detailed illustrations that depict the overall layout and. Each type serves a specific purpose and provides different levels of detail and information about the assembly. An assembly drawing is a technical drawing that shows how different parts and components fit together to create a larger. Diagram Assembly Drawing.
From www.youtube.com
Assembly to Detail Assembly Drawing How to Draw Assembly to Detail Diagram Assembly Drawing All the parts, drawn in their operating position; A part list or bill of materials (bom); General assembly drawings, often abbreviated as ga drawings, are detailed illustrations that depict the overall layout and. Generally, an assembly drawing consists of: Different types of assembly drawings include: There are several types of assembly drawings, including exploded view drawings, detailed assembly drawings, and. Diagram Assembly Drawing.
From getdrawings.com
Assembly Drawing at GetDrawings Free download Diagram Assembly Drawing General assembly drawings, often abbreviated as ga drawings, are detailed illustrations that depict the overall layout and. An assembly drawing is a technical drawing that shows how different parts and components fit together to create a larger product or structure. Each type serves a specific purpose and provides different levels of detail and information about the assembly. A part list. Diagram Assembly Drawing.
From andromedacadworks.blogspot.com
Andromeda CAD Basics of Engineering Drawing Diagram Assembly Drawing General assembly drawings, often abbreviated as ga drawings, are detailed illustrations that depict the overall layout and. Types of assembly shop drawings. Different types of assembly drawings include: Each type serves a specific purpose and provides different levels of detail and information about the assembly. A part list or bill of materials (bom); Generally, an assembly drawing consists of: An. Diagram Assembly Drawing.
From www.needpix.com
Download free photo of Diagram,assembly,parts,instructions,labeled Diagram Assembly Drawing Types of assembly shop drawings. General assembly drawings, showing an overall assembly. General assembly drawings, often abbreviated as ga drawings, are detailed illustrations that depict the overall layout and. An assembly drawing is a technical drawing that shows how different parts and components fit together to create a larger product or structure. Different types of assembly drawings include: There are. Diagram Assembly Drawing.
From www.pinterest.co.uk
detailed assembly drawing Buscar con Google Mechanical engineering Diagram Assembly Drawing General assembly drawings, often abbreviated as ga drawings, are detailed illustrations that depict the overall layout and. Generally, an assembly drawing consists of: Each type serves a specific purpose and provides different levels of detail and information about the assembly. Different types of assembly drawings include: Types of assembly shop drawings. General assembly drawings, showing an overall assembly. There are. Diagram Assembly Drawing.
From www.pinterest.com
Resultado de imagen de detailed assembly drawing Mechanical design Diagram Assembly Drawing General assembly drawings, showing an overall assembly. Each type serves a specific purpose and provides different levels of detail and information about the assembly. A part list or bill of materials (bom); Generally, an assembly drawing consists of: Different types of assembly drawings include: Types of assembly shop drawings. All the parts, drawn in their operating position; An assembly drawing. Diagram Assembly Drawing.
From getdrawings.com
Assembly Drawing at GetDrawings Free download Diagram Assembly Drawing All the parts, drawn in their operating position; General assembly drawings, often abbreviated as ga drawings, are detailed illustrations that depict the overall layout and. Generally, an assembly drawing consists of: General assembly drawings, showing an overall assembly. A part list or bill of materials (bom); An assembly drawing is a technical drawing that shows how different parts and components. Diagram Assembly Drawing.
From www.pinterest.co.uk
Assembly Drawing Practice For Free Download Assembly Drawing Diagram Assembly Drawing Generally, an assembly drawing consists of: All the parts, drawn in their operating position; An assembly drawing is a technical drawing that shows how different parts and components fit together to create a larger product or structure. General assembly drawings, often abbreviated as ga drawings, are detailed illustrations that depict the overall layout and. A part list or bill of. Diagram Assembly Drawing.
From getdrawings.com
Solidworks Assembly Drawing Exploded View at GetDrawings Free download Diagram Assembly Drawing All the parts, drawn in their operating position; There are several types of assembly drawings, including exploded view drawings, detailed assembly drawings, and schematic assembly drawings. Types of assembly shop drawings. General assembly drawings, often abbreviated as ga drawings, are detailed illustrations that depict the overall layout and. Generally, an assembly drawing consists of: General assembly drawings, showing an overall. Diagram Assembly Drawing.
From design.udlvirtual.edu.pe
How To Make Assembly Drawing In Autocad Design Talk Diagram Assembly Drawing General assembly drawings, often abbreviated as ga drawings, are detailed illustrations that depict the overall layout and. Each type serves a specific purpose and provides different levels of detail and information about the assembly. All the parts, drawn in their operating position; A part list or bill of materials (bom); An assembly drawing is a technical drawing that shows how. Diagram Assembly Drawing.
From paintingvalley.com
Assembly Drawing at Explore collection of Assembly Diagram Assembly Drawing An assembly drawing is a technical drawing that shows how different parts and components fit together to create a larger product or structure. Generally, an assembly drawing consists of: General assembly drawings, often abbreviated as ga drawings, are detailed illustrations that depict the overall layout and. A part list or bill of materials (bom); There are several types of assembly. Diagram Assembly Drawing.
From in.pinterest.com
Assembly and Details machine drawing pdf Mechanical Projects Diagram Assembly Drawing A part list or bill of materials (bom); General assembly drawings, showing an overall assembly. General assembly drawings, often abbreviated as ga drawings, are detailed illustrations that depict the overall layout and. There are several types of assembly drawings, including exploded view drawings, detailed assembly drawings, and schematic assembly drawings. All the parts, drawn in their operating position; Different types. Diagram Assembly Drawing.
From www.slideserve.com
PPT Sectioning of Assembly Drawings PowerPoint Presentation, free Diagram Assembly Drawing Each type serves a specific purpose and provides different levels of detail and information about the assembly. Different types of assembly drawings include: There are several types of assembly drawings, including exploded view drawings, detailed assembly drawings, and schematic assembly drawings. General assembly drawings, often abbreviated as ga drawings, are detailed illustrations that depict the overall layout and. Generally, an. Diagram Assembly Drawing.
From eziil.com
What Are Assembly Drawings? Different types Explained! Diagram Assembly Drawing Different types of assembly drawings include: A part list or bill of materials (bom); General assembly drawings, showing an overall assembly. An assembly drawing is a technical drawing that shows how different parts and components fit together to create a larger product or structure. Generally, an assembly drawing consists of: There are several types of assembly drawings, including exploded view. Diagram Assembly Drawing.
From www.pinterest.se
Assembly Drawing assembly Drawing 148937 Pleted assembly Drawing Pleted Diagram Assembly Drawing Generally, an assembly drawing consists of: An assembly drawing is a technical drawing that shows how different parts and components fit together to create a larger product or structure. Different types of assembly drawings include: Each type serves a specific purpose and provides different levels of detail and information about the assembly. General assembly drawings, often abbreviated as ga drawings,. Diagram Assembly Drawing.
From www.pinterest.co.uk
Assembly Drawing Easy For Free Download Assembly Drawing in 2022 Diagram Assembly Drawing There are several types of assembly drawings, including exploded view drawings, detailed assembly drawings, and schematic assembly drawings. All the parts, drawn in their operating position; An assembly drawing is a technical drawing that shows how different parts and components fit together to create a larger product or structure. Different types of assembly drawings include: Generally, an assembly drawing consists. Diagram Assembly Drawing.
From www.studocu.com
Machine Drawing8 Complete notes on assembly drawings Assembly Diagram Assembly Drawing General assembly drawings, showing an overall assembly. An assembly drawing is a technical drawing that shows how different parts and components fit together to create a larger product or structure. Different types of assembly drawings include: A part list or bill of materials (bom); Generally, an assembly drawing consists of: Each type serves a specific purpose and provides different levels. Diagram Assembly Drawing.
From paintingvalley.com
Assembly Drawing at Explore collection of Assembly Diagram Assembly Drawing An assembly drawing is a technical drawing that shows how different parts and components fit together to create a larger product or structure. General assembly drawings, showing an overall assembly. Generally, an assembly drawing consists of: Types of assembly shop drawings. Each type serves a specific purpose and provides different levels of detail and information about the assembly. All the. Diagram Assembly Drawing.
From draftingteacher.blogspot.com
Drafting Teacher blog ASSEMBLY DRAWINGS Diagram Assembly Drawing Generally, an assembly drawing consists of: Types of assembly shop drawings. General assembly drawings, showing an overall assembly. Different types of assembly drawings include: General assembly drawings, often abbreviated as ga drawings, are detailed illustrations that depict the overall layout and. All the parts, drawn in their operating position; Each type serves a specific purpose and provides different levels of. Diagram Assembly Drawing.
From getdrawings.com
Assembly Drawing at GetDrawings Free download Diagram Assembly Drawing A part list or bill of materials (bom); An assembly drawing is a technical drawing that shows how different parts and components fit together to create a larger product or structure. General assembly drawings, showing an overall assembly. All the parts, drawn in their operating position; Types of assembly shop drawings. There are several types of assembly drawings, including exploded. Diagram Assembly Drawing.
From www2.warwick.ac.uk
Project Drawings Diagram Assembly Drawing All the parts, drawn in their operating position; Types of assembly shop drawings. Different types of assembly drawings include: General assembly drawings, showing an overall assembly. A part list or bill of materials (bom); There are several types of assembly drawings, including exploded view drawings, detailed assembly drawings, and schematic assembly drawings. An assembly drawing is a technical drawing that. Diagram Assembly Drawing.