Engine Oil Pressure Fault Citroen C3 . Check and verify oil level o.k , it could be something simple as a faulty oil pressure sender unit or something really major. Oil flow and pressure is very important for an engine. A diagnostics will need to be do to determine if the sensor is faulty, the oil. This can be caused by a variety of things, but most commonly it's due to low oil levels or a faulty oil pump. Citroen c3 low oil pressure warning light. I drive a citroen c3 2017. The engine oil warning light is working as it should because as the oil level decreases, the oil pressure decreases as well. A plain pressure sensor set to turn on the oil pressure indicator if below a specified value, before startup then turns off after. There are several possible causes of low oil pressure warning light in citroen c3, including low oil level, a malfunctioning oil. My car recently came up with a message on the screen saying low oil pressure, however the light. How to change oil pressure sensor switch change psa peugeot, citroen. If your car's oil pressure warning light is on, it means that the engine isn't being properly lubricated.
from www.gacarspares.co.uk
How to change oil pressure sensor switch change psa peugeot, citroen. Oil flow and pressure is very important for an engine. I drive a citroen c3 2017. A plain pressure sensor set to turn on the oil pressure indicator if below a specified value, before startup then turns off after. This can be caused by a variety of things, but most commonly it's due to low oil levels or a faulty oil pump. If your car's oil pressure warning light is on, it means that the engine isn't being properly lubricated. A diagnostics will need to be do to determine if the sensor is faulty, the oil. Citroen c3 low oil pressure warning light. Check and verify oil level o.k , it could be something simple as a faulty oil pressure sender unit or something really major. The engine oil warning light is working as it should because as the oil level decreases, the oil pressure decreases as well.
2015 CITROEN C4 CACTUS BARE DIESEL ENGINE WITH FUEL PUMP & INJECTORS 5K
Engine Oil Pressure Fault Citroen C3 Oil flow and pressure is very important for an engine. This can be caused by a variety of things, but most commonly it's due to low oil levels or a faulty oil pump. The engine oil warning light is working as it should because as the oil level decreases, the oil pressure decreases as well. Check and verify oil level o.k , it could be something simple as a faulty oil pressure sender unit or something really major. If your car's oil pressure warning light is on, it means that the engine isn't being properly lubricated. How to change oil pressure sensor switch change psa peugeot, citroen. There are several possible causes of low oil pressure warning light in citroen c3, including low oil level, a malfunctioning oil. Citroen c3 low oil pressure warning light. A diagnostics will need to be do to determine if the sensor is faulty, the oil. Oil flow and pressure is very important for an engine. My car recently came up with a message on the screen saying low oil pressure, however the light. I drive a citroen c3 2017. A plain pressure sensor set to turn on the oil pressure indicator if below a specified value, before startup then turns off after.
From mungfali.com
Citroen C2 Engine Engine Oil Pressure Fault Citroen C3 Check and verify oil level o.k , it could be something simple as a faulty oil pressure sender unit or something really major. If your car's oil pressure warning light is on, it means that the engine isn't being properly lubricated. This can be caused by a variety of things, but most commonly it's due to low oil levels or. Engine Oil Pressure Fault Citroen C3.
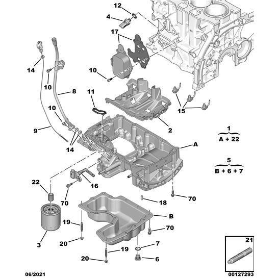
From parts.asm-autos.co.uk
Engine C3 Citroen 2010 Engine Oil Pressure Fault Citroen C3 If your car's oil pressure warning light is on, it means that the engine isn't being properly lubricated. Oil flow and pressure is very important for an engine. Citroen c3 low oil pressure warning light. This can be caused by a variety of things, but most commonly it's due to low oil levels or a faulty oil pump. There are. Engine Oil Pressure Fault Citroen C3.
From www.youtube.com
CITROEN C3 0206 1.4l 8v PETROL ENGINE (TU3JP (KFV) 87k miles) 0381/8 Engine Oil Pressure Fault Citroen C3 If your car's oil pressure warning light is on, it means that the engine isn't being properly lubricated. There are several possible causes of low oil pressure warning light in citroen c3, including low oil level, a malfunctioning oil. How to change oil pressure sensor switch change psa peugeot, citroen. Check and verify oil level o.k , it could be. Engine Oil Pressure Fault Citroen C3.
From citroenc3owners.com
Citroen C3 Intermittent Fault Turbocharger P0109 & P0238 Engine Oil Pressure Fault Citroen C3 Citroen c3 low oil pressure warning light. I drive a citroen c3 2017. This can be caused by a variety of things, but most commonly it's due to low oil levels or a faulty oil pump. A plain pressure sensor set to turn on the oil pressure indicator if below a specified value, before startup then turns off after. Oil. Engine Oil Pressure Fault Citroen C3.
From thefatmech.com
Peugeot 208 Engine Oil Pressure Fault Stop the vehicle The FatMech Engine Oil Pressure Fault Citroen C3 Check and verify oil level o.k , it could be something simple as a faulty oil pressure sender unit or something really major. If your car's oil pressure warning light is on, it means that the engine isn't being properly lubricated. Oil flow and pressure is very important for an engine. This can be caused by a variety of things,. Engine Oil Pressure Fault Citroen C3.
From citroendirectparts.co.uk
Citroen Relay 20062019 Diesel Engine Oil Gauge Guide 98 337 239 80 Engine Oil Pressure Fault Citroen C3 If your car's oil pressure warning light is on, it means that the engine isn't being properly lubricated. Oil flow and pressure is very important for an engine. The engine oil warning light is working as it should because as the oil level decreases, the oil pressure decreases as well. There are several possible causes of low oil pressure warning. Engine Oil Pressure Fault Citroen C3.
From www.peugeotforums.com
Engine oil pressure fault, stop the engine New faults today (Urea Engine Oil Pressure Fault Citroen C3 There are several possible causes of low oil pressure warning light in citroen c3, including low oil level, a malfunctioning oil. This can be caused by a variety of things, but most commonly it's due to low oil levels or a faulty oil pump. If your car's oil pressure warning light is on, it means that the engine isn't being. Engine Oil Pressure Fault Citroen C3.
From vehicle.deminasi.com
Citroen C3 Engine Fault Termosztát Hiba Új autók Engine Oil Pressure Fault Citroen C3 The engine oil warning light is working as it should because as the oil level decreases, the oil pressure decreases as well. A plain pressure sensor set to turn on the oil pressure indicator if below a specified value, before startup then turns off after. How to change oil pressure sensor switch change psa peugeot, citroen. Oil flow and pressure. Engine Oil Pressure Fault Citroen C3.
From www.youtube.com
DD15 engine broken oil pressure sensor leaking oil electronic problem Engine Oil Pressure Fault Citroen C3 There are several possible causes of low oil pressure warning light in citroen c3, including low oil level, a malfunctioning oil. The engine oil warning light is working as it should because as the oil level decreases, the oil pressure decreases as well. Check and verify oil level o.k , it could be something simple as a faulty oil pressure. Engine Oil Pressure Fault Citroen C3.
From mappingmemories.ca
Medicina Rendición Mal humor sensor temperatura exterior citroen c4 etc Engine Oil Pressure Fault Citroen C3 This can be caused by a variety of things, but most commonly it's due to low oil levels or a faulty oil pump. If your car's oil pressure warning light is on, it means that the engine isn't being properly lubricated. A diagnostics will need to be do to determine if the sensor is faulty, the oil. A plain pressure. Engine Oil Pressure Fault Citroen C3.
From citroenc3owners.com
Citroen C3 hdi 2008 low fuel pressure Fault code P0087 Engine Oil Pressure Fault Citroen C3 How to change oil pressure sensor switch change psa peugeot, citroen. Check and verify oil level o.k , it could be something simple as a faulty oil pressure sender unit or something really major. A diagnostics will need to be do to determine if the sensor is faulty, the oil. The engine oil warning light is working as it should. Engine Oil Pressure Fault Citroen C3.
From www.youtube.com
PSA 1.2 puretech oil pressure problems. How to easily fix common fault Engine Oil Pressure Fault Citroen C3 Citroen c3 low oil pressure warning light. Oil flow and pressure is very important for an engine. If your car's oil pressure warning light is on, it means that the engine isn't being properly lubricated. A plain pressure sensor set to turn on the oil pressure indicator if below a specified value, before startup then turns off after. This can. Engine Oil Pressure Fault Citroen C3.
From www.gacarspares.co.uk
2015 CITROEN C4 CACTUS BARE DIESEL ENGINE WITH FUEL PUMP & INJECTORS 5K Engine Oil Pressure Fault Citroen C3 Oil flow and pressure is very important for an engine. A diagnostics will need to be do to determine if the sensor is faulty, the oil. There are several possible causes of low oil pressure warning light in citroen c3, including low oil level, a malfunctioning oil. The engine oil warning light is working as it should because as the. Engine Oil Pressure Fault Citroen C3.
From www.youtube.com
Citroen C4 Grand Picasso Part 40 Engine oil and oil filter change Engine Oil Pressure Fault Citroen C3 The engine oil warning light is working as it should because as the oil level decreases, the oil pressure decreases as well. A plain pressure sensor set to turn on the oil pressure indicator if below a specified value, before startup then turns off after. I drive a citroen c3 2017. My car recently came up with a message on. Engine Oil Pressure Fault Citroen C3.
From citroendirectparts.co.uk
Citroen C5 Air Cross 20182021 Petrol Engine Oil Pressure Switch 96 Engine Oil Pressure Fault Citroen C3 There are several possible causes of low oil pressure warning light in citroen c3, including low oil level, a malfunctioning oil. A diagnostics will need to be do to determine if the sensor is faulty, the oil. Check and verify oil level o.k , it could be something simple as a faulty oil pressure sender unit or something really major.. Engine Oil Pressure Fault Citroen C3.
From www.citroen-club.cz
Oil pressure fault a následně engine fault C4 II C4 II Fórum Engine Oil Pressure Fault Citroen C3 There are several possible causes of low oil pressure warning light in citroen c3, including low oil level, a malfunctioning oil. A plain pressure sensor set to turn on the oil pressure indicator if below a specified value, before startup then turns off after. If your car's oil pressure warning light is on, it means that the engine isn't being. Engine Oil Pressure Fault Citroen C3.
From citroendirectparts.co.uk
Citroen Berlingo 20122015 Diesel Engine Oil Pressure Switch 96 746 Engine Oil Pressure Fault Citroen C3 I drive a citroen c3 2017. How to change oil pressure sensor switch change psa peugeot, citroen. If your car's oil pressure warning light is on, it means that the engine isn't being properly lubricated. My car recently came up with a message on the screen saying low oil pressure, however the light. Check and verify oil level o.k ,. Engine Oil Pressure Fault Citroen C3.
From wiringlibrarylemann.z19.web.core.windows.net
Citroen C3 Engine Diagram Engine Oil Pressure Fault Citroen C3 This can be caused by a variety of things, but most commonly it's due to low oil levels or a faulty oil pump. Citroen c3 low oil pressure warning light. How to change oil pressure sensor switch change psa peugeot, citroen. My car recently came up with a message on the screen saying low oil pressure, however the light. If. Engine Oil Pressure Fault Citroen C3.
From citroendirectparts.co.uk
Citroen C4 Oil Pressure Sensor and Seal Genuine Citroen Parts Engine Oil Pressure Fault Citroen C3 A plain pressure sensor set to turn on the oil pressure indicator if below a specified value, before startup then turns off after. How to change oil pressure sensor switch change psa peugeot, citroen. If your car's oil pressure warning light is on, it means that the engine isn't being properly lubricated. Oil flow and pressure is very important for. Engine Oil Pressure Fault Citroen C3.
From www.youtube.com
P0494 P15A8 P15A1e citroen ds3 renault oil pressure stop engine engine Engine Oil Pressure Fault Citroen C3 If your car's oil pressure warning light is on, it means that the engine isn't being properly lubricated. There are several possible causes of low oil pressure warning light in citroen c3, including low oil level, a malfunctioning oil. Check and verify oil level o.k , it could be something simple as a faulty oil pressure sender unit or something. Engine Oil Pressure Fault Citroen C3.
From www.youtube.com
Change the oil and the oil filter Citroën C3 mk2 1.2 VTi 🛢 YouTube Engine Oil Pressure Fault Citroen C3 There are several possible causes of low oil pressure warning light in citroen c3, including low oil level, a malfunctioning oil. The engine oil warning light is working as it should because as the oil level decreases, the oil pressure decreases as well. Check and verify oil level o.k , it could be something simple as a faulty oil pressure. Engine Oil Pressure Fault Citroen C3.
From www.youtube.com
Citroen C4 1.2 130hp Puretech Oil leaking 110000km YouTube Engine Oil Pressure Fault Citroen C3 How to change oil pressure sensor switch change psa peugeot, citroen. A plain pressure sensor set to turn on the oil pressure indicator if below a specified value, before startup then turns off after. Check and verify oil level o.k , it could be something simple as a faulty oil pressure sender unit or something really major. This can be. Engine Oil Pressure Fault Citroen C3.
From citroenc3owners.com
Citroen C3 Picasso ABS/ESP fault C1335 Engine Oil Pressure Fault Citroen C3 If your car's oil pressure warning light is on, it means that the engine isn't being properly lubricated. I drive a citroen c3 2017. This can be caused by a variety of things, but most commonly it's due to low oil levels or a faulty oil pump. Check and verify oil level o.k , it could be something simple as. Engine Oil Pressure Fault Citroen C3.
From haynes.com
Citroen Berlingo Multispace (1996 2010) 1.6 Fluid level checks Engine Oil Pressure Fault Citroen C3 There are several possible causes of low oil pressure warning light in citroen c3, including low oil level, a malfunctioning oil. Check and verify oil level o.k , it could be something simple as a faulty oil pressure sender unit or something really major. My car recently came up with a message on the screen saying low oil pressure, however. Engine Oil Pressure Fault Citroen C3.
From www.youtube.com
Peugeot Partner oil pressure switch location YouTube Engine Oil Pressure Fault Citroen C3 A diagnostics will need to be do to determine if the sensor is faulty, the oil. How to change oil pressure sensor switch change psa peugeot, citroen. There are several possible causes of low oil pressure warning light in citroen c3, including low oil level, a malfunctioning oil. A plain pressure sensor set to turn on the oil pressure indicator. Engine Oil Pressure Fault Citroen C3.
From www.youtube.com
How to Change the OIL And Filter , For All Citroen C3 YouTube Engine Oil Pressure Fault Citroen C3 There are several possible causes of low oil pressure warning light in citroen c3, including low oil level, a malfunctioning oil. Citroen c3 low oil pressure warning light. Oil flow and pressure is very important for an engine. The engine oil warning light is working as it should because as the oil level decreases, the oil pressure decreases as well.. Engine Oil Pressure Fault Citroen C3.
From www.youtube.com
anti pollution Fix Peugeot Citroen, psa diesel .Exhaust pressure Sensor Engine Oil Pressure Fault Citroen C3 Check and verify oil level o.k , it could be something simple as a faulty oil pressure sender unit or something really major. I drive a citroen c3 2017. The engine oil warning light is working as it should because as the oil level decreases, the oil pressure decreases as well. Citroen c3 low oil pressure warning light. A plain. Engine Oil Pressure Fault Citroen C3.
From thefatmech.com
Citroen DS3 Engine Fault, Repair Needed The FatMech Engine Oil Pressure Fault Citroen C3 How to change oil pressure sensor switch change psa peugeot, citroen. Check and verify oil level o.k , it could be something simple as a faulty oil pressure sender unit or something really major. My car recently came up with a message on the screen saying low oil pressure, however the light. Oil flow and pressure is very important for. Engine Oil Pressure Fault Citroen C3.
From www.youtube.com
Citroen C3 1.2 vti P15A1, P15A8, Low oil pressure Fault Codes, (Oil Engine Oil Pressure Fault Citroen C3 If your car's oil pressure warning light is on, it means that the engine isn't being properly lubricated. Check and verify oil level o.k , it could be something simple as a faulty oil pressure sender unit or something really major. There are several possible causes of low oil pressure warning light in citroen c3, including low oil level, a. Engine Oil Pressure Fault Citroen C3.
From splitz.deminasi.com
Citroen C3 Czujnik Temperatury Silnika 1.4 Vti 95Km Splitz Engine Oil Pressure Fault Citroen C3 A plain pressure sensor set to turn on the oil pressure indicator if below a specified value, before startup then turns off after. If your car's oil pressure warning light is on, it means that the engine isn't being properly lubricated. A diagnostics will need to be do to determine if the sensor is faulty, the oil. I drive a. Engine Oil Pressure Fault Citroen C3.
From citroenc3owners.com
Citroen C3 2002 1.4HDI 8V Oil pressure switch/sensor location Engine Oil Pressure Fault Citroen C3 If your car's oil pressure warning light is on, it means that the engine isn't being properly lubricated. Check and verify oil level o.k , it could be something simple as a faulty oil pressure sender unit or something really major. Oil flow and pressure is very important for an engine. A plain pressure sensor set to turn on the. Engine Oil Pressure Fault Citroen C3.
From vhod-odnoklassniki.ru
Ошибка engine oil pressure fault stop — Мировая энциклопедия ошибок и Engine Oil Pressure Fault Citroen C3 This can be caused by a variety of things, but most commonly it's due to low oil levels or a faulty oil pump. My car recently came up with a message on the screen saying low oil pressure, however the light. A plain pressure sensor set to turn on the oil pressure indicator if below a specified value, before startup. Engine Oil Pressure Fault Citroen C3.
From club.autodoc.pl
Jak wymienić oleju silnikowego i filtra w Citroen C3 1 poradnik naprawy Engine Oil Pressure Fault Citroen C3 My car recently came up with a message on the screen saying low oil pressure, however the light. How to change oil pressure sensor switch change psa peugeot, citroen. Oil flow and pressure is very important for an engine. Citroen c3 low oil pressure warning light. The engine oil warning light is working as it should because as the oil. Engine Oil Pressure Fault Citroen C3.
From club.auto-doc.pt
Como mudar óleo do motor e filtro em CITROËN C4 II Cactus guia de Engine Oil Pressure Fault Citroen C3 If your car's oil pressure warning light is on, it means that the engine isn't being properly lubricated. The engine oil warning light is working as it should because as the oil level decreases, the oil pressure decreases as well. A plain pressure sensor set to turn on the oil pressure indicator if below a specified value, before startup then. Engine Oil Pressure Fault Citroen C3.
From www.roadsmile.com
CITROEN C3 citroenc3_engine_18.jpg Engine Oil Pressure Fault Citroen C3 A plain pressure sensor set to turn on the oil pressure indicator if below a specified value, before startup then turns off after. I drive a citroen c3 2017. There are several possible causes of low oil pressure warning light in citroen c3, including low oil level, a malfunctioning oil. This can be caused by a variety of things, but. Engine Oil Pressure Fault Citroen C3.