Rotary Vane Steering Gear Diagram . A rotary vane type arrangement is used when the pressure requirement is 60 to 100 bar for producing the required torque. Rotary vane steering gear, vane type steering gear explained with complete operation and maintenance procedures, locking of steering. Steering gear is the equipment provided on ships to turn the ship from port (left side ) to star board (right side ) or starboard to port while the ship is in motion during sailing. A rotary vane steering gear consists of a rotor with vanes attached to the rudder stock and stator fixed on a foundation in the steering. Learn about the rotary vane steering gear! One of the main advantages is maximum torque. How it works, its components, design, advantages, disadvantages and applications. Steering gear the rotary vane steering gear is an approved and preferred space saving system which makes the steering robust and safe. Kongsberg maritime (km) steering gears are designed for safe operation with a minimum maintenance.
from www.deyuanmarine.com
Learn about the rotary vane steering gear! One of the main advantages is maximum torque. How it works, its components, design, advantages, disadvantages and applications. Rotary vane steering gear, vane type steering gear explained with complete operation and maintenance procedures, locking of steering. Steering gear is the equipment provided on ships to turn the ship from port (left side ) to star board (right side ) or starboard to port while the ship is in motion during sailing. Steering gear the rotary vane steering gear is an approved and preferred space saving system which makes the steering robust and safe. Kongsberg maritime (km) steering gears are designed for safe operation with a minimum maintenance. A rotary vane type arrangement is used when the pressure requirement is 60 to 100 bar for producing the required torque. A rotary vane steering gear consists of a rotor with vanes attached to the rudder stock and stator fixed on a foundation in the steering.
Rotary Vane Electrohydraulic Steering Gear for vessel from China manufacturer China Deyuan Marine
Rotary Vane Steering Gear Diagram Steering gear is the equipment provided on ships to turn the ship from port (left side ) to star board (right side ) or starboard to port while the ship is in motion during sailing. How it works, its components, design, advantages, disadvantages and applications. Steering gear is the equipment provided on ships to turn the ship from port (left side ) to star board (right side ) or starboard to port while the ship is in motion during sailing. Steering gear the rotary vane steering gear is an approved and preferred space saving system which makes the steering robust and safe. One of the main advantages is maximum torque. A rotary vane steering gear consists of a rotor with vanes attached to the rudder stock and stator fixed on a foundation in the steering. A rotary vane type arrangement is used when the pressure requirement is 60 to 100 bar for producing the required torque. Rotary vane steering gear, vane type steering gear explained with complete operation and maintenance procedures, locking of steering. Learn about the rotary vane steering gear! Kongsberg maritime (km) steering gears are designed for safe operation with a minimum maintenance.
From www.kongsberg.com
RV / IRV Series 2 & 3 vane rotary vane steering gear Kongsberg Maritime Rotary Vane Steering Gear Diagram Kongsberg maritime (km) steering gears are designed for safe operation with a minimum maintenance. Rotary vane steering gear, vane type steering gear explained with complete operation and maintenance procedures, locking of steering. How it works, its components, design, advantages, disadvantages and applications. Steering gear the rotary vane steering gear is an approved and preferred space saving system which makes the. Rotary Vane Steering Gear Diagram.
From www.seafarermedia.com
Rotary Vane Steering 1 Rotary Vane Steering Gear Diagram A rotary vane type arrangement is used when the pressure requirement is 60 to 100 bar for producing the required torque. Kongsberg maritime (km) steering gears are designed for safe operation with a minimum maintenance. A rotary vane steering gear consists of a rotor with vanes attached to the rudder stock and stator fixed on a foundation in the steering.. Rotary Vane Steering Gear Diagram.
From www.deyuanmarine.com
Rotary Vane Electrohydraulic Steering Gear for vessel from China manufacturer China Deyuan Marine Rotary Vane Steering Gear Diagram Kongsberg maritime (km) steering gears are designed for safe operation with a minimum maintenance. A rotary vane type arrangement is used when the pressure requirement is 60 to 100 bar for producing the required torque. One of the main advantages is maximum torque. Steering gear the rotary vane steering gear is an approved and preferred space saving system which makes. Rotary Vane Steering Gear Diagram.
From www.youtube.com
What are the Hydraulic Functions in a Steering Gear??. Working of Example Rotary Vane steering Rotary Vane Steering Gear Diagram Learn about the rotary vane steering gear! Kongsberg maritime (km) steering gears are designed for safe operation with a minimum maintenance. Rotary vane steering gear, vane type steering gear explained with complete operation and maintenance procedures, locking of steering. How it works, its components, design, advantages, disadvantages and applications. Steering gear is the equipment provided on ships to turn the. Rotary Vane Steering Gear Diagram.
From kzscollection.blogspot.com
talk about steering gear system Rotary Vane Steering Gear Diagram A rotary vane steering gear consists of a rotor with vanes attached to the rudder stock and stator fixed on a foundation in the steering. How it works, its components, design, advantages, disadvantages and applications. Steering gear the rotary vane steering gear is an approved and preferred space saving system which makes the steering robust and safe. Learn about the. Rotary Vane Steering Gear Diagram.
From www.slideserve.com
PPT NAME 409 Marine Engineering II steering system PowerPoint Presentation ID10643534 Rotary Vane Steering Gear Diagram Rotary vane steering gear, vane type steering gear explained with complete operation and maintenance procedures, locking of steering. Steering gear is the equipment provided on ships to turn the ship from port (left side ) to star board (right side ) or starboard to port while the ship is in motion during sailing. Kongsberg maritime (km) steering gears are designed. Rotary Vane Steering Gear Diagram.
From www.dqmarine.com
800Kn.m rotary vane hydraulic steering gear China 800Kn.m rotary vane hydraulic steering gear Rotary Vane Steering Gear Diagram A rotary vane type arrangement is used when the pressure requirement is 60 to 100 bar for producing the required torque. One of the main advantages is maximum torque. Learn about the rotary vane steering gear! Kongsberg maritime (km) steering gears are designed for safe operation with a minimum maintenance. A rotary vane steering gear consists of a rotor with. Rotary Vane Steering Gear Diagram.
From www.shipdeckequipment.com
Electric Hydraulic Rotary Vane Type Steering Gear Marine Hydraulic Steering Rotary Vane Steering Gear Diagram Kongsberg maritime (km) steering gears are designed for safe operation with a minimum maintenance. Steering gear is the equipment provided on ships to turn the ship from port (left side ) to star board (right side ) or starboard to port while the ship is in motion during sailing. One of the main advantages is maximum torque. A rotary vane. Rotary Vane Steering Gear Diagram.
From dlmarine.com
Rotary Vane Steering Gear Marine Steering Gear Manufacturer Rotary Vane Steering Gear Diagram Steering gear the rotary vane steering gear is an approved and preferred space saving system which makes the steering robust and safe. One of the main advantages is maximum torque. Steering gear is the equipment provided on ships to turn the ship from port (left side ) to star board (right side ) or starboard to port while the ship. Rotary Vane Steering Gear Diagram.
From www.youtube.com
Rotary Vane Type Steering Gear Steering Gear Room at Ship YouTube Rotary Vane Steering Gear Diagram Learn about the rotary vane steering gear! One of the main advantages is maximum torque. How it works, its components, design, advantages, disadvantages and applications. Kongsberg maritime (km) steering gears are designed for safe operation with a minimum maintenance. Steering gear the rotary vane steering gear is an approved and preferred space saving system which makes the steering robust and. Rotary Vane Steering Gear Diagram.
From www.meoexamnotes.in
Anchor bolts Rotary Vane Steering Gear Diagram Rotary vane steering gear, vane type steering gear explained with complete operation and maintenance procedures, locking of steering. A rotary vane type arrangement is used when the pressure requirement is 60 to 100 bar for producing the required torque. One of the main advantages is maximum torque. Kongsberg maritime (km) steering gears are designed for safe operation with a minimum. Rotary Vane Steering Gear Diagram.
From shipfever.com
Understanding Steering Gear System in Ships With Clarity ShipFever Rotary Vane Steering Gear Diagram A rotary vane steering gear consists of a rotor with vanes attached to the rudder stock and stator fixed on a foundation in the steering. Learn about the rotary vane steering gear! Steering gear the rotary vane steering gear is an approved and preferred space saving system which makes the steering robust and safe. A rotary vane type arrangement is. Rotary Vane Steering Gear Diagram.
From www.niceemarine.com
China Customized Rotary Vane Type Steering Gear Suppliers NICEE Rotary Vane Steering Gear Diagram Kongsberg maritime (km) steering gears are designed for safe operation with a minimum maintenance. Learn about the rotary vane steering gear! Rotary vane steering gear, vane type steering gear explained with complete operation and maintenance procedures, locking of steering. A rotary vane type arrangement is used when the pressure requirement is 60 to 100 bar for producing the required torque.. Rotary Vane Steering Gear Diagram.
From www.kongsberg.com
SR Series rotary vane steering gear KONGSBERG MARITIME Rotary Vane Steering Gear Diagram Learn about the rotary vane steering gear! Kongsberg maritime (km) steering gears are designed for safe operation with a minimum maintenance. A rotary vane type arrangement is used when the pressure requirement is 60 to 100 bar for producing the required torque. Rotary vane steering gear, vane type steering gear explained with complete operation and maintenance procedures, locking of steering.. Rotary Vane Steering Gear Diagram.
From www.researchgate.net
Rotary Vane Steering Gear System Download Scientific Diagram Rotary Vane Steering Gear Diagram Kongsberg maritime (km) steering gears are designed for safe operation with a minimum maintenance. Steering gear is the equipment provided on ships to turn the ship from port (left side ) to star board (right side ) or starboard to port while the ship is in motion during sailing. How it works, its components, design, advantages, disadvantages and applications. Steering. Rotary Vane Steering Gear Diagram.
From sgseafarers.com
Rotary Vane Steering Gear SINGAPORE SEAFARERS Rotary Vane Steering Gear Diagram One of the main advantages is maximum torque. How it works, its components, design, advantages, disadvantages and applications. A rotary vane type arrangement is used when the pressure requirement is 60 to 100 bar for producing the required torque. Learn about the rotary vane steering gear! Rotary vane steering gear, vane type steering gear explained with complete operation and maintenance. Rotary Vane Steering Gear Diagram.
From www.deyuanmarine.com
Rotary Vane Electrohydraulic Steering Gear for vessel from China manufacturer China Deyuan Marine Rotary Vane Steering Gear Diagram Kongsberg maritime (km) steering gears are designed for safe operation with a minimum maintenance. A rotary vane type arrangement is used when the pressure requirement is 60 to 100 bar for producing the required torque. Rotary vane steering gear, vane type steering gear explained with complete operation and maintenance procedures, locking of steering. Steering gear is the equipment provided on. Rotary Vane Steering Gear Diagram.
From www.japanham.com
Foundation Integrated Jtype Rotary Vane Steering Gears|Introduction to Products|JAPAN HAMWORTHY Rotary Vane Steering Gear Diagram How it works, its components, design, advantages, disadvantages and applications. A rotary vane type arrangement is used when the pressure requirement is 60 to 100 bar for producing the required torque. A rotary vane steering gear consists of a rotor with vanes attached to the rudder stock and stator fixed on a foundation in the steering. Rotary vane steering gear,. Rotary Vane Steering Gear Diagram.
From dieselship.com
Rotary vane steering gear Rotary Vane Steering Gear Diagram Rotary vane steering gear, vane type steering gear explained with complete operation and maintenance procedures, locking of steering. Learn about the rotary vane steering gear! Steering gear the rotary vane steering gear is an approved and preferred space saving system which makes the steering robust and safe. A rotary vane steering gear consists of a rotor with vanes attached to. Rotary Vane Steering Gear Diagram.
From www.slideserve.com
PPT Steering Gear GME PowerPoint Presentation ID1954516 Rotary Vane Steering Gear Diagram Learn about the rotary vane steering gear! A rotary vane type arrangement is used when the pressure requirement is 60 to 100 bar for producing the required torque. Steering gear is the equipment provided on ships to turn the ship from port (left side ) to star board (right side ) or starboard to port while the ship is in. Rotary Vane Steering Gear Diagram.
From www.meoexamnotes.in
Rotary vane Steering gear Rotary Vane Steering Gear Diagram Steering gear is the equipment provided on ships to turn the ship from port (left side ) to star board (right side ) or starboard to port while the ship is in motion during sailing. One of the main advantages is maximum torque. Rotary vane steering gear, vane type steering gear explained with complete operation and maintenance procedures, locking of. Rotary Vane Steering Gear Diagram.
From seatracker.ru
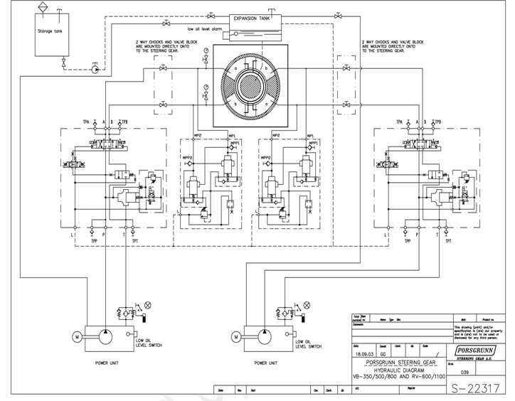
Porsgrunn Rotary Vane Steering Gear System (Type 800600/2) User Manual Aker Porsgrunn AS Rotary Vane Steering Gear Diagram Rotary vane steering gear, vane type steering gear explained with complete operation and maintenance procedures, locking of steering. Kongsberg maritime (km) steering gears are designed for safe operation with a minimum maintenance. Steering gear the rotary vane steering gear is an approved and preferred space saving system which makes the steering robust and safe. One of the main advantages is. Rotary Vane Steering Gear Diagram.
From dieselship.com
Rotary vane steering gear Rotary Vane Steering Gear Diagram Rotary vane steering gear, vane type steering gear explained with complete operation and maintenance procedures, locking of steering. Steering gear is the equipment provided on ships to turn the ship from port (left side ) to star board (right side ) or starboard to port while the ship is in motion during sailing. One of the main advantages is maximum. Rotary Vane Steering Gear Diagram.
From www.macgregor.com
Rotary vane steering gear Rotary Vane Steering Gear Diagram Steering gear the rotary vane steering gear is an approved and preferred space saving system which makes the steering robust and safe. A rotary vane steering gear consists of a rotor with vanes attached to the rudder stock and stator fixed on a foundation in the steering. A rotary vane type arrangement is used when the pressure requirement is 60. Rotary Vane Steering Gear Diagram.
From www.seafarermedia.com
Rotary Vane Steering 4 Rotary Vane Steering Gear Diagram Steering gear is the equipment provided on ships to turn the ship from port (left side ) to star board (right side ) or starboard to port while the ship is in motion during sailing. A rotary vane steering gear consists of a rotor with vanes attached to the rudder stock and stator fixed on a foundation in the steering.. Rotary Vane Steering Gear Diagram.
From kzscollection.blogspot.com
talk about steering gear system Rotary Vane Steering Gear Diagram A rotary vane steering gear consists of a rotor with vanes attached to the rudder stock and stator fixed on a foundation in the steering. How it works, its components, design, advantages, disadvantages and applications. Kongsberg maritime (km) steering gears are designed for safe operation with a minimum maintenance. A rotary vane type arrangement is used when the pressure requirement. Rotary Vane Steering Gear Diagram.
From www.google.com
Patent EP1445192A1 Steering engine installation method and rotary vane steering engine Rotary Vane Steering Gear Diagram Kongsberg maritime (km) steering gears are designed for safe operation with a minimum maintenance. Rotary vane steering gear, vane type steering gear explained with complete operation and maintenance procedures, locking of steering. Learn about the rotary vane steering gear! A rotary vane type arrangement is used when the pressure requirement is 60 to 100 bar for producing the required torque.. Rotary Vane Steering Gear Diagram.
From diagramlibrarychapess.z13.web.core.windows.net
Steering Gear System Diagram Rotary Vane Steering Gear Diagram Steering gear the rotary vane steering gear is an approved and preferred space saving system which makes the steering robust and safe. A rotary vane steering gear consists of a rotor with vanes attached to the rudder stock and stator fixed on a foundation in the steering. Steering gear is the equipment provided on ships to turn the ship from. Rotary Vane Steering Gear Diagram.
From www.pinterest.fr
Rotary Vane Pump Definition, Types, Working, Components, Application, Advantages, Disadvantages Rotary Vane Steering Gear Diagram Steering gear the rotary vane steering gear is an approved and preferred space saving system which makes the steering robust and safe. A rotary vane type arrangement is used when the pressure requirement is 60 to 100 bar for producing the required torque. Rotary vane steering gear, vane type steering gear explained with complete operation and maintenance procedures, locking of. Rotary Vane Steering Gear Diagram.
From www.researchgate.net
Schematic diagram of steering gear hydraulic system. Download Scientific Diagram Rotary Vane Steering Gear Diagram How it works, its components, design, advantages, disadvantages and applications. Kongsberg maritime (km) steering gears are designed for safe operation with a minimum maintenance. A rotary vane steering gear consists of a rotor with vanes attached to the rudder stock and stator fixed on a foundation in the steering. Steering gear the rotary vane steering gear is an approved and. Rotary Vane Steering Gear Diagram.
From dieselship.com
Rotary vane steering gear Rotary Vane Steering Gear Diagram Steering gear the rotary vane steering gear is an approved and preferred space saving system which makes the steering robust and safe. A rotary vane steering gear consists of a rotor with vanes attached to the rudder stock and stator fixed on a foundation in the steering. Steering gear is the equipment provided on ships to turn the ship from. Rotary Vane Steering Gear Diagram.
From www.deyuanmarine.com
Rotary Vane Electrohydraulic Steering Gear for vessel from China manufacturer China Deyuan Marine Rotary Vane Steering Gear Diagram How it works, its components, design, advantages, disadvantages and applications. Kongsberg maritime (km) steering gears are designed for safe operation with a minimum maintenance. Steering gear the rotary vane steering gear is an approved and preferred space saving system which makes the steering robust and safe. One of the main advantages is maximum torque. A rotary vane steering gear consists. Rotary Vane Steering Gear Diagram.
From www.savree.com
Rotary Vane Steering Gear Explained saVRee Rotary Vane Steering Gear Diagram Steering gear is the equipment provided on ships to turn the ship from port (left side ) to star board (right side ) or starboard to port while the ship is in motion during sailing. How it works, its components, design, advantages, disadvantages and applications. Kongsberg maritime (km) steering gears are designed for safe operation with a minimum maintenance. One. Rotary Vane Steering Gear Diagram.
From dlmarine.com
Rotary Vane Steering Gear Marine Steering Gear Manufacturer Rotary Vane Steering Gear Diagram Rotary vane steering gear, vane type steering gear explained with complete operation and maintenance procedures, locking of steering. How it works, its components, design, advantages, disadvantages and applications. Steering gear the rotary vane steering gear is an approved and preferred space saving system which makes the steering robust and safe. A rotary vane type arrangement is used when the pressure. Rotary Vane Steering Gear Diagram.
From www.geocities.ws
orals notes for 2nd mates Rotary Vane Steering Gear Diagram A rotary vane steering gear consists of a rotor with vanes attached to the rudder stock and stator fixed on a foundation in the steering. Steering gear the rotary vane steering gear is an approved and preferred space saving system which makes the steering robust and safe. How it works, its components, design, advantages, disadvantages and applications. Rotary vane steering. Rotary Vane Steering Gear Diagram.