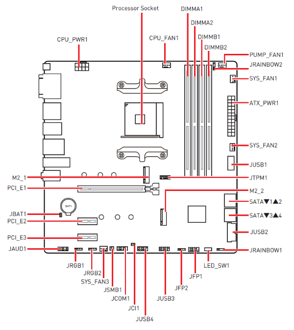
Msi Motherboard Connection Diagram . The common audio interfaces are usb, 6.3mm, 3.5mm jack. The msi b450 tomahawk max is an atx form factor motherboard that is designed to support amd processors with socket am4. Please download the latest bios file that matches your motherboard model from the msi® website. Loose connections may cause the computer to not recognize a component or fail to start. • liquid has penetrated into the computer. This quick start section provides demonstration diagrams about. How can i connect the front panel connectors to the motherboard? Locate the front panel connectors on the motherboard, and refer to the labeled headers to correctly connect the power button,. The motherboard has a maximum number of smp processors of. Please refer to the audio configuration guide in the product manual for the setup instructions. ∙ if any of the following situations arises, get the motherboard checked by service personnel: Rename the bios file to msi.rom, and save it to the root of the usb storage. Msi b760 gaming plus wifi user manual view and read online. ∙ ensure that all components are securely connected. ∙ hold the motherboard by the edges.
from wiringdatabaseinfo.blogspot.com
This quick start section provides demonstration diagrams about. The common audio interfaces are usb, 6.3mm, 3.5mm jack. The msi b450 tomahawk max is an atx form factor motherboard that is designed to support amd processors with socket am4. Connecting the front panel header. ∙ hold the motherboard by the edges. Rename the bios file to msi.rom, and save it to the root of the usb storage. Please refer to the audio configuration guide in the product manual for the setup instructions. Msi b760 gaming plus wifi user manual view and read online. Locate the front panel connectors on the motherboard, and refer to the labeled headers to correctly connect the power button,. How can i connect the front panel connectors to the motherboard?
Motherboard Front Panel Connection Diagram Wiring Site Resource
Msi Motherboard Connection Diagram Loose connections may cause the computer to not recognize a component or fail to start. Connecting the front panel header. How can i connect the front panel connectors to the motherboard? Loose connections may cause the computer to not recognize a component or fail to start. Please refer to the audio configuration guide in the product manual for the setup instructions. ∙ ensure that all components are securely connected. Locate the front panel connectors on the motherboard, and refer to the labeled headers to correctly connect the power button,. The msi b450 tomahawk max is an atx form factor motherboard that is designed to support amd processors with socket am4. Rename the bios file to msi.rom, and save it to the root of the usb storage. This quick start section provides demonstration diagrams about. • liquid has penetrated into the computer. The motherboard has a maximum number of smp processors of. Please download the latest bios file that matches your motherboard model from the msi® website. ∙ hold the motherboard by the edges. The common audio interfaces are usb, 6.3mm, 3.5mm jack. ∙ if any of the following situations arises, get the motherboard checked by service personnel:
From inforekomendasi.com
Msi Mag B760 Tomahawk Motherboard With Ddr4 Support Budget Friendly Msi Motherboard Connection Diagram Please refer to the audio configuration guide in the product manual for the setup instructions. Loose connections may cause the computer to not recognize a component or fail to start. The msi b450 tomahawk max is an atx form factor motherboard that is designed to support amd processors with socket am4. • liquid has penetrated into the computer. Please download. Msi Motherboard Connection Diagram.
From diagramdatabreeziest.z14.web.core.windows.net
Msi B550m Pro Vdh Wifi Micro Atx Motherboard Msi Motherboard Connection Diagram How can i connect the front panel connectors to the motherboard? The common audio interfaces are usb, 6.3mm, 3.5mm jack. • liquid has penetrated into the computer. ∙ if any of the following situations arises, get the motherboard checked by service personnel: Msi b760 gaming plus wifi user manual view and read online. ∙ hold the motherboard by the edges.. Msi Motherboard Connection Diagram.
From de.msi.com
MSI MPG B550 GAMING EDGE WIFI AMD AM4 DDR4 M.2 USB 3.2 Gen 2 HDMI ATX Msi Motherboard Connection Diagram How can i connect the front panel connectors to the motherboard? ∙ ensure that all components are securely connected. Loose connections may cause the computer to not recognize a component or fail to start. This quick start section provides demonstration diagrams about. The msi b450 tomahawk max is an atx form factor motherboard that is designed to support amd processors. Msi Motherboard Connection Diagram.
From jecikas2.blogspot.com
Computer Motherboard Power Switch Connection / Set Of 4 Computer Msi Motherboard Connection Diagram Loose connections may cause the computer to not recognize a component or fail to start. The motherboard has a maximum number of smp processors of. ∙ ensure that all components are securely connected. ∙ if any of the following situations arises, get the motherboard checked by service personnel: • liquid has penetrated into the computer. This quick start section provides. Msi Motherboard Connection Diagram.
From www.wootware.co.za
MSI PRO H610MB DDR4 Intel H610 Alder Lake LGA 1700 MicroATX Desktop Msi Motherboard Connection Diagram This quick start section provides demonstration diagrams about. Locate the front panel connectors on the motherboard, and refer to the labeled headers to correctly connect the power button,. Please download the latest bios file that matches your motherboard model from the msi® website. The msi b450 tomahawk max is an atx form factor motherboard that is designed to support amd. Msi Motherboard Connection Diagram.
From www.wiringtrust.com
Msi N1996 Motherboard Wiring Diagram Wiring Diagram Msi Motherboard Connection Diagram ∙ ensure that all components are securely connected. The motherboard has a maximum number of smp processors of. Loose connections may cause the computer to not recognize a component or fail to start. The msi b450 tomahawk max is an atx form factor motherboard that is designed to support amd processors with socket am4. Please refer to the audio configuration. Msi Motherboard Connection Diagram.
From medium.com
System Hardware Component Motherboard Computing Technology with IT Msi Motherboard Connection Diagram The common audio interfaces are usb, 6.3mm, 3.5mm jack. ∙ hold the motherboard by the edges. Please download the latest bios file that matches your motherboard model from the msi® website. Please refer to the audio configuration guide in the product manual for the setup instructions. Locate the front panel connectors on the motherboard, and refer to the labeled headers. Msi Motherboard Connection Diagram.
From enginelibparentages.z13.web.core.windows.net
Msi Motherboard How To Connect Front Panel Msi Motherboard Connection Diagram ∙ if any of the following situations arises, get the motherboard checked by service personnel: ∙ ensure that all components are securely connected. • liquid has penetrated into the computer. Rename the bios file to msi.rom, and save it to the root of the usb storage. Please refer to the audio configuration guide in the product manual for the setup. Msi Motherboard Connection Diagram.
From www.techpowerup.com
ASUS AMD X470 Motherboard Layout Drawings and Specs Sheets Leaked Msi Motherboard Connection Diagram Loose connections may cause the computer to not recognize a component or fail to start. How can i connect the front panel connectors to the motherboard? The common audio interfaces are usb, 6.3mm, 3.5mm jack. Please refer to the audio configuration guide in the product manual for the setup instructions. Locate the front panel connectors on the motherboard, and refer. Msi Motherboard Connection Diagram.
From www.youtube.com
Connecting your Case Front Panel connectors to your Motherboard YouTube Msi Motherboard Connection Diagram How can i connect the front panel connectors to the motherboard? Locate the front panel connectors on the motherboard, and refer to the labeled headers to correctly connect the power button,. Please download the latest bios file that matches your motherboard model from the msi® website. Loose connections may cause the computer to not recognize a component or fail to. Msi Motherboard Connection Diagram.
From wccftech.com
MSI MEG Z790 GODLIKE PCB Leaked Monster Motherboard With 29 Phase VRM Msi Motherboard Connection Diagram Rename the bios file to msi.rom, and save it to the root of the usb storage. How can i connect the front panel connectors to the motherboard? The common audio interfaces are usb, 6.3mm, 3.5mm jack. ∙ ensure that all components are securely connected. Please download the latest bios file that matches your motherboard model from the msi® website. Locate. Msi Motherboard Connection Diagram.
From wiringdatabaseinfo.blogspot.com
Motherboard Front Panel Connection Diagram Wiring Site Resource Msi Motherboard Connection Diagram This quick start section provides demonstration diagrams about. Connecting the front panel header. The motherboard has a maximum number of smp processors of. ∙ ensure that all components are securely connected. ∙ if any of the following situations arises, get the motherboard checked by service personnel: ∙ hold the motherboard by the edges. Loose connections may cause the computer to. Msi Motherboard Connection Diagram.
From www.wiringdigital.com
Msi N1996 Motherboard Wiring Diagram Wiring Digital and Schematic Msi Motherboard Connection Diagram ∙ ensure that all components are securely connected. Msi b760 gaming plus wifi user manual view and read online. ∙ hold the motherboard by the edges. Rename the bios file to msi.rom, and save it to the root of the usb storage. How can i connect the front panel connectors to the motherboard? The msi b450 tomahawk max is an. Msi Motherboard Connection Diagram.
From schematron.org
Msi Motherboard Wiring Diagram Wiring Diagram Pictures Msi Motherboard Connection Diagram Msi b760 gaming plus wifi user manual view and read online. Rename the bios file to msi.rom, and save it to the root of the usb storage. The motherboard has a maximum number of smp processors of. ∙ if any of the following situations arises, get the motherboard checked by service personnel: The common audio interfaces are usb, 6.3mm, 3.5mm. Msi Motherboard Connection Diagram.
From www.techpowerup.com
MSI X570 Motherboards Start Upward of 200€ TechPowerUp Msi Motherboard Connection Diagram Connecting the front panel header. • liquid has penetrated into the computer. ∙ ensure that all components are securely connected. Msi b760 gaming plus wifi user manual view and read online. This quick start section provides demonstration diagrams about. Locate the front panel connectors on the motherboard, and refer to the labeled headers to correctly connect the power button,. How. Msi Motherboard Connection Diagram.
From forum-en.msi.com
Aegis Motherboard powerpinout MSI Global English Forum Msi Motherboard Connection Diagram Please download the latest bios file that matches your motherboard model from the msi® website. The motherboard has a maximum number of smp processors of. Locate the front panel connectors on the motherboard, and refer to the labeled headers to correctly connect the power button,. How can i connect the front panel connectors to the motherboard? Loose connections may cause. Msi Motherboard Connection Diagram.
From www.cgdirector.com
Motherboard Audio Ports/Jacks Explained By Color Msi Motherboard Connection Diagram Loose connections may cause the computer to not recognize a component or fail to start. The msi b450 tomahawk max is an atx form factor motherboard that is designed to support amd processors with socket am4. Rename the bios file to msi.rom, and save it to the root of the usb storage. ∙ ensure that all components are securely connected.. Msi Motherboard Connection Diagram.
From wiringall.com
Msi Motherboard Wiring Diagram Msi Motherboard Connection Diagram ∙ hold the motherboard by the edges. Please refer to the audio configuration guide in the product manual for the setup instructions. ∙ if any of the following situations arises, get the motherboard checked by service personnel: Please download the latest bios file that matches your motherboard model from the msi® website. Msi b760 gaming plus wifi user manual view. Msi Motherboard Connection Diagram.
From geizhals.de
MSI PRO B650P WIFI Preisvergleich Geizhals Deutschland Msi Motherboard Connection Diagram Locate the front panel connectors on the motherboard, and refer to the labeled headers to correctly connect the power button,. How can i connect the front panel connectors to the motherboard? This quick start section provides demonstration diagrams about. ∙ ensure that all components are securely connected. The common audio interfaces are usb, 6.3mm, 3.5mm jack. Connecting the front panel. Msi Motherboard Connection Diagram.
From schematron.org
Msi Motherboard Wiring Diagram Wiring Diagram Pictures Msi Motherboard Connection Diagram The common audio interfaces are usb, 6.3mm, 3.5mm jack. Please download the latest bios file that matches your motherboard model from the msi® website. Msi b760 gaming plus wifi user manual view and read online. Connecting the front panel header. ∙ if any of the following situations arises, get the motherboard checked by service personnel: ∙ hold the motherboard by. Msi Motherboard Connection Diagram.
From forum-en.msi.com
z97m motherboard fan connector MSI Global English Forum Msi Motherboard Connection Diagram ∙ ensure that all components are securely connected. Please download the latest bios file that matches your motherboard model from the msi® website. ∙ if any of the following situations arises, get the motherboard checked by service personnel: The msi b450 tomahawk max is an atx form factor motherboard that is designed to support amd processors with socket am4. Loose. Msi Motherboard Connection Diagram.
From northernmicro.com
Motherboard Layout Msi Motherboard Connection Diagram Please refer to the audio configuration guide in the product manual for the setup instructions. The msi b450 tomahawk max is an atx form factor motherboard that is designed to support amd processors with socket am4. Locate the front panel connectors on the motherboard, and refer to the labeled headers to correctly connect the power button,. Rename the bios file. Msi Motherboard Connection Diagram.
From www.wiringdraw.com
Msi N1996 Motherboard Wiring Diagram Msi Motherboard Connection Diagram ∙ ensure that all components are securely connected. Connecting the front panel header. Please download the latest bios file that matches your motherboard model from the msi® website. Loose connections may cause the computer to not recognize a component or fail to start. Locate the front panel connectors on the motherboard, and refer to the labeled headers to correctly connect. Msi Motherboard Connection Diagram.
From diagramweb.net
Unveiling the Inner Workings of Msi Motherboards Schematics Decoded Msi Motherboard Connection Diagram Please refer to the audio configuration guide in the product manual for the setup instructions. Loose connections may cause the computer to not recognize a component or fail to start. ∙ hold the motherboard by the edges. Please download the latest bios file that matches your motherboard model from the msi® website. ∙ if any of the following situations arises,. Msi Motherboard Connection Diagram.
From community.medion.com
FAQ Specifications Mainboard "MSI B550M PROVDH W... MEDION Community Msi Motherboard Connection Diagram The motherboard has a maximum number of smp processors of. ∙ ensure that all components are securely connected. ∙ if any of the following situations arises, get the motherboard checked by service personnel: Rename the bios file to msi.rom, and save it to the root of the usb storage. This quick start section provides demonstration diagrams about. The common audio. Msi Motherboard Connection Diagram.
From www.caretxdigital.com
Msi N1996 Motherboard Wiring Diagram Wiring Diagram and Schematics Msi Motherboard Connection Diagram Msi b760 gaming plus wifi user manual view and read online. Locate the front panel connectors on the motherboard, and refer to the labeled headers to correctly connect the power button,. The common audio interfaces are usb, 6.3mm, 3.5mm jack. The motherboard has a maximum number of smp processors of. This quick start section provides demonstration diagrams about. ∙ ensure. Msi Motherboard Connection Diagram.
From jumpstarterdiscount.blogspot.com
Motherboard Front Panel Connection Diagram Wiring Diagram Msi Motherboard Connection Diagram • liquid has penetrated into the computer. Please download the latest bios file that matches your motherboard model from the msi® website. Msi b760 gaming plus wifi user manual view and read online. How can i connect the front panel connectors to the motherboard? Loose connections may cause the computer to not recognize a component or fail to start. Connecting. Msi Motherboard Connection Diagram.
From yarn-bay.blogspot.com
Msi N1996 Motherboard Wiring Diagram Yarn Bay Msi Motherboard Connection Diagram How can i connect the front panel connectors to the motherboard? Loose connections may cause the computer to not recognize a component or fail to start. Msi b760 gaming plus wifi user manual view and read online. • liquid has penetrated into the computer. ∙ hold the motherboard by the edges. Locate the front panel connectors on the motherboard, and. Msi Motherboard Connection Diagram.
From yarn-bay.blogspot.com
Msi N1996 Motherboard Wiring Diagram Yarn Bay Msi Motherboard Connection Diagram Please refer to the audio configuration guide in the product manual for the setup instructions. Loose connections may cause the computer to not recognize a component or fail to start. ∙ hold the motherboard by the edges. The motherboard has a maximum number of smp processors of. How can i connect the front panel connectors to the motherboard? ∙ ensure. Msi Motherboard Connection Diagram.
From schematron.org
Msi Motherboard Wiring Diagram Wiring Diagram Pictures Msi Motherboard Connection Diagram ∙ ensure that all components are securely connected. Msi b760 gaming plus wifi user manual view and read online. Locate the front panel connectors on the motherboard, and refer to the labeled headers to correctly connect the power button,. This quick start section provides demonstration diagrams about. Please refer to the audio configuration guide in the product manual for the. Msi Motherboard Connection Diagram.
From www.newegg.com
MSI PRO B450A PRO MAX AM4 ATX AMD Motherboard Msi Motherboard Connection Diagram ∙ if any of the following situations arises, get the motherboard checked by service personnel: The common audio interfaces are usb, 6.3mm, 3.5mm jack. Please refer to the audio configuration guide in the product manual for the setup instructions. Please download the latest bios file that matches your motherboard model from the msi® website. Msi b760 gaming plus wifi user. Msi Motherboard Connection Diagram.
From alldrawings.ru
MSI GX620 MSI MS1651 rev 0B Laptop Motherboard Diagram Msi Motherboard Connection Diagram How can i connect the front panel connectors to the motherboard? ∙ hold the motherboard by the edges. ∙ ensure that all components are securely connected. ∙ if any of the following situations arises, get the motherboard checked by service personnel: The msi b450 tomahawk max is an atx form factor motherboard that is designed to support amd processors with. Msi Motherboard Connection Diagram.
From wiringdiagram.2bitboer.com
Msi N1996 Motherboard Circuit Diagram Wiring Diagram Msi Motherboard Connection Diagram Msi b760 gaming plus wifi user manual view and read online. The motherboard has a maximum number of smp processors of. Connecting the front panel header. Rename the bios file to msi.rom, and save it to the root of the usb storage. ∙ ensure that all components are securely connected. This quick start section provides demonstration diagrams about. The common. Msi Motherboard Connection Diagram.
From manuals.plus
ASUS PRIME Z790P Motherboard User Guide Msi Motherboard Connection Diagram Rename the bios file to msi.rom, and save it to the root of the usb storage. The common audio interfaces are usb, 6.3mm, 3.5mm jack. The msi b450 tomahawk max is an atx form factor motherboard that is designed to support amd processors with socket am4. Loose connections may cause the computer to not recognize a component or fail to. Msi Motherboard Connection Diagram.
From fixdbkoertig.z19.web.core.windows.net
Gigabyte H61 Motherboard Schematic Diagram Msi Motherboard Connection Diagram The common audio interfaces are usb, 6.3mm, 3.5mm jack. Please refer to the audio configuration guide in the product manual for the setup instructions. Loose connections may cause the computer to not recognize a component or fail to start. The motherboard has a maximum number of smp processors of. This quick start section provides demonstration diagrams about. • liquid has. Msi Motherboard Connection Diagram.