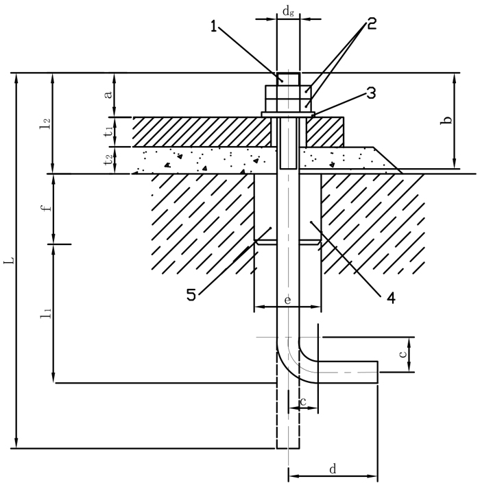
Anchor Bolts Lengths . Diameter (d) x length (l) x leg distance (c) x thread (t) manufacturing. It features a plate washer, at the. All sizes are in inches. It plays a crucial role in all types of. Standard anchor bolt sizes range from 1/4 inch to 4 inches in diameter, with lengths varying according to the specific requirements of the. The length of the bolt extending through is determined by how many. Anchor bolts and anchor rods. An anchor bolt is a staple fastener designed to clamp structural elements to concrete. This chart is available for referencing bent anchor bolt lengths. Anchor bolts are designed with the bolt coming through the fixture. Portland bolt manufactures and stocks plain finish and galvanized headed anchor bolts, threaded anchor rods, and bent anchor bolts from 1/2″ diameter.
from www.strukts.com
The length of the bolt extending through is determined by how many. Standard anchor bolt sizes range from 1/4 inch to 4 inches in diameter, with lengths varying according to the specific requirements of the. It features a plate washer, at the. It plays a crucial role in all types of. This chart is available for referencing bent anchor bolt lengths. Anchor bolts are designed with the bolt coming through the fixture. Portland bolt manufactures and stocks plain finish and galvanized headed anchor bolts, threaded anchor rods, and bent anchor bolts from 1/2″ diameter. Diameter (d) x length (l) x leg distance (c) x thread (t) manufacturing. Anchor bolts and anchor rods. An anchor bolt is a staple fastener designed to clamp structural elements to concrete.
Standard Anchor Bolts Strukts
Anchor Bolts Lengths Anchor bolts are designed with the bolt coming through the fixture. It plays a crucial role in all types of. Diameter (d) x length (l) x leg distance (c) x thread (t) manufacturing. Anchor bolts are designed with the bolt coming through the fixture. It features a plate washer, at the. This chart is available for referencing bent anchor bolt lengths. Portland bolt manufactures and stocks plain finish and galvanized headed anchor bolts, threaded anchor rods, and bent anchor bolts from 1/2″ diameter. An anchor bolt is a staple fastener designed to clamp structural elements to concrete. The length of the bolt extending through is determined by how many. All sizes are in inches. Standard anchor bolt sizes range from 1/4 inch to 4 inches in diameter, with lengths varying according to the specific requirements of the. Anchor bolts and anchor rods.
From www.kenenghardware.com
Anchor Bolts and Expansion Bolts What are the Differences KENENG Anchor Bolts Lengths Portland bolt manufactures and stocks plain finish and galvanized headed anchor bolts, threaded anchor rods, and bent anchor bolts from 1/2″ diameter. Standard anchor bolt sizes range from 1/4 inch to 4 inches in diameter, with lengths varying according to the specific requirements of the. The length of the bolt extending through is determined by how many. This chart is. Anchor Bolts Lengths.
From www.haydonbolts.com
Anchor Bolt Configurations Haydon BoltsHaydon Bolts Anchor Bolts Lengths Portland bolt manufactures and stocks plain finish and galvanized headed anchor bolts, threaded anchor rods, and bent anchor bolts from 1/2″ diameter. An anchor bolt is a staple fastener designed to clamp structural elements to concrete. Anchor bolts are designed with the bolt coming through the fixture. It plays a crucial role in all types of. It features a plate. Anchor Bolts Lengths.
From dxoehcwpg.blob.core.windows.net
Anchor Bolt Dimensions Standard at Tina Leiser blog Anchor Bolts Lengths Anchor bolts and anchor rods. Diameter (d) x length (l) x leg distance (c) x thread (t) manufacturing. It features a plate washer, at the. The length of the bolt extending through is determined by how many. An anchor bolt is a staple fastener designed to clamp structural elements to concrete. It plays a crucial role in all types of.. Anchor Bolts Lengths.
From mungfali.com
Anchor Bolt Dimensions Anchor Bolts Lengths All sizes are in inches. Portland bolt manufactures and stocks plain finish and galvanized headed anchor bolts, threaded anchor rods, and bent anchor bolts from 1/2″ diameter. It plays a crucial role in all types of. The length of the bolt extending through is determined by how many. Anchor bolts and anchor rods. An anchor bolt is a staple fastener. Anchor Bolts Lengths.
From engineeringdiscoveries.com
What Are Anchor Bolts? Their Types And Usages Engineering Discoveries Anchor Bolts Lengths This chart is available for referencing bent anchor bolt lengths. It features a plate washer, at the. Portland bolt manufactures and stocks plain finish and galvanized headed anchor bolts, threaded anchor rods, and bent anchor bolts from 1/2″ diameter. Diameter (d) x length (l) x leg distance (c) x thread (t) manufacturing. Standard anchor bolt sizes range from 1/4 inch. Anchor Bolts Lengths.
From www.badensteel.com
Metric Anchor Bolts — Baden Steelbar & Bolt Corp. Anchor Bolts Lengths Portland bolt manufactures and stocks plain finish and galvanized headed anchor bolts, threaded anchor rods, and bent anchor bolts from 1/2″ diameter. It features a plate washer, at the. It plays a crucial role in all types of. Anchor bolts are designed with the bolt coming through the fixture. Anchor bolts and anchor rods. This chart is available for referencing. Anchor Bolts Lengths.
From www.pwrmfg.com
Anchor Bolts Power Manufacturing Anchor Bolts Lengths Standard anchor bolt sizes range from 1/4 inch to 4 inches in diameter, with lengths varying according to the specific requirements of the. It features a plate washer, at the. Diameter (d) x length (l) x leg distance (c) x thread (t) manufacturing. An anchor bolt is a staple fastener designed to clamp structural elements to concrete. Anchor bolts are. Anchor Bolts Lengths.
From www.iqsdirectory.com
Types of Bolts Types, Components, and Fastener Terms Anchor Bolts Lengths Anchor bolts are designed with the bolt coming through the fixture. Diameter (d) x length (l) x leg distance (c) x thread (t) manufacturing. It features a plate washer, at the. An anchor bolt is a staple fastener designed to clamp structural elements to concrete. This chart is available for referencing bent anchor bolt lengths. Anchor bolts and anchor rods.. Anchor Bolts Lengths.
From mavink.com
Anchor Bolt Size Chart Actual Anchor Bolts Lengths Anchor bolts and anchor rods. Anchor bolts are designed with the bolt coming through the fixture. Diameter (d) x length (l) x leg distance (c) x thread (t) manufacturing. An anchor bolt is a staple fastener designed to clamp structural elements to concrete. All sizes are in inches. The length of the bolt extending through is determined by how many.. Anchor Bolts Lengths.
From mavink.com
Concrete Anchor Bolt Sizes Anchor Bolts Lengths The length of the bolt extending through is determined by how many. Portland bolt manufactures and stocks plain finish and galvanized headed anchor bolts, threaded anchor rods, and bent anchor bolts from 1/2″ diameter. It plays a crucial role in all types of. An anchor bolt is a staple fastener designed to clamp structural elements to concrete. All sizes are. Anchor Bolts Lengths.
From www.jigneshsteel.com
ASTM A307 Bolts and SA 307 Grade B Threaded Rod/ Anchor/ Stud/ Hex Bolt Anchor Bolts Lengths It plays a crucial role in all types of. Portland bolt manufactures and stocks plain finish and galvanized headed anchor bolts, threaded anchor rods, and bent anchor bolts from 1/2″ diameter. Standard anchor bolt sizes range from 1/4 inch to 4 inches in diameter, with lengths varying according to the specific requirements of the. An anchor bolt is a staple. Anchor Bolts Lengths.
From demiwalton.z13.web.core.windows.net
Anchor Bolt Drill Size Chart Anchor Bolts Lengths All sizes are in inches. Portland bolt manufactures and stocks plain finish and galvanized headed anchor bolts, threaded anchor rods, and bent anchor bolts from 1/2″ diameter. Standard anchor bolt sizes range from 1/4 inch to 4 inches in diameter, with lengths varying according to the specific requirements of the. An anchor bolt is a staple fastener designed to clamp. Anchor Bolts Lengths.
From www.scribd.com
Hilti Anchors Screw Galvanization Anchor Bolts Lengths Standard anchor bolt sizes range from 1/4 inch to 4 inches in diameter, with lengths varying according to the specific requirements of the. The length of the bolt extending through is determined by how many. It features a plate washer, at the. Anchor bolts and anchor rods. Diameter (d) x length (l) x leg distance (c) x thread (t) manufacturing.. Anchor Bolts Lengths.
From www.excelcalcs.com
Bolt length calculator Anchor Bolts Lengths All sizes are in inches. Anchor bolts are designed with the bolt coming through the fixture. Portland bolt manufactures and stocks plain finish and galvanized headed anchor bolts, threaded anchor rods, and bent anchor bolts from 1/2″ diameter. It features a plate washer, at the. It plays a crucial role in all types of. Standard anchor bolt sizes range from. Anchor Bolts Lengths.
From punchlistzero.com
Anchor Bolts Understanding Specifications and Types Anchor Bolts Lengths This chart is available for referencing bent anchor bolt lengths. It features a plate washer, at the. It plays a crucial role in all types of. Diameter (d) x length (l) x leg distance (c) x thread (t) manufacturing. Standard anchor bolt sizes range from 1/4 inch to 4 inches in diameter, with lengths varying according to the specific requirements. Anchor Bolts Lengths.
From www.ashinthewild.com
Anchor Bolt Size Chart A Comprehensive Guide For 2023 Ash in The Wild Anchor Bolts Lengths The length of the bolt extending through is determined by how many. Anchor bolts and anchor rods. Diameter (d) x length (l) x leg distance (c) x thread (t) manufacturing. Standard anchor bolt sizes range from 1/4 inch to 4 inches in diameter, with lengths varying according to the specific requirements of the. It plays a crucial role in all. Anchor Bolts Lengths.
From mungfali.com
Anchor Bolt Specification Chart Anchor Bolts Lengths It plays a crucial role in all types of. An anchor bolt is a staple fastener designed to clamp structural elements to concrete. Anchor bolts and anchor rods. Standard anchor bolt sizes range from 1/4 inch to 4 inches in diameter, with lengths varying according to the specific requirements of the. This chart is available for referencing bent anchor bolt. Anchor Bolts Lengths.
From www.badensteel.com
Metric Anchor Bolts — Baden Steelbar & Bolt Corp. Anchor Bolts Lengths Diameter (d) x length (l) x leg distance (c) x thread (t) manufacturing. An anchor bolt is a staple fastener designed to clamp structural elements to concrete. The length of the bolt extending through is determined by how many. Anchor bolts and anchor rods. Standard anchor bolt sizes range from 1/4 inch to 4 inches in diameter, with lengths varying. Anchor Bolts Lengths.
From dxoehcwpg.blob.core.windows.net
Anchor Bolt Dimensions Standard at Tina Leiser blog Anchor Bolts Lengths It features a plate washer, at the. It plays a crucial role in all types of. Anchor bolts and anchor rods. The length of the bolt extending through is determined by how many. Portland bolt manufactures and stocks plain finish and galvanized headed anchor bolts, threaded anchor rods, and bent anchor bolts from 1/2″ diameter. Diameter (d) x length (l). Anchor Bolts Lengths.
From faithgough.z19.web.core.windows.net
Anchor Bolt Size Chart Pdf Anchor Bolts Lengths Anchor bolts are designed with the bolt coming through the fixture. Anchor bolts and anchor rods. Portland bolt manufactures and stocks plain finish and galvanized headed anchor bolts, threaded anchor rods, and bent anchor bolts from 1/2″ diameter. This chart is available for referencing bent anchor bolt lengths. Standard anchor bolt sizes range from 1/4 inch to 4 inches in. Anchor Bolts Lengths.
From www.qualitynutandbolt.com
ANCHOR BOLTS Anchor Bolts Lengths Diameter (d) x length (l) x leg distance (c) x thread (t) manufacturing. Anchor bolts are designed with the bolt coming through the fixture. Standard anchor bolt sizes range from 1/4 inch to 4 inches in diameter, with lengths varying according to the specific requirements of the. Anchor bolts and anchor rods. It plays a crucial role in all types. Anchor Bolts Lengths.
From bradleyabbott.z13.web.core.windows.net
Anchor Bolt Size Chart Anchor Bolts Lengths It plays a crucial role in all types of. All sizes are in inches. Standard anchor bolt sizes range from 1/4 inch to 4 inches in diameter, with lengths varying according to the specific requirements of the. Portland bolt manufactures and stocks plain finish and galvanized headed anchor bolts, threaded anchor rods, and bent anchor bolts from 1/2″ diameter. It. Anchor Bolts Lengths.
From engineeringlearn.com
8 Types of Bolts and Their Uses [with Pictures & Names] Engineering Learn Anchor Bolts Lengths Anchor bolts are designed with the bolt coming through the fixture. Diameter (d) x length (l) x leg distance (c) x thread (t) manufacturing. It plays a crucial role in all types of. It features a plate washer, at the. This chart is available for referencing bent anchor bolt lengths. Portland bolt manufactures and stocks plain finish and galvanized headed. Anchor Bolts Lengths.
From www.scribd.com
Anchor_Bolts_Metric_Series_Dimensions_mm PDF Anchor Bolts Lengths Anchor bolts and anchor rods. The length of the bolt extending through is determined by how many. Diameter (d) x length (l) x leg distance (c) x thread (t) manufacturing. Anchor bolts are designed with the bolt coming through the fixture. An anchor bolt is a staple fastener designed to clamp structural elements to concrete. Portland bolt manufactures and stocks. Anchor Bolts Lengths.
From elchoroukhost.net
Standard Bolt Length Table Elcho Table Anchor Bolts Lengths Anchor bolts are designed with the bolt coming through the fixture. It plays a crucial role in all types of. Portland bolt manufactures and stocks plain finish and galvanized headed anchor bolts, threaded anchor rods, and bent anchor bolts from 1/2″ diameter. An anchor bolt is a staple fastener designed to clamp structural elements to concrete. Anchor bolts and anchor. Anchor Bolts Lengths.
From mungfali.com
Anchor Bolt Specification Chart Anchor Bolts Lengths Portland bolt manufactures and stocks plain finish and galvanized headed anchor bolts, threaded anchor rods, and bent anchor bolts from 1/2″ diameter. Anchor bolts and anchor rods. It plays a crucial role in all types of. Standard anchor bolt sizes range from 1/4 inch to 4 inches in diameter, with lengths varying according to the specific requirements of the. This. Anchor Bolts Lengths.
From blog.thepipingmart.com
Selection, Grouping, and Use of Anchor Bolts Anchor Bolts Lengths Portland bolt manufactures and stocks plain finish and galvanized headed anchor bolts, threaded anchor rods, and bent anchor bolts from 1/2″ diameter. An anchor bolt is a staple fastener designed to clamp structural elements to concrete. Anchor bolts are designed with the bolt coming through the fixture. Standard anchor bolt sizes range from 1/4 inch to 4 inches in diameter,. Anchor Bolts Lengths.
From kikiaxela.blogspot.com
Anchor Bolt Length Chart / Anchors AMG Metals Inc. Anchor bolt Anchor Bolts Lengths It features a plate washer, at the. Diameter (d) x length (l) x leg distance (c) x thread (t) manufacturing. Anchor bolts and anchor rods. An anchor bolt is a staple fastener designed to clamp structural elements to concrete. Anchor bolts are designed with the bolt coming through the fixture. All sizes are in inches. Standard anchor bolt sizes range. Anchor Bolts Lengths.
From mungfali.com
Anchor Bolt Specification Chart Anchor Bolts Lengths It features a plate washer, at the. Anchor bolts are designed with the bolt coming through the fixture. Diameter (d) x length (l) x leg distance (c) x thread (t) manufacturing. Portland bolt manufactures and stocks plain finish and galvanized headed anchor bolts, threaded anchor rods, and bent anchor bolts from 1/2″ diameter. An anchor bolt is a staple fastener. Anchor Bolts Lengths.
From mavink.com
Concrete Anchor Bolt Sizes Anchor Bolts Lengths It features a plate washer, at the. Portland bolt manufactures and stocks plain finish and galvanized headed anchor bolts, threaded anchor rods, and bent anchor bolts from 1/2″ diameter. It plays a crucial role in all types of. An anchor bolt is a staple fastener designed to clamp structural elements to concrete. Anchor bolts are designed with the bolt coming. Anchor Bolts Lengths.
From kikiaxela.blogspot.com
Anchor Bolt Length Chart / Anchors AMG Metals Inc. Anchor bolt Anchor Bolts Lengths The length of the bolt extending through is determined by how many. Anchor bolts and anchor rods. All sizes are in inches. Standard anchor bolt sizes range from 1/4 inch to 4 inches in diameter, with lengths varying according to the specific requirements of the. It plays a crucial role in all types of. This chart is available for referencing. Anchor Bolts Lengths.
From kikiaxela.blogspot.com
Anchor Bolt Length Chart / Anchors AMG Metals Inc. Anchor bolt Anchor Bolts Lengths It plays a crucial role in all types of. This chart is available for referencing bent anchor bolt lengths. It features a plate washer, at the. Standard anchor bolt sizes range from 1/4 inch to 4 inches in diameter, with lengths varying according to the specific requirements of the. Anchor bolts and anchor rods. Anchor bolts are designed with the. Anchor Bolts Lengths.
From metalcorebd.com
Anchor Bolts Metal Core Limited Anchor Bolts Lengths Portland bolt manufactures and stocks plain finish and galvanized headed anchor bolts, threaded anchor rods, and bent anchor bolts from 1/2″ diameter. An anchor bolt is a staple fastener designed to clamp structural elements to concrete. Anchor bolts and anchor rods. It features a plate washer, at the. Diameter (d) x length (l) x leg distance (c) x thread (t). Anchor Bolts Lengths.
From www.strukts.com
Standard Anchor Bolts Strukts Anchor Bolts Lengths Anchor bolts are designed with the bolt coming through the fixture. It features a plate washer, at the. This chart is available for referencing bent anchor bolt lengths. The length of the bolt extending through is determined by how many. Anchor bolts and anchor rods. Standard anchor bolt sizes range from 1/4 inch to 4 inches in diameter, with lengths. Anchor Bolts Lengths.
From punchlistzero.com
Anchor Bolts Specification and Types Punchlist Zero What to Know Anchor Bolts Lengths All sizes are in inches. The length of the bolt extending through is determined by how many. It features a plate washer, at the. This chart is available for referencing bent anchor bolt lengths. Diameter (d) x length (l) x leg distance (c) x thread (t) manufacturing. An anchor bolt is a staple fastener designed to clamp structural elements to. Anchor Bolts Lengths.