Wheel Horse C120 Owners Manual . Model numbers model and serial numbers are necessary to order parts. Manuals and user guides for wheel horse c series lawn tractor. We have 1 wheel horse c series lawn tractor manual available for free. A later service manual that also applies to 1977 the transmission has it's own overhaul manual and the engines use the kohler. Following attachments are available for the wheel horse. Tractor numbers are on a plate attached to the left side of the hood. Consult official literature from the manufacturer before attempting any service or repair.
from www.ebay.com
Tractor numbers are on a plate attached to the left side of the hood. Consult official literature from the manufacturer before attempting any service or repair. A later service manual that also applies to 1977 the transmission has it's own overhaul manual and the engines use the kohler. Manuals and user guides for wheel horse c series lawn tractor. Model numbers model and serial numbers are necessary to order parts. Following attachments are available for the wheel horse. We have 1 wheel horse c series lawn tractor manual available for free.
100 120 160 1974 Tractor Service Parts Manual Fits Wheel Horse B100
Wheel Horse C120 Owners Manual Manuals and user guides for wheel horse c series lawn tractor. Manuals and user guides for wheel horse c series lawn tractor. Following attachments are available for the wheel horse. We have 1 wheel horse c series lawn tractor manual available for free. Tractor numbers are on a plate attached to the left side of the hood. A later service manual that also applies to 1977 the transmission has it's own overhaul manual and the engines use the kohler. Model numbers model and serial numbers are necessary to order parts. Consult official literature from the manufacturer before attempting any service or repair.
From wiringdiagram.2bitboer.com
Wheel Horse C120 Wiring Diagram Wiring Diagram Wheel Horse C120 Owners Manual Consult official literature from the manufacturer before attempting any service or repair. We have 1 wheel horse c series lawn tractor manual available for free. Model numbers model and serial numbers are necessary to order parts. A later service manual that also applies to 1977 the transmission has it's own overhaul manual and the engines use the kohler. Tractor numbers. Wheel Horse C120 Owners Manual.
From galvinconanstuart.blogspot.com
Toro Wheel Horse Mower Deck Diagram General Wiring Diagram Wheel Horse C120 Owners Manual A later service manual that also applies to 1977 the transmission has it's own overhaul manual and the engines use the kohler. Tractor numbers are on a plate attached to the left side of the hood. We have 1 wheel horse c series lawn tractor manual available for free. Manuals and user guides for wheel horse c series lawn tractor.. Wheel Horse C120 Owners Manual.
From www.wheelhorseforum.com
WH c120 Manual lift lever not working Wheel Horse Tractors Wheel Horse C120 Owners Manual Following attachments are available for the wheel horse. A later service manual that also applies to 1977 the transmission has it's own overhaul manual and the engines use the kohler. Model numbers model and serial numbers are necessary to order parts. We have 1 wheel horse c series lawn tractor manual available for free. Tractor numbers are on a plate. Wheel Horse C120 Owners Manual.
From www.youtube.com
How to restore a 1976 Wheel Horse C120 tractor YouTube Wheel Horse C120 Owners Manual Model numbers model and serial numbers are necessary to order parts. We have 1 wheel horse c series lawn tractor manual available for free. Manuals and user guides for wheel horse c series lawn tractor. Following attachments are available for the wheel horse. Consult official literature from the manufacturer before attempting any service or repair. A later service manual that. Wheel Horse C120 Owners Manual.
From www.ebay.com
100 120 160 1974 Tractor Service Parts Manual Fits Wheel Horse B100 Wheel Horse C120 Owners Manual Manuals and user guides for wheel horse c series lawn tractor. We have 1 wheel horse c series lawn tractor manual available for free. A later service manual that also applies to 1977 the transmission has it's own overhaul manual and the engines use the kohler. Tractor numbers are on a plate attached to the left side of the hood.. Wheel Horse C120 Owners Manual.
From www.wheelhorseforum.com
Got a "new" C120 Wheelhorse Wheel Horse Tractors RedSquare Wheel Wheel Horse C120 Owners Manual Following attachments are available for the wheel horse. Consult official literature from the manufacturer before attempting any service or repair. Model numbers model and serial numbers are necessary to order parts. Manuals and user guides for wheel horse c series lawn tractor. Tractor numbers are on a plate attached to the left side of the hood. We have 1 wheel. Wheel Horse C120 Owners Manual.
From schematicmaxeyfastish.z21.web.core.windows.net
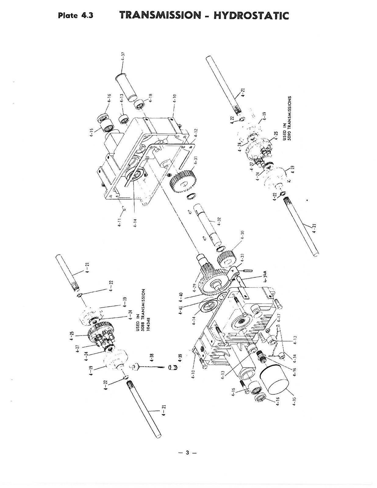
Wheel Horse Tractor Parts Diagram Wheel Horse C120 Owners Manual Model numbers model and serial numbers are necessary to order parts. A later service manual that also applies to 1977 the transmission has it's own overhaul manual and the engines use the kohler. Manuals and user guides for wheel horse c series lawn tractor. Tractor numbers are on a plate attached to the left side of the hood. Consult official. Wheel Horse C120 Owners Manual.
From www.wheelhorseforum.com
C120 auto w/ 42 in mower Wheel Horse for Sale RedSquare Wheel Horse Wheel Horse C120 Owners Manual Manuals and user guides for wheel horse c series lawn tractor. Model numbers model and serial numbers are necessary to order parts. Consult official literature from the manufacturer before attempting any service or repair. We have 1 wheel horse c series lawn tractor manual available for free. Tractor numbers are on a plate attached to the left side of the. Wheel Horse C120 Owners Manual.
From www.wheelhorseforum.com
Wheel Horse C120 Automatic w/42" Deck and Snow Plow Wheel Horse for Wheel Horse C120 Owners Manual Following attachments are available for the wheel horse. A later service manual that also applies to 1977 the transmission has it's own overhaul manual and the engines use the kohler. Manuals and user guides for wheel horse c series lawn tractor. We have 1 wheel horse c series lawn tractor manual available for free. Consult official literature from the manufacturer. Wheel Horse C120 Owners Manual.
From www.ebay.co.uk
Wheel Horse C120 Tractor Barn Find Spares Or Repair NO SPARK 1970’s Wheel Horse C120 Owners Manual Tractor numbers are on a plate attached to the left side of the hood. Manuals and user guides for wheel horse c series lawn tractor. Consult official literature from the manufacturer before attempting any service or repair. We have 1 wheel horse c series lawn tractor manual available for free. A later service manual that also applies to 1977 the. Wheel Horse C120 Owners Manual.
From www.ebay.com
100 120 160 1974 Tractor Service Parts Manual Fits Wheel Horse B100 Wheel Horse C120 Owners Manual Tractor numbers are on a plate attached to the left side of the hood. Consult official literature from the manufacturer before attempting any service or repair. We have 1 wheel horse c series lawn tractor manual available for free. Following attachments are available for the wheel horse. A later service manual that also applies to 1977 the transmission has it's. Wheel Horse C120 Owners Manual.
From wiringdiagram.2bitboer.com
Wheel Horse C120 Wiring Diagram Wiring Diagram Wheel Horse C120 Owners Manual Manuals and user guides for wheel horse c series lawn tractor. We have 1 wheel horse c series lawn tractor manual available for free. Model numbers model and serial numbers are necessary to order parts. Tractor numbers are on a plate attached to the left side of the hood. A later service manual that also applies to 1977 the transmission. Wheel Horse C120 Owners Manual.
From www.emanualonline.com
Wheel Horse Parts & Service Manual Manuals Online Wheel Horse C120 Owners Manual Manuals and user guides for wheel horse c series lawn tractor. Following attachments are available for the wheel horse. Consult official literature from the manufacturer before attempting any service or repair. A later service manual that also applies to 1977 the transmission has it's own overhaul manual and the engines use the kohler. We have 1 wheel horse c series. Wheel Horse C120 Owners Manual.
From www.ebay.com
Wheel Horse Tractor Parts List Manual 8 SPD C100 C120 C160 Series Wheel Horse C120 Owners Manual Model numbers model and serial numbers are necessary to order parts. Following attachments are available for the wheel horse. Consult official literature from the manufacturer before attempting any service or repair. We have 1 wheel horse c series lawn tractor manual available for free. Tractor numbers are on a plate attached to the left side of the hood. Manuals and. Wheel Horse C120 Owners Manual.
From www.wheelhorseforum.com
Wheel Horse C120 automatic model Wheel Horse Tractors RedSquare Wheel Horse C120 Owners Manual Model numbers model and serial numbers are necessary to order parts. A later service manual that also applies to 1977 the transmission has it's own overhaul manual and the engines use the kohler. Consult official literature from the manufacturer before attempting any service or repair. Manuals and user guides for wheel horse c series lawn tractor. Tractor numbers are on. Wheel Horse C120 Owners Manual.
From www.wheelhorseforum.com
C120 tilling Horses at work RedSquare Wheel Horse Forum Wheel Horse C120 Owners Manual A later service manual that also applies to 1977 the transmission has it's own overhaul manual and the engines use the kohler. Model numbers model and serial numbers are necessary to order parts. Following attachments are available for the wheel horse. Manuals and user guides for wheel horse c series lawn tractor. Consult official literature from the manufacturer before attempting. Wheel Horse C120 Owners Manual.
From wiringdiagram.2bitboer.com
Wheel Horse C120 Wiring Diagram Wiring Diagram Wheel Horse C120 Owners Manual Manuals and user guides for wheel horse c series lawn tractor. A later service manual that also applies to 1977 the transmission has it's own overhaul manual and the engines use the kohler. Following attachments are available for the wheel horse. We have 1 wheel horse c series lawn tractor manual available for free. Model numbers model and serial numbers. Wheel Horse C120 Owners Manual.
From www.davespartsworld.com
Wheel Horse Operation and Service Manuals with Parts Lists, Owner's Manuals Wheel Horse C120 Owners Manual Manuals and user guides for wheel horse c series lawn tractor. Model numbers model and serial numbers are necessary to order parts. Following attachments are available for the wheel horse. A later service manual that also applies to 1977 the transmission has it's own overhaul manual and the engines use the kohler. We have 1 wheel horse c series lawn. Wheel Horse C120 Owners Manual.
From www.wheelhorseforum.com
Got a "new" C120 Wheelhorse Wheel Horse Tractors RedSquare Wheel Wheel Horse C120 Owners Manual Tractor numbers are on a plate attached to the left side of the hood. Consult official literature from the manufacturer before attempting any service or repair. Model numbers model and serial numbers are necessary to order parts. A later service manual that also applies to 1977 the transmission has it's own overhaul manual and the engines use the kohler. We. Wheel Horse C120 Owners Manual.
From userwiringjeffrey.z19.web.core.windows.net
Toro Wheel Horse 314 8 Speed Manual Wheel Horse C120 Owners Manual Model numbers model and serial numbers are necessary to order parts. Consult official literature from the manufacturer before attempting any service or repair. Following attachments are available for the wheel horse. A later service manual that also applies to 1977 the transmission has it's own overhaul manual and the engines use the kohler. Tractor numbers are on a plate attached. Wheel Horse C120 Owners Manual.
From www.wheelhorseforum.com
C120 and 1056 has new home Wheel Horse Tractors RedSquare Wheel Wheel Horse C120 Owners Manual Following attachments are available for the wheel horse. We have 1 wheel horse c series lawn tractor manual available for free. Tractor numbers are on a plate attached to the left side of the hood. Consult official literature from the manufacturer before attempting any service or repair. Manuals and user guides for wheel horse c series lawn tractor. Model numbers. Wheel Horse C120 Owners Manual.
From www.wheelhorseforum.com
C120 auto w/ 42 in mower Wheel Horse for Sale RedSquare Wheel Horse Wheel Horse C120 Owners Manual Consult official literature from the manufacturer before attempting any service or repair. Tractor numbers are on a plate attached to the left side of the hood. A later service manual that also applies to 1977 the transmission has it's own overhaul manual and the engines use the kohler. Model numbers model and serial numbers are necessary to order parts. Following. Wheel Horse C120 Owners Manual.
From www.youtube.com
Wheel Horse C120 deck off plow on. Getting ready for winter YouTube Wheel Horse C120 Owners Manual Manuals and user guides for wheel horse c series lawn tractor. Following attachments are available for the wheel horse. Tractor numbers are on a plate attached to the left side of the hood. Model numbers model and serial numbers are necessary to order parts. We have 1 wheel horse c series lawn tractor manual available for free. Consult official literature. Wheel Horse C120 Owners Manual.
From www.tractordata.com
Wheel Horse C120 tractor photos information Wheel Horse C120 Owners Manual Consult official literature from the manufacturer before attempting any service or repair. Following attachments are available for the wheel horse. Tractor numbers are on a plate attached to the left side of the hood. Manuals and user guides for wheel horse c series lawn tractor. Model numbers model and serial numbers are necessary to order parts. A later service manual. Wheel Horse C120 Owners Manual.
From tipsshara.weebly.com
tipsshara Blog Wheel Horse C120 Owners Manual Tractor numbers are on a plate attached to the left side of the hood. Following attachments are available for the wheel horse. Consult official literature from the manufacturer before attempting any service or repair. Manuals and user guides for wheel horse c series lawn tractor. We have 1 wheel horse c series lawn tractor manual available for free. A later. Wheel Horse C120 Owners Manual.
From www.jackssmallengines.com
Toro 0119KE02, C195 Twin Automatic Tractor, 1984 Parts Diagram for Wheel Horse C120 Owners Manual Consult official literature from the manufacturer before attempting any service or repair. Model numbers model and serial numbers are necessary to order parts. Tractor numbers are on a plate attached to the left side of the hood. Manuals and user guides for wheel horse c series lawn tractor. A later service manual that also applies to 1977 the transmission has. Wheel Horse C120 Owners Manual.
From www.gardentractortalk.com
Wheel Horse C120 with mower and snow blower and Plow for SEARS Garden Wheel Horse C120 Owners Manual Following attachments are available for the wheel horse. Tractor numbers are on a plate attached to the left side of the hood. Model numbers model and serial numbers are necessary to order parts. A later service manual that also applies to 1977 the transmission has it's own overhaul manual and the engines use the kohler. Consult official literature from the. Wheel Horse C120 Owners Manual.
From www.wheelhorseforum.com
C120 tilling Horses at work RedSquare Wheel Horse Forum Wheel Horse C120 Owners Manual We have 1 wheel horse c series lawn tractor manual available for free. Following attachments are available for the wheel horse. Consult official literature from the manufacturer before attempting any service or repair. Model numbers model and serial numbers are necessary to order parts. A later service manual that also applies to 1977 the transmission has it's own overhaul manual. Wheel Horse C120 Owners Manual.
From www.vhgmc.co.uk
Wheel Horse C120 IMGWheel040 Vintage Horticultural and Garden Wheel Horse C120 Owners Manual Model numbers model and serial numbers are necessary to order parts. We have 1 wheel horse c series lawn tractor manual available for free. Consult official literature from the manufacturer before attempting any service or repair. Following attachments are available for the wheel horse. A later service manual that also applies to 1977 the transmission has it's own overhaul manual. Wheel Horse C120 Owners Manual.
From www.wheelhorseforum.com
Wheel Horse C120 Automatic w/42" Deck and Snow Plow Wheel Horse for Wheel Horse C120 Owners Manual Manuals and user guides for wheel horse c series lawn tractor. Consult official literature from the manufacturer before attempting any service or repair. Following attachments are available for the wheel horse. Tractor numbers are on a plate attached to the left side of the hood. We have 1 wheel horse c series lawn tractor manual available for free. Model numbers. Wheel Horse C120 Owners Manual.
From www.youtube.com
Reviving an Old Wheel Horse C120! YouTube Wheel Horse C120 Owners Manual A later service manual that also applies to 1977 the transmission has it's own overhaul manual and the engines use the kohler. Tractor numbers are on a plate attached to the left side of the hood. Manuals and user guides for wheel horse c series lawn tractor. We have 1 wheel horse c series lawn tractor manual available for free.. Wheel Horse C120 Owners Manual.
From www.youtube.com
Wheel Horse C120 Up and Running YouTube Wheel Horse C120 Owners Manual Tractor numbers are on a plate attached to the left side of the hood. Manuals and user guides for wheel horse c series lawn tractor. We have 1 wheel horse c series lawn tractor manual available for free. Following attachments are available for the wheel horse. Consult official literature from the manufacturer before attempting any service or repair. A later. Wheel Horse C120 Owners Manual.
From farmmanualsfast.com
Wheel Horse C120 Lawn and Garden Tractor Parts Catalog Farm Wheel Horse C120 Owners Manual Consult official literature from the manufacturer before attempting any service or repair. Following attachments are available for the wheel horse. We have 1 wheel horse c series lawn tractor manual available for free. A later service manual that also applies to 1977 the transmission has it's own overhaul manual and the engines use the kohler. Model numbers model and serial. Wheel Horse C120 Owners Manual.
From www.ebay.com
100 120 160 1974 Tractor Service Parts Manual Fits Wheel Horse B100 Wheel Horse C120 Owners Manual Model numbers model and serial numbers are necessary to order parts. A later service manual that also applies to 1977 the transmission has it's own overhaul manual and the engines use the kohler. Consult official literature from the manufacturer before attempting any service or repair. Manuals and user guides for wheel horse c series lawn tractor. Tractor numbers are on. Wheel Horse C120 Owners Manual.
From www.ebay.com
100 120 160 1974 Tractor Service Parts Manual Fits Wheel Horse B100 Wheel Horse C120 Owners Manual Tractor numbers are on a plate attached to the left side of the hood. Following attachments are available for the wheel horse. Consult official literature from the manufacturer before attempting any service or repair. A later service manual that also applies to 1977 the transmission has it's own overhaul manual and the engines use the kohler. Manuals and user guides. Wheel Horse C120 Owners Manual.