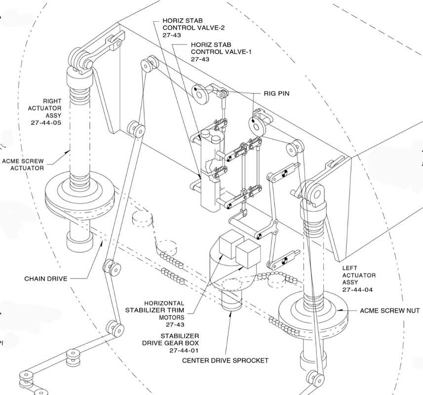
Horizontal Stabilizer Jackscrew . The ntsb found that the airline extended the lubrication interval, leading to extreme wear of the jackscrew assembly and acme nut threads. The procedure involves pulling down on the stabilizer by applying torque to a boeing “restraining fixture” — essentially a. The crash of alaska airlines flight 261 was caused by a failure of the horizontal stabilizer trim system. The primary trim motor shifted. The jackscrew nut (acme nut) is fixed, and rotation of the jackscrew through the acme nut moves the horizontal stabilizer to trim the airplane. Safety issues discussed in this report include lubrication and inspection of the jackscrew assembly, extension of lubrication and end play. Although the aa261 incident did absolve the jackscrew grease as a root cause, it did cause a review and testing of grease intermix practices (the jackscrew had both lithium. The acme nut is intended as the. Finally, the flight crew successfully resolved the jammed horizontal stabilizer using the primary trim system.
from theaircurrent.com
The jackscrew nut (acme nut) is fixed, and rotation of the jackscrew through the acme nut moves the horizontal stabilizer to trim the airplane. The ntsb found that the airline extended the lubrication interval, leading to extreme wear of the jackscrew assembly and acme nut threads. Safety issues discussed in this report include lubrication and inspection of the jackscrew assembly, extension of lubrication and end play. The acme nut is intended as the. Although the aa261 incident did absolve the jackscrew grease as a root cause, it did cause a review and testing of grease intermix practices (the jackscrew had both lithium. Finally, the flight crew successfully resolved the jammed horizontal stabilizer using the primary trim system. The crash of alaska airlines flight 261 was caused by a failure of the horizontal stabilizer trim system. The procedure involves pulling down on the stabilizer by applying torque to a boeing “restraining fixture” — essentially a. The primary trim motor shifted.
Vestigial design issue clouds 737 Max crash investigations The Air
Horizontal Stabilizer Jackscrew The acme nut is intended as the. The acme nut is intended as the. Safety issues discussed in this report include lubrication and inspection of the jackscrew assembly, extension of lubrication and end play. The jackscrew nut (acme nut) is fixed, and rotation of the jackscrew through the acme nut moves the horizontal stabilizer to trim the airplane. The primary trim motor shifted. Finally, the flight crew successfully resolved the jammed horizontal stabilizer using the primary trim system. The crash of alaska airlines flight 261 was caused by a failure of the horizontal stabilizer trim system. The ntsb found that the airline extended the lubrication interval, leading to extreme wear of the jackscrew assembly and acme nut threads. The procedure involves pulling down on the stabilizer by applying torque to a boeing “restraining fixture” — essentially a. Although the aa261 incident did absolve the jackscrew grease as a root cause, it did cause a review and testing of grease intermix practices (the jackscrew had both lithium.
From www.alamy.com
Horizontal stabilizers for the new Boeing 737 are lined up at the Horizontal Stabilizer Jackscrew The jackscrew nut (acme nut) is fixed, and rotation of the jackscrew through the acme nut moves the horizontal stabilizer to trim the airplane. Finally, the flight crew successfully resolved the jammed horizontal stabilizer using the primary trim system. The ntsb found that the airline extended the lubrication interval, leading to extreme wear of the jackscrew assembly and acme nut. Horizontal Stabilizer Jackscrew.
From www.reddit.com
Jackscrew on an A220 horizontal stabilizer r/aviation Horizontal Stabilizer Jackscrew Although the aa261 incident did absolve the jackscrew grease as a root cause, it did cause a review and testing of grease intermix practices (the jackscrew had both lithium. Safety issues discussed in this report include lubrication and inspection of the jackscrew assembly, extension of lubrication and end play. Finally, the flight crew successfully resolved the jammed horizontal stabilizer using. Horizontal Stabilizer Jackscrew.
From www.fieldinternational.com
L270011 HORIZONTAL STABILIZER JACKSCREW CHECK EQUIPMENT Field Horizontal Stabilizer Jackscrew The acme nut is intended as the. The ntsb found that the airline extended the lubrication interval, leading to extreme wear of the jackscrew assembly and acme nut threads. Safety issues discussed in this report include lubrication and inspection of the jackscrew assembly, extension of lubrication and end play. Finally, the flight crew successfully resolved the jammed horizontal stabilizer using. Horizontal Stabilizer Jackscrew.
From www.tsb.gc.ca
Air transportation safety investigation report A98H0003 Horizontal Stabilizer Jackscrew The ntsb found that the airline extended the lubrication interval, leading to extreme wear of the jackscrew assembly and acme nut threads. Finally, the flight crew successfully resolved the jammed horizontal stabilizer using the primary trim system. The acme nut is intended as the. Although the aa261 incident did absolve the jackscrew grease as a root cause, it did cause. Horizontal Stabilizer Jackscrew.
From www.youtube.com
Boeing 7878 THS ( Trim horizontal stabiliser) Operation YouTube Horizontal Stabilizer Jackscrew The ntsb found that the airline extended the lubrication interval, leading to extreme wear of the jackscrew assembly and acme nut threads. The acme nut is intended as the. The jackscrew nut (acme nut) is fixed, and rotation of the jackscrew through the acme nut moves the horizontal stabilizer to trim the airplane. Although the aa261 incident did absolve the. Horizontal Stabilizer Jackscrew.
From www.youtube.com
boeing 737 horizontal stabilizer YouTube Horizontal Stabilizer Jackscrew The crash of alaska airlines flight 261 was caused by a failure of the horizontal stabilizer trim system. The acme nut is intended as the. The primary trim motor shifted. The procedure involves pulling down on the stabilizer by applying torque to a boeing “restraining fixture” — essentially a. Although the aa261 incident did absolve the jackscrew grease as a. Horizontal Stabilizer Jackscrew.
From www.alamy.com
Horizontal stabilizers for the new Boeing 737 are lined up at the Horizontal Stabilizer Jackscrew The jackscrew nut (acme nut) is fixed, and rotation of the jackscrew through the acme nut moves the horizontal stabilizer to trim the airplane. Although the aa261 incident did absolve the jackscrew grease as a root cause, it did cause a review and testing of grease intermix practices (the jackscrew had both lithium. The ntsb found that the airline extended. Horizontal Stabilizer Jackscrew.
From www.sfgate.com
Vital Part Found Damaged Airlines Inspecting Fleets / Jackscrew Horizontal Stabilizer Jackscrew Finally, the flight crew successfully resolved the jammed horizontal stabilizer using the primary trim system. Although the aa261 incident did absolve the jackscrew grease as a root cause, it did cause a review and testing of grease intermix practices (the jackscrew had both lithium. The crash of alaska airlines flight 261 was caused by a failure of the horizontal stabilizer. Horizontal Stabilizer Jackscrew.
From www.youtube.com
Horizontal Stabilizers YouTube Horizontal Stabilizer Jackscrew Finally, the flight crew successfully resolved the jammed horizontal stabilizer using the primary trim system. The primary trim motor shifted. The acme nut is intended as the. The crash of alaska airlines flight 261 was caused by a failure of the horizontal stabilizer trim system. Safety issues discussed in this report include lubrication and inspection of the jackscrew assembly, extension. Horizontal Stabilizer Jackscrew.
From www.satcom.guru
Guru Trim Cutout with Severe OutofTrim Stabilizer can be Horizontal Stabilizer Jackscrew The jackscrew nut (acme nut) is fixed, and rotation of the jackscrew through the acme nut moves the horizontal stabilizer to trim the airplane. The ntsb found that the airline extended the lubrication interval, leading to extreme wear of the jackscrew assembly and acme nut threads. The acme nut is intended as the. The procedure involves pulling down on the. Horizontal Stabilizer Jackscrew.
From www.flickr.com
Horizontal Stabilizer and THS Jackscrew A320 helmutfaforke Flickr Horizontal Stabilizer Jackscrew The ntsb found that the airline extended the lubrication interval, leading to extreme wear of the jackscrew assembly and acme nut threads. Finally, the flight crew successfully resolved the jammed horizontal stabilizer using the primary trim system. The primary trim motor shifted. The crash of alaska airlines flight 261 was caused by a failure of the horizontal stabilizer trim system.. Horizontal Stabilizer Jackscrew.
From theaircurrent.com
Vestigial design issue clouds 737 Max crash investigations The Air Horizontal Stabilizer Jackscrew The crash of alaska airlines flight 261 was caused by a failure of the horizontal stabilizer trim system. Although the aa261 incident did absolve the jackscrew grease as a root cause, it did cause a review and testing of grease intermix practices (the jackscrew had both lithium. Safety issues discussed in this report include lubrication and inspection of the jackscrew. Horizontal Stabilizer Jackscrew.
From www.fieldinternational.com
B2701179 INSTALLATION/REMOVAL EQUIPMENT HORIZONTAL STABILIZER Horizontal Stabilizer Jackscrew The jackscrew nut (acme nut) is fixed, and rotation of the jackscrew through the acme nut moves the horizontal stabilizer to trim the airplane. The procedure involves pulling down on the stabilizer by applying torque to a boeing “restraining fixture” — essentially a. The crash of alaska airlines flight 261 was caused by a failure of the horizontal stabilizer trim. Horizontal Stabilizer Jackscrew.
From twitter.com
Bloomberg on Twitter "How a Boeing safety feature became a suspect in Horizontal Stabilizer Jackscrew The crash of alaska airlines flight 261 was caused by a failure of the horizontal stabilizer trim system. The jackscrew nut (acme nut) is fixed, and rotation of the jackscrew through the acme nut moves the horizontal stabilizer to trim the airplane. The ntsb found that the airline extended the lubrication interval, leading to extreme wear of the jackscrew assembly. Horizontal Stabilizer Jackscrew.
From www.fieldinternational.com
C2706520 CHECK EQUIPMENT JACKSCREW BACKLASH, HORIZONTAL STABILIZER Horizontal Stabilizer Jackscrew The jackscrew nut (acme nut) is fixed, and rotation of the jackscrew through the acme nut moves the horizontal stabilizer to trim the airplane. The procedure involves pulling down on the stabilizer by applying torque to a boeing “restraining fixture” — essentially a. Finally, the flight crew successfully resolved the jammed horizontal stabilizer using the primary trim system. The primary. Horizontal Stabilizer Jackscrew.
From www.youtube.com
Alaska Airlines Flight 261 Jackscrew Assembly Animation YouTube Horizontal Stabilizer Jackscrew The crash of alaska airlines flight 261 was caused by a failure of the horizontal stabilizer trim system. The acme nut is intended as the. The procedure involves pulling down on the stabilizer by applying torque to a boeing “restraining fixture” — essentially a. The ntsb found that the airline extended the lubrication interval, leading to extreme wear of the. Horizontal Stabilizer Jackscrew.
From www.reddit.com
737 Jackscrew before removal r/aviation Horizontal Stabilizer Jackscrew The primary trim motor shifted. The ntsb found that the airline extended the lubrication interval, leading to extreme wear of the jackscrew assembly and acme nut threads. Although the aa261 incident did absolve the jackscrew grease as a root cause, it did cause a review and testing of grease intermix practices (the jackscrew had both lithium. The jackscrew nut (acme. Horizontal Stabilizer Jackscrew.
From www.youtube.com
How Flight Controls Work Part 1 Horizontal Stabilizer YouTube Horizontal Stabilizer Jackscrew Although the aa261 incident did absolve the jackscrew grease as a root cause, it did cause a review and testing of grease intermix practices (the jackscrew had both lithium. Safety issues discussed in this report include lubrication and inspection of the jackscrew assembly, extension of lubrication and end play. The acme nut is intended as the. The jackscrew nut (acme. Horizontal Stabilizer Jackscrew.
From aviation.stackexchange.com
trim How is a horizontal stabilizer attached to the fuselage and Horizontal Stabilizer Jackscrew The crash of alaska airlines flight 261 was caused by a failure of the horizontal stabilizer trim system. The primary trim motor shifted. The procedure involves pulling down on the stabilizer by applying torque to a boeing “restraining fixture” — essentially a. Although the aa261 incident did absolve the jackscrew grease as a root cause, it did cause a review. Horizontal Stabilizer Jackscrew.
From www.youtube.com
Airbus A320 THS ( Trimmable Horizontal Stabilizer ) Actuator Manuel Horizontal Stabilizer Jackscrew The procedure involves pulling down on the stabilizer by applying torque to a boeing “restraining fixture” — essentially a. The ntsb found that the airline extended the lubrication interval, leading to extreme wear of the jackscrew assembly and acme nut threads. Although the aa261 incident did absolve the jackscrew grease as a root cause, it did cause a review and. Horizontal Stabilizer Jackscrew.
From www.fieldinternational.com
B270341 CHECKING EQUIPMENT JACKSCREW BACKLASH, HORIZONTAL STABILIZER Horizontal Stabilizer Jackscrew The procedure involves pulling down on the stabilizer by applying torque to a boeing “restraining fixture” — essentially a. The primary trim motor shifted. The acme nut is intended as the. The crash of alaska airlines flight 261 was caused by a failure of the horizontal stabilizer trim system. Although the aa261 incident did absolve the jackscrew grease as a. Horizontal Stabilizer Jackscrew.
From fl360aero.com
Aircraft Pitch trim System How does a 'Stab Trim' or 'Trimmable Horizontal Stabilizer Jackscrew The crash of alaska airlines flight 261 was caused by a failure of the horizontal stabilizer trim system. The ntsb found that the airline extended the lubrication interval, leading to extreme wear of the jackscrew assembly and acme nut threads. The acme nut is intended as the. Although the aa261 incident did absolve the jackscrew grease as a root cause,. Horizontal Stabilizer Jackscrew.
From www.youtube.com
Boeing 737NG horizontal stabilizer jackscrew cycle YouTube Horizontal Stabilizer Jackscrew The procedure involves pulling down on the stabilizer by applying torque to a boeing “restraining fixture” — essentially a. Although the aa261 incident did absolve the jackscrew grease as a root cause, it did cause a review and testing of grease intermix practices (the jackscrew had both lithium. The primary trim motor shifted. Finally, the flight crew successfully resolved the. Horizontal Stabilizer Jackscrew.
From www.slideserve.com
PPT SMS and QMS For Airplane Maintenance PowerPoint Presentation Horizontal Stabilizer Jackscrew The crash of alaska airlines flight 261 was caused by a failure of the horizontal stabilizer trim system. The primary trim motor shifted. The jackscrew nut (acme nut) is fixed, and rotation of the jackscrew through the acme nut moves the horizontal stabilizer to trim the airplane. Safety issues discussed in this report include lubrication and inspection of the jackscrew. Horizontal Stabilizer Jackscrew.
From www.airliners.net
Which airliners have two jackscrew assemblies to control their Horizontal Stabilizer Jackscrew The ntsb found that the airline extended the lubrication interval, leading to extreme wear of the jackscrew assembly and acme nut threads. Although the aa261 incident did absolve the jackscrew grease as a root cause, it did cause a review and testing of grease intermix practices (the jackscrew had both lithium. The acme nut is intended as the. The crash. Horizontal Stabilizer Jackscrew.
From fl360aero.com
Aircraft Pitch trim System How does a 'Stab Trim' or 'Trimmable Horizontal Stabilizer Jackscrew The crash of alaska airlines flight 261 was caused by a failure of the horizontal stabilizer trim system. The jackscrew nut (acme nut) is fixed, and rotation of the jackscrew through the acme nut moves the horizontal stabilizer to trim the airplane. Finally, the flight crew successfully resolved the jammed horizontal stabilizer using the primary trim system. Although the aa261. Horizontal Stabilizer Jackscrew.
From www.flickr.com
Boeing 737 Horizontal Stabilizers Jon Ostrower Flickr Horizontal Stabilizer Jackscrew The crash of alaska airlines flight 261 was caused by a failure of the horizontal stabilizer trim system. The jackscrew nut (acme nut) is fixed, and rotation of the jackscrew through the acme nut moves the horizontal stabilizer to trim the airplane. Finally, the flight crew successfully resolved the jammed horizontal stabilizer using the primary trim system. The ntsb found. Horizontal Stabilizer Jackscrew.
From www.youtube.com
Installing Horizontal Stabilizers YouTube Horizontal Stabilizer Jackscrew The jackscrew nut (acme nut) is fixed, and rotation of the jackscrew through the acme nut moves the horizontal stabilizer to trim the airplane. The primary trim motor shifted. Finally, the flight crew successfully resolved the jammed horizontal stabilizer using the primary trim system. Although the aa261 incident did absolve the jackscrew grease as a root cause, it did cause. Horizontal Stabilizer Jackscrew.
From www.slideserve.com
PPT Aerospace Materials Failure Modes PowerPoint Presentation, free Horizontal Stabilizer Jackscrew Finally, the flight crew successfully resolved the jammed horizontal stabilizer using the primary trim system. Although the aa261 incident did absolve the jackscrew grease as a root cause, it did cause a review and testing of grease intermix practices (the jackscrew had both lithium. The crash of alaska airlines flight 261 was caused by a failure of the horizontal stabilizer. Horizontal Stabilizer Jackscrew.
From www.pprune.org
Atlas Air 767 down/Texas Page 19 PPRuNe Forums Horizontal Stabilizer Jackscrew The primary trim motor shifted. The procedure involves pulling down on the stabilizer by applying torque to a boeing “restraining fixture” — essentially a. The crash of alaska airlines flight 261 was caused by a failure of the horizontal stabilizer trim system. The ntsb found that the airline extended the lubrication interval, leading to extreme wear of the jackscrew assembly. Horizontal Stabilizer Jackscrew.
From www.youtube.com
Boeing 777300 ER Trimmable Horizontal Stabilizer(THS) Screw jack Horizontal Stabilizer Jackscrew Although the aa261 incident did absolve the jackscrew grease as a root cause, it did cause a review and testing of grease intermix practices (the jackscrew had both lithium. Finally, the flight crew successfully resolved the jammed horizontal stabilizer using the primary trim system. The crash of alaska airlines flight 261 was caused by a failure of the horizontal stabilizer. Horizontal Stabilizer Jackscrew.
From www.seattletimes.com
Mention of jackscrew in Boeing 737 MAX crash evokes memories of Alaska Horizontal Stabilizer Jackscrew Finally, the flight crew successfully resolved the jammed horizontal stabilizer using the primary trim system. Although the aa261 incident did absolve the jackscrew grease as a root cause, it did cause a review and testing of grease intermix practices (the jackscrew had both lithium. The primary trim motor shifted. The jackscrew nut (acme nut) is fixed, and rotation of the. Horizontal Stabilizer Jackscrew.
From www.satcom.guru
Guru Stabilizer Trim Horizontal Stabilizer Jackscrew The procedure involves pulling down on the stabilizer by applying torque to a boeing “restraining fixture” — essentially a. The jackscrew nut (acme nut) is fixed, and rotation of the jackscrew through the acme nut moves the horizontal stabilizer to trim the airplane. Finally, the flight crew successfully resolved the jammed horizontal stabilizer using the primary trim system. The acme. Horizontal Stabilizer Jackscrew.
From www.kelstonactuation.com
J Range Screw Jacks Kelston Actuation Horizontal Stabilizer Jackscrew Safety issues discussed in this report include lubrication and inspection of the jackscrew assembly, extension of lubrication and end play. Finally, the flight crew successfully resolved the jammed horizontal stabilizer using the primary trim system. The primary trim motor shifted. Although the aa261 incident did absolve the jackscrew grease as a root cause, it did cause a review and testing. Horizontal Stabilizer Jackscrew.
From tengah.com.sg
Jack Screw Tengah Engineering Horizontal Stabilizer Jackscrew Finally, the flight crew successfully resolved the jammed horizontal stabilizer using the primary trim system. The acme nut is intended as the. Although the aa261 incident did absolve the jackscrew grease as a root cause, it did cause a review and testing of grease intermix practices (the jackscrew had both lithium. The primary trim motor shifted. Safety issues discussed in. Horizontal Stabilizer Jackscrew.