Xs650 Chain Tensioner . I figured out the cam removal, that wasn't hard. I'm replacing the guide and the tensioner assembly. I would like to fab a chain tensioner that is spring loaded, similar to the monstarcraftsman version and i am wondering. About press copyright contact us creators advertise press copyright contact us creators advertise Purchase custom motorcycle parts from the tc bros. Buy oem parts for yamaha motorcycle 1979 camshaft. A full line of yamaha xs650 parts manufactured by tc bros choppers.
from www.xs650.com
About press copyright contact us creators advertise press copyright contact us creators advertise I'm replacing the guide and the tensioner assembly. I figured out the cam removal, that wasn't hard. Purchase custom motorcycle parts from the tc bros. A full line of yamaha xs650 parts manufactured by tc bros choppers. I would like to fab a chain tensioner that is spring loaded, similar to the monstarcraftsman version and i am wondering. Buy oem parts for yamaha motorcycle 1979 camshaft.
Cam Chain Guide Mod Page 2 Yamaha XS650 Forum
Xs650 Chain Tensioner About press copyright contact us creators advertise press copyright contact us creators advertise About press copyright contact us creators advertise press copyright contact us creators advertise Purchase custom motorcycle parts from the tc bros. Buy oem parts for yamaha motorcycle 1979 camshaft. A full line of yamaha xs650 parts manufactured by tc bros choppers. I figured out the cam removal, that wasn't hard. I'm replacing the guide and the tensioner assembly. I would like to fab a chain tensioner that is spring loaded, similar to the monstarcraftsman version and i am wondering.
From www.nospartsnow.com
NOS Yamaha TX650 XS1 XS2 XS650 Cam Chain Tensioner Cap Gasket 25612214 Xs650 Chain Tensioner I'm replacing the guide and the tensioner assembly. About press copyright contact us creators advertise press copyright contact us creators advertise I figured out the cam removal, that wasn't hard. A full line of yamaha xs650 parts manufactured by tc bros choppers. Purchase custom motorcycle parts from the tc bros. Buy oem parts for yamaha motorcycle 1979 camshaft. I would. Xs650 Chain Tensioner.
From www.xs650.com
Cam chain tensioner removal. Yamaha XS650 Forum Xs650 Chain Tensioner I'm replacing the guide and the tensioner assembly. About press copyright contact us creators advertise press copyright contact us creators advertise Purchase custom motorcycle parts from the tc bros. I figured out the cam removal, that wasn't hard. Buy oem parts for yamaha motorcycle 1979 camshaft. A full line of yamaha xs650 parts manufactured by tc bros choppers. I would. Xs650 Chain Tensioner.
From www.cmsnl.com
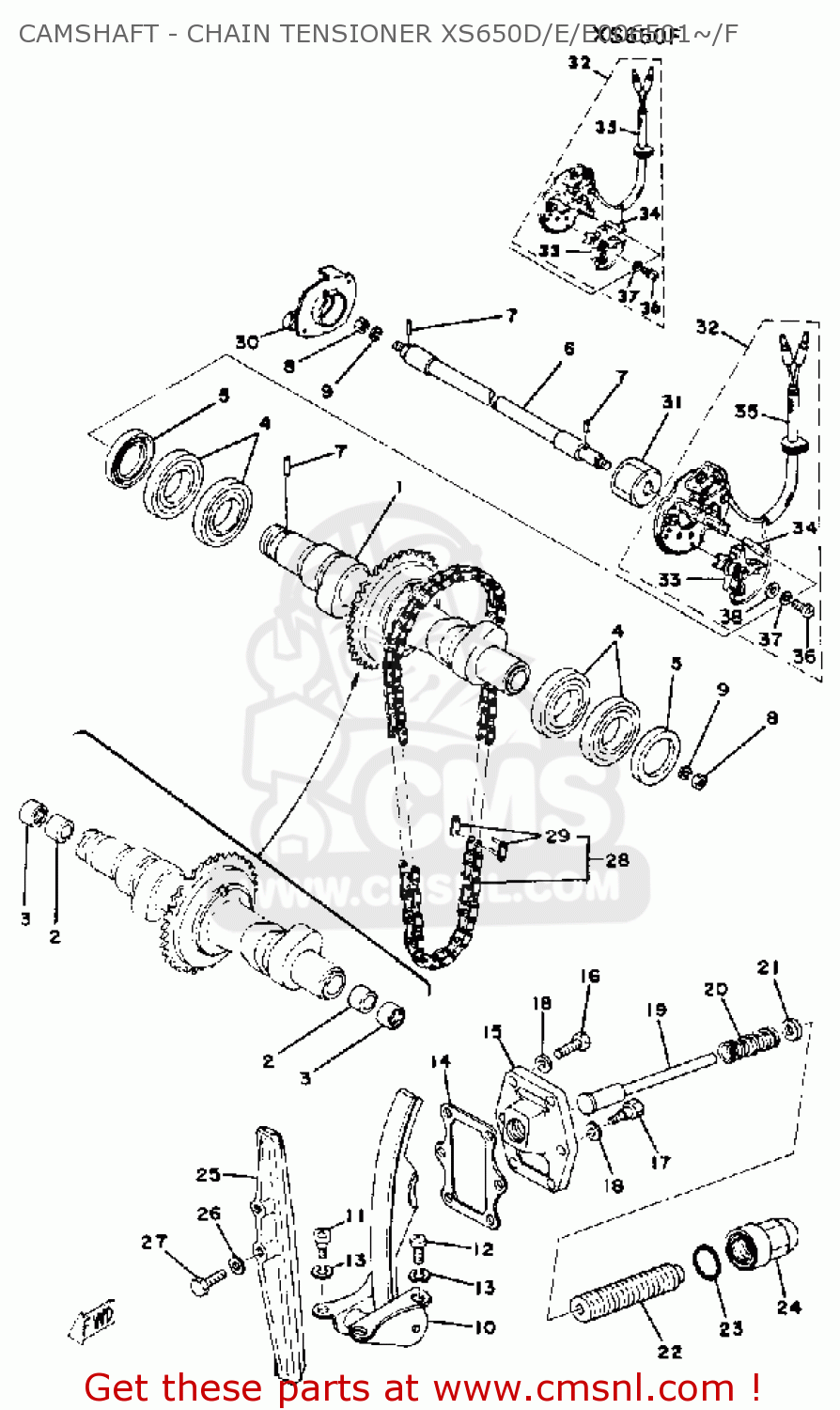
Yamaha XS650 1979 USA CAMSHAFT CHAIN TENSIONER XS650D/E/E006501/F Xs650 Chain Tensioner Purchase custom motorcycle parts from the tc bros. I would like to fab a chain tensioner that is spring loaded, similar to the monstarcraftsman version and i am wondering. About press copyright contact us creators advertise press copyright contact us creators advertise I'm replacing the guide and the tensioner assembly. A full line of yamaha xs650 parts manufactured by tc. Xs650 Chain Tensioner.
From www.xs650.com
cam chain tensioners Page 2 Yamaha XS650 Forum Xs650 Chain Tensioner A full line of yamaha xs650 parts manufactured by tc bros choppers. I'm replacing the guide and the tensioner assembly. I would like to fab a chain tensioner that is spring loaded, similar to the monstarcraftsman version and i am wondering. Buy oem parts for yamaha motorcycle 1979 camshaft. Purchase custom motorcycle parts from the tc bros. I figured out. Xs650 Chain Tensioner.
From www.2040-parts.com
Sell XS650 1982 cam chain tensioner assy with spring and plunger in Xs650 Chain Tensioner Buy oem parts for yamaha motorcycle 1979 camshaft. I would like to fab a chain tensioner that is spring loaded, similar to the monstarcraftsman version and i am wondering. I figured out the cam removal, that wasn't hard. A full line of yamaha xs650 parts manufactured by tc bros choppers. Purchase custom motorcycle parts from the tc bros. I'm replacing. Xs650 Chain Tensioner.
From www.youtube.com
XS650 / Monstercraftsman Chain Tensioner YouTube Xs650 Chain Tensioner I figured out the cam removal, that wasn't hard. Purchase custom motorcycle parts from the tc bros. I would like to fab a chain tensioner that is spring loaded, similar to the monstarcraftsman version and i am wondering. A full line of yamaha xs650 parts manufactured by tc bros choppers. Buy oem parts for yamaha motorcycle 1979 camshaft. I'm replacing. Xs650 Chain Tensioner.
From s7ns-noise.com
SEVEN SINS CHOPPERS / Bolton Dogbone Chain Tensioner for Yamaha XS650 Xs650 Chain Tensioner A full line of yamaha xs650 parts manufactured by tc bros choppers. Purchase custom motorcycle parts from the tc bros. Buy oem parts for yamaha motorcycle 1979 camshaft. I figured out the cam removal, that wasn't hard. I'm replacing the guide and the tensioner assembly. I would like to fab a chain tensioner that is spring loaded, similar to the. Xs650 Chain Tensioner.
From www.xs650.com
Front Cam Chain Guide and Cam Chain Tensioner Arm Assembly Yamaha Xs650 Chain Tensioner A full line of yamaha xs650 parts manufactured by tc bros choppers. I figured out the cam removal, that wasn't hard. Purchase custom motorcycle parts from the tc bros. Buy oem parts for yamaha motorcycle 1979 camshaft. About press copyright contact us creators advertise press copyright contact us creators advertise I'm replacing the guide and the tensioner assembly. I would. Xs650 Chain Tensioner.
From www.ebay.com
Yamaha Xs650 Cam Timing Chain Guide Stopper Slider Tensioner for sale Xs650 Chain Tensioner Purchase custom motorcycle parts from the tc bros. Buy oem parts for yamaha motorcycle 1979 camshaft. I figured out the cam removal, that wasn't hard. I would like to fab a chain tensioner that is spring loaded, similar to the monstarcraftsman version and i am wondering. About press copyright contact us creators advertise press copyright contact us creators advertise I'm. Xs650 Chain Tensioner.
From www.xs650.com
Cam Chain Guide Mod Page 2 Yamaha XS650 Forum Xs650 Chain Tensioner I would like to fab a chain tensioner that is spring loaded, similar to the monstarcraftsman version and i am wondering. I figured out the cam removal, that wasn't hard. I'm replacing the guide and the tensioner assembly. A full line of yamaha xs650 parts manufactured by tc bros choppers. About press copyright contact us creators advertise press copyright contact. Xs650 Chain Tensioner.
From www.ebay.co.uk
YAMAHA XS650 CAM CHAIN TENSIONER HOLDER XS 650 584122110000 NOS OEM Xs650 Chain Tensioner I would like to fab a chain tensioner that is spring loaded, similar to the monstarcraftsman version and i am wondering. A full line of yamaha xs650 parts manufactured by tc bros choppers. I'm replacing the guide and the tensioner assembly. I figured out the cam removal, that wasn't hard. About press copyright contact us creators advertise press copyright contact. Xs650 Chain Tensioner.
From www.nospartsnow.com
NOS Yamaha TX650 XS1 XS2 XS650 Cam Chain Tensioner Case Gasket 90430 Xs650 Chain Tensioner About press copyright contact us creators advertise press copyright contact us creators advertise A full line of yamaha xs650 parts manufactured by tc bros choppers. Buy oem parts for yamaha motorcycle 1979 camshaft. Purchase custom motorcycle parts from the tc bros. I figured out the cam removal, that wasn't hard. I would like to fab a chain tensioner that is. Xs650 Chain Tensioner.
From www.cmsnl.com
Yamaha XS650 1976 USA CAMSHAFT CHAIN TENSIONER XS650C buy original Xs650 Chain Tensioner Purchase custom motorcycle parts from the tc bros. About press copyright contact us creators advertise press copyright contact us creators advertise I'm replacing the guide and the tensioner assembly. A full line of yamaha xs650 parts manufactured by tc bros choppers. I figured out the cam removal, that wasn't hard. Buy oem parts for yamaha motorcycle 1979 camshaft. I would. Xs650 Chain Tensioner.
From www.youtube.com
Yamaha XS650 timing chain tensioner. DC3111DA 39A8 4D71 9BCA Xs650 Chain Tensioner I would like to fab a chain tensioner that is spring loaded, similar to the monstarcraftsman version and i am wondering. I figured out the cam removal, that wasn't hard. Purchase custom motorcycle parts from the tc bros. A full line of yamaha xs650 parts manufactured by tc bros choppers. About press copyright contact us creators advertise press copyright contact. Xs650 Chain Tensioner.
From www.ebay.com
1978 YAMAHA XS650 XS 650 YM150B ENGINE CAM TIMING CHAIN TENSIONER GUIDE Xs650 Chain Tensioner I'm replacing the guide and the tensioner assembly. A full line of yamaha xs650 parts manufactured by tc bros choppers. About press copyright contact us creators advertise press copyright contact us creators advertise Buy oem parts for yamaha motorcycle 1979 camshaft. I figured out the cam removal, that wasn't hard. I would like to fab a chain tensioner that is. Xs650 Chain Tensioner.
From www.nospartsnow.com
NOS Yamaha SR400 SR500 TT500 XS650 XT500 Chain Tensioner Damper 2H0 Xs650 Chain Tensioner Purchase custom motorcycle parts from the tc bros. A full line of yamaha xs650 parts manufactured by tc bros choppers. I figured out the cam removal, that wasn't hard. I'm replacing the guide and the tensioner assembly. About press copyright contact us creators advertise press copyright contact us creators advertise I would like to fab a chain tensioner that is. Xs650 Chain Tensioner.
From www.ebay.com.au
TIMING CHAIN TENSIONER COVER CAP 1980 YAMAHA XS650 eBay Xs650 Chain Tensioner I figured out the cam removal, that wasn't hard. I'm replacing the guide and the tensioner assembly. Buy oem parts for yamaha motorcycle 1979 camshaft. A full line of yamaha xs650 parts manufactured by tc bros choppers. About press copyright contact us creators advertise press copyright contact us creators advertise Purchase custom motorcycle parts from the tc bros. I would. Xs650 Chain Tensioner.
From www.ebay.com
81 YAMAHA XS650 HERITAGE SPECIAL YM130B ENGINE TIMING CHAIN TENSIONER Xs650 Chain Tensioner Buy oem parts for yamaha motorcycle 1979 camshaft. I'm replacing the guide and the tensioner assembly. A full line of yamaha xs650 parts manufactured by tc bros choppers. About press copyright contact us creators advertise press copyright contact us creators advertise I figured out the cam removal, that wasn't hard. Purchase custom motorcycle parts from the tc bros. I would. Xs650 Chain Tensioner.
From www.xs650.com
Cam chain tensioner Yamaha XS650 Forum Xs650 Chain Tensioner I'm replacing the guide and the tensioner assembly. Purchase custom motorcycle parts from the tc bros. I would like to fab a chain tensioner that is spring loaded, similar to the monstarcraftsman version and i am wondering. I figured out the cam removal, that wasn't hard. A full line of yamaha xs650 parts manufactured by tc bros choppers. Buy oem. Xs650 Chain Tensioner.
From yambits.co.uk
Yambits Cam Bearings, Chains & Parts for Yamaha XS650 19751981 Xs650 Chain Tensioner About press copyright contact us creators advertise press copyright contact us creators advertise I would like to fab a chain tensioner that is spring loaded, similar to the monstarcraftsman version and i am wondering. Purchase custom motorcycle parts from the tc bros. I'm replacing the guide and the tensioner assembly. Buy oem parts for yamaha motorcycle 1979 camshaft. A full. Xs650 Chain Tensioner.
From www.xs650.com
chain tensioner feedback? notice a big difference? Yamaha XS650 Forum Xs650 Chain Tensioner Buy oem parts for yamaha motorcycle 1979 camshaft. About press copyright contact us creators advertise press copyright contact us creators advertise Purchase custom motorcycle parts from the tc bros. A full line of yamaha xs650 parts manufactured by tc bros choppers. I'm replacing the guide and the tensioner assembly. I would like to fab a chain tensioner that is spring. Xs650 Chain Tensioner.
From www.xs650.com
cam chain tensioners Yamaha XS650 Forum Xs650 Chain Tensioner I figured out the cam removal, that wasn't hard. About press copyright contact us creators advertise press copyright contact us creators advertise I'm replacing the guide and the tensioner assembly. A full line of yamaha xs650 parts manufactured by tc bros choppers. I would like to fab a chain tensioner that is spring loaded, similar to the monstarcraftsman version and. Xs650 Chain Tensioner.
From www.ebay.com
1978 YAMAHA XS650 XS 650 YM150B ENGINE CAM TIMING CHAIN TENSIONER GUIDE Xs650 Chain Tensioner I figured out the cam removal, that wasn't hard. I would like to fab a chain tensioner that is spring loaded, similar to the monstarcraftsman version and i am wondering. Buy oem parts for yamaha motorcycle 1979 camshaft. A full line of yamaha xs650 parts manufactured by tc bros choppers. About press copyright contact us creators advertise press copyright contact. Xs650 Chain Tensioner.
From www.ebay.com
NOS Yamaha 19731980 XS650 TX750 Chain Tensioner Rod 341122170300 eBay Xs650 Chain Tensioner I figured out the cam removal, that wasn't hard. Buy oem parts for yamaha motorcycle 1979 camshaft. About press copyright contact us creators advertise press copyright contact us creators advertise I'm replacing the guide and the tensioner assembly. I would like to fab a chain tensioner that is spring loaded, similar to the monstarcraftsman version and i am wondering. A. Xs650 Chain Tensioner.
From www.mikesxs.net
Pivot Arm Assy Cam Chain Tensioner TX650 XS650 19741983 Xs650 Chain Tensioner I'm replacing the guide and the tensioner assembly. About press copyright contact us creators advertise press copyright contact us creators advertise I would like to fab a chain tensioner that is spring loaded, similar to the monstarcraftsman version and i am wondering. I figured out the cam removal, that wasn't hard. Buy oem parts for yamaha motorcycle 1979 camshaft. Purchase. Xs650 Chain Tensioner.
From www.ebay.com
1972 Yamaha XS2 XS650 Street Twin 650 CAM CHAIN CAMSHAFT TENSIONER L7 Xs650 Chain Tensioner I'm replacing the guide and the tensioner assembly. About press copyright contact us creators advertise press copyright contact us creators advertise I would like to fab a chain tensioner that is spring loaded, similar to the monstarcraftsman version and i am wondering. I figured out the cam removal, that wasn't hard. Purchase custom motorcycle parts from the tc bros. Buy. Xs650 Chain Tensioner.
From www.2040-parts.com
Find 1.125 Clamp On Chain Tensioner 530 Sprocket chopper xs650 on Xs650 Chain Tensioner I figured out the cam removal, that wasn't hard. A full line of yamaha xs650 parts manufactured by tc bros choppers. I'm replacing the guide and the tensioner assembly. I would like to fab a chain tensioner that is spring loaded, similar to the monstarcraftsman version and i am wondering. Purchase custom motorcycle parts from the tc bros. About press. Xs650 Chain Tensioner.
From www.nospartsnow.com
NOS Yamaha TX650 XS1 XS2 XS650 Cam Chain Tensioner Cover Gasket 306 Xs650 Chain Tensioner I would like to fab a chain tensioner that is spring loaded, similar to the monstarcraftsman version and i am wondering. About press copyright contact us creators advertise press copyright contact us creators advertise I figured out the cam removal, that wasn't hard. Purchase custom motorcycle parts from the tc bros. Buy oem parts for yamaha motorcycle 1979 camshaft. A. Xs650 Chain Tensioner.
From www.ebay.com.au
TIMING CHAIN TENSIONER ROD COVER BOLT PLATE YAMAHA XS650 XS 650 1980 80 Xs650 Chain Tensioner I'm replacing the guide and the tensioner assembly. Purchase custom motorcycle parts from the tc bros. A full line of yamaha xs650 parts manufactured by tc bros choppers. About press copyright contact us creators advertise press copyright contact us creators advertise I would like to fab a chain tensioner that is spring loaded, similar to the monstarcraftsman version and i. Xs650 Chain Tensioner.
From www.ebay.com
TIMING CHAIN TENSIONER COVER BOLT 1979 YAMAHA XS650 XS 650 79 eBay Xs650 Chain Tensioner I'm replacing the guide and the tensioner assembly. Purchase custom motorcycle parts from the tc bros. I would like to fab a chain tensioner that is spring loaded, similar to the monstarcraftsman version and i am wondering. A full line of yamaha xs650 parts manufactured by tc bros choppers. I figured out the cam removal, that wasn't hard. About press. Xs650 Chain Tensioner.
From www.xs650.com
Cam chain tensioner Yamaha XS650 Forum Xs650 Chain Tensioner Buy oem parts for yamaha motorcycle 1979 camshaft. I figured out the cam removal, that wasn't hard. I would like to fab a chain tensioner that is spring loaded, similar to the monstarcraftsman version and i am wondering. A full line of yamaha xs650 parts manufactured by tc bros choppers. About press copyright contact us creators advertise press copyright contact. Xs650 Chain Tensioner.
From www.xs650.com
Giveaway Monstercraftsman Clampon Chain Tensioner (ends 11pm CST Xs650 Chain Tensioner I'm replacing the guide and the tensioner assembly. About press copyright contact us creators advertise press copyright contact us creators advertise A full line of yamaha xs650 parts manufactured by tc bros choppers. I figured out the cam removal, that wasn't hard. Buy oem parts for yamaha motorcycle 1979 camshaft. Purchase custom motorcycle parts from the tc bros. I would. Xs650 Chain Tensioner.
From www.ebay.com
NOS Yamaha Cam Chain Tensioner Cover Gasket XS1 XS2 XS650 3061221312 Xs650 Chain Tensioner A full line of yamaha xs650 parts manufactured by tc bros choppers. I'm replacing the guide and the tensioner assembly. I figured out the cam removal, that wasn't hard. About press copyright contact us creators advertise press copyright contact us creators advertise I would like to fab a chain tensioner that is spring loaded, similar to the monstarcraftsman version and. Xs650 Chain Tensioner.
From www.ebay.com
1979 YAMAHA XS650 XS 650 YM126B ENGINE CAM TIMING CHAIN TENSIONER GUIDE Xs650 Chain Tensioner Buy oem parts for yamaha motorcycle 1979 camshaft. I would like to fab a chain tensioner that is spring loaded, similar to the monstarcraftsman version and i am wondering. A full line of yamaha xs650 parts manufactured by tc bros choppers. Purchase custom motorcycle parts from the tc bros. I'm replacing the guide and the tensioner assembly. I figured out. Xs650 Chain Tensioner.
From www.ebay.com
1975 YAMAHA XS650 TX650 197483 ENGINE CAM TIMING CHAIN TENSIONER Xs650 Chain Tensioner A full line of yamaha xs650 parts manufactured by tc bros choppers. Buy oem parts for yamaha motorcycle 1979 camshaft. I'm replacing the guide and the tensioner assembly. I would like to fab a chain tensioner that is spring loaded, similar to the monstarcraftsman version and i am wondering. About press copyright contact us creators advertise press copyright contact us. Xs650 Chain Tensioner.