Stahl Hoist Manuals Pdf . Industrial equipment, enclosure user manuals,. View & download of more than 2426 stahl pdf user manuals, service manuals, operating guides. Sh 3 lifting systems pdf manual download. When working with chain hoists, the following must be observed: Sh 4, sh 5, sh 6, shr 6. The sh wire rope hoist is available with a variety of rope drum and trolley options, providing flexibility and versatility in any application. User manuals, stahl chain hoists operating guides and service manuals. Download 78 stahl chain hoists pdf manuals. View and download stahl sh 3 operating and maintenance instructions manual online. Fem (federation of european material handling industry, manufacturers' association): Every day before starting work, check brakes, load suspension devices and limit switches and inspect the installation for any visible. The st series from stahl cranesystems is available in 6 load capacity variants for the load capacity range from 125 kg to 6,300 kg.
from www.slideshare.net
When working with chain hoists, the following must be observed: Sh 3 lifting systems pdf manual download. View & download of more than 2426 stahl pdf user manuals, service manuals, operating guides. The sh wire rope hoist is available with a variety of rope drum and trolley options, providing flexibility and versatility in any application. Download 78 stahl chain hoists pdf manuals. User manuals, stahl chain hoists operating guides and service manuals. Industrial equipment, enclosure user manuals,. The st series from stahl cranesystems is available in 6 load capacity variants for the load capacity range from 125 kg to 6,300 kg. Sh 4, sh 5, sh 6, shr 6. View and download stahl sh 3 operating and maintenance instructions manual online.
Stahl SH Wire Rope Hoist br_sz_sh_en_150325_web
Stahl Hoist Manuals Pdf View and download stahl sh 3 operating and maintenance instructions manual online. When working with chain hoists, the following must be observed: Industrial equipment, enclosure user manuals,. The st series from stahl cranesystems is available in 6 load capacity variants for the load capacity range from 125 kg to 6,300 kg. Sh 3 lifting systems pdf manual download. Sh 4, sh 5, sh 6, shr 6. View & download of more than 2426 stahl pdf user manuals, service manuals, operating guides. Every day before starting work, check brakes, load suspension devices and limit switches and inspect the installation for any visible. The sh wire rope hoist is available with a variety of rope drum and trolley options, providing flexibility and versatility in any application. User manuals, stahl chain hoists operating guides and service manuals. Download 78 stahl chain hoists pdf manuals. View and download stahl sh 3 operating and maintenance instructions manual online. Fem (federation of european material handling industry, manufacturers' association):
From dokumen.tips
(PDF) OPERATOR’S MANUAL CHAIN HOIST 0.5 TON THROUGH 30 TON · OPERATOR’S Stahl Hoist Manuals Pdf The st series from stahl cranesystems is available in 6 load capacity variants for the load capacity range from 125 kg to 6,300 kg. Fem (federation of european material handling industry, manufacturers' association): Download 78 stahl chain hoists pdf manuals. When working with chain hoists, the following must be observed: The sh wire rope hoist is available with a variety. Stahl Hoist Manuals Pdf.
From www.indahjaya.com
Panduan Lengkap Memilih dan Menggunakan Manual Hoist untuk Pekerjaan Berat Stahl Hoist Manuals Pdf The sh wire rope hoist is available with a variety of rope drum and trolley options, providing flexibility and versatility in any application. User manuals, stahl chain hoists operating guides and service manuals. View and download stahl sh 3 operating and maintenance instructions manual online. View & download of more than 2426 stahl pdf user manuals, service manuals, operating guides.. Stahl Hoist Manuals Pdf.
From www.manualslib.com
STAHL SLE22 TRANSLATION OF ORIGINAL OPERATING INSTRUCTIONS Pdf Download Stahl Hoist Manuals Pdf View & download of more than 2426 stahl pdf user manuals, service manuals, operating guides. Sh 4, sh 5, sh 6, shr 6. Download 78 stahl chain hoists pdf manuals. When working with chain hoists, the following must be observed: User manuals, stahl chain hoists operating guides and service manuals. Sh 3 lifting systems pdf manual download. The sh wire. Stahl Hoist Manuals Pdf.
From wiringmanualperfervour.z14.web.core.windows.net
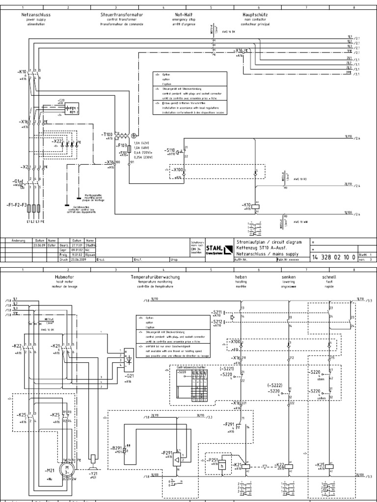
Stahl Hoist Wiring Diagram Pdf Stahl Hoist Manuals Pdf The st series from stahl cranesystems is available in 6 load capacity variants for the load capacity range from 125 kg to 6,300 kg. Fem (federation of european material handling industry, manufacturers' association): When working with chain hoists, the following must be observed: Industrial equipment, enclosure user manuals,. Download 78 stahl chain hoists pdf manuals. View & download of more. Stahl Hoist Manuals Pdf.
From wiringmanualpreconsume.z21.web.core.windows.net
Stahl Hoist Wiring Diagram Pdf Stahl Hoist Manuals Pdf View & download of more than 2426 stahl pdf user manuals, service manuals, operating guides. Download 78 stahl chain hoists pdf manuals. Industrial equipment, enclosure user manuals,. User manuals, stahl chain hoists operating guides and service manuals. The st series from stahl cranesystems is available in 6 load capacity variants for the load capacity range from 125 kg to 6,300. Stahl Hoist Manuals Pdf.
From www.aceindustries.com
STAHL ST Electric Chain Hoist Manual STAHLST_Man Stahl Hoist Manuals Pdf View and download stahl sh 3 operating and maintenance instructions manual online. Sh 3 lifting systems pdf manual download. The sh wire rope hoist is available with a variety of rope drum and trolley options, providing flexibility and versatility in any application. View & download of more than 2426 stahl pdf user manuals, service manuals, operating guides. Fem (federation of. Stahl Hoist Manuals Pdf.
From guidelistbaum.z19.web.core.windows.net
Stahl Hoist Manuals Stahl Hoist Manuals Pdf The sh wire rope hoist is available with a variety of rope drum and trolley options, providing flexibility and versatility in any application. View and download stahl sh 3 operating and maintenance instructions manual online. The st series from stahl cranesystems is available in 6 load capacity variants for the load capacity range from 125 kg to 6,300 kg. When. Stahl Hoist Manuals Pdf.
From en.stahlnw.ru
Hoists chain electric STAHL ST 2010 Stahl Hoist Manuals Pdf The sh wire rope hoist is available with a variety of rope drum and trolley options, providing flexibility and versatility in any application. Fem (federation of european material handling industry, manufacturers' association): View and download stahl sh 3 operating and maintenance instructions manual online. Industrial equipment, enclosure user manuals,. When working with chain hoists, the following must be observed: Download. Stahl Hoist Manuals Pdf.
From wiringmanualpreconsume.z21.web.core.windows.net
Hoist Wiring Diagram Pdf Stahl Hoist Manuals Pdf Every day before starting work, check brakes, load suspension devices and limit switches and inspect the installation for any visible. View & download of more than 2426 stahl pdf user manuals, service manuals, operating guides. User manuals, stahl chain hoists operating guides and service manuals. Sh 4, sh 5, sh 6, shr 6. The st series from stahl cranesystems is. Stahl Hoist Manuals Pdf.
From enginemanualsommer.z19.web.core.windows.net
Stahl Hoist Manuals Stahl Hoist Manuals Pdf Fem (federation of european material handling industry, manufacturers' association): The sh wire rope hoist is available with a variety of rope drum and trolley options, providing flexibility and versatility in any application. Sh 4, sh 5, sh 6, shr 6. Sh 3 lifting systems pdf manual download. The st series from stahl cranesystems is available in 6 load capacity variants. Stahl Hoist Manuals Pdf.
From www.scribd.com
Hoist Manual PDF Trailer (Vehicle) Mechanical Engineering Stahl Hoist Manuals Pdf Sh 4, sh 5, sh 6, shr 6. View and download stahl sh 3 operating and maintenance instructions manual online. Download 78 stahl chain hoists pdf manuals. Fem (federation of european material handling industry, manufacturers' association): View & download of more than 2426 stahl pdf user manuals, service manuals, operating guides. Every day before starting work, check brakes, load suspension. Stahl Hoist Manuals Pdf.
From wiringdiagram.2bitboer.com
Stahl Chain Hoist Wiring Diagram Wiring Diagram Stahl Hoist Manuals Pdf Sh 3 lifting systems pdf manual download. Fem (federation of european material handling industry, manufacturers' association): View and download stahl sh 3 operating and maintenance instructions manual online. User manuals, stahl chain hoists operating guides and service manuals. Every day before starting work, check brakes, load suspension devices and limit switches and inspect the installation for any visible. The sh. Stahl Hoist Manuals Pdf.
From www.liftinggeardirect.co.uk
Stahl ST Electric Hoist Stahl Electric Chain Hoist Lifting Gear Direct Stahl Hoist Manuals Pdf View & download of more than 2426 stahl pdf user manuals, service manuals, operating guides. Download 78 stahl chain hoists pdf manuals. Fem (federation of european material handling industry, manufacturers' association): User manuals, stahl chain hoists operating guides and service manuals. The st series from stahl cranesystems is available in 6 load capacity variants for the load capacity range from. Stahl Hoist Manuals Pdf.
From www.slideshare.net
Stahl SH Wire Rope Hoist br_sz_sh_en_150325_web Stahl Hoist Manuals Pdf Industrial equipment, enclosure user manuals,. Every day before starting work, check brakes, load suspension devices and limit switches and inspect the installation for any visible. The sh wire rope hoist is available with a variety of rope drum and trolley options, providing flexibility and versatility in any application. Sh 4, sh 5, sh 6, shr 6. When working with chain. Stahl Hoist Manuals Pdf.
From usermanual.wiki
27033 Cover CM Series 637E Lever Hoist Manual Stahl Hoist Manuals Pdf The sh wire rope hoist is available with a variety of rope drum and trolley options, providing flexibility and versatility in any application. Industrial equipment, enclosure user manuals,. The st series from stahl cranesystems is available in 6 load capacity variants for the load capacity range from 125 kg to 6,300 kg. Download 78 stahl chain hoists pdf manuals. View. Stahl Hoist Manuals Pdf.
From www.manualslib.com
COFFING HOISTS JLC0232 OPERATING, MAINTENANCE AND PARTS MANUAL Pdf Stahl Hoist Manuals Pdf Sh 3 lifting systems pdf manual download. View and download stahl sh 3 operating and maintenance instructions manual online. Download 78 stahl chain hoists pdf manuals. Sh 4, sh 5, sh 6, shr 6. The st series from stahl cranesystems is available in 6 load capacity variants for the load capacity range from 125 kg to 6,300 kg. View &. Stahl Hoist Manuals Pdf.
From www.scribd.com
Stahl SH Wire Rope Hoist Brochure Crane (Machine) Switch Stahl Hoist Manuals Pdf View & download of more than 2426 stahl pdf user manuals, service manuals, operating guides. The sh wire rope hoist is available with a variety of rope drum and trolley options, providing flexibility and versatility in any application. User manuals, stahl chain hoists operating guides and service manuals. When working with chain hoists, the following must be observed: Download 78. Stahl Hoist Manuals Pdf.
From en.stahlnw.ru
Hoists chain electric STAHL ST 1005 Stahl Hoist Manuals Pdf When working with chain hoists, the following must be observed: Sh 4, sh 5, sh 6, shr 6. Download 78 stahl chain hoists pdf manuals. Industrial equipment, enclosure user manuals,. View & download of more than 2426 stahl pdf user manuals, service manuals, operating guides. User manuals, stahl chain hoists operating guides and service manuals. Fem (federation of european material. Stahl Hoist Manuals Pdf.
From rgchoisting.com
Manuals RGC Hoisting Stahl Hoist Manuals Pdf The sh wire rope hoist is available with a variety of rope drum and trolley options, providing flexibility and versatility in any application. Industrial equipment, enclosure user manuals,. When working with chain hoists, the following must be observed: Sh 4, sh 5, sh 6, shr 6. View and download stahl sh 3 operating and maintenance instructions manual online. User manuals,. Stahl Hoist Manuals Pdf.
From www.rsis.co.uk
Stahl ST Series Electric Chain Hoist with 415V Input RSIS Stahl Hoist Manuals Pdf Fem (federation of european material handling industry, manufacturers' association): When working with chain hoists, the following must be observed: The st series from stahl cranesystems is available in 6 load capacity variants for the load capacity range from 125 kg to 6,300 kg. Industrial equipment, enclosure user manuals,. User manuals, stahl chain hoists operating guides and service manuals. Every day. Stahl Hoist Manuals Pdf.
From www.manualslib.com
STAHL ST50 TRANSLATION OF ORIGINAL OPERATING AND INSTALLATION Stahl Hoist Manuals Pdf Sh 4, sh 5, sh 6, shr 6. User manuals, stahl chain hoists operating guides and service manuals. The st series from stahl cranesystems is available in 6 load capacity variants for the load capacity range from 125 kg to 6,300 kg. Every day before starting work, check brakes, load suspension devices and limit switches and inspect the installation for. Stahl Hoist Manuals Pdf.
From www.scribd.com
Carl Stahl Electric Hoist PDF Stahl Hoist Manuals Pdf The sh wire rope hoist is available with a variety of rope drum and trolley options, providing flexibility and versatility in any application. User manuals, stahl chain hoists operating guides and service manuals. Sh 3 lifting systems pdf manual download. Sh 4, sh 5, sh 6, shr 6. When working with chain hoists, the following must be observed: The st. Stahl Hoist Manuals Pdf.
From dokumen.tips
(PDF) Stahl New Operating Instruction ManualChain Hoist DOKUMEN.TIPS Stahl Hoist Manuals Pdf Sh 3 lifting systems pdf manual download. The sh wire rope hoist is available with a variety of rope drum and trolley options, providing flexibility and versatility in any application. Every day before starting work, check brakes, load suspension devices and limit switches and inspect the installation for any visible. Download 78 stahl chain hoists pdf manuals. The st series. Stahl Hoist Manuals Pdf.
From diagramenginepracticum.z14.web.core.windows.net
Stahl Hoist Manuals Pdf Stahl Hoist Manuals Pdf View and download stahl sh 3 operating and maintenance instructions manual online. The sh wire rope hoist is available with a variety of rope drum and trolley options, providing flexibility and versatility in any application. Industrial equipment, enclosure user manuals,. When working with chain hoists, the following must be observed: Fem (federation of european material handling industry, manufacturers' association): Sh. Stahl Hoist Manuals Pdf.
From www.liftinggeardirect.co.uk
Stahl ST Electric Hoist Stahl Electric Chain Hoist Lifting Gear Direct Stahl Hoist Manuals Pdf User manuals, stahl chain hoists operating guides and service manuals. When working with chain hoists, the following must be observed: Download 78 stahl chain hoists pdf manuals. Every day before starting work, check brakes, load suspension devices and limit switches and inspect the installation for any visible. Fem (federation of european material handling industry, manufacturers' association): Sh 4, sh 5,. Stahl Hoist Manuals Pdf.
From www.manualslib.com
STAHL ST SERIES OPERATING AND MAINTENANCE INSTRUCTIONS MANUAL Pdf Stahl Hoist Manuals Pdf Download 78 stahl chain hoists pdf manuals. Industrial equipment, enclosure user manuals,. User manuals, stahl chain hoists operating guides and service manuals. The sh wire rope hoist is available with a variety of rope drum and trolley options, providing flexibility and versatility in any application. Sh 4, sh 5, sh 6, shr 6. View & download of more than 2426. Stahl Hoist Manuals Pdf.
From www.manualslib.com
MACKWORTH 180 MOBILE HOIST MANUAL Pdf Download ManualsLib Stahl Hoist Manuals Pdf View and download stahl sh 3 operating and maintenance instructions manual online. Fem (federation of european material handling industry, manufacturers' association): When working with chain hoists, the following must be observed: The sh wire rope hoist is available with a variety of rope drum and trolley options, providing flexibility and versatility in any application. User manuals, stahl chain hoists operating. Stahl Hoist Manuals Pdf.
From www.tsoverheadcrane.com
Stahl Wire Rope Hoists Stahl Crane Systems Stahl Hoist Parts Stahl Hoist Manuals Pdf Download 78 stahl chain hoists pdf manuals. View and download stahl sh 3 operating and maintenance instructions manual online. The sh wire rope hoist is available with a variety of rope drum and trolley options, providing flexibility and versatility in any application. Sh 4, sh 5, sh 6, shr 6. Industrial equipment, enclosure user manuals,. The st series from stahl. Stahl Hoist Manuals Pdf.
From aaq.net.au
2 Post Hoist Installation Manuals Stahl Hoist Manuals Pdf The sh wire rope hoist is available with a variety of rope drum and trolley options, providing flexibility and versatility in any application. Fem (federation of european material handling industry, manufacturers' association): The st series from stahl cranesystems is available in 6 load capacity variants for the load capacity range from 125 kg to 6,300 kg. Sh 3 lifting systems. Stahl Hoist Manuals Pdf.
From wiringdiagram.2bitboer.com
Stahl Hoist Wiring Diagram Wiring Diagram Stahl Hoist Manuals Pdf Sh 3 lifting systems pdf manual download. The st series from stahl cranesystems is available in 6 load capacity variants for the load capacity range from 125 kg to 6,300 kg. Fem (federation of european material handling industry, manufacturers' association): When working with chain hoists, the following must be observed: Download 78 stahl chain hoists pdf manuals. View and download. Stahl Hoist Manuals Pdf.
From dokumen.tips
(PDF) Double Girder Trolley & Deck Mount Hoist Operation and Stahl Hoist Manuals Pdf Industrial equipment, enclosure user manuals,. The st series from stahl cranesystems is available in 6 load capacity variants for the load capacity range from 125 kg to 6,300 kg. Download 78 stahl chain hoists pdf manuals. Sh 3 lifting systems pdf manual download. When working with chain hoists, the following must be observed: Every day before starting work, check brakes,. Stahl Hoist Manuals Pdf.
From www.rsis.co.uk
Stahl Electric Chain Hoist Stahl Chain Hoist with Manual Push Trolley Stahl Hoist Manuals Pdf View and download stahl sh 3 operating and maintenance instructions manual online. The sh wire rope hoist is available with a variety of rope drum and trolley options, providing flexibility and versatility in any application. Download 78 stahl chain hoists pdf manuals. Industrial equipment, enclosure user manuals,. User manuals, stahl chain hoists operating guides and service manuals. View & download. Stahl Hoist Manuals Pdf.
From fixdbmarsha.z21.web.core.windows.net
Stahl Hoist Manuals Pdf Stahl Hoist Manuals Pdf The sh wire rope hoist is available with a variety of rope drum and trolley options, providing flexibility and versatility in any application. Fem (federation of european material handling industry, manufacturers' association): Download 78 stahl chain hoists pdf manuals. Industrial equipment, enclosure user manuals,. View & download of more than 2426 stahl pdf user manuals, service manuals, operating guides. When. Stahl Hoist Manuals Pdf.
From www.scribd.com
Stahl Wire Rope Hoists PDF Stahl Hoist Manuals Pdf The sh wire rope hoist is available with a variety of rope drum and trolley options, providing flexibility and versatility in any application. View & download of more than 2426 stahl pdf user manuals, service manuals, operating guides. Every day before starting work, check brakes, load suspension devices and limit switches and inspect the installation for any visible. Sh 4,. Stahl Hoist Manuals Pdf.
From dokumen.tips
(PDF) CM 640 Manual Hoists Direct manuals/CM 640 Manual.pdf · 15 16 Stahl Hoist Manuals Pdf Download 78 stahl chain hoists pdf manuals. View & download of more than 2426 stahl pdf user manuals, service manuals, operating guides. Sh 4, sh 5, sh 6, shr 6. Fem (federation of european material handling industry, manufacturers' association): Every day before starting work, check brakes, load suspension devices and limit switches and inspect the installation for any visible. The. Stahl Hoist Manuals Pdf.