Upvc Door Handles Types A Or B Difference . however, the choice of door handles seems to be quite overwhelming. If you are looking for offset or lever pad handles and need to know how to measure upvc door handles of this type then this replacement lever pad measuring guide will help you. firstly you will need to determine which type of handle you have. Size between the centres of the two screws. more upvc door handles. — what is the difference between type a and type b upvc door handles. — the main difference between type a and type b door handles is the level of security they offer. Find out the different types, sizes, brands and finishes of upvc door. Upvc external door handles go back a long way. Size between the centre of the lever and the centre of the top screw. Type a has a screw under the handle, and the distance between screws. These are the three most common types of. — the different types of door handles. — learn how to choose and install the right upvc door handle for your door. Types of upvc door handles.
from exouwzava.blob.core.windows.net
At ironmongery experts, we’ll be able to help you choose. There are 3 main types as shown below: Alternatively, if you’re dealing with a. — the different types of door handles. firstly you will need to determine which type of handle you have. Size between the centres of the two screws. New security model ds163 now available. learn how to identify and measure your upvc door handles by checking the top screw position and the pz (centre to keyhole). These are the three most common types of. learn how to identify and measure the pz centres of your upvc door handle, which is the distance from the key hole to the handle lever or spindle hole.
How Do Upvc Door Handles Work at Steve Freeman blog
Upvc Door Handles Types A Or B Difference more upvc door handles. learn how to identify and measure the pz centres of your upvc door handle, which is the distance from the key hole to the handle lever or spindle hole. find pvcu door handles and door bolts for your pvcu and composite doors at toolstation, from brands including era. find replacement door handles for upvc and composite doors from popular brands like hoppe, avocet, roto and more. There are 3 main types as shown below: Door handles come in a variety of shapes, styles and finishes, so it can be. Upvc external door handles go back a long way. more upvc door handles. learn how to identify and measure your upvc door handles by checking the top screw position and the pz (centre to keyhole). firstly you will need to determine which type of handle you have. — the main difference between type a and type b door handles is the level of security they offer. learn how to select the right door handle for your upvc doors based on style, durability, finish, and accessibility. If you are looking for offset or lever pad handles and need to know how to measure upvc door handles of this type then this replacement lever pad measuring guide will help you. — the different types of door handles. At ironmongery experts, we’ll be able to help you choose. — learn how to choose and install the right upvc door handle for your door.
From www.ebay.co.uk
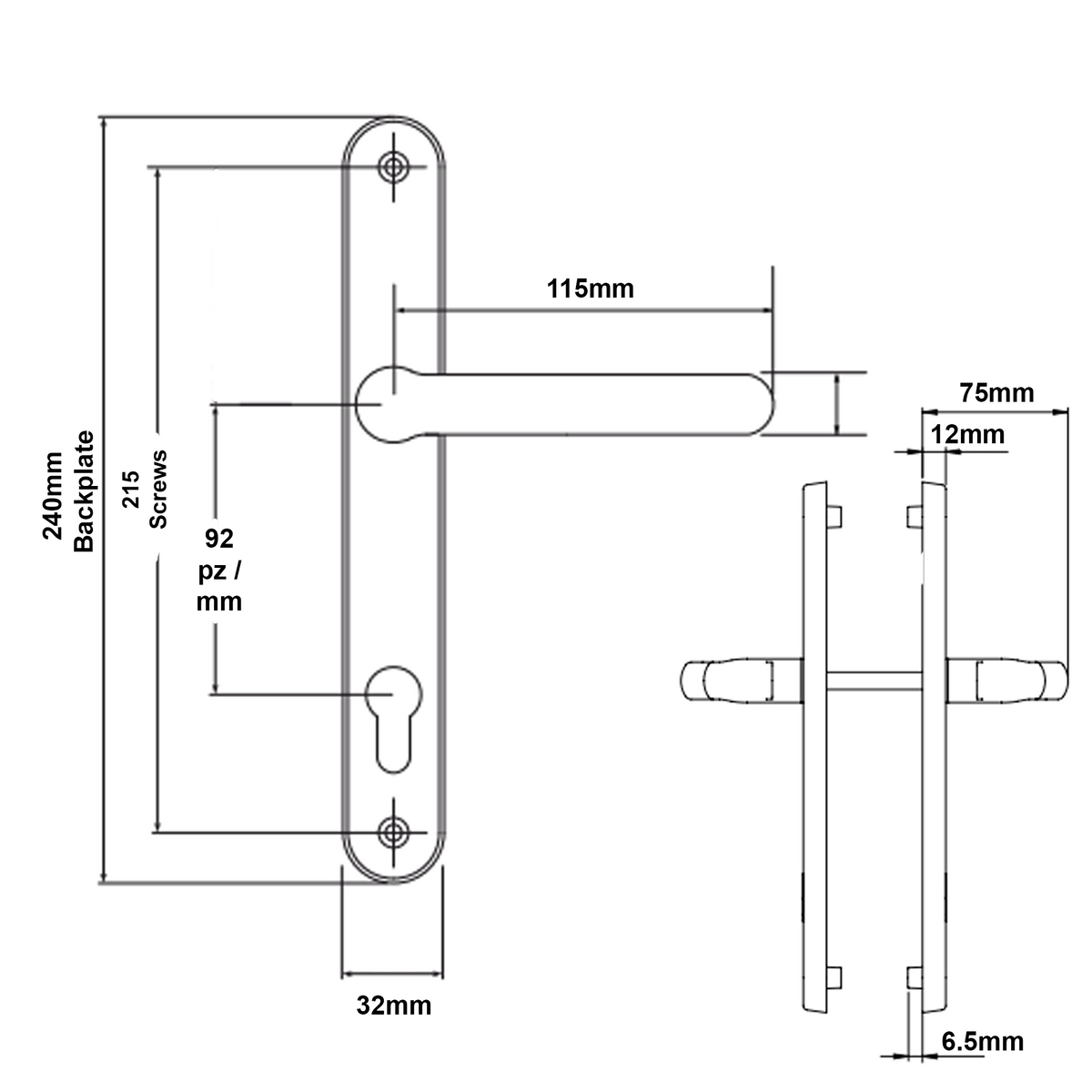
UPVC Door Handle Set 92mm Lever Pair 215mm Fixings 250mm Backplate Upvc Door Handles Types A Or B Difference Types of upvc door handles. Types of upvc door handles. Type a has a screw under the handle, and the distance between screws. upvc handles are also known as patio door handles so are suitable for to use as conservatory door handles, and for use. — what is the difference between type a and type b upvc door. Upvc Door Handles Types A Or B Difference.
From www.ebay.ie
UPVC Door Handle Hoppe Atlanta 92mm 92PZ 122mm Fixings Double Glazing Upvc Door Handles Types A Or B Difference firstly you will need to determine which type of handle you have. learn how to identify and measure the pz centres of your upvc door handle, which is the distance from the key hole to the handle lever or spindle hole. — learn how to choose and install the right upvc door handle for your door. At. Upvc Door Handles Types A Or B Difference.
From www.ebay.it
uPVC Sliding Patio Door Handle Fuhr 90PZ 90mm D Shape Handle Set Pair Upvc Door Handles Types A Or B Difference the three main types of door handles are lever handles, pull handles, and doorknobs, but what are the differences? learn how to identify and measure your upvc door handles by checking the top screw position and the pz (centre to keyhole). more upvc door handles. At ironmongery experts, we’ll be able to help you choose. —. Upvc Door Handles Types A Or B Difference.
From homesfeed.com
Good Door Handle Types HomesFeed Upvc Door Handles Types A Or B Difference Size between the centre of the lever and the centre of the top screw. These are the three most common types of. Door handles come in a variety of shapes, styles and finishes, so it can be. however, the choice of door handles seems to be quite overwhelming. At ironmongery experts, we’ll be able to help you choose. . Upvc Door Handles Types A Or B Difference.
From www.ebay.co.uk
Yale Superior uPVC Door Handle 92mm Sprung Lever Pair Long Backplate Upvc Door Handles Types A Or B Difference Size between the centre of the lever and the centre of the top screw. 82 rows — upvc door handles with offset levers or pads. Types of upvc door handles. Find out the different types, sizes, brands and finishes of upvc door. firstly you will need to determine which type of handle you have. — learn how. Upvc Door Handles Types A Or B Difference.
From propertyworkshop.com
UPVC Door Handles (How To Easily Identify Type A And Type B) Upvc Door Handles Types A Or B Difference These are the three most common types of. find pvcu door handles and door bolts for your pvcu and composite doors at toolstation, from brands including era. Find out the different types, sizes, brands and finishes of upvc door. 82 rows — upvc door handles with offset levers or pads. Door handles come in a variety of shapes,. Upvc Door Handles Types A Or B Difference.
From civiconcepts.com
30 Types Of Door Knobs And Handles Upvc Door Handles Types A Or B Difference — the different types of door handles. Fits 211mm screw centres with 92mm lever to lock size. These are the three most common types of. learn how to identify and measure the pz centres of your upvc door handle, which is the distance from the key hole to the handle lever or spindle hole. — what is. Upvc Door Handles Types A Or B Difference.
From www.handlesandhinges.co.uk
Windsor UPVC Door Handles 92mm/122mm, Lever/Lever, Blank External in Upvc Door Handles Types A Or B Difference Size between the centres of the two screws. learn how to identify and measure your upvc door handles by checking the top screw position and the pz (centre to keyhole). These are the three most common types of. There are 3 main types as shown below: If you are looking for offset or lever pad handles and need to. Upvc Door Handles Types A Or B Difference.
From thecarpentersdaughter.co.uk
How to Replace a uPVC Door Handle The Carpenter's Daughter Upvc Door Handles Types A Or B Difference Types of upvc door handles. These are the three most common types of. — read on to find out how to measure upvc door handles like an expert! Size between the centres of the two screws. perhaps your upvc door handle is stiff, dated, or you simply fancy a change of aesthetic. the most important thing when. Upvc Door Handles Types A Or B Difference.
From quietminimal.com
6 Different Types Of Door Handles A Simplified Guide Quiet Minimal Upvc Door Handles Types A Or B Difference more upvc door handles. Types of upvc door handles. At ironmongery experts, we’ll be able to help you choose. Upvc door handles are almost always used for external facing doors and incorporate a cylinder based door lock. Upvc external door handles go back a long way. learn how to select the right door handle for your upvc doors. Upvc Door Handles Types A Or B Difference.
From www.ebay.co.uk
Fullex uPVC Composite Lever Pad Door Handle 68PZ 215mm eBay Upvc Door Handles Types A Or B Difference — the different types of door handles. Find out the different types, sizes, brands and finishes of upvc door. Upvc door handles are almost always used for external facing doors and incorporate a cylinder based door lock. upvc handles are also known as patio door handles so are suitable for to use as conservatory door handles, and for. Upvc Door Handles Types A Or B Difference.
From multipointlocks.co.uk
uPVC Door Handles MPL Upvc Door Handles Types A Or B Difference At ironmongery experts, we’ll be able to help you choose. firstly you will need to determine which type of handle you have. upvc handles are also known as patio door handles so are suitable for to use as conservatory door handles, and for use. the three main types of door handles are lever handles, pull handles, and. Upvc Door Handles Types A Or B Difference.
From www.amazon.co.uk
Pro Linea UPVC Door Handles Set Lever/Lever White 92pz 122mm Screw to Upvc Door Handles Types A Or B Difference the most important thing when identifying upvc door handles is to consider the different types of door handles. Size between the centre of the lever and the centre of the top screw. the three main types of door handles are lever handles, pull handles, and doorknobs, but what are the differences? Types of upvc door handles. firstly. Upvc Door Handles Types A Or B Difference.
From propertyworkshop.com
UPVC Door Handles (How To Easily Identify Type A And Type B) Upvc Door Handles Types A Or B Difference — the main difference between type a and type b door handles is the level of security they offer. These are the three most common types of. the most important thing when identifying upvc door handles is to consider the different types of door handles. — learn how to choose and install the right upvc door handle. Upvc Door Handles Types A Or B Difference.
From jcphardware.co.uk
TSS UPVC Door Handle Pair 68mm PZ 215mm Fixings JCP Hardware Upvc Door Handles Types A Or B Difference firstly you will need to determine which type of handle you have. Types of upvc door handles. At ironmongery experts, we’ll be able to help you choose. — read on to find out how to measure upvc door handles like an expert! There are 3 main types as shown below: Upvc external door handles go back a long. Upvc Door Handles Types A Or B Difference.
From exobzhmqo.blob.core.windows.net
Upvc Door Handles Fitting at David Luebbert blog Upvc Door Handles Types A Or B Difference — learn how to choose and install the right upvc door handle for your door. Fits 211mm screw centres with 92mm lever to lock size. Size between the centres of the two screws. Types of upvc door handles. If you are looking for offset or lever pad handles and need to know how to measure upvc door handles of. Upvc Door Handles Types A Or B Difference.
From multipointlocks.co.uk
uPVC Door Handle No. 8 uPVC Door Lock Specialists MPL Upvc Door Handles Types A Or B Difference Types of upvc door handles. Alternatively, if you’re dealing with a. however, the choice of door handles seems to be quite overwhelming. find replacement door handles for upvc and composite doors from popular brands like hoppe, avocet, roto and more. If you are looking for offset or lever pad handles and need to know how to measure upvc. Upvc Door Handles Types A Or B Difference.
From www.upvc-store.co.uk
PVD Polished Gold UPVC Door Handle Set 92 Lever Pair 215mm Fix 240mm B Upvc Door Handles Types A Or B Difference — read on to find out how to measure upvc door handles like an expert! Fits 211mm screw centres with 92mm lever to lock size. Find out the different types, sizes, brands and finishes of upvc door. Upvc door handles are almost always used for external facing doors and incorporate a cylinder based door lock. however, the choice. Upvc Door Handles Types A Or B Difference.
From www.vaultnw.co.uk
Door handle UPVC Door Handle Lever Pad action White Chrome Brass Black Upvc Door Handles Types A Or B Difference Alternatively, if you’re dealing with a. learn how to identify and measure your upvc door handles by checking the top screw position and the pz (centre to keyhole). New security model ds163 now available. learn about the different types of door handles for interior doors, such as lever on backplate, lever on rose, d pull, flush pull,. . Upvc Door Handles Types A Or B Difference.
From www.amazon.co.uk
TSS UPVC Door Handle Set in Anthracite Grey, 92mm PZ (Centres), Lever Upvc Door Handles Types A Or B Difference There are 3 main types as shown below: Size between the centres of the two screws. more upvc door handles. There are various types of upvc door handles available in the market, each catering to different. Upvc external door handles go back a long way. find pvcu door handles and door bolts for your pvcu and composite doors. Upvc Door Handles Types A Or B Difference.
From www.firstchoicelocksmith.co.uk
uPVC Door Handles First Choice Locksmith Upvc Door Handles Types A Or B Difference the three main types of door handles are lever handles, pull handles, and doorknobs, but what are the differences? upvc handles are also known as patio door handles so are suitable for to use as conservatory door handles, and for use. Size between the centres of the two screws. firstly you will need to determine which type. Upvc Door Handles Types A Or B Difference.
From www.ebay.co.uk
uPVC Fullex 68pz Door Handle Sprung Pair 215mm Set PVC eBay Upvc Door Handles Types A Or B Difference Upvc door handles are almost always used for external facing doors and incorporate a cylinder based door lock. find replacement door handles for upvc and composite doors from popular brands like hoppe, avocet, roto and more. learn about the different types of door handles for interior doors, such as lever on backplate, lever on rose, d pull, flush. Upvc Door Handles Types A Or B Difference.
From www.desertcart.com.kw
Buy UPVC Door Handles Set Polished Brass Lever/Lever 92mm PZ Upvc Door Handles Types A Or B Difference find replacement door handles for upvc and composite doors from popular brands like hoppe, avocet, roto and more. Door handles come in a variety of shapes, styles and finishes, so it can be. however, the choice of door handles seems to be quite overwhelming. Find out the different types, sizes, brands and finishes of upvc door. Size between. Upvc Door Handles Types A Or B Difference.
From www.ebay.co.uk
UPVC Door Handle Hoppe Ferco 70mm 70PZ 200mm Fixings Double Glazing Upvc Door Handles Types A Or B Difference perhaps your upvc door handle is stiff, dated, or you simply fancy a change of aesthetic. find pvcu door handles and door bolts for your pvcu and composite doors at toolstation, from brands including era. however, the choice of door handles seems to be quite overwhelming. Door handles come in a variety of shapes, styles and finishes,. Upvc Door Handles Types A Or B Difference.
From exouwzava.blob.core.windows.net
How Do Upvc Door Handles Work at Steve Freeman blog Upvc Door Handles Types A Or B Difference Types of upvc door handles. find pvcu door handles and door bolts for your pvcu and composite doors at toolstation, from brands including era. Upvc door handles are almost always used for external facing doors and incorporate a cylinder based door lock. There are 3 main types as shown below: Type a has a screw under the handle, and. Upvc Door Handles Types A Or B Difference.
From www.sash-hardware.co.uk
WHAT TO KNOW BEFORE BUYING UPVC DOOR HANDLES Upvc Door Handles Types A Or B Difference There are various types of upvc door handles available in the market, each catering to different. find pvcu door handles and door bolts for your pvcu and composite doors at toolstation, from brands including era. however, the choice of door handles seems to be quite overwhelming. Alternatively, if you’re dealing with a. 82 rows — upvc door. Upvc Door Handles Types A Or B Difference.
From jcphardware.co.uk
Mila ProLinea UPVC Door Handle Pair 92mm PZ 122mm Fixings JCP Hardware Upvc Door Handles Types A Or B Difference perhaps your upvc door handle is stiff, dated, or you simply fancy a change of aesthetic. upvc handles are also known as patio door handles so are suitable for to use as conservatory door handles, and for use. 82 rows — upvc door handles with offset levers or pads. Door handles come in a variety of shapes,. Upvc Door Handles Types A Or B Difference.
From www.ebay.ie
Yale uPVC Door Handle Superior 92mm Pair Sprung Lever Long Backplate Upvc Door Handles Types A Or B Difference Types of upvc door handles. — what is the difference between type a and type b upvc door handles. learn how to identify and measure the pz centres of your upvc door handle, which is the distance from the key hole to the handle lever or spindle hole. At ironmongery experts, we’ll be able to help you choose.. Upvc Door Handles Types A Or B Difference.
From www.double-glazing-parts-spares.co.uk
Everest uPVC Door Handle (48pz) Replacement Upvc Door Handles Types A Or B Difference learn about the different types of door handles for interior doors, such as lever on backplate, lever on rose, d pull, flush pull,. At ironmongery experts, we’ll be able to help you choose. — the different types of door handles. New security model ds163 now available. Type a has a screw under the handle, and the distance between. Upvc Door Handles Types A Or B Difference.
From www.onbuy.com
(210mm White) JCP PRO UPVC Door Handle Set 92mm PZ Pair on OnBuy Upvc Door Handles Types A Or B Difference — the different types of door handles. the most important thing when identifying upvc door handles is to consider the different types of door handles. Fits 211mm screw centres with 92mm lever to lock size. — read on to find out how to measure upvc door handles like an expert! Size between the centre of the lever. Upvc Door Handles Types A Or B Difference.
From www.youtube.com
How to Identify your uPVC Door Handles www.handlesandhinges.co.uk Upvc Door Handles Types A Or B Difference — the different types of door handles. These are the three most common types of. more upvc door handles. There are various types of upvc door handles available in the market, each catering to different. Alternatively, if you’re dealing with a. At ironmongery experts, we’ll be able to help you choose. Upvc door handles are almost always used. Upvc Door Handles Types A Or B Difference.
From www.lsengineers.co.uk
Retro Door Handle uPVC Polished Chrome Finish by Yale Locks PPVCRH Upvc Door Handles Types A Or B Difference Type a has a screw under the handle, and the distance between screws. firstly you will need to determine which type of handle you have. If you are looking for offset or lever pad handles and need to know how to measure upvc door handles of this type then this replacement lever pad measuring guide will help you. There. Upvc Door Handles Types A Or B Difference.
From www.ebay.ie
UPVC Door Handle Hoppe Roto 92mm 92PZ 200mm Fixings Double Glazing Pair Upvc Door Handles Types A Or B Difference Size between the centres of the two screws. Fits 211mm screw centres with 92mm lever to lock size. learn how to identify and measure your upvc door handles by checking the top screw position and the pz (centre to keyhole). New security model ds163 now available. perhaps your upvc door handle is stiff, dated, or you simply fancy. Upvc Door Handles Types A Or B Difference.
From www.hiatt-hardware.com
Buy A UPVC Door Handle Black 92/122mm Hardware Solutions Hiatt Upvc Door Handles Types A Or B Difference learn how to select the right door handle for your upvc doors based on style, durability, finish, and accessibility. Type a has a screw under the handle, and the distance between screws. however, the choice of door handles seems to be quite overwhelming. Fits 211mm screw centres with 92mm lever to lock size. Types of upvc door handles.. Upvc Door Handles Types A Or B Difference.
From gbdiystore.com
uPVC Door Handles Durable & Affordable GB DIY Store Upvc Door Handles Types A Or B Difference Types of upvc door handles. upvc handles are also known as patio door handles so are suitable for to use as conservatory door handles, and for use. Type a has a screw under the handle, and the distance between screws. There are 3 main types as shown below: find replacement door handles for upvc and composite doors from. Upvc Door Handles Types A Or B Difference.