Speedaire Compressor Parts List . Speedaire® air compressor repair parts manual 4me97a, 4me98a please read and save these instructions. Speedaire repair parts manual e n g l i s h 2 speedaire ® portable air compressors please provide following information: Our comprehensive selection of air hoses, fittings, valves, regulators, line filters, etc. Enables you to optimize and upgrade your existing compressed air setup. Repair parts for all speedaire air compressors, including pumps, pressure switches, drains, filters, and more. Our site makes it easy to shop with online schematics, tech docs and videos available. Search from all models below or. However, due to backorders from many of our vendors and parts shortages, some items that we have listed may not be in stock or could have a long lead time although they show as available on our store. Get parts for your speedaire 5f564a, 4lw38, 13h30 air compressor at master tool repair. Speedaire® portable air compressors, models covered in this manual, are warranted by dayton electric mfg.
from mowerpartsland.com
Our comprehensive selection of air hoses, fittings, valves, regulators, line filters, etc. Speedaire repair parts manual e n g l i s h 2 speedaire ® portable air compressors please provide following information: Repair parts for all speedaire air compressors, including pumps, pressure switches, drains, filters, and more. Enables you to optimize and upgrade your existing compressed air setup. Speedaire® air compressor repair parts manual 4me97a, 4me98a please read and save these instructions. However, due to backorders from many of our vendors and parts shortages, some items that we have listed may not be in stock or could have a long lead time although they show as available on our store. Speedaire® portable air compressors, models covered in this manual, are warranted by dayton electric mfg. Get parts for your speedaire 5f564a, 4lw38, 13h30 air compressor at master tool repair. Our site makes it easy to shop with online schematics, tech docs and videos available. Search from all models below or.
Pull Start For Speedaire Model 4NB85 Air Compressor Mower Parts Land
Speedaire Compressor Parts List Search from all models below or. Get parts for your speedaire 5f564a, 4lw38, 13h30 air compressor at master tool repair. Speedaire® air compressor repair parts manual 4me97a, 4me98a please read and save these instructions. Speedaire® portable air compressors, models covered in this manual, are warranted by dayton electric mfg. Enables you to optimize and upgrade your existing compressed air setup. Speedaire repair parts manual e n g l i s h 2 speedaire ® portable air compressors please provide following information: Our comprehensive selection of air hoses, fittings, valves, regulators, line filters, etc. Repair parts for all speedaire air compressors, including pumps, pressure switches, drains, filters, and more. Search from all models below or. However, due to backorders from many of our vendors and parts shortages, some items that we have listed may not be in stock or could have a long lead time although they show as available on our store. Our site makes it easy to shop with online schematics, tech docs and videos available.
From diagramweb.net
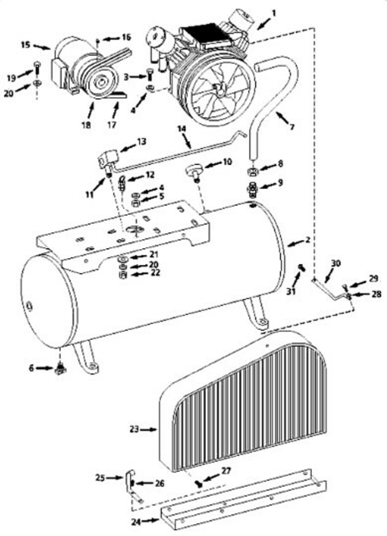
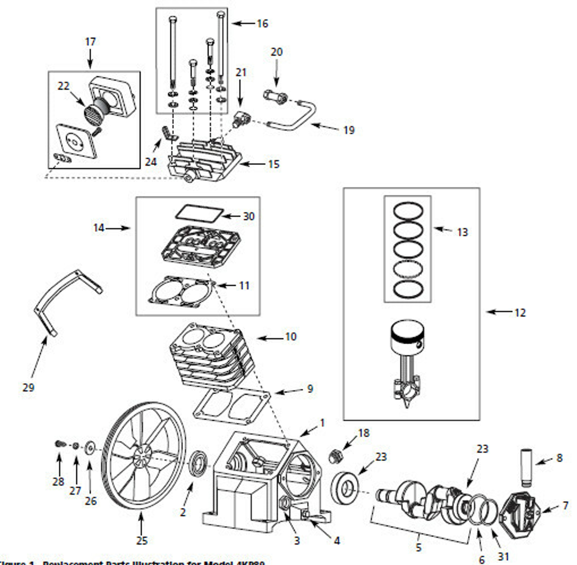
Speedaire Parts Diagram Speedaire Compressor Parts List Speedaire repair parts manual e n g l i s h 2 speedaire ® portable air compressors please provide following information: Search from all models below or. Speedaire® air compressor repair parts manual 4me97a, 4me98a please read and save these instructions. Get parts for your speedaire 5f564a, 4lw38, 13h30 air compressor at master tool repair. Speedaire® portable air compressors, models. Speedaire Compressor Parts List.
From www.mastertoolrepair.com
Speedaire 5Z598C Air Compressor Pump Parts Speedaire Compressor Parts List Our comprehensive selection of air hoses, fittings, valves, regulators, line filters, etc. Our site makes it easy to shop with online schematics, tech docs and videos available. Speedaire® portable air compressors, models covered in this manual, are warranted by dayton electric mfg. Enables you to optimize and upgrade your existing compressed air setup. Get parts for your speedaire 5f564a, 4lw38,. Speedaire Compressor Parts List.
From mastertoolrepair.com
Speedaire Air Compressor Replacement Pumps Speedaire Compressor Parts List Speedaire® air compressor repair parts manual 4me97a, 4me98a please read and save these instructions. Enables you to optimize and upgrade your existing compressed air setup. Repair parts for all speedaire air compressors, including pumps, pressure switches, drains, filters, and more. Search from all models below or. Get parts for your speedaire 5f564a, 4lw38, 13h30 air compressor at master tool repair.. Speedaire Compressor Parts List.
From ubicaciondepersonas.cdmx.gob.mx
Speedaire Compressor Parts Diagram ubicaciondepersonas.cdmx.gob.mx Speedaire Compressor Parts List Speedaire® portable air compressors, models covered in this manual, are warranted by dayton electric mfg. Our site makes it easy to shop with online schematics, tech docs and videos available. Speedaire® air compressor repair parts manual 4me97a, 4me98a please read and save these instructions. Repair parts for all speedaire air compressors, including pumps, pressure switches, drains, filters, and more. Search. Speedaire Compressor Parts List.
From www.grainger.com
SPEEDAIRE 20 gal. 5.5 HP Barrel Portable Gas Air Compressor 4B220 Speedaire Compressor Parts List Our comprehensive selection of air hoses, fittings, valves, regulators, line filters, etc. Speedaire® portable air compressors, models covered in this manual, are warranted by dayton electric mfg. Enables you to optimize and upgrade your existing compressed air setup. Repair parts for all speedaire air compressors, including pumps, pressure switches, drains, filters, and more. Search from all models below or. Speedaire®. Speedaire Compressor Parts List.
From mastertoolrepair.com
Speedaire TwoStage Air Compressor Parts Master Tool Repair Speedaire Compressor Parts List Repair parts for all speedaire air compressors, including pumps, pressure switches, drains, filters, and more. However, due to backorders from many of our vendors and parts shortages, some items that we have listed may not be in stock or could have a long lead time although they show as available on our store. Get parts for your speedaire 5f564a, 4lw38,. Speedaire Compressor Parts List.
From www.ereplacementparts.com
Campbell Hausfeld 135 PSI Speedaire Portable Air Compressor 1NNF4 Speedaire Compressor Parts List Search from all models below or. Our site makes it easy to shop with online schematics, tech docs and videos available. However, due to backorders from many of our vendors and parts shortages, some items that we have listed may not be in stock or could have a long lead time although they show as available on our store. Repair. Speedaire Compressor Parts List.
From mowerpartsland.com
Pull Start For Speedaire Model 4NB85 Air Compressor Mower Parts Land Speedaire Compressor Parts List Repair parts for all speedaire air compressors, including pumps, pressure switches, drains, filters, and more. Speedaire® air compressor repair parts manual 4me97a, 4me98a please read and save these instructions. Speedaire® portable air compressors, models covered in this manual, are warranted by dayton electric mfg. However, due to backorders from many of our vendors and parts shortages, some items that we. Speedaire Compressor Parts List.
From resolutionsforyou.com
Understanding the Scott Air Pack Parts Diagram A Comprehensive Guide Speedaire Compressor Parts List Our site makes it easy to shop with online schematics, tech docs and videos available. However, due to backorders from many of our vendors and parts shortages, some items that we have listed may not be in stock or could have a long lead time although they show as available on our store. Speedaire® air compressor repair parts manual 4me97a,. Speedaire Compressor Parts List.
From mastertoolrepair.com
Speedaire TwoStage Air Compressor Parts Master Tool Repair Speedaire Compressor Parts List Speedaire repair parts manual e n g l i s h 2 speedaire ® portable air compressors please provide following information: Our site makes it easy to shop with online schematics, tech docs and videos available. Search from all models below or. However, due to backorders from many of our vendors and parts shortages, some items that we have listed. Speedaire Compressor Parts List.
From www.targetmust.com
Speedaire Compressor Parts Efficient for Enchanting 2024 Speedaire Compressor Parts List Speedaire repair parts manual e n g l i s h 2 speedaire ® portable air compressors please provide following information: Repair parts for all speedaire air compressors, including pumps, pressure switches, drains, filters, and more. Get parts for your speedaire 5f564a, 4lw38, 13h30 air compressor at master tool repair. Speedaire® portable air compressors, models covered in this manual, are. Speedaire Compressor Parts List.
From emanuelemanuelhueftlee0295001.blogspot.com
Porter Cable Compressor Parts Diagram / Speedaire 3Z492A Air Compressor Speedaire Compressor Parts List Repair parts for all speedaire air compressors, including pumps, pressure switches, drains, filters, and more. Enables you to optimize and upgrade your existing compressed air setup. Search from all models below or. Our comprehensive selection of air hoses, fittings, valves, regulators, line filters, etc. Speedaire® portable air compressors, models covered in this manual, are warranted by dayton electric mfg. Speedaire®. Speedaire Compressor Parts List.
From mastertoolrepair.com
Speedaire Electric OilBath Parts Master Tool Repair Speedaire Compressor Parts List Enables you to optimize and upgrade your existing compressed air setup. Search from all models below or. Speedaire® portable air compressors, models covered in this manual, are warranted by dayton electric mfg. Speedaire repair parts manual e n g l i s h 2 speedaire ® portable air compressors please provide following information: Our comprehensive selection of air hoses, fittings,. Speedaire Compressor Parts List.
From mastertoolrepair.com
Speedaire SingleStage Air Compressor Pump Parts Master Tool Repair Speedaire Compressor Parts List Search from all models below or. Speedaire® air compressor repair parts manual 4me97a, 4me98a please read and save these instructions. Speedaire® portable air compressors, models covered in this manual, are warranted by dayton electric mfg. Enables you to optimize and upgrade your existing compressed air setup. Our site makes it easy to shop with online schematics, tech docs and videos. Speedaire Compressor Parts List.
From mastertoolrepair.com
Speedaire TwoStage Air Compressor Parts Master Tool Repair Speedaire Compressor Parts List Repair parts for all speedaire air compressors, including pumps, pressure switches, drains, filters, and more. Our comprehensive selection of air hoses, fittings, valves, regulators, line filters, etc. Speedaire repair parts manual e n g l i s h 2 speedaire ® portable air compressors please provide following information: Enables you to optimize and upgrade your existing compressed air setup. Speedaire®. Speedaire Compressor Parts List.
From www.manualslib.com
SPEEDAIRE 1WD36 OPERATING INSTRUCTIONS & PARTS MANUAL Pdf Download Speedaire Compressor Parts List Repair parts for all speedaire air compressors, including pumps, pressure switches, drains, filters, and more. Enables you to optimize and upgrade your existing compressed air setup. Speedaire repair parts manual e n g l i s h 2 speedaire ® portable air compressors please provide following information: Search from all models below or. Speedaire® portable air compressors, models covered in. Speedaire Compressor Parts List.
From schematron.org
Speedaire Parts Diagram Wiring Diagram Pictures Speedaire Compressor Parts List Get parts for your speedaire 5f564a, 4lw38, 13h30 air compressor at master tool repair. However, due to backorders from many of our vendors and parts shortages, some items that we have listed may not be in stock or could have a long lead time although they show as available on our store. Search from all models below or. Repair parts. Speedaire Compressor Parts List.
From mastertoolrepair.com
Speedaire SingleStage Air Compressor Pump Parts Master Tool Repair Speedaire Compressor Parts List Speedaire repair parts manual e n g l i s h 2 speedaire ® portable air compressors please provide following information: Our comprehensive selection of air hoses, fittings, valves, regulators, line filters, etc. Speedaire® air compressor repair parts manual 4me97a, 4me98a please read and save these instructions. However, due to backorders from many of our vendors and parts shortages, some. Speedaire Compressor Parts List.
From fix-my-compressor.com
Speedaire Air Compressors Information, Manuals, Service Location Speedaire Compressor Parts List However, due to backorders from many of our vendors and parts shortages, some items that we have listed may not be in stock or could have a long lead time although they show as available on our store. Speedaire® air compressor repair parts manual 4me97a, 4me98a please read and save these instructions. Speedaire repair parts manual e n g l. Speedaire Compressor Parts List.
From www.grainger.com
SPEEDAIRE Air Compressor/Generator/Welder 15D80215D802 Grainger Speedaire Compressor Parts List Our site makes it easy to shop with online schematics, tech docs and videos available. Speedaire® portable air compressors, models covered in this manual, are warranted by dayton electric mfg. Enables you to optimize and upgrade your existing compressed air setup. However, due to backorders from many of our vendors and parts shortages, some items that we have listed may. Speedaire Compressor Parts List.
From mastertoolrepair.com
SpeedAire 5F564A, 4LW38, 13H30 Parts Master Tool Repair Speedaire Compressor Parts List However, due to backorders from many of our vendors and parts shortages, some items that we have listed may not be in stock or could have a long lead time although they show as available on our store. Our comprehensive selection of air hoses, fittings, valves, regulators, line filters, etc. Search from all models below or. Speedaire repair parts manual. Speedaire Compressor Parts List.
From mastertoolrepair.com
Speedaire TwoStage Air Compressor Parts Master Tool Repair Speedaire Compressor Parts List Search from all models below or. Speedaire® portable air compressors, models covered in this manual, are warranted by dayton electric mfg. Speedaire repair parts manual e n g l i s h 2 speedaire ® portable air compressors please provide following information: However, due to backorders from many of our vendors and parts shortages, some items that we have listed. Speedaire Compressor Parts List.
From diagramweb.net
Speedaire Parts Diagram Speedaire Compressor Parts List Get parts for your speedaire 5f564a, 4lw38, 13h30 air compressor at master tool repair. Speedaire® portable air compressors, models covered in this manual, are warranted by dayton electric mfg. Speedaire repair parts manual e n g l i s h 2 speedaire ® portable air compressors please provide following information: Speedaire® air compressor repair parts manual 4me97a, 4me98a please read. Speedaire Compressor Parts List.
From makerspace.tulane.edu
FileSpeedaire 5F231B Compressor.pdf makerspace.tulane.edu Speedaire Compressor Parts List Repair parts for all speedaire air compressors, including pumps, pressure switches, drains, filters, and more. Get parts for your speedaire 5f564a, 4lw38, 13h30 air compressor at master tool repair. Our comprehensive selection of air hoses, fittings, valves, regulators, line filters, etc. Speedaire repair parts manual e n g l i s h 2 speedaire ® portable air compressors please provide. Speedaire Compressor Parts List.
From www.ereplacementparts.com
Campbell Hausfeld Speedaire Compressor Pump 3JR84 Speedaire Compressor Parts List Get parts for your speedaire 5f564a, 4lw38, 13h30 air compressor at master tool repair. Our comprehensive selection of air hoses, fittings, valves, regulators, line filters, etc. Speedaire repair parts manual e n g l i s h 2 speedaire ® portable air compressors please provide following information: Speedaire® portable air compressors, models covered in this manual, are warranted by dayton. Speedaire Compressor Parts List.
From www.mastertoolrepair.com
Speedaire 5F237 Air Compressor Parts Speedaire Compressor Parts List Speedaire® portable air compressors, models covered in this manual, are warranted by dayton electric mfg. Search from all models below or. Get parts for your speedaire 5f564a, 4lw38, 13h30 air compressor at master tool repair. Repair parts for all speedaire air compressors, including pumps, pressure switches, drains, filters, and more. Enables you to optimize and upgrade your existing compressed air. Speedaire Compressor Parts List.
From www.about-air-compressors.com
Speedaire Air Compressors Information, Manuals, Service Locations Speedaire Compressor Parts List Speedaire® portable air compressors, models covered in this manual, are warranted by dayton electric mfg. Repair parts for all speedaire air compressors, including pumps, pressure switches, drains, filters, and more. Enables you to optimize and upgrade your existing compressed air setup. However, due to backorders from many of our vendors and parts shortages, some items that we have listed may. Speedaire Compressor Parts List.
From www.mastertoolrepair.com
Speedaire 3Z394C, 3Z427C Air Compressor Parts Master Tool Repair Speedaire Compressor Parts List Speedaire® portable air compressors, models covered in this manual, are warranted by dayton electric mfg. Get parts for your speedaire 5f564a, 4lw38, 13h30 air compressor at master tool repair. Search from all models below or. Speedaire® air compressor repair parts manual 4me97a, 4me98a please read and save these instructions. Our site makes it easy to shop with online schematics, tech. Speedaire Compressor Parts List.
From www.ereplacementparts.com
Campbell Hausfeld Speedaire Baseplate Air Compressor 4B242A Speedaire Compressor Parts List Speedaire® air compressor repair parts manual 4me97a, 4me98a please read and save these instructions. Our site makes it easy to shop with online schematics, tech docs and videos available. Search from all models below or. Speedaire® portable air compressors, models covered in this manual, are warranted by dayton electric mfg. Get parts for your speedaire 5f564a, 4lw38, 13h30 air compressor. Speedaire Compressor Parts List.
From mastertoolrepair.com
Speedaire 2Z499A, 2Z499B, 2Z630B Air Compressor Parts Speedaire Compressor Parts List Our site makes it easy to shop with online schematics, tech docs and videos available. Speedaire repair parts manual e n g l i s h 2 speedaire ® portable air compressors please provide following information: Speedaire® portable air compressors, models covered in this manual, are warranted by dayton electric mfg. Speedaire® air compressor repair parts manual 4me97a, 4me98a please. Speedaire Compressor Parts List.
From diagramweb.net
Speedaire Parts Diagram Speedaire Compressor Parts List Speedaire® portable air compressors, models covered in this manual, are warranted by dayton electric mfg. Our comprehensive selection of air hoses, fittings, valves, regulators, line filters, etc. Speedaire repair parts manual e n g l i s h 2 speedaire ® portable air compressors please provide following information: Repair parts for all speedaire air compressors, including pumps, pressure switches, drains,. Speedaire Compressor Parts List.
From mastertoolrepair.com
Speedaire TwoStage Air Compressor Parts Master Tool Repair Speedaire Compressor Parts List Get parts for your speedaire 5f564a, 4lw38, 13h30 air compressor at master tool repair. Enables you to optimize and upgrade your existing compressed air setup. Speedaire® portable air compressors, models covered in this manual, are warranted by dayton electric mfg. Speedaire repair parts manual e n g l i s h 2 speedaire ® portable air compressors please provide following. Speedaire Compressor Parts List.
From mastertoolrepair.com
Speedaire SingleStage Air Compressor Pump Parts Master Tool Repair Speedaire Compressor Parts List Speedaire repair parts manual e n g l i s h 2 speedaire ® portable air compressors please provide following information: Our comprehensive selection of air hoses, fittings, valves, regulators, line filters, etc. Search from all models below or. However, due to backorders from many of our vendors and parts shortages, some items that we have listed may not be. Speedaire Compressor Parts List.
From pdfslide.net
Speedaire 5 & 7.5 HP TwoStage Air Compressors .Speedaire® 5 & 7.5 HP Speedaire Compressor Parts List Search from all models below or. Our site makes it easy to shop with online schematics, tech docs and videos available. Speedaire® portable air compressors, models covered in this manual, are warranted by dayton electric mfg. Speedaire® air compressor repair parts manual 4me97a, 4me98a please read and save these instructions. However, due to backorders from many of our vendors and. Speedaire Compressor Parts List.
From www.scribd.com
Speedaire 10 and 15 HP 2 Stage Air Compressors Owners Manual Valve Speedaire Compressor Parts List Search from all models below or. Enables you to optimize and upgrade your existing compressed air setup. However, due to backorders from many of our vendors and parts shortages, some items that we have listed may not be in stock or could have a long lead time although they show as available on our store. Repair parts for all speedaire. Speedaire Compressor Parts List.