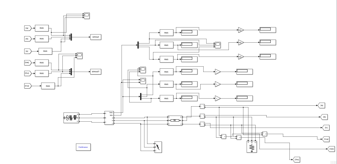
Transmission Line Model In Matlab Simulink . First shows you how to analyze a transmission line in the frequency domain using an analytical model based on geometric properties. If you are interested in the detailed. The short transmission line model can be used to calculate voltage regulation and efficiency for different paramaters of the. Second it shows you how to create an. This project includes two.slx files (simulink). A short transmission line is defined as a transmission line with an effective length less than 80 km (50 miles), or with a voltage.
from www.youtube.com
If you are interested in the detailed. First shows you how to analyze a transmission line in the frequency domain using an analytical model based on geometric properties. A short transmission line is defined as a transmission line with an effective length less than 80 km (50 miles), or with a voltage. The short transmission line model can be used to calculate voltage regulation and efficiency for different paramaters of the. This project includes two.slx files (simulink). Second it shows you how to create an.
Fault analysis of 3phase transmission line using MATLAB simulation
Transmission Line Model In Matlab Simulink A short transmission line is defined as a transmission line with an effective length less than 80 km (50 miles), or with a voltage. If you are interested in the detailed. The short transmission line model can be used to calculate voltage regulation and efficiency for different paramaters of the. This project includes two.slx files (simulink). First shows you how to analyze a transmission line in the frequency domain using an analytical model based on geometric properties. A short transmission line is defined as a transmission line with an effective length less than 80 km (50 miles), or with a voltage. Second it shows you how to create an.
From www.youtube.com
how to use a transformer in simulink transformer in simulink/matlab Transmission Line Model In Matlab Simulink Second it shows you how to create an. The short transmission line model can be used to calculate voltage regulation and efficiency for different paramaters of the. First shows you how to analyze a transmission line in the frequency domain using an analytical model based on geometric properties. A short transmission line is defined as a transmission line with an. Transmission Line Model In Matlab Simulink.
From www.researchgate.net
Transmission Line Model in MATLABSIMULINK Download Scientific Diagram Transmission Line Model In Matlab Simulink First shows you how to analyze a transmission line in the frequency domain using an analytical model based on geometric properties. This project includes two.slx files (simulink). A short transmission line is defined as a transmission line with an effective length less than 80 km (50 miles), or with a voltage. If you are interested in the detailed. Second it. Transmission Line Model In Matlab Simulink.
From www.researchgate.net
Transmission Line Model in MATLABSIMULINK Download Scientific Diagram Transmission Line Model In Matlab Simulink If you are interested in the detailed. Second it shows you how to create an. This project includes two.slx files (simulink). A short transmission line is defined as a transmission line with an effective length less than 80 km (50 miles), or with a voltage. First shows you how to analyze a transmission line in the frequency domain using an. Transmission Line Model In Matlab Simulink.
From www.youtube.com
How to Design Short Transmission Line in MATLAB/SIMULINK using Labels Transmission Line Model In Matlab Simulink First shows you how to analyze a transmission line in the frequency domain using an analytical model based on geometric properties. The short transmission line model can be used to calculate voltage regulation and efficiency for different paramaters of the. This project includes two.slx files (simulink). Second it shows you how to create an. If you are interested in the. Transmission Line Model In Matlab Simulink.
From www.youtube.com
Transmission Line(TL) Fault Detection using Wavelet in MATLAB TL Transmission Line Model In Matlab Simulink A short transmission line is defined as a transmission line with an effective length less than 80 km (50 miles), or with a voltage. This project includes two.slx files (simulink). The short transmission line model can be used to calculate voltage regulation and efficiency for different paramaters of the. Second it shows you how to create an. First shows you. Transmission Line Model In Matlab Simulink.
From www.youtube.com
How To Design Short Transmission Line Model in MATLAB/SIMULINK ? Dr Transmission Line Model In Matlab Simulink If you are interested in the detailed. The short transmission line model can be used to calculate voltage regulation and efficiency for different paramaters of the. This project includes two.slx files (simulink). A short transmission line is defined as a transmission line with an effective length less than 80 km (50 miles), or with a voltage. Second it shows you. Transmission Line Model In Matlab Simulink.
From www.youtube.com
12 MATLAB Simulink ABCD Transmission Line Parameters YouTube Transmission Line Model In Matlab Simulink This project includes two.slx files (simulink). A short transmission line is defined as a transmission line with an effective length less than 80 km (50 miles), or with a voltage. The short transmission line model can be used to calculate voltage regulation and efficiency for different paramaters of the. Second it shows you how to create an. If you are. Transmission Line Model In Matlab Simulink.
From okokprojects.com
A Modelling of High Voltage Transmission Line in Matlab OKOK PROJECTS Transmission Line Model In Matlab Simulink The short transmission line model can be used to calculate voltage regulation and efficiency for different paramaters of the. This project includes two.slx files (simulink). If you are interested in the detailed. First shows you how to analyze a transmission line in the frequency domain using an analytical model based on geometric properties. A short transmission line is defined as. Transmission Line Model In Matlab Simulink.
From www.researchgate.net
(PDF) Implementation of an Alternative FrequencyDependent ThreePhase Transmission Line Model In Matlab Simulink This project includes two.slx files (simulink). The short transmission line model can be used to calculate voltage regulation and efficiency for different paramaters of the. Second it shows you how to create an. First shows you how to analyze a transmission line in the frequency domain using an analytical model based on geometric properties. A short transmission line is defined. Transmission Line Model In Matlab Simulink.
From www.researchgate.net
e a) Multibranch model in Matlab/Simulink environment; b) Contents of Transmission Line Model In Matlab Simulink If you are interested in the detailed. The short transmission line model can be used to calculate voltage regulation and efficiency for different paramaters of the. Second it shows you how to create an. A short transmission line is defined as a transmission line with an effective length less than 80 km (50 miles), or with a voltage. This project. Transmission Line Model In Matlab Simulink.
From www.youtube.com
Matlab Simulink Three Phase Transmission Line YouTube Transmission Line Model In Matlab Simulink First shows you how to analyze a transmission line in the frequency domain using an analytical model based on geometric properties. Second it shows you how to create an. A short transmission line is defined as a transmission line with an effective length less than 80 km (50 miles), or with a voltage. The short transmission line model can be. Transmission Line Model In Matlab Simulink.
From matlabprojectscode.com
PV power plant with transmission line and breaker Matlab Simulink Transmission Line Model In Matlab Simulink Second it shows you how to create an. The short transmission line model can be used to calculate voltage regulation and efficiency for different paramaters of the. A short transmission line is defined as a transmission line with an effective length less than 80 km (50 miles), or with a voltage. First shows you how to analyze a transmission line. Transmission Line Model In Matlab Simulink.
From control.mathworks.com
Long Transmission Line Model in MATLAB SIMULINK File Exchange Transmission Line Model In Matlab Simulink Second it shows you how to create an. The short transmission line model can be used to calculate voltage regulation and efficiency for different paramaters of the. This project includes two.slx files (simulink). A short transmission line is defined as a transmission line with an effective length less than 80 km (50 miles), or with a voltage. First shows you. Transmission Line Model In Matlab Simulink.
From www.mdpi.com
Energies Free FullText Implementation of an Alternative Frequency Transmission Line Model In Matlab Simulink This project includes two.slx files (simulink). If you are interested in the detailed. First shows you how to analyze a transmission line in the frequency domain using an analytical model based on geometric properties. Second it shows you how to create an. The short transmission line model can be used to calculate voltage regulation and efficiency for different paramaters of. Transmission Line Model In Matlab Simulink.
From www.youtube.com
Three Phase Fault Analysis On Transmission line In Matlab Simulation Transmission Line Model In Matlab Simulink If you are interested in the detailed. First shows you how to analyze a transmission line in the frequency domain using an analytical model based on geometric properties. A short transmission line is defined as a transmission line with an effective length less than 80 km (50 miles), or with a voltage. This project includes two.slx files (simulink). Second it. Transmission Line Model In Matlab Simulink.
From www.semanticscholar.org
Figure 1 from ThreePhase Fault Analysis on Transmission Line in Matlab Transmission Line Model In Matlab Simulink A short transmission line is defined as a transmission line with an effective length less than 80 km (50 miles), or with a voltage. The short transmission line model can be used to calculate voltage regulation and efficiency for different paramaters of the. This project includes two.slx files (simulink). First shows you how to analyze a transmission line in the. Transmission Line Model In Matlab Simulink.
From www.researchgate.net
MATLAB Simulink simulation model for 2nd transmission line (TL2 Transmission Line Model In Matlab Simulink A short transmission line is defined as a transmission line with an effective length less than 80 km (50 miles), or with a voltage. Second it shows you how to create an. First shows you how to analyze a transmission line in the frequency domain using an analytical model based on geometric properties. This project includes two.slx files (simulink). If. Transmission Line Model In Matlab Simulink.
From www.youtube.com
Design and Analysis Transmission Line Analysis MATLAB Simulink (PART1 Transmission Line Model In Matlab Simulink First shows you how to analyze a transmission line in the frequency domain using an analytical model based on geometric properties. The short transmission line model can be used to calculate voltage regulation and efficiency for different paramaters of the. This project includes two.slx files (simulink). Second it shows you how to create an. A short transmission line is defined. Transmission Line Model In Matlab Simulink.
From www.researchgate.net
MATLAB Simulink simulation model for 2nd transmission line (TL2 Transmission Line Model In Matlab Simulink The short transmission line model can be used to calculate voltage regulation and efficiency for different paramaters of the. First shows you how to analyze a transmission line in the frequency domain using an analytical model based on geometric properties. If you are interested in the detailed. A short transmission line is defined as a transmission line with an effective. Transmission Line Model In Matlab Simulink.
From www.semanticscholar.org
Figure 3.1 from EXPLORING THE TRANSMISSION LINE THROUGH MATLAB SIMULINK Transmission Line Model In Matlab Simulink The short transmission line model can be used to calculate voltage regulation and efficiency for different paramaters of the. A short transmission line is defined as a transmission line with an effective length less than 80 km (50 miles), or with a voltage. First shows you how to analyze a transmission line in the frequency domain using an analytical model. Transmission Line Model In Matlab Simulink.
From www.researchgate.net
Transmission Line Model in MATLABSIMULINK Download Scientific Diagram Transmission Line Model In Matlab Simulink If you are interested in the detailed. The short transmission line model can be used to calculate voltage regulation and efficiency for different paramaters of the. A short transmission line is defined as a transmission line with an effective length less than 80 km (50 miles), or with a voltage. Second it shows you how to create an. First shows. Transmission Line Model In Matlab Simulink.
From www.youtube.com
Fault analysis of 3phase transmission line using MATLAB simulation Transmission Line Model In Matlab Simulink The short transmission line model can be used to calculate voltage regulation and efficiency for different paramaters of the. Second it shows you how to create an. This project includes two.slx files (simulink). A short transmission line is defined as a transmission line with an effective length less than 80 km (50 miles), or with a voltage. If you are. Transmission Line Model In Matlab Simulink.
From www.researchgate.net
Transmission Line Model in MATLABSIMULINK Download Scientific Diagram Transmission Line Model In Matlab Simulink A short transmission line is defined as a transmission line with an effective length less than 80 km (50 miles), or with a voltage. Second it shows you how to create an. First shows you how to analyze a transmission line in the frequency domain using an analytical model based on geometric properties. The short transmission line model can be. Transmission Line Model In Matlab Simulink.
From www.researchgate.net
Transmission Line Model in MATLABSIMULINK Download Scientific Diagram Transmission Line Model In Matlab Simulink Second it shows you how to create an. A short transmission line is defined as a transmission line with an effective length less than 80 km (50 miles), or with a voltage. If you are interested in the detailed. First shows you how to analyze a transmission line in the frequency domain using an analytical model based on geometric properties.. Transmission Line Model In Matlab Simulink.
From www.researchgate.net
Transmission Line Model in MATLABSIMULINK Download Scientific Diagram Transmission Line Model In Matlab Simulink If you are interested in the detailed. This project includes two.slx files (simulink). The short transmission line model can be used to calculate voltage regulation and efficiency for different paramaters of the. First shows you how to analyze a transmission line in the frequency domain using an analytical model based on geometric properties. A short transmission line is defined as. Transmission Line Model In Matlab Simulink.
From www.researchgate.net
MATLAB/Simulink model for AQSA EPS including its long transmission line Transmission Line Model In Matlab Simulink The short transmission line model can be used to calculate voltage regulation and efficiency for different paramaters of the. A short transmission line is defined as a transmission line with an effective length less than 80 km (50 miles), or with a voltage. If you are interested in the detailed. This project includes two.slx files (simulink). Second it shows you. Transmission Line Model In Matlab Simulink.
From www.youtube.com
Transmission Line Simulation (MATLAB) YouTube Transmission Line Model In Matlab Simulink Second it shows you how to create an. First shows you how to analyze a transmission line in the frequency domain using an analytical model based on geometric properties. If you are interested in the detailed. A short transmission line is defined as a transmission line with an effective length less than 80 km (50 miles), or with a voltage.. Transmission Line Model In Matlab Simulink.
From www.mdpi.com
Energies Free FullText Implementation of an Alternative Frequency Transmission Line Model In Matlab Simulink If you are interested in the detailed. This project includes two.slx files (simulink). The short transmission line model can be used to calculate voltage regulation and efficiency for different paramaters of the. A short transmission line is defined as a transmission line with an effective length less than 80 km (50 miles), or with a voltage. Second it shows you. Transmission Line Model In Matlab Simulink.
From www.mathworks.com
Implement transmission line or cable with lumped parameters Simulink Transmission Line Model In Matlab Simulink This project includes two.slx files (simulink). Second it shows you how to create an. First shows you how to analyze a transmission line in the frequency domain using an analytical model based on geometric properties. If you are interested in the detailed. The short transmission line model can be used to calculate voltage regulation and efficiency for different paramaters of. Transmission Line Model In Matlab Simulink.
From www.scientific.net
Modeling and Simulation of the Automatic Transmission Assembly Using Transmission Line Model In Matlab Simulink If you are interested in the detailed. Second it shows you how to create an. The short transmission line model can be used to calculate voltage regulation and efficiency for different paramaters of the. This project includes two.slx files (simulink). First shows you how to analyze a transmission line in the frequency domain using an analytical model based on geometric. Transmission Line Model In Matlab Simulink.
From stackoverflow.com
Dataset for Power Transmission Lines in Simulink, MATLAB Stack Overflow Transmission Line Model In Matlab Simulink A short transmission line is defined as a transmission line with an effective length less than 80 km (50 miles), or with a voltage. The short transmission line model can be used to calculate voltage regulation and efficiency for different paramaters of the. Second it shows you how to create an. First shows you how to analyze a transmission line. Transmission Line Model In Matlab Simulink.
From www.researchgate.net
Long transmission line V. MATLAB SIMULINK MODEL FOR STANDARD IEEE 3BUS Transmission Line Model In Matlab Simulink If you are interested in the detailed. This project includes two.slx files (simulink). The short transmission line model can be used to calculate voltage regulation and efficiency for different paramaters of the. A short transmission line is defined as a transmission line with an effective length less than 80 km (50 miles), or with a voltage. First shows you how. Transmission Line Model In Matlab Simulink.
From www.researchgate.net
(PDF) Protection Transformer and Transmission Line in Power System Transmission Line Model In Matlab Simulink The short transmission line model can be used to calculate voltage regulation and efficiency for different paramaters of the. Second it shows you how to create an. A short transmission line is defined as a transmission line with an effective length less than 80 km (50 miles), or with a voltage. If you are interested in the detailed. This project. Transmission Line Model In Matlab Simulink.
From www.researchgate.net
Transmission Line Model using MATLAB SIMULINK Download Scientific Diagram Transmission Line Model In Matlab Simulink If you are interested in the detailed. The short transmission line model can be used to calculate voltage regulation and efficiency for different paramaters of the. A short transmission line is defined as a transmission line with an effective length less than 80 km (50 miles), or with a voltage. This project includes two.slx files (simulink). Second it shows you. Transmission Line Model In Matlab Simulink.
From www.researchgate.net
11 Transmission line model in Matlab/Simulink. Download Scientific Transmission Line Model In Matlab Simulink The short transmission line model can be used to calculate voltage regulation and efficiency for different paramaters of the. If you are interested in the detailed. A short transmission line is defined as a transmission line with an effective length less than 80 km (50 miles), or with a voltage. Second it shows you how to create an. This project. Transmission Line Model In Matlab Simulink.