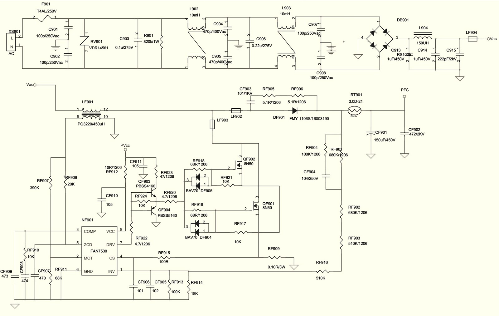
Tv Power Supply Schematic . Samsung tv circuit diagram free download , service manuals and schematics diagrams! Power supply schematics are detailed diagrams that show the various electrical components and connections within the tv. Please remember, if you want to save the file into your computer, please point your mouse arrow. On this page you can find and free download hisense service manuals and schematics/circuit board diagrams for all models hisense tv! A power supply circuit diagram for led tvs is a visual representation of the different components and connections that make up the power supply. Lcd led tv power supply schematic diagram. On this page you can find and free download more than 380 circuit diagrams, schematics and service repair manuals for sony led tv, lcd tv, crt. By studying an lcd tv power supply schematic diagram, you can understand which parts of a power supply are responsible for. They provide a comprehensive look at the power supply circuitry, from the power supply transformer to the various capacitors, resistors, diodes, and transistors.
from circuitlibrarylawrence.z6.web.core.windows.net
On this page you can find and free download hisense service manuals and schematics/circuit board diagrams for all models hisense tv! Please remember, if you want to save the file into your computer, please point your mouse arrow. Power supply schematics are detailed diagrams that show the various electrical components and connections within the tv. Samsung tv circuit diagram free download , service manuals and schematics diagrams! By studying an lcd tv power supply schematic diagram, you can understand which parts of a power supply are responsible for. They provide a comprehensive look at the power supply circuitry, from the power supply transformer to the various capacitors, resistors, diodes, and transistors. On this page you can find and free download more than 380 circuit diagrams, schematics and service repair manuals for sony led tv, lcd tv, crt. Lcd led tv power supply schematic diagram. A power supply circuit diagram for led tvs is a visual representation of the different components and connections that make up the power supply.
Samsung Tv Power Supply Schematic
Tv Power Supply Schematic Power supply schematics are detailed diagrams that show the various electrical components and connections within the tv. Power supply schematics are detailed diagrams that show the various electrical components and connections within the tv. Please remember, if you want to save the file into your computer, please point your mouse arrow. On this page you can find and free download hisense service manuals and schematics/circuit board diagrams for all models hisense tv! On this page you can find and free download more than 380 circuit diagrams, schematics and service repair manuals for sony led tv, lcd tv, crt. By studying an lcd tv power supply schematic diagram, you can understand which parts of a power supply are responsible for. Samsung tv circuit diagram free download , service manuals and schematics diagrams! They provide a comprehensive look at the power supply circuitry, from the power supply transformer to the various capacitors, resistors, diodes, and transistors. Lcd led tv power supply schematic diagram. A power supply circuit diagram for led tvs is a visual representation of the different components and connections that make up the power supply.
From electronicshelponline.blogspot.com
Electro help PHILIPS 22PFL4507 22" LCD TV _ POWER SUPPLY SCHEMATIC Tv Power Supply Schematic On this page you can find and free download hisense service manuals and schematics/circuit board diagrams for all models hisense tv! Please remember, if you want to save the file into your computer, please point your mouse arrow. A power supply circuit diagram for led tvs is a visual representation of the different components and connections that make up the. Tv Power Supply Schematic.
From electronicshelponline.blogspot.com
JVC 21JTEU CRT TV SMPS [Power Supply] SCHEMATIC [Circuit Diagram Tv Power Supply Schematic A power supply circuit diagram for led tvs is a visual representation of the different components and connections that make up the power supply. By studying an lcd tv power supply schematic diagram, you can understand which parts of a power supply are responsible for. Samsung tv circuit diagram free download , service manuals and schematics diagrams! Please remember, if. Tv Power Supply Schematic.
From enginelibraryeisenhauer.z19.web.core.windows.net
Led Tv Power Supply Board Circuit Diagram Tv Power Supply Schematic By studying an lcd tv power supply schematic diagram, you can understand which parts of a power supply are responsible for. Lcd led tv power supply schematic diagram. Please remember, if you want to save the file into your computer, please point your mouse arrow. On this page you can find and free download more than 380 circuit diagrams, schematics. Tv Power Supply Schematic.
From electronicshelponline.blogspot.com
Electro help TV POWER SUPPLY SCHEMATIC (Circuit Diagram) _ MEMOREX Tv Power Supply Schematic They provide a comprehensive look at the power supply circuitry, from the power supply transformer to the various capacitors, resistors, diodes, and transistors. On this page you can find and free download hisense service manuals and schematics/circuit board diagrams for all models hisense tv! On this page you can find and free download more than 380 circuit diagrams, schematics and. Tv Power Supply Schematic.
From tips-trick-electronic.blogspot.com
SAMSUNG TU40EO LED LCD TV POWER SUPPLY SCHEMATIC Tips And Trick Tv Power Supply Schematic By studying an lcd tv power supply schematic diagram, you can understand which parts of a power supply are responsible for. Power supply schematics are detailed diagrams that show the various electrical components and connections within the tv. A power supply circuit diagram for led tvs is a visual representation of the different components and connections that make up the. Tv Power Supply Schematic.
From electronicshelponline.blogspot.com
Electro help TV POWER SUPPLY [SMPS] SCHEMATIC [ Circuit Diagram Tv Power Supply Schematic On this page you can find and free download hisense service manuals and schematics/circuit board diagrams for all models hisense tv! They provide a comprehensive look at the power supply circuitry, from the power supply transformer to the various capacitors, resistors, diodes, and transistors. Please remember, if you want to save the file into your computer, please point your mouse. Tv Power Supply Schematic.
From electronicshelponline.blogspot.com
Electro help LG POWER SUPPLY EAY62810801 SCHEMATIC LED LCD TV Tv Power Supply Schematic Lcd led tv power supply schematic diagram. Samsung tv circuit diagram free download , service manuals and schematics diagrams! On this page you can find and free download hisense service manuals and schematics/circuit board diagrams for all models hisense tv! By studying an lcd tv power supply schematic diagram, you can understand which parts of a power supply are responsible. Tv Power Supply Schematic.
From electronicshelponline.blogspot.com
Electro help SAMSUNG BN9403052A LCD TV POWER SUPPLY SCHEMATIC Tv Power Supply Schematic Lcd led tv power supply schematic diagram. On this page you can find and free download hisense service manuals and schematics/circuit board diagrams for all models hisense tv! Please remember, if you want to save the file into your computer, please point your mouse arrow. On this page you can find and free download more than 380 circuit diagrams, schematics. Tv Power Supply Schematic.
From schematicfixgrunwald.z19.web.core.windows.net
Tv Power Supply Schematic Tv Power Supply Schematic Lcd led tv power supply schematic diagram. They provide a comprehensive look at the power supply circuitry, from the power supply transformer to the various capacitors, resistors, diodes, and transistors. On this page you can find and free download hisense service manuals and schematics/circuit board diagrams for all models hisense tv! Please remember, if you want to save the file. Tv Power Supply Schematic.
From electronicshelponline.blogspot.com
Electro help SAMSUNG TU40EO LED LCD TV POWER SUPPLY SCHEMATIC Tv Power Supply Schematic On this page you can find and free download more than 380 circuit diagrams, schematics and service repair manuals for sony led tv, lcd tv, crt. A power supply circuit diagram for led tvs is a visual representation of the different components and connections that make up the power supply. By studying an lcd tv power supply schematic diagram, you. Tv Power Supply Schematic.
From masterelectronicsrepair.blogspot.com
Master Electronics Repair ! SHARP LC26SB14U LCD TV POWER SUPPLY Tv Power Supply Schematic By studying an lcd tv power supply schematic diagram, you can understand which parts of a power supply are responsible for. On this page you can find and free download hisense service manuals and schematics/circuit board diagrams for all models hisense tv! Power supply schematics are detailed diagrams that show the various electrical components and connections within the tv. Samsung. Tv Power Supply Schematic.
From guidedbtracy.z21.web.core.windows.net
Led Tv Power Supply Circuit Diagram Tv Power Supply Schematic On this page you can find and free download more than 380 circuit diagrams, schematics and service repair manuals for sony led tv, lcd tv, crt. Lcd led tv power supply schematic diagram. Power supply schematics are detailed diagrams that show the various electrical components and connections within the tv. On this page you can find and free download hisense. Tv Power Supply Schematic.
From elektrotanya.com
JSK 4330007 LCD TV POWER SUPPLY SCHEMATIC DIAGRAM Service Manual Tv Power Supply Schematic Lcd led tv power supply schematic diagram. Samsung tv circuit diagram free download , service manuals and schematics diagrams! On this page you can find and free download hisense service manuals and schematics/circuit board diagrams for all models hisense tv! By studying an lcd tv power supply schematic diagram, you can understand which parts of a power supply are responsible. Tv Power Supply Schematic.
From manualdbmonika.z19.web.core.windows.net
Lg Tv Power Supply Circuit Diagram Tv Power Supply Schematic Samsung tv circuit diagram free download , service manuals and schematics diagrams! A power supply circuit diagram for led tvs is a visual representation of the different components and connections that make up the power supply. Power supply schematics are detailed diagrams that show the various electrical components and connections within the tv. They provide a comprehensive look at the. Tv Power Supply Schematic.
From schematicscom.blogspot.com
Schematic Diagrams Mytek and TCL LCD TV power supply circuit diagram Tv Power Supply Schematic On this page you can find and free download more than 380 circuit diagrams, schematics and service repair manuals for sony led tv, lcd tv, crt. Please remember, if you want to save the file into your computer, please point your mouse arrow. Lcd led tv power supply schematic diagram. They provide a comprehensive look at the power supply circuitry,. Tv Power Supply Schematic.
From enginelibraryeisenhauer.z19.web.core.windows.net
Led Tv Power Supply Board Circuit Diagram Tv Power Supply Schematic On this page you can find and free download more than 380 circuit diagrams, schematics and service repair manuals for sony led tv, lcd tv, crt. Please remember, if you want to save the file into your computer, please point your mouse arrow. On this page you can find and free download hisense service manuals and schematics/circuit board diagrams for. Tv Power Supply Schematic.
From www.pinterest.com
LG USP490M42LP PDP42V6 PLASMA TV POWER SUPPLY SCHEMATIC Service Manual Tv Power Supply Schematic Power supply schematics are detailed diagrams that show the various electrical components and connections within the tv. On this page you can find and free download hisense service manuals and schematics/circuit board diagrams for all models hisense tv! A power supply circuit diagram for led tvs is a visual representation of the different components and connections that make up the. Tv Power Supply Schematic.
From electronicshelponline.blogspot.com
Electro help PHILIPS 40PFL3606 LCD TV POWER SUPPLY SCHEMATIC Tv Power Supply Schematic They provide a comprehensive look at the power supply circuitry, from the power supply transformer to the various capacitors, resistors, diodes, and transistors. On this page you can find and free download hisense service manuals and schematics/circuit board diagrams for all models hisense tv! Samsung tv circuit diagram free download , service manuals and schematics diagrams! Lcd led tv power. Tv Power Supply Schematic.
From electronicshelponline.blogspot.com
PHILIPS 42" LCD TV POWER SUPPLY SCHEMATIC Electro help Tv Power Supply Schematic They provide a comprehensive look at the power supply circuitry, from the power supply transformer to the various capacitors, resistors, diodes, and transistors. On this page you can find and free download hisense service manuals and schematics/circuit board diagrams for all models hisense tv! Power supply schematics are detailed diagrams that show the various electrical components and connections within the. Tv Power Supply Schematic.
From electronicshelponline.blogspot.com
Electro help Konka 32EEFL LCD TV power supply schematic KIP Tv Power Supply Schematic A power supply circuit diagram for led tvs is a visual representation of the different components and connections that make up the power supply. Samsung tv circuit diagram free download , service manuals and schematics diagrams! On this page you can find and free download more than 380 circuit diagrams, schematics and service repair manuals for sony led tv, lcd. Tv Power Supply Schematic.
From robhosking.com
14+ Led Tv Power Supply Circuit Diagram Robhosking Diagram Tv Power Supply Schematic Lcd led tv power supply schematic diagram. They provide a comprehensive look at the power supply circuitry, from the power supply transformer to the various capacitors, resistors, diodes, and transistors. On this page you can find and free download more than 380 circuit diagrams, schematics and service repair manuals for sony led tv, lcd tv, crt. A power supply circuit. Tv Power Supply Schematic.
From circuitlibrarylawrence.z6.web.core.windows.net
Samsung Tv Power Supply Schematic Tv Power Supply Schematic Power supply schematics are detailed diagrams that show the various electrical components and connections within the tv. By studying an lcd tv power supply schematic diagram, you can understand which parts of a power supply are responsible for. Lcd led tv power supply schematic diagram. A power supply circuit diagram for led tvs is a visual representation of the different. Tv Power Supply Schematic.
From www.youtube.com
LED TV POWER SUPPLY DIAGRAM THIORY LED POWER SUPPLY LAY OUT YouTube Tv Power Supply Schematic Power supply schematics are detailed diagrams that show the various electrical components and connections within the tv. On this page you can find and free download more than 380 circuit diagrams, schematics and service repair manuals for sony led tv, lcd tv, crt. They provide a comprehensive look at the power supply circuitry, from the power supply transformer to the. Tv Power Supply Schematic.
From userdiagramwirtz.z19.web.core.windows.net
Crt Tv Power Supply Circuit Diagram Tv Power Supply Schematic A power supply circuit diagram for led tvs is a visual representation of the different components and connections that make up the power supply. Samsung tv circuit diagram free download , service manuals and schematics diagrams! Please remember, if you want to save the file into your computer, please point your mouse arrow. By studying an lcd tv power supply. Tv Power Supply Schematic.
From electronicshelponline.blogspot.com
Electro help LG 42 Inch LED TV SMPS [Power supply] SCHEMATIC Tv Power Supply Schematic They provide a comprehensive look at the power supply circuitry, from the power supply transformer to the various capacitors, resistors, diodes, and transistors. A power supply circuit diagram for led tvs is a visual representation of the different components and connections that make up the power supply. Lcd led tv power supply schematic diagram. Please remember, if you want to. Tv Power Supply Schematic.
From www.circuitdiagram.co
Lcd Led Tv Power Supply Schematic Diagram Circuit Diagram Tv Power Supply Schematic A power supply circuit diagram for led tvs is a visual representation of the different components and connections that make up the power supply. They provide a comprehensive look at the power supply circuitry, from the power supply transformer to the various capacitors, resistors, diodes, and transistors. On this page you can find and free download more than 380 circuit. Tv Power Supply Schematic.
From schematicscom.blogspot.com
Schematic Diagrams Vizio, LG and TCL LCD TV SMPS schematics Tv Power Supply Schematic A power supply circuit diagram for led tvs is a visual representation of the different components and connections that make up the power supply. Power supply schematics are detailed diagrams that show the various electrical components and connections within the tv. On this page you can find and free download more than 380 circuit diagrams, schematics and service repair manuals. Tv Power Supply Schematic.
From electronicshelponline.blogspot.com
SAMSUNG BN9403052A LCD TV POWER SUPPLY SCHEMATIC Electro help Tv Power Supply Schematic Samsung tv circuit diagram free download , service manuals and schematics diagrams! They provide a comprehensive look at the power supply circuitry, from the power supply transformer to the various capacitors, resistors, diodes, and transistors. By studying an lcd tv power supply schematic diagram, you can understand which parts of a power supply are responsible for. A power supply circuit. Tv Power Supply Schematic.
From diagrampartrecontinue.z13.web.core.windows.net
Tv Power Supply Schematic Tv Power Supply Schematic On this page you can find and free download more than 380 circuit diagrams, schematics and service repair manuals for sony led tv, lcd tv, crt. Power supply schematics are detailed diagrams that show the various electrical components and connections within the tv. On this page you can find and free download hisense service manuals and schematics/circuit board diagrams for. Tv Power Supply Schematic.
From electronicshelponline.blogspot.com
Electro help RP29FC40P LG CRT TV POWER SUPPLY & HORIZONTAL Tv Power Supply Schematic Please remember, if you want to save the file into your computer, please point your mouse arrow. Lcd led tv power supply schematic diagram. Samsung tv circuit diagram free download , service manuals and schematics diagrams! Power supply schematics are detailed diagrams that show the various electrical components and connections within the tv. On this page you can find and. Tv Power Supply Schematic.
From electronicshelponline.blogspot.bg
SAMSUNG TU40EO LED LCD TV POWER SUPPLY SCHEMATIC Tv Power Supply Schematic On this page you can find and free download more than 380 circuit diagrams, schematics and service repair manuals for sony led tv, lcd tv, crt. Samsung tv circuit diagram free download , service manuals and schematics diagrams! On this page you can find and free download hisense service manuals and schematics/circuit board diagrams for all models hisense tv! By. Tv Power Supply Schematic.
From masterelectronicsrepair.blogspot.com
Master Electronics Repair ! GENERAL 32GLED LCD TV POWER SUPPLY Tv Power Supply Schematic Please remember, if you want to save the file into your computer, please point your mouse arrow. Power supply schematics are detailed diagrams that show the various electrical components and connections within the tv. On this page you can find and free download more than 380 circuit diagrams, schematics and service repair manuals for sony led tv, lcd tv, crt.. Tv Power Supply Schematic.
From electronicshelponline.blogspot.com
Electro help PHILIPS 40PFL3606 LCD TV POWER SUPPLY SCHEMATIC Tv Power Supply Schematic A power supply circuit diagram for led tvs is a visual representation of the different components and connections that make up the power supply. Lcd led tv power supply schematic diagram. On this page you can find and free download hisense service manuals and schematics/circuit board diagrams for all models hisense tv! Please remember, if you want to save the. Tv Power Supply Schematic.
From www.circuitdiagram.co
Schematic Diagram Of Tv Power Supply Circuit Diagram Tv Power Supply Schematic Please remember, if you want to save the file into your computer, please point your mouse arrow. On this page you can find and free download hisense service manuals and schematics/circuit board diagrams for all models hisense tv! They provide a comprehensive look at the power supply circuitry, from the power supply transformer to the various capacitors, resistors, diodes, and. Tv Power Supply Schematic.
From schematicfixgrunwald.z19.web.core.windows.net
Tv Power Supply Schematic Tv Power Supply Schematic Samsung tv circuit diagram free download , service manuals and schematics diagrams! Please remember, if you want to save the file into your computer, please point your mouse arrow. They provide a comprehensive look at the power supply circuitry, from the power supply transformer to the various capacitors, resistors, diodes, and transistors. On this page you can find and free. Tv Power Supply Schematic.