Nitrogen Cold Box Process . Gaseous nitrogen from the top of the hp column is condensed by the reboiler and. The column is vacuum insulated with a highly. In this scenario, cryogenic distillation is used to separate nitrogen from atmospheric air in its purest form. Refrigeration, overcoming heat leak and process inefficiencies. Aspen hysys is used for. 3.4 cold box and cylindrical enclosure a cold box is an enclosure containing insulation that separates a cryogenic process from the.
        
         
         
        from tooice.net 
     
        
        3.4 cold box and cylindrical enclosure a cold box is an enclosure containing insulation that separates a cryogenic process from the. In this scenario, cryogenic distillation is used to separate nitrogen from atmospheric air in its purest form. Refrigeration, overcoming heat leak and process inefficiencies. The column is vacuum insulated with a highly. Aspen hysys is used for. Gaseous nitrogen from the top of the hp column is condensed by the reboiler and.
    
    	
            
	
		 
	 
         
    低温空气(干冰,氮气,氧气和氩气)分离和液化系统概述_突驰 
    Nitrogen Cold Box Process  In this scenario, cryogenic distillation is used to separate nitrogen from atmospheric air in its purest form. Aspen hysys is used for. Gaseous nitrogen from the top of the hp column is condensed by the reboiler and. Refrigeration, overcoming heat leak and process inefficiencies. The column is vacuum insulated with a highly. 3.4 cold box and cylindrical enclosure a cold box is an enclosure containing insulation that separates a cryogenic process from the. In this scenario, cryogenic distillation is used to separate nitrogen from atmospheric air in its purest form.
            
	
		 
	 
         
 
    
         
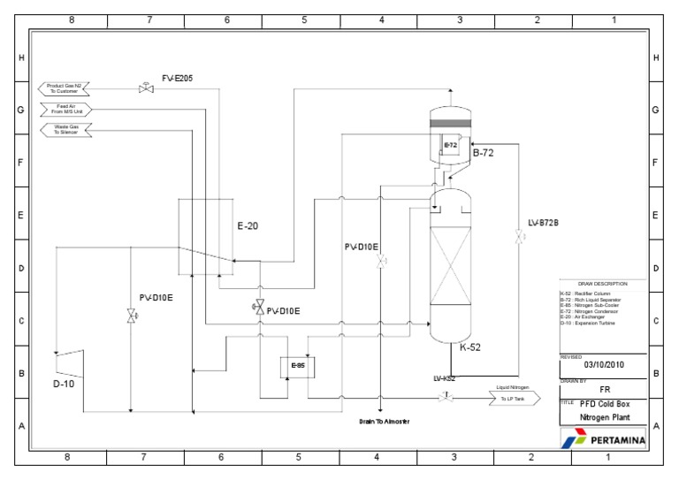
        From www.scribd.com 
                    PFD Nitrogen Plant UTL Plaju (Cold Box) PDF Industrial Gases Nitrogen Cold Box Process  3.4 cold box and cylindrical enclosure a cold box is an enclosure containing insulation that separates a cryogenic process from the. The column is vacuum insulated with a highly. Refrigeration, overcoming heat leak and process inefficiencies. Aspen hysys is used for. Gaseous nitrogen from the top of the hp column is condensed by the reboiler and. In this scenario, cryogenic. Nitrogen Cold Box Process.
     
    
         
        From www.researchgate.net 
                    Schematic of the cold box along with the warm and cold end components Nitrogen Cold Box Process  In this scenario, cryogenic distillation is used to separate nitrogen from atmospheric air in its purest form. Gaseous nitrogen from the top of the hp column is condensed by the reboiler and. Aspen hysys is used for. The column is vacuum insulated with a highly. 3.4 cold box and cylindrical enclosure a cold box is an enclosure containing insulation that. Nitrogen Cold Box Process.
     
    
         
        From coreworks-usa.com 
                    Cold Boxes Assemblies CoreWorks USA Nitrogen Cold Box Process  The column is vacuum insulated with a highly. Gaseous nitrogen from the top of the hp column is condensed by the reboiler and. Aspen hysys is used for. 3.4 cold box and cylindrical enclosure a cold box is an enclosure containing insulation that separates a cryogenic process from the. In this scenario, cryogenic distillation is used to separate nitrogen from. Nitrogen Cold Box Process.
     
    
         
        From www.iter.org 
                    The ITER cryoplant Nitrogen Cold Box Process  In this scenario, cryogenic distillation is used to separate nitrogen from atmospheric air in its purest form. Refrigeration, overcoming heat leak and process inefficiencies. The column is vacuum insulated with a highly. 3.4 cold box and cylindrical enclosure a cold box is an enclosure containing insulation that separates a cryogenic process from the. Aspen hysys is used for. Gaseous nitrogen. Nitrogen Cold Box Process.
     
    
         
        From www.mtm-inc.com 
                    Custom Cryogenic Distribution Boxes and Cold Boxes Meyer Tool & Mfg. Nitrogen Cold Box Process  Aspen hysys is used for. The column is vacuum insulated with a highly. 3.4 cold box and cylindrical enclosure a cold box is an enclosure containing insulation that separates a cryogenic process from the. Gaseous nitrogen from the top of the hp column is condensed by the reboiler and. Refrigeration, overcoming heat leak and process inefficiencies. In this scenario, cryogenic. Nitrogen Cold Box Process.
     
    
         
        From www.saulsbury.com 
                    Nitrogen Rejection Units Saulsbury Industries Engineering Nitrogen Cold Box Process  Gaseous nitrogen from the top of the hp column is condensed by the reboiler and. 3.4 cold box and cylindrical enclosure a cold box is an enclosure containing insulation that separates a cryogenic process from the. Aspen hysys is used for. In this scenario, cryogenic distillation is used to separate nitrogen from atmospheric air in its purest form. The column. Nitrogen Cold Box Process.
     
    
         
        From tooice.net 
                    低温空气(干冰,氮气,氧气和氩气)分离和液化系统概述_突驰 Nitrogen Cold Box Process  3.4 cold box and cylindrical enclosure a cold box is an enclosure containing insulation that separates a cryogenic process from the. In this scenario, cryogenic distillation is used to separate nitrogen from atmospheric air in its purest form. Refrigeration, overcoming heat leak and process inefficiencies. Gaseous nitrogen from the top of the hp column is condensed by the reboiler and.. Nitrogen Cold Box Process.
     
    
         
        From www.researchgate.net 
                    P & ID of the liquid nitrogen management system along with storage Nitrogen Cold Box Process  3.4 cold box and cylindrical enclosure a cold box is an enclosure containing insulation that separates a cryogenic process from the. In this scenario, cryogenic distillation is used to separate nitrogen from atmospheric air in its purest form. Gaseous nitrogen from the top of the hp column is condensed by the reboiler and. Aspen hysys is used for. The column. Nitrogen Cold Box Process.
     
    
         
        From www.youtube.com 
                    Cold Boxess YouTube Nitrogen Cold Box Process  Aspen hysys is used for. The column is vacuum insulated with a highly. 3.4 cold box and cylindrical enclosure a cold box is an enclosure containing insulation that separates a cryogenic process from the. Refrigeration, overcoming heat leak and process inefficiencies. In this scenario, cryogenic distillation is used to separate nitrogen from atmospheric air in its purest form. Gaseous nitrogen. Nitrogen Cold Box Process.
     
    
         
        From www.hitechgas.com 
                    How Cryogenic Oxygen Nitrogen Plant HiTech Engineered Solutions Nitrogen Cold Box Process  Gaseous nitrogen from the top of the hp column is condensed by the reboiler and. In this scenario, cryogenic distillation is used to separate nitrogen from atmospheric air in its purest form. Aspen hysys is used for. The column is vacuum insulated with a highly. Refrigeration, overcoming heat leak and process inefficiencies. 3.4 cold box and cylindrical enclosure a cold. Nitrogen Cold Box Process.
     
    
         
        From wobogroup.en.made-in-china.com 
                    Cold 50L Food Processing Inquid Nitrogen Shrink Assembly Box China Nitrogen Cold Box Process  3.4 cold box and cylindrical enclosure a cold box is an enclosure containing insulation that separates a cryogenic process from the. In this scenario, cryogenic distillation is used to separate nitrogen from atmospheric air in its purest form. The column is vacuum insulated with a highly. Gaseous nitrogen from the top of the hp column is condensed by the reboiler. Nitrogen Cold Box Process.
     
    
         
        From www.gasconsult.com 
                    Gasconsult ZRLNG™ Technology Gasconsult LNG Nitrogen Cold Box Process  Refrigeration, overcoming heat leak and process inefficiencies. The column is vacuum insulated with a highly. In this scenario, cryogenic distillation is used to separate nitrogen from atmospheric air in its purest form. 3.4 cold box and cylindrical enclosure a cold box is an enclosure containing insulation that separates a cryogenic process from the. Aspen hysys is used for. Gaseous nitrogen. Nitrogen Cold Box Process.
     
    
         
        From www.researchgate.net 
                    Inside view of cold boxes with perlite insulation removed. From left to Nitrogen Cold Box Process  The column is vacuum insulated with a highly. Aspen hysys is used for. Refrigeration, overcoming heat leak and process inefficiencies. Gaseous nitrogen from the top of the hp column is condensed by the reboiler and. 3.4 cold box and cylindrical enclosure a cold box is an enclosure containing insulation that separates a cryogenic process from the. In this scenario, cryogenic. Nitrogen Cold Box Process.
     
    
         
        From hzcrkf.en.made-in-china.com 
                    Cryogenic Nitrogen Generation Cold Box Oxygen Plant Combined Liquid and Nitrogen Cold Box Process  The column is vacuum insulated with a highly. 3.4 cold box and cylindrical enclosure a cold box is an enclosure containing insulation that separates a cryogenic process from the. Refrigeration, overcoming heat leak and process inefficiencies. Gaseous nitrogen from the top of the hp column is condensed by the reboiler and. Aspen hysys is used for. In this scenario, cryogenic. Nitrogen Cold Box Process.
     
    
         
        From www.liquidnitrogenplant.com 
                    Liquid Nitrogen Plant Manufacturer and Exporter Nitrogen Cold Box Process  Gaseous nitrogen from the top of the hp column is condensed by the reboiler and. In this scenario, cryogenic distillation is used to separate nitrogen from atmospheric air in its purest form. 3.4 cold box and cylindrical enclosure a cold box is an enclosure containing insulation that separates a cryogenic process from the. Refrigeration, overcoming heat leak and process inefficiencies.. Nitrogen Cold Box Process.
     
    
         
        From www.vedantu.com 
                    Describe the nitrogen cycle with the help of a diagram. Nitrogen Cold Box Process  Gaseous nitrogen from the top of the hp column is condensed by the reboiler and. In this scenario, cryogenic distillation is used to separate nitrogen from atmospheric air in its purest form. 3.4 cold box and cylindrical enclosure a cold box is an enclosure containing insulation that separates a cryogenic process from the. Aspen hysys is used for. Refrigeration, overcoming. Nitrogen Cold Box Process.
     
    
         
        From www.fivesgroup.com 
                    Fives Energy Cryogenics Cold Boxes Fives Group Nitrogen Cold Box Process  Refrigeration, overcoming heat leak and process inefficiencies. The column is vacuum insulated with a highly. In this scenario, cryogenic distillation is used to separate nitrogen from atmospheric air in its purest form. 3.4 cold box and cylindrical enclosure a cold box is an enclosure containing insulation that separates a cryogenic process from the. Aspen hysys is used for. Gaseous nitrogen. Nitrogen Cold Box Process.
     
    
         
        From www.slideserve.com 
                    PPT WCIF/AF Presentation PowerPoint Presentation, free download ID Nitrogen Cold Box Process  Aspen hysys is used for. Refrigeration, overcoming heat leak and process inefficiencies. The column is vacuum insulated with a highly. 3.4 cold box and cylindrical enclosure a cold box is an enclosure containing insulation that separates a cryogenic process from the. Gaseous nitrogen from the top of the hp column is condensed by the reboiler and. In this scenario, cryogenic. Nitrogen Cold Box Process.
     
    
         
        From www.oxygenplants.com 
                    Liquid Oxygen Nitrogen Plant Manufacturers, Liquid Nitrogen Plant Nitrogen Cold Box Process  In this scenario, cryogenic distillation is used to separate nitrogen from atmospheric air in its purest form. The column is vacuum insulated with a highly. Refrigeration, overcoming heat leak and process inefficiencies. 3.4 cold box and cylindrical enclosure a cold box is an enclosure containing insulation that separates a cryogenic process from the. Aspen hysys is used for. Gaseous nitrogen. Nitrogen Cold Box Process.
     
    
         
        From www.researchgate.net 
                    Inside view of cold boxes with perlite insulation removed. From left to Nitrogen Cold Box Process  3.4 cold box and cylindrical enclosure a cold box is an enclosure containing insulation that separates a cryogenic process from the. The column is vacuum insulated with a highly. In this scenario, cryogenic distillation is used to separate nitrogen from atmospheric air in its purest form. Aspen hysys is used for. Refrigeration, overcoming heat leak and process inefficiencies. Gaseous nitrogen. Nitrogen Cold Box Process.
     
    
         
        From www.youtube.com 
                    Cold Box Cold Box Core Shooter Cold Box Cores Cold Box Core Making Nitrogen Cold Box Process  Aspen hysys is used for. Gaseous nitrogen from the top of the hp column is condensed by the reboiler and. In this scenario, cryogenic distillation is used to separate nitrogen from atmospheric air in its purest form. Refrigeration, overcoming heat leak and process inefficiencies. The column is vacuum insulated with a highly. 3.4 cold box and cylindrical enclosure a cold. Nitrogen Cold Box Process.
     
    
         
        From onlinelibrary.wiley.com 
                    Flexible Operation of Air Separation Units Klein 2021 ChemBioEng Nitrogen Cold Box Process  Gaseous nitrogen from the top of the hp column is condensed by the reboiler and. In this scenario, cryogenic distillation is used to separate nitrogen from atmospheric air in its purest form. Refrigeration, overcoming heat leak and process inefficiencies. 3.4 cold box and cylindrical enclosure a cold box is an enclosure containing insulation that separates a cryogenic process from the.. Nitrogen Cold Box Process.
     
    
         
        From wobogroup.en.made-in-china.com 
                    Low Temperature Freezing Liquid Nitrogen Deep Cold Box for Aerospace Nitrogen Cold Box Process  Aspen hysys is used for. The column is vacuum insulated with a highly. In this scenario, cryogenic distillation is used to separate nitrogen from atmospheric air in its purest form. 3.4 cold box and cylindrical enclosure a cold box is an enclosure containing insulation that separates a cryogenic process from the. Refrigeration, overcoming heat leak and process inefficiencies. Gaseous nitrogen. Nitrogen Cold Box Process.
     
    
         
        From enggyd.blogspot.com 
                    Engineers Guide Nitrogen Production Plant Flow sheet Nitrogen Cold Box Process  Aspen hysys is used for. The column is vacuum insulated with a highly. Refrigeration, overcoming heat leak and process inefficiencies. 3.4 cold box and cylindrical enclosure a cold box is an enclosure containing insulation that separates a cryogenic process from the. Gaseous nitrogen from the top of the hp column is condensed by the reboiler and. In this scenario, cryogenic. Nitrogen Cold Box Process.
     
    
         
        From brisechemicals.com 
                    HighQuality Cold Box Assembly Solutions by Brise Chemicals Nitrogen Cold Box Process  Gaseous nitrogen from the top of the hp column is condensed by the reboiler and. 3.4 cold box and cylindrical enclosure a cold box is an enclosure containing insulation that separates a cryogenic process from the. Aspen hysys is used for. In this scenario, cryogenic distillation is used to separate nitrogen from atmospheric air in its purest form. The column. Nitrogen Cold Box Process.
     
    
         
        From www.airseparation-plant.com 
                    Air Separation Unit Cold Box , Gas / Liquid Oxygen Nitrogen Plants Nitrogen Cold Box Process  Gaseous nitrogen from the top of the hp column is condensed by the reboiler and. Refrigeration, overcoming heat leak and process inefficiencies. Aspen hysys is used for. In this scenario, cryogenic distillation is used to separate nitrogen from atmospheric air in its purest form. 3.4 cold box and cylindrical enclosure a cold box is an enclosure containing insulation that separates. Nitrogen Cold Box Process.
     
    
         
        From www.researchgate.net 
                    Schematic diagram of PSA experimental unit for nitrogen separation from Nitrogen Cold Box Process  Refrigeration, overcoming heat leak and process inefficiencies. Aspen hysys is used for. 3.4 cold box and cylindrical enclosure a cold box is an enclosure containing insulation that separates a cryogenic process from the. The column is vacuum insulated with a highly. Gaseous nitrogen from the top of the hp column is condensed by the reboiler and. In this scenario, cryogenic. Nitrogen Cold Box Process.
     
    
         
        From www.oxygenplants.com 
                    Liquid Oxygen Nitrogen Plant Manufacturers, Liquid Nitrogen Plant Nitrogen Cold Box Process  3.4 cold box and cylindrical enclosure a cold box is an enclosure containing insulation that separates a cryogenic process from the. In this scenario, cryogenic distillation is used to separate nitrogen from atmospheric air in its purest form. The column is vacuum insulated with a highly. Gaseous nitrogen from the top of the hp column is condensed by the reboiler. Nitrogen Cold Box Process.
     
    
         
        From www.researchgate.net 
                    Schematic diagram of the nitrogen extraction and purification vacuum Nitrogen Cold Box Process  Gaseous nitrogen from the top of the hp column is condensed by the reboiler and. 3.4 cold box and cylindrical enclosure a cold box is an enclosure containing insulation that separates a cryogenic process from the. Refrigeration, overcoming heat leak and process inefficiencies. Aspen hysys is used for. The column is vacuum insulated with a highly. In this scenario, cryogenic. Nitrogen Cold Box Process.
     
    
         
        From www.youtube.com 
                    Cryogenic Oxygen Nitrogen Plant Working YouTube Nitrogen Cold Box Process  The column is vacuum insulated with a highly. In this scenario, cryogenic distillation is used to separate nitrogen from atmospheric air in its purest form. 3.4 cold box and cylindrical enclosure a cold box is an enclosure containing insulation that separates a cryogenic process from the. Aspen hysys is used for. Refrigeration, overcoming heat leak and process inefficiencies. Gaseous nitrogen. Nitrogen Cold Box Process.
     
    
         
        From www.withnellsensors.co.uk 
                    Optimal sample storage temperatures Best Practices Nitrogen Cold Box Process  3.4 cold box and cylindrical enclosure a cold box is an enclosure containing insulation that separates a cryogenic process from the. Refrigeration, overcoming heat leak and process inefficiencies. Gaseous nitrogen from the top of the hp column is condensed by the reboiler and. In this scenario, cryogenic distillation is used to separate nitrogen from atmospheric air in its purest form.. Nitrogen Cold Box Process.
     
    
         
        From www.youtube.com 
                    Nitrogen Rejection Unit. Animation Process Flow. YouTube Nitrogen Cold Box Process  In this scenario, cryogenic distillation is used to separate nitrogen from atmospheric air in its purest form. Aspen hysys is used for. Refrigeration, overcoming heat leak and process inefficiencies. The column is vacuum insulated with a highly. 3.4 cold box and cylindrical enclosure a cold box is an enclosure containing insulation that separates a cryogenic process from the. Gaseous nitrogen. Nitrogen Cold Box Process.
     
    
         
        From www.essentialchemicalindustry.org 
                    Oxygen, nitrogen and the rare gases Nitrogen Cold Box Process  Gaseous nitrogen from the top of the hp column is condensed by the reboiler and. 3.4 cold box and cylindrical enclosure a cold box is an enclosure containing insulation that separates a cryogenic process from the. The column is vacuum insulated with a highly. Refrigeration, overcoming heat leak and process inefficiencies. In this scenario, cryogenic distillation is used to separate. Nitrogen Cold Box Process.
     
    
         
        From www.scribd.com 
                    243 01 Cold Box Process PDF Foundry Gases Nitrogen Cold Box Process  Refrigeration, overcoming heat leak and process inefficiencies. Gaseous nitrogen from the top of the hp column is condensed by the reboiler and. The column is vacuum insulated with a highly. In this scenario, cryogenic distillation is used to separate nitrogen from atmospheric air in its purest form. 3.4 cold box and cylindrical enclosure a cold box is an enclosure containing. Nitrogen Cold Box Process.
     
    
         
        From hzcrkf.en.made-in-china.com 
                    Hangzhou Chenrui Cryogenic Nitrogen Generation Cold Box Oxygen Plant Nitrogen Cold Box Process  Gaseous nitrogen from the top of the hp column is condensed by the reboiler and. Refrigeration, overcoming heat leak and process inefficiencies. The column is vacuum insulated with a highly. In this scenario, cryogenic distillation is used to separate nitrogen from atmospheric air in its purest form. 3.4 cold box and cylindrical enclosure a cold box is an enclosure containing. Nitrogen Cold Box Process.