Rpm Sensor Arduino . easy peasy reliable tachometer, that you can use to measure the rpm of tools, bicycle wheels, and robots using inexpensive parts. Here we have interfaced the ir sensor module with arduino and the 0.96 inch oled display to display the rpm count. a very simple way to make a tachometer where the result is displayed on an oled display in the form of an rpm number and a progress bar. Simply we have interfaced the ir sensor module with arduino and the 16*2 lcd module for display. in this tutorial, you’ll learn how to interface arduino rpm sensor (optical encoder) and use it to build an arduino rpm. this project is developed from scratch as an attempt to measure the exact rpm (rotations per minute)value of various motors using a single ir. a tachometer is an instrument measuring the rotation speed of a shaft or disk, as in a motor or other machine. The device usually displays the revolutions per. in this tutorial, we are going to make digital tachometer using an ir sensor with the help of arduino for measuring the number of rotations of the rotating motor in rpm. in this project, we have designed digital tachometer using an ir sensor with arduino for measuring the number of rotations of the rotating motor in rpm.
from www.youtube.com
easy peasy reliable tachometer, that you can use to measure the rpm of tools, bicycle wheels, and robots using inexpensive parts. a tachometer is an instrument measuring the rotation speed of a shaft or disk, as in a motor or other machine. a very simple way to make a tachometer where the result is displayed on an oled display in the form of an rpm number and a progress bar. in this tutorial, we are going to make digital tachometer using an ir sensor with the help of arduino for measuring the number of rotations of the rotating motor in rpm. in this project, we have designed digital tachometer using an ir sensor with arduino for measuring the number of rotations of the rotating motor in rpm. Here we have interfaced the ir sensor module with arduino and the 0.96 inch oled display to display the rpm count. in this tutorial, you’ll learn how to interface arduino rpm sensor (optical encoder) and use it to build an arduino rpm. The device usually displays the revolutions per. this project is developed from scratch as an attempt to measure the exact rpm (rotations per minute)value of various motors using a single ir. Simply we have interfaced the ir sensor module with arduino and the 16*2 lcd module for display.
Tachometer (RPM Measurement) using IR Sensor & Arduino YouTube
Rpm Sensor Arduino in this tutorial, we are going to make digital tachometer using an ir sensor with the help of arduino for measuring the number of rotations of the rotating motor in rpm. The device usually displays the revolutions per. in this project, we have designed digital tachometer using an ir sensor with arduino for measuring the number of rotations of the rotating motor in rpm. this project is developed from scratch as an attempt to measure the exact rpm (rotations per minute)value of various motors using a single ir. Simply we have interfaced the ir sensor module with arduino and the 16*2 lcd module for display. in this tutorial, you’ll learn how to interface arduino rpm sensor (optical encoder) and use it to build an arduino rpm. Here we have interfaced the ir sensor module with arduino and the 0.96 inch oled display to display the rpm count. a very simple way to make a tachometer where the result is displayed on an oled display in the form of an rpm number and a progress bar. in this tutorial, we are going to make digital tachometer using an ir sensor with the help of arduino for measuring the number of rotations of the rotating motor in rpm. a tachometer is an instrument measuring the rotation speed of a shaft or disk, as in a motor or other machine. easy peasy reliable tachometer, that you can use to measure the rpm of tools, bicycle wheels, and robots using inexpensive parts.
From www.youtube.com
How to use Optocoupler sensor module as RPM meter (Tachometer) YouTube Rpm Sensor Arduino this project is developed from scratch as an attempt to measure the exact rpm (rotations per minute)value of various motors using a single ir. The device usually displays the revolutions per. a very simple way to make a tachometer where the result is displayed on an oled display in the form of an rpm number and a progress. Rpm Sensor Arduino.
From www.hackster.io
Arduino Tachometer (RPM meter) with IR sensor module Hackster.io Rpm Sensor Arduino in this project, we have designed digital tachometer using an ir sensor with arduino for measuring the number of rotations of the rotating motor in rpm. in this tutorial, we are going to make digital tachometer using an ir sensor with the help of arduino for measuring the number of rotations of the rotating motor in rpm. . Rpm Sensor Arduino.
From maker.pro
Arduino Tachometer (RPM meter) with IR sensor module Arduino Maker Pro Rpm Sensor Arduino The device usually displays the revolutions per. in this tutorial, you’ll learn how to interface arduino rpm sensor (optical encoder) and use it to build an arduino rpm. in this project, we have designed digital tachometer using an ir sensor with arduino for measuring the number of rotations of the rotating motor in rpm. a very simple. Rpm Sensor Arduino.
From www.youtube.com
DIY RPM Tachometer with Arduino RPM Counter YouTube Rpm Sensor Arduino Here we have interfaced the ir sensor module with arduino and the 0.96 inch oled display to display the rpm count. a tachometer is an instrument measuring the rotation speed of a shaft or disk, as in a motor or other machine. a very simple way to make a tachometer where the result is displayed on an oled. Rpm Sensor Arduino.
From www.electronicwings.com
Arduino Tachometer (RPM meter) with IR sensor module project Rpm Sensor Arduino a very simple way to make a tachometer where the result is displayed on an oled display in the form of an rpm number and a progress bar. easy peasy reliable tachometer, that you can use to measure the rpm of tools, bicycle wheels, and robots using inexpensive parts. Simply we have interfaced the ir sensor module with. Rpm Sensor Arduino.
From www.youtube.com
Arduino RPM Counter Speed Counter YouTube Rpm Sensor Arduino Here we have interfaced the ir sensor module with arduino and the 0.96 inch oled display to display the rpm count. in this tutorial, you’ll learn how to interface arduino rpm sensor (optical encoder) and use it to build an arduino rpm. Simply we have interfaced the ir sensor module with arduino and the 16*2 lcd module for display.. Rpm Sensor Arduino.
From www.circuitschools.com
DIY Tachometer to Measure Accurate RPM using Arduino ESP8266 ESP32 Rpm Sensor Arduino in this tutorial, we are going to make digital tachometer using an ir sensor with the help of arduino for measuring the number of rotations of the rotating motor in rpm. this project is developed from scratch as an attempt to measure the exact rpm (rotations per minute)value of various motors using a single ir. a tachometer. Rpm Sensor Arduino.
From www.instructables.com
RPM Measurement Using Hall Sensor and Arduino 6 Steps (with Pictures Rpm Sensor Arduino a very simple way to make a tachometer where the result is displayed on an oled display in the form of an rpm number and a progress bar. this project is developed from scratch as an attempt to measure the exact rpm (rotations per minute)value of various motors using a single ir. Here we have interfaced the ir. Rpm Sensor Arduino.
From blog.arduino.cc
Measure RPM with an IR sensor and Arduino Arduino Blog Rpm Sensor Arduino The device usually displays the revolutions per. Here we have interfaced the ir sensor module with arduino and the 0.96 inch oled display to display the rpm count. a tachometer is an instrument measuring the rotation speed of a shaft or disk, as in a motor or other machine. easy peasy reliable tachometer, that you can use to. Rpm Sensor Arduino.
From www.instructables.com
RPM Measurement Using Hall Sensor and Arduino 6 Steps (with Pictures Rpm Sensor Arduino in this tutorial, you’ll learn how to interface arduino rpm sensor (optical encoder) and use it to build an arduino rpm. easy peasy reliable tachometer, that you can use to measure the rpm of tools, bicycle wheels, and robots using inexpensive parts. a tachometer is an instrument measuring the rotation speed of a shaft or disk, as. Rpm Sensor Arduino.
From www.electronoobs.com
Arduino RPM tachometer IR sensor meter 3D printed Rpm Sensor Arduino in this project, we have designed digital tachometer using an ir sensor with arduino for measuring the number of rotations of the rotating motor in rpm. this project is developed from scratch as an attempt to measure the exact rpm (rotations per minute)value of various motors using a single ir. in this tutorial, you’ll learn how to. Rpm Sensor Arduino.
From www.youtube.com
Fidget Spinner RPM test Arduino Tachometer with HallEffect Sensor Rpm Sensor Arduino easy peasy reliable tachometer, that you can use to measure the rpm of tools, bicycle wheels, and robots using inexpensive parts. a very simple way to make a tachometer where the result is displayed on an oled display in the form of an rpm number and a progress bar. Here we have interfaced the ir sensor module with. Rpm Sensor Arduino.
From manualdbgordon.z21.web.core.windows.net
How To Use Tachometer To Measure Rpm Rpm Sensor Arduino The device usually displays the revolutions per. in this tutorial, we are going to make digital tachometer using an ir sensor with the help of arduino for measuring the number of rotations of the rotating motor in rpm. in this project, we have designed digital tachometer using an ir sensor with arduino for measuring the number of rotations. Rpm Sensor Arduino.
From www.circuitschools.com
DIY Tachometer to Measure Accurate RPM using Arduino ESP8266 ESP32 Rpm Sensor Arduino easy peasy reliable tachometer, that you can use to measure the rpm of tools, bicycle wheels, and robots using inexpensive parts. Here we have interfaced the ir sensor module with arduino and the 0.96 inch oled display to display the rpm count. in this tutorial, you’ll learn how to interface arduino rpm sensor (optical encoder) and use it. Rpm Sensor Arduino.
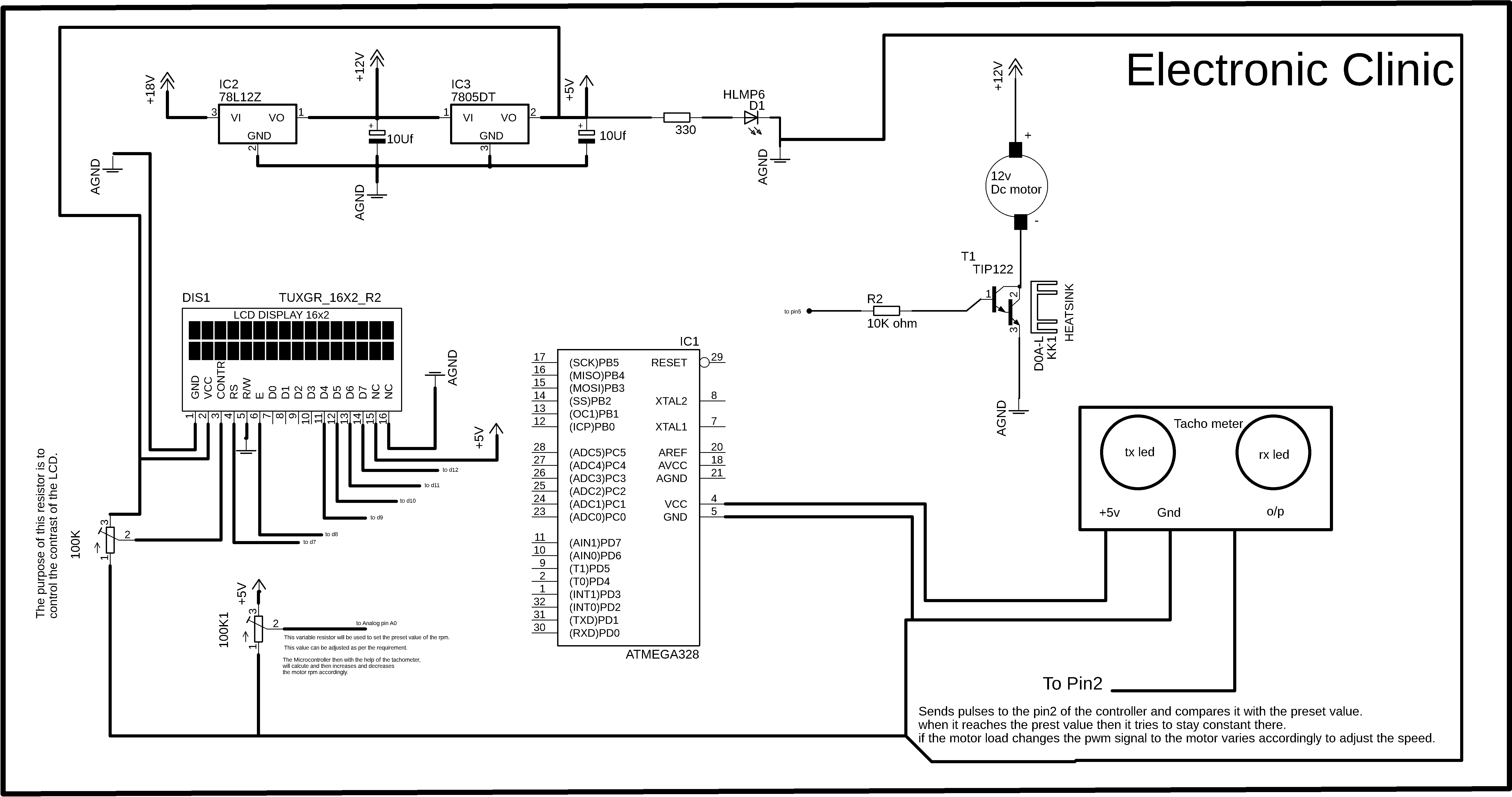
From www.electroniclinic.com
Arduino RPM Counter & DC Motor Constant Speed Controller Rpm Sensor Arduino a very simple way to make a tachometer where the result is displayed on an oled display in the form of an rpm number and a progress bar. Here we have interfaced the ir sensor module with arduino and the 0.96 inch oled display to display the rpm count. in this project, we have designed digital tachometer using. Rpm Sensor Arduino.
From maker.pro
Arduino Tachometer (RPM meter) with IR sensor module Arduino Maker Pro Rpm Sensor Arduino a tachometer is an instrument measuring the rotation speed of a shaft or disk, as in a motor or other machine. in this tutorial, we are going to make digital tachometer using an ir sensor with the help of arduino for measuring the number of rotations of the rotating motor in rpm. easy peasy reliable tachometer, that. Rpm Sensor Arduino.
From miliohm.com
Build Tachometer or RPM counter using optocoupler Rpm Sensor Arduino a tachometer is an instrument measuring the rotation speed of a shaft or disk, as in a motor or other machine. in this tutorial, you’ll learn how to interface arduino rpm sensor (optical encoder) and use it to build an arduino rpm. The device usually displays the revolutions per. a very simple way to make a tachometer. Rpm Sensor Arduino.
From www.youtube.com
DIY Digital Arduino Tachometer RPM Counter Using Proximity Sensor (IR Rpm Sensor Arduino Simply we have interfaced the ir sensor module with arduino and the 16*2 lcd module for display. this project is developed from scratch as an attempt to measure the exact rpm (rotations per minute)value of various motors using a single ir. a tachometer is an instrument measuring the rotation speed of a shaft or disk, as in a. Rpm Sensor Arduino.
From www.youtube.com
Measure RPM w/ DIY Arduino Optical Tachometer using Infrared LED Rpm Sensor Arduino a very simple way to make a tachometer where the result is displayed on an oled display in the form of an rpm number and a progress bar. a tachometer is an instrument measuring the rotation speed of a shaft or disk, as in a motor or other machine. easy peasy reliable tachometer, that you can use. Rpm Sensor Arduino.
From www.circuitbazar.com
Arduino RPM Sensor Rotational Speed Measuring Sensor Wholesale Rpm Sensor Arduino in this project, we have designed digital tachometer using an ir sensor with arduino for measuring the number of rotations of the rotating motor in rpm. in this tutorial, we are going to make digital tachometer using an ir sensor with the help of arduino for measuring the number of rotations of the rotating motor in rpm. . Rpm Sensor Arduino.
From create.arduino.cc
Arduino based RPM counter with a new and faster algorithm Arduino Rpm Sensor Arduino in this project, we have designed digital tachometer using an ir sensor with arduino for measuring the number of rotations of the rotating motor in rpm. in this tutorial, you’ll learn how to interface arduino rpm sensor (optical encoder) and use it to build an arduino rpm. The device usually displays the revolutions per. a very simple. Rpm Sensor Arduino.
From miliohm.com
Build Tachometer or RPM counter using optocoupler Rpm Sensor Arduino easy peasy reliable tachometer, that you can use to measure the rpm of tools, bicycle wheels, and robots using inexpensive parts. The device usually displays the revolutions per. this project is developed from scratch as an attempt to measure the exact rpm (rotations per minute)value of various motors using a single ir. in this tutorial, you’ll learn. Rpm Sensor Arduino.
From www.youtube.com
Arduino Tutorial Tachometer (RPM Counter) YouTube Rpm Sensor Arduino in this tutorial, we are going to make digital tachometer using an ir sensor with the help of arduino for measuring the number of rotations of the rotating motor in rpm. in this tutorial, you’ll learn how to interface arduino rpm sensor (optical encoder) and use it to build an arduino rpm. Simply we have interfaced the ir. Rpm Sensor Arduino.
From www.youtube.com
RPM Meter Arduino and A3144 Hall Sensor YouTube Rpm Sensor Arduino Simply we have interfaced the ir sensor module with arduino and the 16*2 lcd module for display. in this tutorial, you’ll learn how to interface arduino rpm sensor (optical encoder) and use it to build an arduino rpm. The device usually displays the revolutions per. in this project, we have designed digital tachometer using an ir sensor with. Rpm Sensor Arduino.
From sumeetinstruments.com
RPM Counter Motor Speed Measuring Sensor Module for Arduino Raspberry PI Rpm Sensor Arduino The device usually displays the revolutions per. in this tutorial, we are going to make digital tachometer using an ir sensor with the help of arduino for measuring the number of rotations of the rotating motor in rpm. this project is developed from scratch as an attempt to measure the exact rpm (rotations per minute)value of various motors. Rpm Sensor Arduino.
From create.arduino.cc
Arduino based RPM counter with a new and faster algorithm Arduino Rpm Sensor Arduino easy peasy reliable tachometer, that you can use to measure the rpm of tools, bicycle wheels, and robots using inexpensive parts. this project is developed from scratch as an attempt to measure the exact rpm (rotations per minute)value of various motors using a single ir. in this project, we have designed digital tachometer using an ir sensor. Rpm Sensor Arduino.
From how2electronics.com
Digital Tachometer (RPM) using IR Sensor with Arduino Rpm Sensor Arduino easy peasy reliable tachometer, that you can use to measure the rpm of tools, bicycle wheels, and robots using inexpensive parts. Here we have interfaced the ir sensor module with arduino and the 0.96 inch oled display to display the rpm count. in this project, we have designed digital tachometer using an ir sensor with arduino for measuring. Rpm Sensor Arduino.
From www.youtube.com
Tachometer (RPM Measurement) using IR Sensor & Arduino YouTube Rpm Sensor Arduino Here we have interfaced the ir sensor module with arduino and the 0.96 inch oled display to display the rpm count. this project is developed from scratch as an attempt to measure the exact rpm (rotations per minute)value of various motors using a single ir. easy peasy reliable tachometer, that you can use to measure the rpm of. Rpm Sensor Arduino.
From create.arduino.cc
Arduino based RPM counter with a new and faster algorithm Arduino Rpm Sensor Arduino easy peasy reliable tachometer, that you can use to measure the rpm of tools, bicycle wheels, and robots using inexpensive parts. in this tutorial, you’ll learn how to interface arduino rpm sensor (optical encoder) and use it to build an arduino rpm. Here we have interfaced the ir sensor module with arduino and the 0.96 inch oled display. Rpm Sensor Arduino.
From www.youtube.com
MEDINDO RPM DE MOTOR DC COM ARDUINO YouTube Rpm Sensor Arduino a very simple way to make a tachometer where the result is displayed on an oled display in the form of an rpm number and a progress bar. The device usually displays the revolutions per. this project is developed from scratch as an attempt to measure the exact rpm (rotations per minute)value of various motors using a single. Rpm Sensor Arduino.
From deepbluembedded.com
Arduino RPM Sensor (RPM Meter/Counter With Encoder) Rpm Sensor Arduino in this tutorial, you’ll learn how to interface arduino rpm sensor (optical encoder) and use it to build an arduino rpm. this project is developed from scratch as an attempt to measure the exact rpm (rotations per minute)value of various motors using a single ir. easy peasy reliable tachometer, that you can use to measure the rpm. Rpm Sensor Arduino.
From www.electroniclinic.com
Arduino RPM Counter & DC Motor Constant Speed Controller Rpm Sensor Arduino Here we have interfaced the ir sensor module with arduino and the 0.96 inch oled display to display the rpm count. in this project, we have designed digital tachometer using an ir sensor with arduino for measuring the number of rotations of the rotating motor in rpm. The device usually displays the revolutions per. this project is developed. Rpm Sensor Arduino.
From www.circuitschools.com
DIY Tachometer to Measure Accurate RPM using Arduino ESP8266 ESP32 Rpm Sensor Arduino a very simple way to make a tachometer where the result is displayed on an oled display in the form of an rpm number and a progress bar. The device usually displays the revolutions per. in this tutorial, we are going to make digital tachometer using an ir sensor with the help of arduino for measuring the number. Rpm Sensor Arduino.
From duino4projects.com
Measure RPM Optical Tachometer using Arduino Rpm Sensor Arduino in this tutorial, we are going to make digital tachometer using an ir sensor with the help of arduino for measuring the number of rotations of the rotating motor in rpm. easy peasy reliable tachometer, that you can use to measure the rpm of tools, bicycle wheels, and robots using inexpensive parts. The device usually displays the revolutions. Rpm Sensor Arduino.
From www.youtube.com
Arduino Uno Tachometer RPM using 3144 Hall Effect Sensor YouTube Rpm Sensor Arduino a very simple way to make a tachometer where the result is displayed on an oled display in the form of an rpm number and a progress bar. easy peasy reliable tachometer, that you can use to measure the rpm of tools, bicycle wheels, and robots using inexpensive parts. in this project, we have designed digital tachometer. Rpm Sensor Arduino.