Where Is The Fuse In A Danby Microwave . Dbmw0721bbs microwave oven pdf manual download. • plug the microwave into a different outlet so that microwave and receiver. Asked by shelley on 05/20/2014 1 answer. Page 15 troubleshooting problem possible cause no power • a fuse may be blown or the circuit breaker tripped • plug not fully inserted. Where is the location of fuse in microwave.?. Danby designer ddmw1125bbs user manual view and read online. If the line fuse blows, the microwave won’t start. Designer ddmw1125bbs microwave oven manuals and instructions. View and download danby designer dmw799bl owner's use and care manual online. View and download danby dbmw0721bbs owner's manual online. If too much current passes through the microwave circuitry, the line fuse will blow. Designer dmw799bl microwave oven pdf manual download. Manualsonline posted an answer 10. • move the microwave oven away from the receiver.
from www.youtube.com
Asked by shelley on 05/20/2014 1 answer. Danby designer ddmw1125bbs user manual view and read online. Where is the location of fuse in microwave.?. • move the microwave oven away from the receiver. Manualsonline posted an answer 10. Designer dmw799bl microwave oven pdf manual download. View and download danby designer dmw799bl owner's use and care manual online. View and download danby dbmw0721bbs owner's manual online. Designer ddmw1125bbs microwave oven manuals and instructions. • plug the microwave into a different outlet so that microwave and receiver.
Danby Microwave, Setting Memory YouTube
Where Is The Fuse In A Danby Microwave If the line fuse blows, the microwave won’t start. Manualsonline posted an answer 10. View and download danby dbmw0721bbs owner's manual online. If too much current passes through the microwave circuitry, the line fuse will blow. • plug the microwave into a different outlet so that microwave and receiver. Where is the location of fuse in microwave.?. • move the microwave oven away from the receiver. Designer dmw799bl microwave oven pdf manual download. Asked by shelley on 05/20/2014 1 answer. Dbmw0721bbs microwave oven pdf manual download. Designer ddmw1125bbs microwave oven manuals and instructions. Page 15 troubleshooting problem possible cause no power • a fuse may be blown or the circuit breaker tripped • plug not fully inserted. Danby designer ddmw1125bbs user manual view and read online. If the line fuse blows, the microwave won’t start. View and download danby designer dmw799bl owner's use and care manual online.
From bid.gdauctions.com
Danby Stainless Steel Microwave. Where Is The Fuse In A Danby Microwave Where is the location of fuse in microwave.?. • move the microwave oven away from the receiver. Manualsonline posted an answer 10. Designer ddmw1125bbs microwave oven manuals and instructions. Designer dmw799bl microwave oven pdf manual download. Page 15 troubleshooting problem possible cause no power • a fuse may be blown or the circuit breaker tripped • plug not fully inserted.. Where Is The Fuse In A Danby Microwave.
From wehomedeco.com
Microwave Fuse What Size is Appropriate We Home Deco Where Is The Fuse In A Danby Microwave Manualsonline posted an answer 10. Designer dmw799bl microwave oven pdf manual download. Designer ddmw1125bbs microwave oven manuals and instructions. If the line fuse blows, the microwave won’t start. If too much current passes through the microwave circuitry, the line fuse will blow. Page 15 troubleshooting problem possible cause no power • a fuse may be blown or the circuit breaker. Where Is The Fuse In A Danby Microwave.
From www.youtube.com
Microwave Dead? 🔥 Blowing Fuses? Check the Door Switch! YouTube Where Is The Fuse In A Danby Microwave Manualsonline posted an answer 10. Where is the location of fuse in microwave.?. Danby designer ddmw1125bbs user manual view and read online. If the line fuse blows, the microwave won’t start. Dbmw0721bbs microwave oven pdf manual download. • plug the microwave into a different outlet so that microwave and receiver. View and download danby dbmw0721bbs owner's manual online. Page 15. Where Is The Fuse In A Danby Microwave.
From www.plessers.com
Brand Danby, Model DMW099BLSDD Where Is The Fuse In A Danby Microwave Danby designer ddmw1125bbs user manual view and read online. View and download danby designer dmw799bl owner's use and care manual online. If too much current passes through the microwave circuitry, the line fuse will blow. If the line fuse blows, the microwave won’t start. Designer dmw799bl microwave oven pdf manual download. Dbmw0721bbs microwave oven pdf manual download. Page 15 troubleshooting. Where Is The Fuse In A Danby Microwave.
From www.danby.com
Danby 0.7 cu. ft. Microwave DMW07A4BDB Danby USA Where Is The Fuse In A Danby Microwave If too much current passes through the microwave circuitry, the line fuse will blow. Danby designer ddmw1125bbs user manual view and read online. Manualsonline posted an answer 10. If the line fuse blows, the microwave won’t start. View and download danby dbmw0721bbs owner's manual online. Where is the location of fuse in microwave.?. Asked by shelley on 05/20/2014 1 answer.. Where Is The Fuse In A Danby Microwave.
From www.danby.com
Danby Designer 1.1 cu. ft. Countertop Microwave in Stainless Steel Where Is The Fuse In A Danby Microwave Where is the location of fuse in microwave.?. Dbmw0721bbs microwave oven pdf manual download. Page 15 troubleshooting problem possible cause no power • a fuse may be blown or the circuit breaker tripped • plug not fully inserted. If the line fuse blows, the microwave won’t start. • plug the microwave into a different outlet so that microwave and receiver.. Where Is The Fuse In A Danby Microwave.
From www.danby.com
Danby 0.7 cu ft. Stainless Steel Microwave with Convenience Cooking Where Is The Fuse In A Danby Microwave Manualsonline posted an answer 10. If the line fuse blows, the microwave won’t start. • plug the microwave into a different outlet so that microwave and receiver. Where is the location of fuse in microwave.?. View and download danby dbmw0721bbs owner's manual online. Designer ddmw1125bbs microwave oven manuals and instructions. If too much current passes through the microwave circuitry, the. Where Is The Fuse In A Danby Microwave.
From www.danby.com
Danby 0.9 cu. ft. Microwave with Convenience Cooking Controls Where Is The Fuse In A Danby Microwave Danby designer ddmw1125bbs user manual view and read online. Asked by shelley on 05/20/2014 1 answer. Designer ddmw1125bbs microwave oven manuals and instructions. View and download danby dbmw0721bbs owner's manual online. Page 15 troubleshooting problem possible cause no power • a fuse may be blown or the circuit breaker tripped • plug not fully inserted. Manualsonline posted an answer 10.. Where Is The Fuse In A Danby Microwave.
From www.danby.com
DMW111KPSSDD Danby Designer 1.1 cu. ft. Microwave EN Where Is The Fuse In A Danby Microwave Asked by shelley on 05/20/2014 1 answer. If too much current passes through the microwave circuitry, the line fuse will blow. If the line fuse blows, the microwave won’t start. Page 15 troubleshooting problem possible cause no power • a fuse may be blown or the circuit breaker tripped • plug not fully inserted. Designer ddmw1125bbs microwave oven manuals and. Where Is The Fuse In A Danby Microwave.
From www.youtube.com
Danby Microwave Highlight Video DMW07A2SSDD YouTube Where Is The Fuse In A Danby Microwave View and download danby dbmw0721bbs owner's manual online. View and download danby designer dmw799bl owner's use and care manual online. Asked by shelley on 05/20/2014 1 answer. Danby designer ddmw1125bbs user manual view and read online. • move the microwave oven away from the receiver. If too much current passes through the microwave circuitry, the line fuse will blow. Designer. Where Is The Fuse In A Danby Microwave.
From www.anyandallauctions.com
Lot Detail Danby Microwave Where Is The Fuse In A Danby Microwave View and download danby designer dmw799bl owner's use and care manual online. Manualsonline posted an answer 10. • plug the microwave into a different outlet so that microwave and receiver. Designer ddmw1125bbs microwave oven manuals and instructions. • move the microwave oven away from the receiver. Designer dmw799bl microwave oven pdf manual download. View and download danby dbmw0721bbs owner's manual. Where Is The Fuse In A Danby Microwave.
From www.mdmcommercial.com
Danby 1.1 cu. ft. Microwave (DMW111KWDEB) MDM Where Is The Fuse In A Danby Microwave Dbmw0721bbs microwave oven pdf manual download. • move the microwave oven away from the receiver. Where is the location of fuse in microwave.?. Asked by shelley on 05/20/2014 1 answer. Designer dmw799bl microwave oven pdf manual download. Page 15 troubleshooting problem possible cause no power • a fuse may be blown or the circuit breaker tripped • plug not fully. Where Is The Fuse In A Danby Microwave.
From www.homedepot.ca
Danby 1.1 Cubic Feet Microwave White The Home Depot Canada Where Is The Fuse In A Danby Microwave Asked by shelley on 05/20/2014 1 answer. • plug the microwave into a different outlet so that microwave and receiver. View and download danby designer dmw799bl owner's use and care manual online. Manualsonline posted an answer 10. If the line fuse blows, the microwave won’t start. Where is the location of fuse in microwave.?. Designer ddmw1125bbs microwave oven manuals and. Where Is The Fuse In A Danby Microwave.
From www.danby.com
Danby 0.9 cu. ft. Microwave DMW099WDB Danby Canada Where Is The Fuse In A Danby Microwave Where is the location of fuse in microwave.?. Designer dmw799bl microwave oven pdf manual download. View and download danby designer dmw799bl owner's use and care manual online. Manualsonline posted an answer 10. • move the microwave oven away from the receiver. If the line fuse blows, the microwave won’t start. Danby designer ddmw1125bbs user manual view and read online. Page. Where Is The Fuse In A Danby Microwave.
From www.danby.com
Danby 1.1 cu. ft. Microwave DMW1110WDB Danby Canada Where Is The Fuse In A Danby Microwave Dbmw0721bbs microwave oven pdf manual download. View and download danby designer dmw799bl owner's use and care manual online. Asked by shelley on 05/20/2014 1 answer. Danby designer ddmw1125bbs user manual view and read online. Designer ddmw1125bbs microwave oven manuals and instructions. • plug the microwave into a different outlet so that microwave and receiver. View and download danby dbmw0721bbs owner's. Where Is The Fuse In A Danby Microwave.
From www.youtube.com
Danby Microwave, Setting Memory YouTube Where Is The Fuse In A Danby Microwave Danby designer ddmw1125bbs user manual view and read online. If the line fuse blows, the microwave won’t start. Designer ddmw1125bbs microwave oven manuals and instructions. View and download danby dbmw0721bbs owner's manual online. Dbmw0721bbs microwave oven pdf manual download. Page 15 troubleshooting problem possible cause no power • a fuse may be blown or the circuit breaker tripped • plug. Where Is The Fuse In A Danby Microwave.
From www.danby.com
Microwaves Danby Canada Where Is The Fuse In A Danby Microwave Designer dmw799bl microwave oven pdf manual download. View and download danby dbmw0721bbs owner's manual online. Manualsonline posted an answer 10. Where is the location of fuse in microwave.?. Danby designer ddmw1125bbs user manual view and read online. • plug the microwave into a different outlet so that microwave and receiver. Designer ddmw1125bbs microwave oven manuals and instructions. Dbmw0721bbs microwave oven. Where Is The Fuse In A Danby Microwave.
From www.liveauctionworld.com
DANBY DESIGNER STAINLESS MICROWAVE WORKING Where Is The Fuse In A Danby Microwave View and download danby dbmw0721bbs owner's manual online. Dbmw0721bbs microwave oven pdf manual download. • move the microwave oven away from the receiver. Asked by shelley on 05/20/2014 1 answer. Page 15 troubleshooting problem possible cause no power • a fuse may be blown or the circuit breaker tripped • plug not fully inserted. • plug the microwave into a. Where Is The Fuse In A Danby Microwave.
From www.danby.com
Danby Designer 0.7 cu. ft. Microwave DMW07A2SSDD Danby Canada Where Is The Fuse In A Danby Microwave If too much current passes through the microwave circuitry, the line fuse will blow. • plug the microwave into a different outlet so that microwave and receiver. View and download danby designer dmw799bl owner's use and care manual online. Where is the location of fuse in microwave.?. Danby designer ddmw1125bbs user manual view and read online. Designer ddmw1125bbs microwave oven. Where Is The Fuse In A Danby Microwave.
From www.danby.com
Microwaving 101 How to Cook Food Evenly in a Microwave Danby Canada Where Is The Fuse In A Danby Microwave If the line fuse blows, the microwave won’t start. Manualsonline posted an answer 10. Where is the location of fuse in microwave.?. Page 15 troubleshooting problem possible cause no power • a fuse may be blown or the circuit breaker tripped • plug not fully inserted. • plug the microwave into a different outlet so that microwave and receiver. Designer. Where Is The Fuse In A Danby Microwave.
From howtofinders.com
How To Fix GE Microwave Fuse Blown How To Finders Where Is The Fuse In A Danby Microwave If the line fuse blows, the microwave won’t start. Manualsonline posted an answer 10. View and download danby designer dmw799bl owner's use and care manual online. Danby designer ddmw1125bbs user manual view and read online. Designer ddmw1125bbs microwave oven manuals and instructions. • move the microwave oven away from the receiver. Asked by shelley on 05/20/2014 1 answer. Page 15. Where Is The Fuse In A Danby Microwave.
From howtofixit.net
Microwave Fuse Blown? 3 Symptoms and how to fix it How To Fix It Where Is The Fuse In A Danby Microwave Designer dmw799bl microwave oven pdf manual download. Designer ddmw1125bbs microwave oven manuals and instructions. View and download danby designer dmw799bl owner's use and care manual online. • plug the microwave into a different outlet so that microwave and receiver. Danby designer ddmw1125bbs user manual view and read online. Manualsonline posted an answer 10. Dbmw0721bbs microwave oven pdf manual download. •. Where Is The Fuse In A Danby Microwave.
From uooz.com
Where Is The Fuse In A Kenmore Microwave? Where Is The Fuse In A Danby Microwave Where is the location of fuse in microwave.?. If the line fuse blows, the microwave won’t start. Asked by shelley on 05/20/2014 1 answer. Dbmw0721bbs microwave oven pdf manual download. Designer dmw799bl microwave oven pdf manual download. View and download danby dbmw0721bbs owner's manual online. View and download danby designer dmw799bl owner's use and care manual online. Manualsonline posted an. Where Is The Fuse In A Danby Microwave.
From www.abt.com
Danby 0.7 Cu. Ft. Countertop Microwave Oven DMW07A2SS Where Is The Fuse In A Danby Microwave Danby designer ddmw1125bbs user manual view and read online. Designer dmw799bl microwave oven pdf manual download. If the line fuse blows, the microwave won’t start. View and download danby designer dmw799bl owner's use and care manual online. Where is the location of fuse in microwave.?. Page 15 troubleshooting problem possible cause no power • a fuse may be blown or. Where Is The Fuse In A Danby Microwave.
From www.danby.com
Danby 0.9 cu. ft. Countertop Microwave in Stainless Steel DBMW0924BBS Where Is The Fuse In A Danby Microwave If too much current passes through the microwave circuitry, the line fuse will blow. • plug the microwave into a different outlet so that microwave and receiver. If the line fuse blows, the microwave won’t start. View and download danby dbmw0721bbs owner's manual online. Where is the location of fuse in microwave.?. View and download danby designer dmw799bl owner's use. Where Is The Fuse In A Danby Microwave.
From www.danby.com
Danby Designer 1.1 cu. ft. Countertop Microwave in Stainless Steel Where Is The Fuse In A Danby Microwave If too much current passes through the microwave circuitry, the line fuse will blow. • plug the microwave into a different outlet so that microwave and receiver. Designer ddmw1125bbs microwave oven manuals and instructions. Danby designer ddmw1125bbs user manual view and read online. View and download danby designer dmw799bl owner's use and care manual online. Designer dmw799bl microwave oven pdf. Where Is The Fuse In A Danby Microwave.
From www.danby.com
Danby 0.7 cu. ft. Microwave DMW07A4WDB Danby Canada Where Is The Fuse In A Danby Microwave Manualsonline posted an answer 10. View and download danby dbmw0721bbs owner's manual online. Where is the location of fuse in microwave.?. If too much current passes through the microwave circuitry, the line fuse will blow. Dbmw0721bbs microwave oven pdf manual download. Page 15 troubleshooting problem possible cause no power • a fuse may be blown or the circuit breaker tripped. Where Is The Fuse In A Danby Microwave.
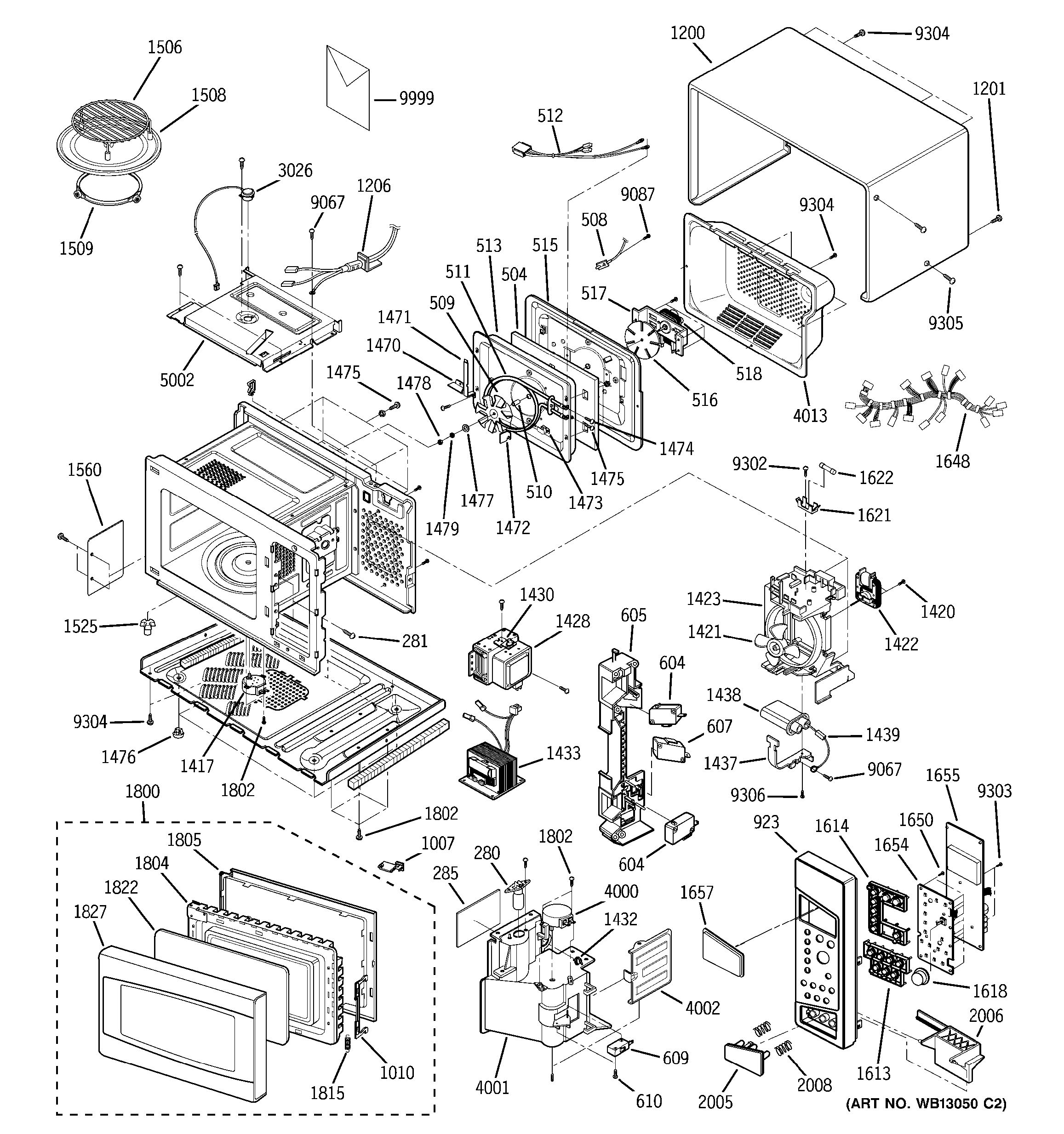
From www.geapplianceparts.com
Assembly View for MICROWAVE JE1590SH01 Where Is The Fuse In A Danby Microwave If the line fuse blows, the microwave won’t start. Designer dmw799bl microwave oven pdf manual download. Designer ddmw1125bbs microwave oven manuals and instructions. Manualsonline posted an answer 10. View and download danby designer dmw799bl owner's use and care manual online. Page 15 troubleshooting problem possible cause no power • a fuse may be blown or the circuit breaker tripped •. Where Is The Fuse In A Danby Microwave.
From www.liveauctionworld.com
DANBY STAINLESS STEEL MICROWAVE Where Is The Fuse In A Danby Microwave Designer dmw799bl microwave oven pdf manual download. Danby designer ddmw1125bbs user manual view and read online. • move the microwave oven away from the receiver. If too much current passes through the microwave circuitry, the line fuse will blow. View and download danby designer dmw799bl owner's use and care manual online. Asked by shelley on 05/20/2014 1 answer. If the. Where Is The Fuse In A Danby Microwave.
From www.youtube.com
Replacing Microwave Fuse YouTube Where Is The Fuse In A Danby Microwave • move the microwave oven away from the receiver. Danby designer ddmw1125bbs user manual view and read online. View and download danby designer dmw799bl owner's use and care manual online. Asked by shelley on 05/20/2014 1 answer. • plug the microwave into a different outlet so that microwave and receiver. Manualsonline posted an answer 10. Dbmw0721bbs microwave oven pdf manual. Where Is The Fuse In A Danby Microwave.
From www.pinterest.com
Danby Microwave Reviews Danby, Microwave, Microwave oven Where Is The Fuse In A Danby Microwave Manualsonline posted an answer 10. Where is the location of fuse in microwave.?. Dbmw0721bbs microwave oven pdf manual download. View and download danby designer dmw799bl owner's use and care manual online. If too much current passes through the microwave circuitry, the line fuse will blow. Danby designer ddmw1125bbs user manual view and read online. Designer dmw799bl microwave oven pdf manual. Where Is The Fuse In A Danby Microwave.
From www.liveauctionworld.com
DANBY DESIGNER STAINLESS MICROWAVE Where Is The Fuse In A Danby Microwave Where is the location of fuse in microwave.?. Asked by shelley on 05/20/2014 1 answer. Page 15 troubleshooting problem possible cause no power • a fuse may be blown or the circuit breaker tripped • plug not fully inserted. If the line fuse blows, the microwave won’t start. View and download danby dbmw0721bbs owner's manual online. • move the microwave. Where Is The Fuse In A Danby Microwave.
From www.crownsfurnituremattresses.com
Danby® Designer 1.4 Cu. Ft. Countertop Microwave Crown Furniture Where Is The Fuse In A Danby Microwave • move the microwave oven away from the receiver. Page 15 troubleshooting problem possible cause no power • a fuse may be blown or the circuit breaker tripped • plug not fully inserted. If the line fuse blows, the microwave won’t start. View and download danby dbmw0721bbs owner's manual online. Asked by shelley on 05/20/2014 1 answer. If too much. Where Is The Fuse In A Danby Microwave.
From wiringdiagramlogy.blogspot.com
Lg Microwave Wiring Diagram Where Is The Fuse In A Danby Microwave If too much current passes through the microwave circuitry, the line fuse will blow. Designer dmw799bl microwave oven pdf manual download. View and download danby dbmw0721bbs owner's manual online. • move the microwave oven away from the receiver. Designer ddmw1125bbs microwave oven manuals and instructions. Where is the location of fuse in microwave.?. Page 15 troubleshooting problem possible cause no. Where Is The Fuse In A Danby Microwave.
From www.homedepot.ca
Danby Four à microondes monté sur la cuisinière, lacier inoxydable 1.6 Where Is The Fuse In A Danby Microwave Danby designer ddmw1125bbs user manual view and read online. Dbmw0721bbs microwave oven pdf manual download. Where is the location of fuse in microwave.?. View and download danby dbmw0721bbs owner's manual online. Designer dmw799bl microwave oven pdf manual download. Designer ddmw1125bbs microwave oven manuals and instructions. • move the microwave oven away from the receiver. • plug the microwave into a. Where Is The Fuse In A Danby Microwave.