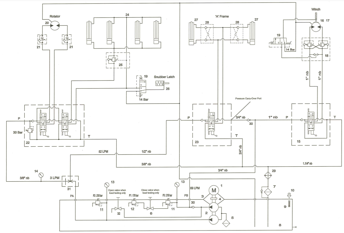
Hydraulic Winch Circuit . The diagram shows a winch powered by a hydraulic motor. Many winch mounting kits are available that utilize this bolt. One way to change fluid energy into useful work is through air or hydraulic motors. Your winch is designed with a bolt pattern that is standard in this class of winch. I'd like to provide constant torque in one direction (let's say ccw) using a hydraulic motor. Because of its small size and low speed,. These fluid motors produce rotary power that can drive conveyors, operate long transfers, power fan blades, run a winch, drill and tap a hole, and handle many other applications. In addition to gun mounts and turrets, hydraulic power drives are used to position rocket launchers and missile launchers, and to drive and control.
from www.google.com
One way to change fluid energy into useful work is through air or hydraulic motors. These fluid motors produce rotary power that can drive conveyors, operate long transfers, power fan blades, run a winch, drill and tap a hole, and handle many other applications. I'd like to provide constant torque in one direction (let's say ccw) using a hydraulic motor. Your winch is designed with a bolt pattern that is standard in this class of winch. Many winch mounting kits are available that utilize this bolt. In addition to gun mounts and turrets, hydraulic power drives are used to position rocket launchers and missile launchers, and to drive and control. The diagram shows a winch powered by a hydraulic motor. Because of its small size and low speed,.
Patent EP1547963A2 Control device for hydraulic winch Google Patents
Hydraulic Winch Circuit One way to change fluid energy into useful work is through air or hydraulic motors. The diagram shows a winch powered by a hydraulic motor. Because of its small size and low speed,. These fluid motors produce rotary power that can drive conveyors, operate long transfers, power fan blades, run a winch, drill and tap a hole, and handle many other applications. In addition to gun mounts and turrets, hydraulic power drives are used to position rocket launchers and missile launchers, and to drive and control. One way to change fluid energy into useful work is through air or hydraulic motors. Many winch mounting kits are available that utilize this bolt. I'd like to provide constant torque in one direction (let's say ccw) using a hydraulic motor. Your winch is designed with a bolt pattern that is standard in this class of winch.
From www.palmarine.com
Palmarine Marine Hydraulics and Engineering Winches,Ramp Winch Hydraulic Winch Circuit Because of its small size and low speed,. One way to change fluid energy into useful work is through air or hydraulic motors. In addition to gun mounts and turrets, hydraulic power drives are used to position rocket launchers and missile launchers, and to drive and control. Many winch mounting kits are available that utilize this bolt. The diagram shows. Hydraulic Winch Circuit.
From winchinsider.com
How Does a Hydraulic Winch Work? Detailed Guide Hydraulic Winch Circuit These fluid motors produce rotary power that can drive conveyors, operate long transfers, power fan blades, run a winch, drill and tap a hole, and handle many other applications. Many winch mounting kits are available that utilize this bolt. In addition to gun mounts and turrets, hydraulic power drives are used to position rocket launchers and missile launchers, and to. Hydraulic Winch Circuit.
From www.google.com
Patent EP1547963A2 Control device for hydraulic winch Google Patents Hydraulic Winch Circuit In addition to gun mounts and turrets, hydraulic power drives are used to position rocket launchers and missile launchers, and to drive and control. Your winch is designed with a bolt pattern that is standard in this class of winch. Many winch mounting kits are available that utilize this bolt. Because of its small size and low speed,. These fluid. Hydraulic Winch Circuit.
From www.hkdivedi.com
HYDRAULIC SYSTEM FOR BEGINNERS Mechanical Engineering Professionals Hydraulic Winch Circuit Many winch mounting kits are available that utilize this bolt. Because of its small size and low speed,. In addition to gun mounts and turrets, hydraulic power drives are used to position rocket launchers and missile launchers, and to drive and control. Your winch is designed with a bolt pattern that is standard in this class of winch. The diagram. Hydraulic Winch Circuit.
From www.youtube.com
Hydraulic winch brake drive disassembling and assembling Winch Hydraulic Winch Circuit These fluid motors produce rotary power that can drive conveyors, operate long transfers, power fan blades, run a winch, drill and tap a hole, and handle many other applications. Because of its small size and low speed,. Many winch mounting kits are available that utilize this bolt. One way to change fluid energy into useful work is through air or. Hydraulic Winch Circuit.
From www.bandcwinches.com.au
Winch wiring kit Hydraulic Winch Circuit Because of its small size and low speed,. I'd like to provide constant torque in one direction (let's say ccw) using a hydraulic motor. The diagram shows a winch powered by a hydraulic motor. These fluid motors produce rotary power that can drive conveyors, operate long transfers, power fan blades, run a winch, drill and tap a hole, and handle. Hydraulic Winch Circuit.
From www.google.com
Patent US6420802 Hydraulic winch limit switch circuit Google Patents Hydraulic Winch Circuit Because of its small size and low speed,. Your winch is designed with a bolt pattern that is standard in this class of winch. The diagram shows a winch powered by a hydraulic motor. One way to change fluid energy into useful work is through air or hydraulic motors. These fluid motors produce rotary power that can drive conveyors, operate. Hydraulic Winch Circuit.
From circuitlistgoldschmidt.z19.web.core.windows.net
Basic Hydraulic System Circuit Diagram Hydraulic Winch Circuit Your winch is designed with a bolt pattern that is standard in this class of winch. Because of its small size and low speed,. One way to change fluid energy into useful work is through air or hydraulic motors. The diagram shows a winch powered by a hydraulic motor. In addition to gun mounts and turrets, hydraulic power drives are. Hydraulic Winch Circuit.
From www.youtube.com
Braden Gearmatic Winch Hydraulic Model PD12CSPL5903902 / BR42854 Hydraulic Winch Circuit I'd like to provide constant torque in one direction (let's say ccw) using a hydraulic motor. Your winch is designed with a bolt pattern that is standard in this class of winch. These fluid motors produce rotary power that can drive conveyors, operate long transfers, power fan blades, run a winch, drill and tap a hole, and handle many other. Hydraulic Winch Circuit.
From zips.com
Hydraulic Winch Hydraulic Winch Circuit Your winch is designed with a bolt pattern that is standard in this class of winch. I'd like to provide constant torque in one direction (let's say ccw) using a hydraulic motor. These fluid motors produce rotary power that can drive conveyors, operate long transfers, power fan blades, run a winch, drill and tap a hole, and handle many other. Hydraulic Winch Circuit.
From www.winches-uk.co.uk
13.5 Tonne JP Industrial Hydraulic winch UK Winches and Hoists Hydraulic Winch Circuit Because of its small size and low speed,. Many winch mounting kits are available that utilize this bolt. One way to change fluid energy into useful work is through air or hydraulic motors. These fluid motors produce rotary power that can drive conveyors, operate long transfers, power fan blades, run a winch, drill and tap a hole, and handle many. Hydraulic Winch Circuit.
From www.researchgate.net
Simplified open circuit hydraulic system of the winch. Download Hydraulic Winch Circuit Because of its small size and low speed,. Your winch is designed with a bolt pattern that is standard in this class of winch. The diagram shows a winch powered by a hydraulic motor. One way to change fluid energy into useful work is through air or hydraulic motors. These fluid motors produce rotary power that can drive conveyors, operate. Hydraulic Winch Circuit.
From www.google.com
Patent US6420802 Hydraulic winch limit switch circuit Google Patents Hydraulic Winch Circuit In addition to gun mounts and turrets, hydraulic power drives are used to position rocket launchers and missile launchers, and to drive and control. Because of its small size and low speed,. Many winch mounting kits are available that utilize this bolt. Your winch is designed with a bolt pattern that is standard in this class of winch. One way. Hydraulic Winch Circuit.
From mobilebridges.tpub.com
Winch Control Block Hydraulic Schematic. Hydraulic Winch Circuit The diagram shows a winch powered by a hydraulic motor. These fluid motors produce rotary power that can drive conveyors, operate long transfers, power fan blades, run a winch, drill and tap a hole, and handle many other applications. Many winch mounting kits are available that utilize this bolt. In addition to gun mounts and turrets, hydraulic power drives are. Hydraulic Winch Circuit.
From ideasforhomeandoffice.blogspot.com
Ship hydraulic system Hydraulic Winch Circuit These fluid motors produce rotary power that can drive conveyors, operate long transfers, power fan blades, run a winch, drill and tap a hole, and handle many other applications. I'd like to provide constant torque in one direction (let's say ccw) using a hydraulic motor. One way to change fluid energy into useful work is through air or hydraulic motors.. Hydraulic Winch Circuit.
From manual.imagenes4k.com
Hydraulic Winch Diagram Hydraulic Filter Winch Location Systems Hydraulic Winch Circuit One way to change fluid energy into useful work is through air or hydraulic motors. These fluid motors produce rotary power that can drive conveyors, operate long transfers, power fan blades, run a winch, drill and tap a hole, and handle many other applications. Many winch mounting kits are available that utilize this bolt. In addition to gun mounts and. Hydraulic Winch Circuit.
From www.mdpi.com
Machines Free FullText Energy Saving Characteristics of a Winch Hydraulic Winch Circuit In addition to gun mounts and turrets, hydraulic power drives are used to position rocket launchers and missile launchers, and to drive and control. I'd like to provide constant torque in one direction (let's say ccw) using a hydraulic motor. Because of its small size and low speed,. Your winch is designed with a bolt pattern that is standard in. Hydraulic Winch Circuit.
From manual.imagenes4k.com
Hydraulic Winch Diagram Hydraulic Filter Winch Location Systems Hydraulic Winch Circuit One way to change fluid energy into useful work is through air or hydraulic motors. The diagram shows a winch powered by a hydraulic motor. These fluid motors produce rotary power that can drive conveyors, operate long transfers, power fan blades, run a winch, drill and tap a hole, and handle many other applications. I'd like to provide constant torque. Hydraulic Winch Circuit.
From constructionearthmover.tpub.com
WINCH HYDRAULIC SCHEMATIC Hydraulic Winch Circuit I'd like to provide constant torque in one direction (let's say ccw) using a hydraulic motor. One way to change fluid energy into useful work is through air or hydraulic motors. The diagram shows a winch powered by a hydraulic motor. These fluid motors produce rotary power that can drive conveyors, operate long transfers, power fan blades, run a winch,. Hydraulic Winch Circuit.
From wiredataavaimineef6.z14.web.core.windows.net
Hydraulic System Hydraulic Circuit Diagram Hydraulic Winch Circuit These fluid motors produce rotary power that can drive conveyors, operate long transfers, power fan blades, run a winch, drill and tap a hole, and handle many other applications. One way to change fluid energy into useful work is through air or hydraulic motors. Your winch is designed with a bolt pattern that is standard in this class of winch.. Hydraulic Winch Circuit.
From mavink.com
Hydraulic Winch Diagram Hydraulic Winch Circuit Because of its small size and low speed,. Many winch mounting kits are available that utilize this bolt. In addition to gun mounts and turrets, hydraulic power drives are used to position rocket launchers and missile launchers, and to drive and control. The diagram shows a winch powered by a hydraulic motor. Your winch is designed with a bolt pattern. Hydraulic Winch Circuit.
From steelmillcranes.com
How Does A Hydraulic Winch Work? Hydraulic Winch Circuit In addition to gun mounts and turrets, hydraulic power drives are used to position rocket launchers and missile launchers, and to drive and control. Because of its small size and low speed,. One way to change fluid energy into useful work is through air or hydraulic motors. I'd like to provide constant torque in one direction (let's say ccw) using. Hydraulic Winch Circuit.
From www.mdpi.com
Performance Improvement of a Hydraulic Active/Passive Heave Hydraulic Winch Circuit I'd like to provide constant torque in one direction (let's say ccw) using a hydraulic motor. One way to change fluid energy into useful work is through air or hydraulic motors. Your winch is designed with a bolt pattern that is standard in this class of winch. In addition to gun mounts and turrets, hydraulic power drives are used to. Hydraulic Winch Circuit.
From www.google.com
Patent US4516755 Hydraulic winch control system Google Patents Hydraulic Winch Circuit The diagram shows a winch powered by a hydraulic motor. In addition to gun mounts and turrets, hydraulic power drives are used to position rocket launchers and missile launchers, and to drive and control. Your winch is designed with a bolt pattern that is standard in this class of winch. These fluid motors produce rotary power that can drive conveyors,. Hydraulic Winch Circuit.
From wiringdiagram.2bitboer.com
warn winch wiring diagram xd9000 Wiring Diagram Hydraulic Winch Circuit In addition to gun mounts and turrets, hydraulic power drives are used to position rocket launchers and missile launchers, and to drive and control. Because of its small size and low speed,. These fluid motors produce rotary power that can drive conveyors, operate long transfers, power fan blades, run a winch, drill and tap a hole, and handle many other. Hydraulic Winch Circuit.
From www.hydraulicsupermarket.com
What’s Your Hydraulic System’s Standby Efficiency? Brendan Casey's Hydraulic Winch Circuit I'd like to provide constant torque in one direction (let's say ccw) using a hydraulic motor. These fluid motors produce rotary power that can drive conveyors, operate long transfers, power fan blades, run a winch, drill and tap a hole, and handle many other applications. One way to change fluid energy into useful work is through air or hydraulic motors.. Hydraulic Winch Circuit.
From www.ini-hydraulic.com
Hydraulic Winch 50KN INI Hydraulic Hydraulic Winch Circuit In addition to gun mounts and turrets, hydraulic power drives are used to position rocket launchers and missile launchers, and to drive and control. Many winch mounting kits are available that utilize this bolt. One way to change fluid energy into useful work is through air or hydraulic motors. I'd like to provide constant torque in one direction (let's say. Hydraulic Winch Circuit.
From www.chegg.com
Solved Illustrate the following hydraulic circuit by 1. Hydraulic Winch Circuit In addition to gun mounts and turrets, hydraulic power drives are used to position rocket launchers and missile launchers, and to drive and control. Your winch is designed with a bolt pattern that is standard in this class of winch. Many winch mounting kits are available that utilize this bolt. One way to change fluid energy into useful work is. Hydraulic Winch Circuit.
From www.google.com
Patent US6420802 Hydraulic winch limit switch circuit Google Patents Hydraulic Winch Circuit One way to change fluid energy into useful work is through air or hydraulic motors. The diagram shows a winch powered by a hydraulic motor. Many winch mounting kits are available that utilize this bolt. Your winch is designed with a bolt pattern that is standard in this class of winch. These fluid motors produce rotary power that can drive. Hydraulic Winch Circuit.
From circuitednatn4.z19.web.core.windows.net
Wiring A Winch To Atv Tutorial Hydraulic Winch Circuit Many winch mounting kits are available that utilize this bolt. The diagram shows a winch powered by a hydraulic motor. One way to change fluid energy into useful work is through air or hydraulic motors. I'd like to provide constant torque in one direction (let's say ccw) using a hydraulic motor. Because of its small size and low speed,. These. Hydraulic Winch Circuit.
From sgseafarers.com
Mooring Winch Hydraulic SINGAPORE SEAFARERS Hydraulic Winch Circuit These fluid motors produce rotary power that can drive conveyors, operate long transfers, power fan blades, run a winch, drill and tap a hole, and handle many other applications. Your winch is designed with a bolt pattern that is standard in this class of winch. One way to change fluid energy into useful work is through air or hydraulic motors.. Hydraulic Winch Circuit.
From mavink.com
Hydraulic Winch Diagram Hydraulic Winch Circuit One way to change fluid energy into useful work is through air or hydraulic motors. I'd like to provide constant torque in one direction (let's say ccw) using a hydraulic motor. In addition to gun mounts and turrets, hydraulic power drives are used to position rocket launchers and missile launchers, and to drive and control. The diagram shows a winch. Hydraulic Winch Circuit.
From www.youtube.com
deck machinery Mooring Winch Hydraulic Circuit YouTube Hydraulic Winch Circuit Your winch is designed with a bolt pattern that is standard in this class of winch. I'd like to provide constant torque in one direction (let's say ccw) using a hydraulic motor. Because of its small size and low speed,. In addition to gun mounts and turrets, hydraulic power drives are used to position rocket launchers and missile launchers, and. Hydraulic Winch Circuit.
From yesyen.com
Industrial hydraulic circuit training with animation Hydraulic Winch Circuit I'd like to provide constant torque in one direction (let's say ccw) using a hydraulic motor. In addition to gun mounts and turrets, hydraulic power drives are used to position rocket launchers and missile launchers, and to drive and control. The diagram shows a winch powered by a hydraulic motor. Because of its small size and low speed,. Many winch. Hydraulic Winch Circuit.
From saivs-industrial.com
Hydraulic winch system for valve opening and closing of oil pipeline Hydraulic Winch Circuit Many winch mounting kits are available that utilize this bolt. I'd like to provide constant torque in one direction (let's say ccw) using a hydraulic motor. One way to change fluid energy into useful work is through air or hydraulic motors. Because of its small size and low speed,. The diagram shows a winch powered by a hydraulic motor. Your. Hydraulic Winch Circuit.