Why Won't My Dash Lights Work . By understanding what causes this issue, you’ll be better prepared to deal with it if it happens to you. The reasons your dashboard lights are not working can be traced to one or two key electrical/lighting components that have gone bad. If you are experiencing your dash lights not working, there are a few things we can do to get them working on your own that can easily be. If none of the lights on your dashboard appear to be working, the typical culprit is a blown fuse or even something as simple as a switch that has been turned off. The fault could be from loose. Problems with dashboard lights can be caused by multiple reasons, ranging from simple bulb and fuse problems to failing alternators. In this article, we will discuss the most common reasons why the dashboard lights go off while the car is on and also ways to fix it when it happens. If you notice that your dashboard lights are.
from www.youtube.com
By understanding what causes this issue, you’ll be better prepared to deal with it if it happens to you. If none of the lights on your dashboard appear to be working, the typical culprit is a blown fuse or even something as simple as a switch that has been turned off. The fault could be from loose. If you are experiencing your dash lights not working, there are a few things we can do to get them working on your own that can easily be. Problems with dashboard lights can be caused by multiple reasons, ranging from simple bulb and fuse problems to failing alternators. The reasons your dashboard lights are not working can be traced to one or two key electrical/lighting components that have gone bad. If you notice that your dashboard lights are. In this article, we will discuss the most common reasons why the dashboard lights go off while the car is on and also ways to fix it when it happens.
Dashboard lights out? (FIX) YouTube
Why Won't My Dash Lights Work The fault could be from loose. If you notice that your dashboard lights are. In this article, we will discuss the most common reasons why the dashboard lights go off while the car is on and also ways to fix it when it happens. The reasons your dashboard lights are not working can be traced to one or two key electrical/lighting components that have gone bad. If you are experiencing your dash lights not working, there are a few things we can do to get them working on your own that can easily be. Problems with dashboard lights can be caused by multiple reasons, ranging from simple bulb and fuse problems to failing alternators. By understanding what causes this issue, you’ll be better prepared to deal with it if it happens to you. The fault could be from loose. If none of the lights on your dashboard appear to be working, the typical culprit is a blown fuse or even something as simple as a switch that has been turned off.
From billingsblessingbags.org
Why Are My Interior Dash Lights Not Working Why Won't My Dash Lights Work If you notice that your dashboard lights are. The reasons your dashboard lights are not working can be traced to one or two key electrical/lighting components that have gone bad. The fault could be from loose. If you are experiencing your dash lights not working, there are a few things we can do to get them working on your own. Why Won't My Dash Lights Work.
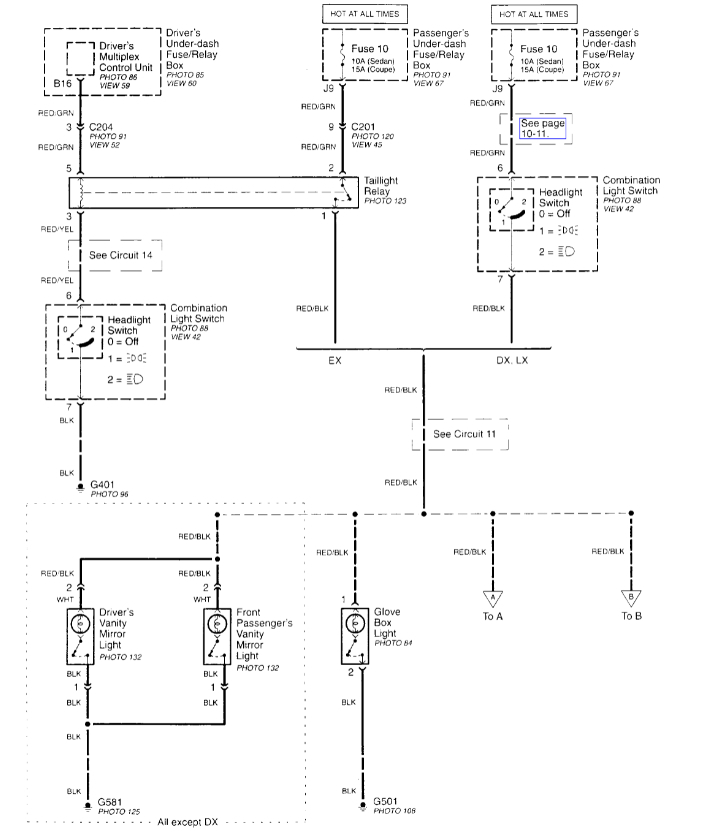
From fyojnebof.blob.core.windows.net
Why Don't My Dashboard Lights Work at David Diaz blog Why Won't My Dash Lights Work The reasons your dashboard lights are not working can be traced to one or two key electrical/lighting components that have gone bad. If you notice that your dashboard lights are. In this article, we will discuss the most common reasons why the dashboard lights go off while the car is on and also ways to fix it when it happens.. Why Won't My Dash Lights Work.
From fyojnebof.blob.core.windows.net
Why Don't My Dashboard Lights Work at David Diaz blog Why Won't My Dash Lights Work The fault could be from loose. Problems with dashboard lights can be caused by multiple reasons, ranging from simple bulb and fuse problems to failing alternators. The reasons your dashboard lights are not working can be traced to one or two key electrical/lighting components that have gone bad. By understanding what causes this issue, you’ll be better prepared to deal. Why Won't My Dash Lights Work.
From homeminimalisite.com
Why Are The Lights On My Dashboard Dim Why Won't My Dash Lights Work The fault could be from loose. Problems with dashboard lights can be caused by multiple reasons, ranging from simple bulb and fuse problems to failing alternators. If none of the lights on your dashboard appear to be working, the typical culprit is a blown fuse or even something as simple as a switch that has been turned off. In this. Why Won't My Dash Lights Work.
From homeminimalisite.com
Why Are All The Lights On My Dashboard Flashing And Car Won T Start Why Won't My Dash Lights Work The fault could be from loose. If you are experiencing your dash lights not working, there are a few things we can do to get them working on your own that can easily be. By understanding what causes this issue, you’ll be better prepared to deal with it if it happens to you. If you notice that your dashboard lights. Why Won't My Dash Lights Work.
From www.youtube.com
Fixing more dash warning lights. 2001 Buick Regal YouTube Why Won't My Dash Lights Work The reasons your dashboard lights are not working can be traced to one or two key electrical/lighting components that have gone bad. The fault could be from loose. If you notice that your dashboard lights are. If you are experiencing your dash lights not working, there are a few things we can do to get them working on your own. Why Won't My Dash Lights Work.
From billingsblessingbags.org
Why Are My Interior Dash Lights Not Working Why Won't My Dash Lights Work If none of the lights on your dashboard appear to be working, the typical culprit is a blown fuse or even something as simple as a switch that has been turned off. The reasons your dashboard lights are not working can be traced to one or two key electrical/lighting components that have gone bad. If you are experiencing your dash. Why Won't My Dash Lights Work.
From honda-tech.com
Honda Civic Why Won't My Dash Lights Work? Hondatech Why Won't My Dash Lights Work If you notice that your dashboard lights are. The fault could be from loose. In this article, we will discuss the most common reasons why the dashboard lights go off while the car is on and also ways to fix it when it happens. Problems with dashboard lights can be caused by multiple reasons, ranging from simple bulb and fuse. Why Won't My Dash Lights Work.
From psoriasisguru.com
Why Are My Interior Lights Not Working Why Won't My Dash Lights Work In this article, we will discuss the most common reasons why the dashboard lights go off while the car is on and also ways to fix it when it happens. By understanding what causes this issue, you’ll be better prepared to deal with it if it happens to you. If you notice that your dashboard lights are. Problems with dashboard. Why Won't My Dash Lights Work.
From audiolover.com
Why Won't My Car Start But The Radio And Lights Work? Audiolover Why Won't My Dash Lights Work If you notice that your dashboard lights are. In this article, we will discuss the most common reasons why the dashboard lights go off while the car is on and also ways to fix it when it happens. By understanding what causes this issue, you’ll be better prepared to deal with it if it happens to you. The reasons your. Why Won't My Dash Lights Work.
From www.youtube.com
Parking BRAKE LIGHT won't go OFF Easy Diagnosis on Honda Accord / Brake Light on Dash Stays ON Why Won't My Dash Lights Work If you notice that your dashboard lights are. If you are experiencing your dash lights not working, there are a few things we can do to get them working on your own that can easily be. Problems with dashboard lights can be caused by multiple reasons, ranging from simple bulb and fuse problems to failing alternators. The fault could be. Why Won't My Dash Lights Work.
From enginecrib.com
Interior Car Lights Won't Turn off? [Causes & How to Fix] Why Won't My Dash Lights Work If you are experiencing your dash lights not working, there are a few things we can do to get them working on your own that can easily be. By understanding what causes this issue, you’ll be better prepared to deal with it if it happens to you. Problems with dashboard lights can be caused by multiple reasons, ranging from simple. Why Won't My Dash Lights Work.
From honda-tech.com
Honda Civic Why Won't My Dash Lights Work? Hondatech Why Won't My Dash Lights Work If you are experiencing your dash lights not working, there are a few things we can do to get them working on your own that can easily be. In this article, we will discuss the most common reasons why the dashboard lights go off while the car is on and also ways to fix it when it happens. The reasons. Why Won't My Dash Lights Work.
From psoriasisguru.com
Trans Am Dash Lights Not Working Why Won't My Dash Lights Work By understanding what causes this issue, you’ll be better prepared to deal with it if it happens to you. If you are experiencing your dash lights not working, there are a few things we can do to get them working on your own that can easily be. In this article, we will discuss the most common reasons why the dashboard. Why Won't My Dash Lights Work.
From carcoachcenter.com
My Dashboard Lights Wont Turn ON + Best updated 2023 Why Won't My Dash Lights Work In this article, we will discuss the most common reasons why the dashboard lights go off while the car is on and also ways to fix it when it happens. By understanding what causes this issue, you’ll be better prepared to deal with it if it happens to you. Problems with dashboard lights can be caused by multiple reasons, ranging. Why Won't My Dash Lights Work.
From carretro.blogspot.com
Car Won T Start All Dash Lights Come On Car Retro Why Won't My Dash Lights Work The fault could be from loose. If you notice that your dashboard lights are. If you are experiencing your dash lights not working, there are a few things we can do to get them working on your own that can easily be. If none of the lights on your dashboard appear to be working, the typical culprit is a blown. Why Won't My Dash Lights Work.
From homeminimalisite.com
Why Are My Dash Lights And Headlights Flickering Why Won't My Dash Lights Work The reasons your dashboard lights are not working can be traced to one or two key electrical/lighting components that have gone bad. By understanding what causes this issue, you’ll be better prepared to deal with it if it happens to you. Problems with dashboard lights can be caused by multiple reasons, ranging from simple bulb and fuse problems to failing. Why Won't My Dash Lights Work.
From www.youtube.com
Wont Start Dash Lights Go Out When Key Is Turned YouTube Why Won't My Dash Lights Work By understanding what causes this issue, you’ll be better prepared to deal with it if it happens to you. If none of the lights on your dashboard appear to be working, the typical culprit is a blown fuse or even something as simple as a switch that has been turned off. If you notice that your dashboard lights are. In. Why Won't My Dash Lights Work.
From www.wikihow.com
3 Ways to Fix Dashboard Lights That Won't Light wikiHow Why Won't My Dash Lights Work The reasons your dashboard lights are not working can be traced to one or two key electrical/lighting components that have gone bad. In this article, we will discuss the most common reasons why the dashboard lights go off while the car is on and also ways to fix it when it happens. If none of the lights on your dashboard. Why Won't My Dash Lights Work.
From honda-tech.com
Honda Civic Why Won't My Dash Lights Work? Hondatech Why Won't My Dash Lights Work In this article, we will discuss the most common reasons why the dashboard lights go off while the car is on and also ways to fix it when it happens. The fault could be from loose. If you are experiencing your dash lights not working, there are a few things we can do to get them working on your own. Why Won't My Dash Lights Work.
From enginedesmacarwph.z21.web.core.windows.net
Why Won't My Dashboard Lights Turn On Why Won't My Dash Lights Work If you notice that your dashboard lights are. By understanding what causes this issue, you’ll be better prepared to deal with it if it happens to you. The fault could be from loose. If you are experiencing your dash lights not working, there are a few things we can do to get them working on your own that can easily. Why Won't My Dash Lights Work.
From homeminimalisite.com
Why Is My Car Lights Flickering And Won T Start Why Won't My Dash Lights Work The reasons your dashboard lights are not working can be traced to one or two key electrical/lighting components that have gone bad. If you are experiencing your dash lights not working, there are a few things we can do to get them working on your own that can easily be. If none of the lights on your dashboard appear to. Why Won't My Dash Lights Work.
From shellysavonlea.net
Toyota Prius Dash Lights Not Working Shelly Lighting Why Won't My Dash Lights Work In this article, we will discuss the most common reasons why the dashboard lights go off while the car is on and also ways to fix it when it happens. The reasons your dashboard lights are not working can be traced to one or two key electrical/lighting components that have gone bad. Problems with dashboard lights can be caused by. Why Won't My Dash Lights Work.
From priuschat.com
Why do my dash lights randomly stop working? PriusChat Why Won't My Dash Lights Work In this article, we will discuss the most common reasons why the dashboard lights go off while the car is on and also ways to fix it when it happens. By understanding what causes this issue, you’ll be better prepared to deal with it if it happens to you. The fault could be from loose. If you are experiencing your. Why Won't My Dash Lights Work.
From billingsblessingbags.org
Why Are My Interior Dash Lights Not Working Why Won't My Dash Lights Work If you are experiencing your dash lights not working, there are a few things we can do to get them working on your own that can easily be. By understanding what causes this issue, you’ll be better prepared to deal with it if it happens to you. If none of the lights on your dashboard appear to be working, the. Why Won't My Dash Lights Work.
From www.youtube.com
Why My Turn Signals Don't Work Diagnosis YouTube Why Won't My Dash Lights Work If you notice that your dashboard lights are. If you are experiencing your dash lights not working, there are a few things we can do to get them working on your own that can easily be. If none of the lights on your dashboard appear to be working, the typical culprit is a blown fuse or even something as simple. Why Won't My Dash Lights Work.
From www.youtube.com
Dashboard lights out? (FIX) YouTube Why Won't My Dash Lights Work If none of the lights on your dashboard appear to be working, the typical culprit is a blown fuse or even something as simple as a switch that has been turned off. By understanding what causes this issue, you’ll be better prepared to deal with it if it happens to you. If you are experiencing your dash lights not working,. Why Won't My Dash Lights Work.
From honda-tech.com
Honda Civic Why Won't My Dash Lights Work? Hondatech Why Won't My Dash Lights Work If you notice that your dashboard lights are. If none of the lights on your dashboard appear to be working, the typical culprit is a blown fuse or even something as simple as a switch that has been turned off. If you are experiencing your dash lights not working, there are a few things we can do to get them. Why Won't My Dash Lights Work.
From shellysavonlea.net
1998 Honda Crv Dashboard Lights Not Working Shelly Lighting Why Won't My Dash Lights Work If you are experiencing your dash lights not working, there are a few things we can do to get them working on your own that can easily be. In this article, we will discuss the most common reasons why the dashboard lights go off while the car is on and also ways to fix it when it happens. By understanding. Why Won't My Dash Lights Work.
From vehq.com
Dashboard Lights Flickering Car Won't Start What Could Be Wrong? Why Won't My Dash Lights Work If you are experiencing your dash lights not working, there are a few things we can do to get them working on your own that can easily be. In this article, we will discuss the most common reasons why the dashboard lights go off while the car is on and also ways to fix it when it happens. By understanding. Why Won't My Dash Lights Work.
From homeminimalisite.com
Why Is My Car Lights Flickering And Won T Start Why Won't My Dash Lights Work If you are experiencing your dash lights not working, there are a few things we can do to get them working on your own that can easily be. By understanding what causes this issue, you’ll be better prepared to deal with it if it happens to you. If none of the lights on your dashboard appear to be working, the. Why Won't My Dash Lights Work.
From helpfulfix.com
Why Dodge Interior Lights Won’t Turn Off (And How To Fix) Helpful Fix Why Won't My Dash Lights Work If you are experiencing your dash lights not working, there are a few things we can do to get them working on your own that can easily be. If none of the lights on your dashboard appear to be working, the typical culprit is a blown fuse or even something as simple as a switch that has been turned off.. Why Won't My Dash Lights Work.
From fyojnebof.blob.core.windows.net
Why Don't My Dashboard Lights Work at David Diaz blog Why Won't My Dash Lights Work The reasons your dashboard lights are not working can be traced to one or two key electrical/lighting components that have gone bad. In this article, we will discuss the most common reasons why the dashboard lights go off while the car is on and also ways to fix it when it happens. If you are experiencing your dash lights not. Why Won't My Dash Lights Work.
From carcoachcenter.com
My Dashboard Lights Wont Turn ON + Best updated 2023 Why Won't My Dash Lights Work Problems with dashboard lights can be caused by multiple reasons, ranging from simple bulb and fuse problems to failing alternators. The reasons your dashboard lights are not working can be traced to one or two key electrical/lighting components that have gone bad. If none of the lights on your dashboard appear to be working, the typical culprit is a blown. Why Won't My Dash Lights Work.
From carcoachcenter.com
My Dashboard Lights Wont Turn ON + Best updated 2023 Why Won't My Dash Lights Work In this article, we will discuss the most common reasons why the dashboard lights go off while the car is on and also ways to fix it when it happens. Problems with dashboard lights can be caused by multiple reasons, ranging from simple bulb and fuse problems to failing alternators. If you are experiencing your dash lights not working, there. Why Won't My Dash Lights Work.